Exhibit 99.1
Feasibility Technical Report
on the Reward Project Nye County, NV, USA
Prepared for:

CR Reward LLC & Augusta Gold Corp.
Suite 555 – 999, Canada Place
Vancouver, BC V6C 3E1 Canada

Prepared by:
| Kappes, Cassiday & Associates 7950 Security Circle Reno, NV 89506 |
Report Effective Date: 03 September 2024
Report Signing Date 30 September 2024
Authors:
Mark Gorman, PE, Kappes, Cassiday & Associates
Thomas Dyer, PE, RESPEC
Michael Dufresne, M. Sc., P. Geol., P. Geo., APEX Geoscience, Ltd
Timothy D. Scott, RM SME, Kappes, Cassiday & Associates
Matthew Haley, PE, NewFields
James Cremeens, PE. P.G., Knight Piésold and Co.
Mark Willow, RM SME, SRK Consulting, Inc.
![]() | Reward Feasibility Study Technical Report |
Forward Looking Information
This document contains “forward-looking information” as defined in applicable securities laws. Forward looking information includes, but is not limited to, statements with respect to this technical report, including but not limited to future production, costs and expenses of the Project; estimates of Mineral Reserves and Mineral Resources; commodity prices and exchange rates; mine production plans; projected mining and process recovery rates; mining dilution assumptions; sustaining costs and operating costs; interpretations and assumptions regarding joint venture and potential contract terms; closure costs and requirements; government regulations and permitting timelines; requirements for additional capital; environmental, permitting and social risks; and general business and economic conditions. Often, but not always, forward-looking information can be identified by the use of words such as “plans”, “expects”, “is expected”, “budget”, “scheduled”, “estimates”, “continues”, “forecasts”, “projects”, “predicts”, “intends”, “anticipates” or “believes”, or variations of, or the negatives of, such words and phrases, or statements that certain actions, events or results “may”, “could”, “would”, “should”, “might” or “will” be taken, occur or be achieved.
Forward-looking information is based on a number of assumptions which may prove to be incorrect, including, but not limited to, the availability of financing for production, development and exploration activities; the timelines for exploration and development activities on the Project; the availability of certain consumables and services; assumptions made in Mineral Resource and Mineral Reserve estimates, including geological interpretation grade, recovery rates, price assumption, and operational costs; and general business and economic conditions. Forward-looking information involves known and unknown risks, uncertainties and other factors which may cause the actual results, performance or achievements to be materially different from any of the future results, performance or achievements expressed or implied by the forward-looking information. These risks, uncertainties and other factors include, but are not limited to, the assumptions underlying the production estimates not being realized, changes to the cost of production, variations in quantity of mineralized material, grade or recovery rates, geotechnical or hydrogeological considerations during mining differing from what has been assumed, failure of plant, equipment or processes, changes to availability of power or the power rates used in the cost estimates, changes to salvage values, ability to maintain social license, changes to interest or tax rates, decrease of future gold prices, cost of labour, supplies, fuel and equipment rising, the availability of financing on attractive terms, actual results of current exploration, changes in project parameters, exchange rate fluctuations, delays and costs inherent to consulting and accommodating rights of local communities, environmental risks, reclamation expenses, title risks, regulatory risks and uncertainties with respect to obtaining necessary permits or delays in obtaining same, and other risks involved in the gold production, development and exploration industry, as well as those risk factors discussed in Augusta’s latest Annual Information Form on Form 10-K and its other EDGAR and SEDAR+ filings from time to time.
| Kappes, Cassiday & Associates | September 2024 |
![]() | Reward Feasibility Study Technical Report |
All forward-looking information herein is qualified by this cautionary statement. Accordingly, readers should not place undue reliance on forward-looking information. Augusta and the authors of this Technical Report undertake no obligation to update publicly or otherwise revise any forward-looking information whether as a result of new information or future events or otherwise, except as may be required by applicable law.
| Kappes, Cassiday & Associates | September 2024 |
![]() | Reward Feasibility Study Technical Report |
Contents
| 1.0 EXECUTIVE SUMMARY | 1-1 | ||
| 1.1 | Introduction | 1-1 | |
| 1.2 | Terms of Reference | 1-1 | |
| 1.3 | Project Setting | 1-2 | |
| 1.4 | Mineral Tenure, Surface Rights, Water Rights, Royalties and Agreements | 1-2 | |
| 1.5 | Geology and Mineralization | 1-3 | |
| 1.6 | History | 1-4 | |
| 1.7 | Drilling and Sampling | 1-5 | |
| 1.8 | Data Verification | 1-5 | |
| 1.9 | Metallurgical Testing | 1-6 | |
| 1.10 | Current Mineral Resource | 1-7 | |
| 1.11 | Mineral Reserve Estimation | 1-9 | |
| 1.12 | Mining Methods | 1-10 | |
| 1.13 | Recovery Methods | 1-11 | |
| 1.14 | Project Infrastructure | 1-11 | |
| 1.14.1 | On-Site Services and Infrastructure | 1-12 | |
| 1.14.2 | Heap Leach Pad Design | 1-13 | |
| 1.15 | Environmental, Permitting and Social Considerations | 1-13 | |
| 1.16 | Market Studies and Contracts | 1-16 | |
| 1.17 | Capital Costs | 1-16 | |
| 1.18 | Operating Costs | 1-16 | |
| 1.19 | Economic Analysis | 1-17 | |
| 1.20 | Interpretations and Conclusions | 1-19 | |
| 1.20.1 | Resources | 1-19 | |
| 1.20.2 | Mining | 1-20 | |
| 1.20.3 | Metallurgy and Processing | 1-20 | |
| 1.20.4 | Infrastructure | 1-20 | |
| Kappes, Cassiday & Associates | Contents |
| September 2024 | Page 1 |
![]() | Reward Feasibility Study Technical Report |
| 1.20.5 | Environmental, Permitting, and Social Considerations | 1-20 | |
| 1.20.6 | Opportunities and Risks | 1-20 | |
| 1.21 | Recommendations | 1-22 | |
| 1.21.1 | APEX | 1-22 | |
| 1.21.2 | RESPEC | 1-22 | |
| 1.21.3 | KCA | 1-22 | |
| 1.21.4 | NewFields | 1-22 | |
| 1.21.5 | Knight Piésold | 1-22 | |
| 1.21.6 | SRK | 1-24 | |
| 2.0 INTRODUCTION | 2-1 | ||
| 2.1 | Introduction and Overview | 2-1 | |
| 2.2 | Project Scope and Terms of Reference | 2-1 | |
| 2.2.1 | Scope of Work | 2-1 | |
| 2.2.2 | Terms of Reference | 2-2 | |
| 2.3 | Sources of Information | 2-2 | |
| 2.4 | Qualified Persons and Site Visits | 2-3 | |
| 2.5 | Frequently Used Acronyms, Abbreviations, Definitions and Units of Measure | 2-4 | |
| 3.0 RELIANCE ON OTHER EXPERTS | 3-1 | ||
| 4.0 PROPERTY DESCRIPTION AND LOCATION | 4-1 | ||
| 4.1 | Description and Location | 4-1 | |
| 4.2 | Property and Title in Nevada | 4-1 | |
| 4.2.1 | Mineral Title | 4-1 | |
| 4.2.2 | Surface Rights | 4-2 | |
| 4.2.3 | Environmental Regulations | 4-4 | |
| 4.2.4 | Water Rights | 4-4 | |
| 4.3 | Ownership | 4-4 | |
| 4.4 | Mineral Properties | 4-4 | |
| 4.4.1 | Claim Status | 4-4 | |
| 4.4.2 | Claim Retention Obligations | 4-11 | |
| Kappes, Cassiday & Associates | Contents |
| September 2024 | Page 2 |
![]() | Reward Feasibility Study Technical Report |
| 4.4.3 | Encumbrances | 4-11 | |
| 4.5 | Mineral Lease Agreements | 4-11 | |
| 4.5.1 | Connolly Lease | 4-11 | |
| 4.5.2 | Webster Lease | 4-11 | |
| 4.5.3 | Orser-McFall Lease | 4-12 | |
| 4.5.4 | Van Meeteren et al Lease | 4-12 | |
| 4.6 | Encumbrances | 4-12 | |
| 4.7 | Surface Ownership | 4-13 | |
| 4.8 | Water Rights | 4-13 | |
| 4.9 | Permitting Considerations | 4-13 | |
| 4.10 | Environmental Considerations | 4-13 | |
| 4.11 | Comments on Property Description and Location | 4-14 | |
| 5.0 ACCESSIBILITY, CLIMATE, LOCAL RESOURCES, INFRASTRUCTURE AND PHYSIOGRAPHY | 5-1 | ||
| 5.1 | Accessibility | 5-1 | |
| 5.2 | Site Topography, Elevation and Vegetation | 5-1 | |
| 5.3 | Climate | 5-1 | |
| 5.4 | Local Resources and Infrastructure | 5-1 | |
| 6.0 HISTORY | 6-1 | ||
| 6.1 | Exploration History | 6-1 | |
| 6.2 | Production History | 6-1 | |
| 7.0 GEOLOGICAL SETTING AND MINERALIZATION | 7-1 | ||
| 7.1 | Regional Geology | 7-1 | |
| 7.2 | Local Geology | 7-1 | |
| 7.3 | Stratigraphy | 7-5 | |
| 7.3.1 | Late Proterozoic Stirling Formation | 7-6 | |
| 7.3.2 | Proterozoic-Cambrian | 7-9 | |
| 7.3.3 | Cambrian | 7-9 | |
| 7.4 | Structure | 7-10 | |
| Kappes, Cassiday & Associates | Contents |
| September 2024 | Page 3 |
![]() | Reward Feasibility Study Technical Report |
| 7.4.1 | Good Hope Fault Zone | 7-10 | |
| 7.5 | Alteration | 7-13 | |
| 7.6 | Oxidation (Redox) | 7-13 | |
| 7.7 | Mineralization | 7-13 | |
| 7.7.1 | Description of Mineralization: Good Hope Deposit | 7-14 | |
| 7.7.2 | Description of Mineralization: Gold Ace Mineralized Zone | 7-16 | |
| 7.7.3 | Description of Mineralization: Exploration Update | 7-19 | |
| 8.0 DEPOSIT TYPES | 8-1 | ||
| 9.0 EXPLORATION | 9-1 | ||
| 9.1 | Introduction | 9-1 | |
| 9.2 | CR Reward Exploration (2015-Present) | 9-1 | |
| 10.0 DRILLING | 10-1 | ||
| 10.1 | Drill Methods, Logging and Surveys | 10-3 | |
| 10.1.1 | Gexa (1987) | 10-3 | |
| 10.1.2 | Pathfinder (1991) | 10-3 | |
| 10.1.3 | Barrick (1995-1996) and Glamis (1998-2000) | 10-3 | |
| 10.1.4 | Canyon (2006-2007) | 10-4 | |
| 10.1.5 | Atna (2011-2013) | 10-4 | |
| 10.2 | CR Reward Core Drilling Program (2017-2018) | 10-4 | |
| 10.3 | Twin Holes | 10-8 | |
| 10.4 | Comments on Drilling | 10-9 | |
| 11.0 SAMPLE PREPARATION, ANALYSES AND SECURITY | 11-1 | ||
| 11.1 | Pre-CR Reward Drill Sampling, Analysis and Security | 11-1 | |
| 11.1.1 | Gexa (1987) | 11-1 | |
| 11.1.2 | Barrick (1995-1996) | 11-1 | |
| 11.1.3 | Glamis (1998-2000) | 11-1 | |
| 11.1.4 | Canyon (2006-2007) | 11-2 | |
| 11.1.5 | Atna (2011-2013) | 11-2 | |
| Kappes, Cassiday & Associates | Contents |
| September 2024 | Page 4 |
![]() | Reward Feasibility Study Technical Report |
| 11.2 | CR Reward Sampling, Analysis and Security (2017-2018) | 11-3 | |
| 11.2.1 | Diamond Drill Core Sample Preparation and Analysis | 11-4 | |
| 11.3 | CR Reward QAQC Results (2017-2018) | 11-7 | |
| 11.3.1 | Blanks | 11-7 | |
| 11.3.2 | Standard Reference Materials | 11-8 | |
| 11.3.3 | Duplicates | 11-10 | |
| 11.4 | Comments on Sample Preparation, Analyses, and Security | 11-10 | |
| 12.0 DATA VERIFICATION | 12-1 | ||
| 12.1 | Verification Program | 12-1 | |
| 12.1.1 | Protocols and Error Tracking of Pre-CR Reward Drill Holes | 12-2 | |
| 12.2 | Collar Data Verification | 12-2 | |
| 12.3 | Down-Hole Survey Data Verification | 12-3 | |
| 12.4 | Assay Verification | 12-3 | |
| 12.5 | Metallurgical Test Data | 12-4 | |
| 12.6 | QP Site Visits | 12-4 | |
| 13.0 MINERAL PROCESSING AND METALLURGICAL TESTING | 13-1 | ||
| 13.1 | 1998 Rayrock Column Tests – Drill Core | 13-1 | |
| 13.2 | 1998 Rayrock Column Tests – Trench Samples | 13-2 | |
| 13.3 | 2007 McClelland Bottle Roll Tests | 13-2 | |
| 13.4 | McClelland 2008 Column Test Campaign | 13-4 | |
| 13.4.1 | 2008 Column Test Results | 13-5 | |
| 13.4.2 | 2008 Bottle Roll Test Results at Crush Size and at 200 Mesh | 13-6 | |
| 13.4.3 2008 Bottle Roll Size versus Recovery on Composite 5 | 13-7 | ||
| 13.4.4 | Drain-Down Data | 13-8 | |
| 13.4.5 | Conclusions from 2008 McClelland Program | 13-8 | |
| 13.5 | 2018 Kappes, Cassiday, and Associates Test Program | 13-9 | |
| 13.5.1 | 2018 KCA Composite Generation | 13-9 | |
| 13.5.2 | 2018 Physical Characterization | 13-11 | |
| 13.5.3 | 2018 KCA Pulverized Bottle Roll Tests | 13-12 | |
| Kappes, Cassiday & Associates | Contents |
| September 2024 | Page 5 |
![]() | Reward Feasibility Study Technical Report |
| 13.5.4 | 2018 KCA Agglomeration and Compacted Permeability Tests | 13-14 | ||
| 13.5.5 | KCA 2018 Column Leach Tests | 13-21 | ||
| 13.5.6 | 2018 KCA Program Conclusions | 13-23 | ||
| 13.6 | Analysis and Discussion | 13-23 | ||
| 13.6.1 | Crush Size and Grade versus Recovery | 13-23 | ||
| 13.6.2 | Leach Cycle | 13-24 | ||
| 13.6.3 | Reagent Consumptions | 13-25 | ||
| 13.6.3.1 | Cyanide | 13-25 | ||
| 13.6.3.2 | Lime | 13-25 | ||
| 13.6.4 | Conclusions and Key Design Parameters | 13-26 | ||
| 14.0 MINERAL RESOURCE ESTIMATES | 14-1 | |||
| 14.1 | Introduction | 14-1 | ||
| 14.2 | Data | 14-3 | ||
| 14.2.1 | Drill Hole Data | 14-3 | ||
| 14.2.2 | APEX Micromine Database Validation | 14-5 | ||
| 14.3 | Geological Model and Domains | 14-6 | ||
| 14.3.1 | Good Hope Deposit | 14-6 | ||
| 14.3.1.1 | Low-Grade Alteration Domain (LG) | 14-7 | ||
| 14.3.1.2 | High Grade Gold Shell (HG) | 14-7 | ||
| 14.3.2 | Gold Ace Zone | 14-7 | ||
| 14.4 | Drill Hole Flagging and Compositing | 14-8 | ||
| 14.4.1 | Sample Width Analysis | 14-8 | ||
| 14.4.2 | Remnant Analysis | 14-9 | ||
| 14.5 | Capping | 14-11 | ||
| 14.6 | Variography and Grade Continuity | 14-14 | ||
| 14.7 | Bulk Density | 14-16 | ||
| 14.8 | Block Model | 14-20 | ||
| 14.8.1 | Block Model Parameters | 14-20 | ||
| 14.8.2 | Volumetric Checks | 14-22 | ||
| Kappes, Cassiday & Associates | Contents |
| September 2024 | Page 6 |
![]() | Reward Feasibility Study Technical Report |
| 14.9 | Grade Estimation | 14-22 | |
| 14.9.1 | Estimation Methodology | 14-22 | |
| 14.10 | Model Validation | 14-26 | |
| 14.10.1 | Visual Validation | 14-26 | |
| 14.10.2 | Statistical Validation | 14-28 | |
| 14.11 | Mineral Resource Classification | 14-34 | |
| 14.11.1 | 2019 CIM and S-K 1300 Definitions | 14-34 | |
| 14.11.2 | Classification Criteria | 14-35 | |
| 14.12 | Evaluation of Reasonable Prospects for Eventual Economic Extraction | 14-36 | |
| 14.13 | Mineral Resource Statement | 14-37 | |
| 14.14 | Discussion of Mineral Resources Modelling, Risks and Uncertainties | 14-42 | |
| 15.0 MINERAL RESERVE ESTIMATES | 15-1 | ||
| 15.1 | Introduction | 15-1 | |
| 15.2 | Economic Parameters and Cut-Off Grade | 15-1 | |
| 15.3 | Pit Optimization | 15-2 | |
| 15.4 | Road Design | 15-5 | |
| 15.5 | Pit Design | 15-6 | |
| 15.6 | Waste Rock Dump Design | 15-7 | |
| 15.7 | Dilution | 15-12 | |
| 15.8 | Proven and Probable Mineral Reserves | 15-12 | |
| 15.9 | Risk Factors for Proven and Probable Mineral Reserves | 15-13 | |
| 16.0 MINING METHODS | 16-1 | ||
| 16.1 | Introduction | 16-1 | |
| 16.2 | Geotechnical Considerations | 16-1 | |
| 16.3 | Production Schedule | 16-3 | |
| 16.4 | Equipment Requirements | 16-5 | |
| 16.5 | Drill and Blast Requirements | 16-6 | |
| 16.6 | Personnel Requirements | 16-8 | |
| 16.6.1 | Reward Mining Personnel | 16-9 | |
| Kappes, Cassiday & Associates | Contents |
| September 2024 | Page 7 |
![]() | Reward Feasibility Study Technical Report |
| 17.0 RECOVERY METHODS | 17-1 | ||
| 17.1 | Process Design | 17-1 | |
| 17.2 | Process Summary | 17-1 | |
| 17.3 | Crushing | 17-5 | |
| 17.4 | Reclamation and Conveyor Stacking | 17-6 | |
| 17.5 | Leach Pad Design | 17-7 | |
| 17.5.1 | Stacking Plan | 17-9 | |
| 17.5.2 | Stability Analyses | 17-9 | |
| 17.5.3 | Liner | 17-10 | |
| 17.6 | Solution Application & Storage | 17-10 | |
| 17.6.1 | Solution Collection | 17-12 | |
| 17.6.2 | Storm Water Capacity | 17-12 | |
| 17.7 | Process Water Balance | 17-13 | |
| 17.7.1 | Precipitation Data | 17-13 | |
| 17.7.2 | Water Balance | 17-13 | |
| 17.7.3 | Carbon Adsorption Circuit | 17-16 | |
| 17.7.4 | Acid Wash and Elution | 17-17 | |
| 17.7.5 | Gold Room | 17-18 | |
| 17.7.6 | Carbon Regeneration | 17-18 | |
| 17.7.7 | Reagents | 17-18 | |
| 17.7.8 | Plant Services | 17-20 | |
| 18.0 PROJECT INFRASTRUCTURE | 18-1 | ||
| 18.1 | Introduction | 18-1 | |
| 18.2 | Roads | 18-1 | |
| 18.3 | Project Buildings | 18-1 | |
| 18.3.1 | Administration Building | 18-1 | |
| 18.3.2 | Process and Crusher Offices | 18-2 | |
| 18.3.3 | Mine Office | 18-2 | |
| 18.3.4 | Laboratory | 18-2 | |
| Kappes, Cassiday & Associates | Contents |
| September 2024 | Page 8 |
![]() | Reward Feasibility Study Technical Report |
| 18.3.5 | Process Maintenance Shop | 18-2 | ||
| 18.3.6 | Mine Maintenance Shop | 18-2 | ||
| 18.3.7 | Restrooms | 18-2 | ||
| 18.3.8 | Security Building | 18-3 | ||
| 18.3.8.1 | Fenced Area | 18-3 | ||
| 18.3.8.2 | Hazardous Waste Storage | 18-3 | ||
| 18.3.8.3 | Reagent Storage | 18-3 | ||
| 18.3.8.4 | Cactus Garden | 18-3 | ||
| 18.3.8.5 | Growth Media Storage | 18-3 | ||
| 18.4 | Power | 18-3 | ||
| 18.4.1 | Emergency Power | 18-4 | ||
| 18.5 | Communications | 18-5 | ||
| 18.6 | Fuel Supply | 18-5 | ||
| 18.7 | Water | 18-5 | ||
| 18.8 | Sewage and Solid Waste Management | 18-5 | ||
| 18.8.1 | Sewage | 18-5 | ||
| 18.8.2 | Solid Wastes | 18-5 | ||
| 18.9 | Bullion Transport and Refining | 18-5 | ||
| 19.0 MARKET STUDIES AND CONTRACTS | 19-1 | |||
| 20.0 ENVIRONMENTAL STUDIES, PERMITTING AND SOCIAL OR COMMUNITY IMPACT | 20-1 | |||
| 20.1 | Environmental Studies | 20-1 | ||
| 20.2 | Geochemistry | 20-4 | ||
| 20.3 | Environmental Management Planning | 20-4 | ||
| 20.4 | Permitting | 20-5 | ||
| 20.4.1 | Federal Permitting | 20-5 | ||
| 20.4.1.1 | Mine Plan of Operations | 20-5 | ||
| 20.4.1.2 | Exploration Notices | 20-9 | ||
| 20.4.2 | State Permitting | 20-9 | ||
| Kappes, Cassiday & Associates | Contents |
| September 2024 | Page 9 |
![]() | Reward Feasibility Study Technical Report |
| 20.4.2.1 | Water Pollution Control Permit – NDEP-BMRR | 20-9 | ||
| 20.4.2.2 | Reclamation Permit – NDEP-BMRR | 20-10 | ||
| 20.4.2.3 | Air Quality Operating Permit – NDEP-BAPC | 20-10 | ||
| 20.4.2.4 | Water and Stormwater – NDEP-BWPC | 20-10 | ||
| 20.4.2.5 | Water Appropriations – NDWR | 20-11 | ||
| 20.4.3 | Local Permitting | 20-12 | ||
| 20.4.4 | Permitting Modifications and Timelines | 20-12 | ||
| 20.5 | Social and Community Requirements | 20-13 | ||
| 20.6 | Mine Closure Requirements | 20-14 | ||
| 20.7 | Adequacy of Plans | 20-16 | ||
| 20.8 | Commitments to Local Procurement and Hiring | 20-16 | ||
| 21.0 CAPITAL AND OPERATING COSTS | 21-1 | |||
| 21.1 | Capital Expenditures | 21-1 | ||
| 21.2 | Mining Capital Costs | 21-3 | ||
| 21.2.1 | Contractor Capital Cost Estimate | 21-4 | ||
| 21.2.2 | Owner Mining Capital Estimate | 21-5 | ||
| 21.2.3 | Pre-stripping and Mine General Services Capital Cost Estimate | 21-5 | ||
| 21.3 | Process and Site Infrastructure Capital Costs | 21-6 | ||
| 21.3.1 | Process and Infrastructure Capital Cost Basis | 21-6 | ||
| 21.3.2 | Major Earthworks and Liner | 21-7 | ||
| 21.3.3 | Civils | 21-7 | ||
| 21.3.4 | Structural Steel | 21-7 | ||
| 21.3.5 | Platework | 21-7 | ||
| 21.3.6 | Mechanical Equipment | 21-7 | ||
| 21.3.7 | Piping | 21-8 | ||
| 21.3.8 | Electrical | 21-8 | ||
| 21.3.9 | Instrumentation | 21-8 | ||
| 21.3.10 | Infrastructure | 21-8 | ||
| 21.3.11 | Process Mobile Equipment | 21-8 | ||
| Kappes, Cassiday & Associates | Contents |
| September 2024 | Page 10 |
![]() | Reward Feasibility Study Technical Report |
| 21.3.12 | Spare Parts | 21-9 | ||
| 21.3.13 | Contingency | 21-9 | ||
| 21.3.14 | Sustaining Capital | 21-10 | ||
| 21.3.15 | Construction Indirect Costs | 21-10 | ||
| 21.3.16 | Other Owners Costs | 21-11 | ||
| 21.3.17 | Initial Fills | 21-13 | ||
| 21.3.18 | Engineering, Procurement & Construction Management | 21-13 | ||
| 21.3.19 | Working Capital | 21-14 | ||
| 21.4 | Operating Cost Summary | 21-14 | ||
| 21.4.1 | Mining Operating Costs | 21-15 | ||
| 21.4.2 | Process Operating Costs | 21-16 | ||
| 21.4.2.1 | Personnel and Staffing | 21-19 | ||
| 21.4.2.2 | Power | 21-20 | ||
| 21.4.2.3 | Consumable Items | 21-20 | ||
| 21.4.2.4 | Heap Leach Consumables | 21-20 | ||
| 21.4.2.5 | Recovery Plant Consumables | 21-21 | ||
| 21.4.2.6 | Laboratory | 21-21 | ||
| 21.4.2.7 | Propane | 21-22 | ||
| 21.4.2.8 | Wear, Miscellaneous Operating & Maintenance Supplies | 21-22 | ||
| 21.4.2.9 | Mobile / Support Equipment | 21-22 | ||
| 21.4.2.10 | General and Administrative Costs | 21-22 | ||
| 21.4.2.11 | Reclamation and Closure Costs | 21-24 | ||
| 22.0 ECONOMIC ANALYSIS | 22-1 | |||
| 22.1 | Summary | 22-1 | ||
| 22.2 | Methodology | 22-2 | ||
| 22.2.1 | General Assumptions | 22-3 | ||
| 22.3 | Capital Expenditures | 22-4 | ||
| 22.4 | Metal Production | 22-4 | ||
| 22.5 | Royalties | 22-5 | ||
| Kappes, Cassiday & Associates | Contents |
| September 2024 | Page 11 |
![]() | Reward Feasibility Study Technical Report |
| 22.6 | Operating Costs | 22-5 | |
| 22.7 | Closure Costs | 22-5 | |
| 22.8 | Taxes | 22-6 | |
| 22.9 | Economic Model & Cash Flow | 22-6 | |
| 23.0 ADJACENT PROPERTIES | 23-1 | ||
| 23.1 | Bullfrog | 23-1 | |
| 23.2 | Sterling and Crown | 23-2 | |
| 24.0 OTHER RELEVANT DATA AND INFORMATION | 24-1 | ||
| 24.1 | Project Implementation | 24-1 | |
| 24.1.1 | Project Development | 24-1 | |
| 24.1.2 | Project Controls | 24-1 | |
| 24.1.3 | Procurement and Logistics | 24-2 | |
| 24.1.4 | Construction | 24-2 | |
| 24.1.5 | Construction Schedule | 24-3 | |
| 24.2 | Risks | 24-4 | |
| 24.3 | Opportunities | 24-4 | |
| 25.0 INTERPRETATION AND CONCLUSIONS | 25-1 | ||
| 25.1 | Introduction | 25-1 | |
| 25.2 | Mineral Tenure, Surface Rights, Water Rights, Royalties/Agreements | 25-1 | |
| 25.2.1 | Water Rights | 25-1 | |
| 25.3 | Geology | 25-2 | |
| 25.4 | Exploration, Drilling, and Analytical Data Collection in Support of Mineral Resource Estimation | 25-2 | |
| 25.5 | Metallurgical Testwork | 25-3 | |
| 25.6 | Mineral Resource Estimate | 25-3 | |
| 25.7 | Mineral Reserve Estimate | 25-3 | |
| 25.8 | Mine Planning | 25-4 | |
| 25.9 | Recovery Plant | 25-4 | |
| 25.9.1 | Risk | 25-4 | |
| Kappes, Cassiday & Associates | Contents |
| September 2024 | Page 12 |
![]() | Reward Feasibility Study Technical Report |
| 25.10 | Services and Site Infrastructure | 25-5 | |
| 25.11 | Environmental and Social Impact | 25-5 | |
| 25.12 | Markets and Contracts | 25-6 | |
| 25.12.1 | Gold Price | 25-6 | |
| 25.13 | Capital Costs | 25-6 | |
| 25.14 | Operating Costs | 25-6 | |
| 25.14.1 | Operating Cost Risk | 25-7 | |
| 25.15 | Economic Analysis | 25-7 | |
| 26.0 RECOMMENDATIONS | 26-1 | ||
| 26.1 | Geotechnical | 26-1 | |
| 26.2 | APEX | 26-1 | |
| 26.3 | RESPEC | 26-2 | |
| 26.4 | KCA | 26-2 | |
| 26.5 | NewFields | 26-2 | |
| 26.6 | SRK | 26-2 | |
| 27.0 REFERENCES | 27-1 | ||
| 28.0 DATE AND SIGNATURES | 28-1 | ||
| Kappes, Cassiday & Associates | Contents |
| September 2024 | Page 13 |
![]() | Reward Feasibility Study Technical Report |
Figures
| Figure 4-1 Project Location Plan. | 4-3 |
| Figure 4-2 CR Reward, LLC Controlled Mineral Claims at Reward Project. | 4-9 |
| Figure 4-3 Detail of Reward Claims and Mineralized Zones for the Core Area. | 4-10 |
| Figure 7-1 Simplified Geology of the Bare Mountain Area. | 7-2 |
| Figure 7-2 Simplified Geologic Map of Project Area. | 7-3 |
| Figure 7-3 Local Geology Map. | 7-4 |
| Figure 7-4 3D Geological Schematic of the Main Rock Units and Faults. | 7-5 |
| Figure 7-5 Lower Portion of the Bare Mountains Complex Stratigraphic Column Observed at the Project. | 7-8 |
| Figure 7-6 3500N Geology Cross-Section. | 7-11 |
| Figure 7-7 Photo Highlighting Vein Orientation in Outcrop. | 7-12 |
| Figure 7-8 Gold Mineralization at Reward Intersected by Drilling. | 7-15 |
| Figure 7-9 Mineralization along Section 5600 N Looking North. | 7-16 |
| Figure 7-10 Mineralization along Section 4200 N Looking North. | 7-17 |
| Figure 7-11 Mineralization along Section 4800 N, Looking North. | 7-18 |
| Figure 7-12 Mineralization along Section 2900 N Looking North. | 7-19 |
| Figure 9-1 Plan View of the Project Area Showing the Locations of the IP/Resistivity Survey Lines (APEX, 2024). | 9-2 |
| Figure 10-1 Reward Drill Hole Locations. | 10-2 |
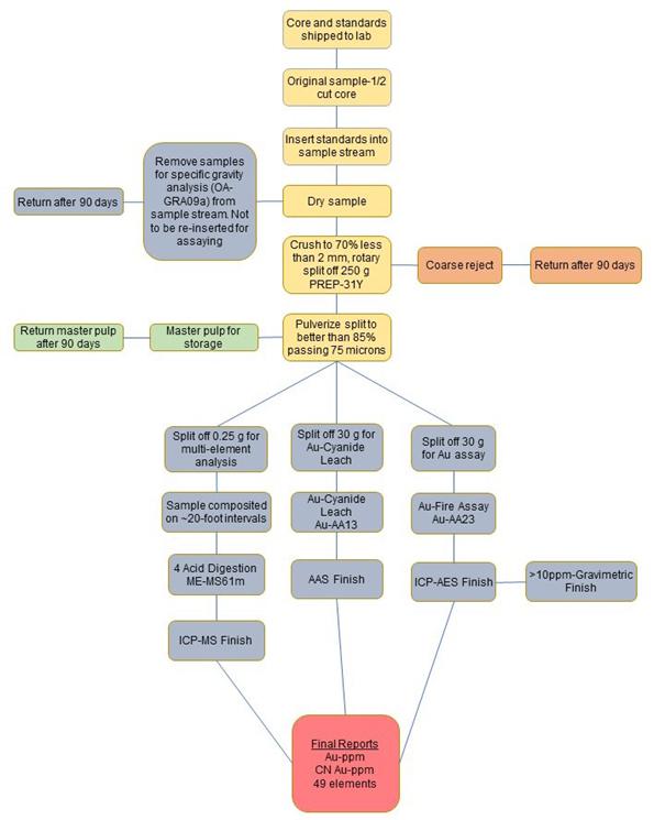
| Figure 11-1 CR Reward Sample Flow Chart. | 11-6 |
| Figure 11-2 Blank Results from 2017-2018 Drilling Sorted by Date Analyzed (APEX, 2024). | 11-7 |
| Figure 11-3 CDN-GS-P6B Results from 2017-2018 Program Sorted by Date Analyzed (APEX, 2024). | 11-9 |
| Figure 11-4 CDN-GS-2L Results from 2017-2018 Program Sorted by Date Analyzed (APEX, 2024). | 11-9 |
| Figure 11-5 Duplicate Results from the 2017-2018 Program (APEX, 2024). | 11-10 |
| Figure 12-1 Drill hole CRR17-009, Wood Canyon Formation Mineralized Interval of Phyllite and Oxidized Quartzite (approximately 389 to 401 ft depth). | 12-6 |
| Kappes, Cassiday & Associates | Contents |
| September 2024 | Page 14 |
![]() | Reward Feasibility Study Technical Report |
| Figure 12-2 Drill hole CRR18-014, Wood Canyon Formation Mineralized Interval of Brecciated/Re-healed Quartzite and Sheared and Foliated Phyllite (approximately 399 to 414 ft depth). | 12-7 |
| Figure 12-3 Drill Hole CRR18-024, Wood Canyon Formation Mineralized Interval of Quartzite (approximately 148 to 153 ft depth). | 12-8 |
| Figure 13-1 2007 10 Mesh Bottle Roll Recovery Curves. | 13-3 |
| Figure 13-2 2008 McClelland Drill Hole Location Map. | 13-5 |
| Figure 13-3 2008 McClelland 10 Gold Recovery Curves – Column Tests. | 13-6 |
| Figure 13-4 2008 McClelland Bottle Roll Tests Recovery Curves – Splits from Column Tests. | 13-6 |
| Figure 13-5 2008 McClelland Bottle Roll Size versus Gold Recovery – Composite 5. | 13-8 |
| Figure 13-6 2018 KCA Metallurgical Sample Drill Hole Location Map. | 13-10 |
| Figure 13-7 2018 KCA Bottle Roll Test Results. | 13-14 |
| Figure 13-8 KCA 2018 Column Leach Curves – Carbon Assays. | 13-21 |
| Figure 13-9 KCA 2018 Column Leach Curves – Tonnes Solution per Tonne Ore. | 13-23 |
| Figure 13-10 Size versus Recovery – 2018 KCA and 2008 McClelland Test Data. | 13-24 |
| Figure 14-1 Mineral Resource Estimate Mineralized Domain Outlines. | 14-2 |
| Figure 14-2 Histogram of the Raw Gold Assay Values of Sample Intervals Flagged within the Good Hope and Gold Ace Estimation Domains (APEX, 2024). | 14-4 |
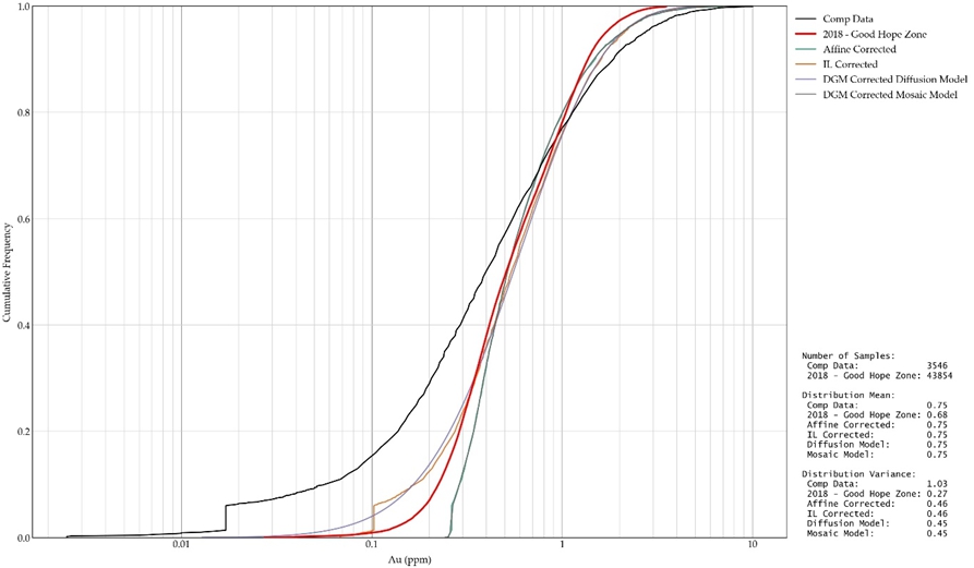
| Figure 14-3 Cumulative Frequency Plot of Raw Gold Assay Values of Sample Intervals Flagged within the Good Hope Zone Estimation Domains(APEX, 2024). | 14-4 |
| Figure 14-4 Cumulative Frequency Plot of Raw Gold Assay Values of Sample Intervals Flagged within the Gold Ace Estimation Domain (APEX, 2024). | 14-5 |
| Figure 14-5 Orthogonal View of LG (Blue) and HG (Orange) Estimation Domains, Good Hope Deposit (APEX, 2024). | 14-7 |
| Figure 14-6 Orthogonal View of the LG (Solid Orange) Estimation Domain, Gold Ace Zone. | 14-8 |
| Figure 14-7 Histogram of Sample Lengths within Estimation Domains for both the Good Hope and Gold Ace Zones (APEX, 2024). | 14-9 |
| Figure 14-8 Remnant Analysis Illustrating the Gold Distribution of Calculated Composite within the Good Hope Deposit (APEX, 2024). | 14-11 |
| Figure 14-9 Orphan Analysis Illustrating the Gold Distribution of Calculated Composite within the Gold Ace Zone (APEX, 2024). | 14-11 |
| Kappes, Cassiday & Associates | Contents |
| September 2024 | Page 15 |
![]() | Reward Feasibility Study Technical Report |
| Figure 14-10 Probability Plot of the Composited Gold Grade at the Good Hope Zone before Capping (APEX, 2024). | 14-12 |
| Figure 14-11 Cumulative Frequency Plots of the Composited and Capped Gold Grade within the Good Hope Zone Estimation Domains (APEX, 2024). | 14-12 |
| Figure 14-12 Probability Plot of the Composited Gold Grade at the Gold Ace Zone before Capping (APEX, 2024). | 14-13 |
| Figure 14-13 Cumulative Frequency Plot of the Composited and Capped Gold Grade within Gold Ace Zone Estimation Domain (APEX, 2024). | 14-13 |
| Figure 14-14 Calculated and Modelled Semi-Variogram of Gold within the Good Hope Zone. Dip Direction and Dip for each Principle Direction is in each Subplot Title (APEX, 2024). | 14-15 |
| Figure 14-15 Calculated and Modelled Semi-Variogram of Gold within the Gold Ace Zone. Dip Direction and Dip for each Principle Direction is in each Subplot Title (APEX, 2024). | 14-16 |
| Figure 14-16 Bulk Density Box Plots, Good Hope Deposit (APEX, 2024). | 14-18 |
| Figure 14-17 Bulk Density Scatter Plots Showing 3D Solids vs. Gold Grade, Good Hope Deposit (APEX, 2024). | 14-18 |
| Figure 14-18 Bulk Density Box Plots, Gold Ace Zone (APEX, 2024). | 14-19 |
| Figure 14-19 Bulk Density Scatter Plots Showing 3D Solids vs. Gold Grade, Gold Ace Zone (APEX, 2024). | 14-20 |
| Figure 14-20 Cumulative Frequency Plot Illustrating the Distance from each Block Centroid to the nearest Composite Sample within the Good Hope Zone (APEX, 2024). | 14-20 |
| Figure 14-21 Cumulative Frequency Plot Illustrating the Distance from each Block Centroid to the nearest Composite Sample within the Gold Ace Zone (APEX, 2024). | 14-21 |
| Figure 14-22 Gold Grade Contact Plot Analysis, Good Hope LG and HG Grade Domain Contacts (APEX, 2024). | 14-24 |
| Figure 14-23 Contact Plot Analysis, Good Hope Grade and Waste Domain Contacts (APEX, 2024). | 14-25 |
| Figure 14-24 Contact Analysis, Gold Ace Grade and Waste Domain Contacts (APEX, 2024). | 14-25 |
| Figure 14-25 Cross-Section 6000N, Showing Block Gold Estimates at the Good Hope Deposit. | 14-26 |
| Figure 14-26 Cross-Section 4800N, Showing Block Gold Estimates at the Good Hope Deposit. | 14-27 |
| Figure 14-27 Cross-Section 4100N, Showing Block Gold Estimates at the Good Hope Deposit. | 14-27 |
| Kappes, Cassiday & Associates | Contents |
| September 2024 | Page 16 |
![]() | Reward Feasibility Study Technical Report |
| Figure 14-28 Cross-Section 2700N, Showing Block Gold Estimates at the Gold Ace Deposit. | 14-28 |
| Figure 14-29 Swath Plots Showing Composite versus Estimated Gold Grade, Good Hope (APEX, 2024). | 14-29 |
| Figure 14-30 Swath Plots Showing Composite versus Estimated Gold Grade, Gold Ace (APEX, 2024). | 14-30 |
| Figure 14-31 Volume Variance Check, Good Hope (APEX, 2024). | 14-31 |
| Figure 14-32 Volume Variance Check, Gold Ace (APEX, 2024). | 14-32 |
| Figure 14-33 Contact Analysis, Good Hope Grade and Waste Domain Boundary (APEX, 2024). | 14-33 |
| Figure 14-34 Contact Analysis, Gold Ace Grade and Waste Domain Boundary (APEX, 2024). | 14-33 |
| Figure 15-1 Phase 1 Pit Design | 15-8 |
| Figure 15-2 Phase 2 Pit Design | 15-9 |
| Figure 15-3 Ultimate Pit Design | 15-10 |
| Figure 15-4 Pit and WRD Layout Plan | 15-11 |
| Figure 16-1 Design Sectors and Stability Cross Sections (Knight Piésold, 2023) | 16-2 |
| Figure 16-2 Monthly Mine Production Schedule – Short Tons by Period (RESPEC, 2024) | 16-4 |
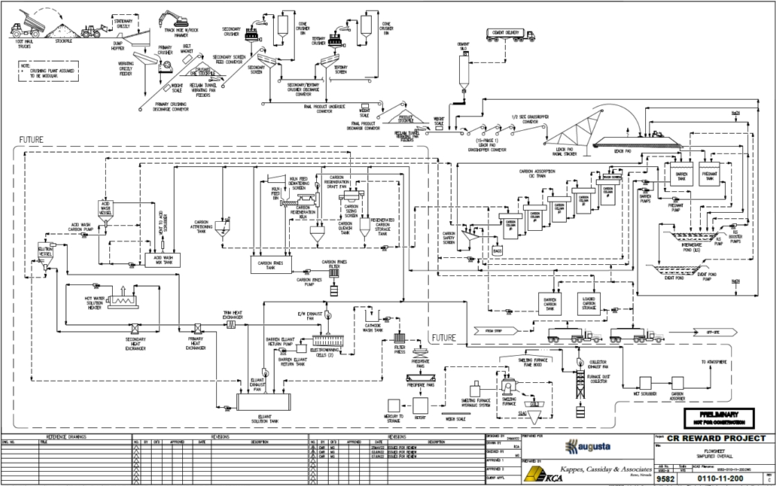
| Figure 17-1 Simplified Process Flowsheet | 17-3 |
| Figure 17-2 General Arrangement | 17-4 |
| Figure 17-3 Average Year, Phase 1 (KCA, 2022) | 17-14 |
| Figure 17-4 Wet Year, Phase 1 (KCA, 2022) | 17-15 |
| Figure 17-5 Dry Year, Phase 1 (KCA, 2022) | 17-16 |
| Figure 22-1 Annual Gold Production (KCA, 2024) | 22-5 |
| Figure 23-1 Adjacent Properties. | 23-2 |
| Kappes, Cassiday & Associates | Contents |
| September 2024 | Page 17 |
![]() | Reward Feasibility Study Technical Report |
Tables
| Table 1-1 Reward Conceptual Open Pit Parameters. | 1-8 |
| Table 1-2 Reward Project Mineral Resource Estimate on 03 September 2024, Based on US$1,950/oz Au | 1-9 |
| Table 1-3 - Proven and Probable Mineral Reserves | 1-10 |
| Table 1-4 Capital Cost Summary | 1-16 |
| Table 1-5 Operating Cost Summary | 1-17 |
| Table 1-6 Economic Analysis Summary | 1-18 |
| Table 1-7 Post-Tax Economic Results | 1-19 |
| Table 1-8 Summary of Recommended Pit Slope Geometries | 1-23 |
| Table 2-1 QPs Site Visit | 2-3 |
| Table 2-2 QPs Areas of Report Responsibility | 2-4 |
| Table 4-1 Summary of the Reward Project Claims | 4-5 |
| Table 6-1 Project Exploration History. | 6-1 |
| Table 7-1 Stratigraphy and Unit Thickness of the Bare Mountains Complex. | 7-6 |
| Table 10-1 Reward Drilling Summary. | 10-1 |
| Table 10-2 CR Reward Drill Hole Collars (2017-2018). | 10-6 |
| Table 10-3 Results of CR Reward Drill Holes (2017-2018). | 10-7 |
| Table 10-4 Results of Reward Twin Holes. | 10-9 |
| Table 11-1 Summary Results of Blank Material from the 2017-2018 Drill Program. | 11-8 |
| Table 11-2 Summary Results of Standards from the 2017-2018 Drill Program. | 11-8 |
| Table 12-1 Drill Hole Coordinate Comparison. Coordinates are in UTM NAD 1983 Zone 11. | 12-5 |
| Table 12-2 Significant Intercepts of Drill Holes Reviewed During Mr. Dufresne’s Inspection of the CR Reward Core Facility. | 12-6 |
| Table 13-1 1998 Rayrock Drill Core Column Tests Results. | 13-2 |
| Table 13-2 1998 Rayrock Surface Trench Column Test Gold Recovery. | 13-2 |
| Table 13-3 2007 10 Mesh Reverse Circulation Drill Holes Bottle Roll Results. | 13-3 |
| Table 13-4 2008 McClelland Sample/Drill Hole Composite Information. | 13-4 |
| Table 13-5 2008 McClelland Summary Column Test Results. | 13-5 |
| Table 13-6 2008 McClelland Bottle Roll Tests – Gold Recovery %. | 13-7 |
| Kappes, Cassiday & Associates | Contents |
| September 2024 | Page 18 |
![]() | Reward Feasibility Study Technical Report |
| Table 13-7 2008 McClelland Bottle Roll Size versus Gold Recovery – Composite 5. | 13-7 |
| Table 13-8 2008 McClelland Drain-Down Data from Column Tests. | 13-8 |
| Table 13-9 2018 KCA Composite Head Screen Analyses – Gold and Silver. | 13-11 |
| Table 13-10 2018 KCA Composite Head Screen Analyses – Mercury and Copper. | 13-11 |
| Table 13-11 2018 Hazen Bond Impact Work and Abrasion Index. | 13-12 |
| Table 13-12 2018 High-Grade Sample Intervals. | 13-12 |
| Table 13-13 2018 KCA Bottle Roll Test Results. | 13-13 |
| Table 13-14 KCA 2018 Preliminary Agglomeration Testwork. | 13-15 |
| Table 13-15 KCA 2018 Compacted Permeability Tests. | 13-16 |
| Table 13-16 KCA 2018 Column Leach Tests. | 13-22 |
| Table 13-17 KCA 2018 Column Leach Test, Silver | 13-22 |
| Table 13-18 Leach Cycle | 13-25 |
| Table 14-1 Summary Statistics of Raw Gold Assays (in ppm) of Sample Intervals Flagged within the Good Hope and Gold Ace Estimation Domains (APEX, 2024). | 14-5 |
| Table 14-2 Remnant Analysis comparing the Gold Statistics (in ppm) of Raw Assays and Uncapped Composite Samples with and without Orphans | 14-10 |
| Table 14-3 Remnant Analysis comparing the Gold Statistics (in ppm) of Raw Assays and Uncapped Composite Samples with and without Orphans. | 14-10 |
| Table 14-4 Summary Statistics of Gold Grade (in ppm) of Capped Composite Intervals Flagged within the Good Hope and Gold Ace Estimation Domains. | 14-14 |
| Table 14-5 Gold Variogram Model Parameters. | 14-15 |
| Table 14-6 Bulk Density Measurements (g/cm3), Good Hope Deposit and Gold Ace Zone. | 14-17 |
| Table 14-7 Percentage of Blocks Flagged within each Formation for the Good Hope and Gold Ace Zones. | 14-19 |
| Table 14-8 Project Block Model Size and Extents. | 14-21 |
| Table 14-9 Wireframe versus Block Model Volume Comparison. | 14-22 |
| Table 14-10 Estimation Search and Kriging Parameters (LV – locally varying). | 14-23 |
| Table 14-11 Interpolation Search Restrictions | 14-36 |
| Table 14-12 Parameters for Pit Optimization for Mineral Resource Estimate | 14-36 |
| Table 14-13 Reward Project Measured and Indicated Mineral Resource Statement September 3, 2024, based upon US$1950/oz Au | 14-38 |
| Kappes, Cassiday & Associates | Contents |
| September 2024 | Page 19 |
![]() | Reward Feasibility Study Technical Report |
| Table 14-14 Reward Project Inferred Mineral Resource Statement September 3, 2024, based upon US$1,950/oz Au | 14-38 |
| Table 14-15 Sensitivity Table, Measured and Indicated Mineral Resources, Good Hope (base case is bolded). | 14-39 |
| Table 14-16 Sensitivity Table, Inferred Mineral Resources, Good Hope (base case is bolded). | 14-39 |
| Table 14-17 Sensitivity Table, Indicated Mineral Resources, Gold Ace (base case is bolded). | 14-40 |
| Table 14-18 Sensitivity Table, Inferred Mineral Resources, Gold Ace (base case is bolded). | 14-40 |
| Table 14-19 Sensitivity Table, Measured and Indicated Mineral Resources, Good Hope and Gold Ace (base case is bolded). | 14-41 |
| Table 14-20 Sensitivity Table, Inferred Mineral Resources, Good Hope and Gold Ace (base case is bolded). | 14-41 |
| Table 15-1 Pit Optimization Parameters | 15-2 |
| Table 15-2 Cut-off Grades | 15-2 |
| Table 15-3 Whittle Pit Optimization Results | 15-3 |
| Table 15-4 PbP Results | 15-5 |
| Table 15-5 WRD Capacities and Planned Pit Backfill | 15-7 |
| Table 15-6 Proven & Probable Reserves, Waste and Stripping Ratio by Pit Phase | 15-12 |
| Table 15-7 Proven and Probable Mineral Reserves | 15-13 |
| Table 16-1 Slope Stability Results | 16-3 |
| Table 16-2 Mine Production Schedule | 16-5 |
| Table 16-3 Process Production Schedule | 16-5 |
| Table 16-4 Production Blast Design Example | 16-7 |
| Table 16-5 Pioneer Blast Design Example | 16-8 |
| Table 16-6 Contractor Personnel Estimate | 16-9 |
| Table 16-7 Mine General Salaries | 16-9 |
| Table 17-1 Processing Design Criteria Summary | 17-1 |
| Table 17-2 Heap Design Criteria | 17-9 |
| Table 17-3 Average Monthly Precipitation –Beatty Weather Station | 17-13 |
| Kappes, Cassiday & Associates | Contents |
| September 2024 | Page 20 |
![]() | Reward Feasibility Study Technical Report |
| Table 18-1 Power Summary | 18-4 |
| Table 20-1 Project Permits | 20-6 |
| Table 20-2 Key Permit Modifications | 20-13 |
| Table 21-1 Capital Cost Summary | 21-1 |
| Table 21-2 LOM Operating Cost Summary | 21-1 |
| Table 21-3 Summary of Mining, Process and Infrastructure Pre-Production Capital Costs by Area ($ M) | 21-3 |
| Table 21-4 LOM Mining Capital Cost Estimate | 21-4 |
| Table 21-5 Summary of Process & Infrastructure Pre-Production Capital Costs by Discipline ($M) | 21-6 |
| Table 21-6 Process Mobile Equipment | 21-9 |
| Table 21-7 Process & Infrastructure Contingency | 21-9 |
| Table 21-8 Process and Infrastructure Sustaining Capital | 21-10 |
| Table 21-9 Construction Indirect Costs | 21-11 |
| Table 21-10 Other Owner’s Costs | 21-12 |
| Table 21-11 Estimate of Initial Fills | 21-13 |
| Table 21-12 Contract Mining Operating Cost Summary | 21-15 |
| Table 21-13 Mine General Services | 21-15 |
| Table 21-14 Total Mine Operating Costs | 21-16 |
| Table 21-15 Process and G&A Costs | 21-17 |
| Table 21-16 Personnel and Staffing Summary | 21-20 |
| Table 21-17 Support Equipment Operating Costs | 21-22 |
| Table 21-18 G & A Labor | 21-23 |
| Table 21-19 G & A Expenses | 21-24 |
| Table 21-20 Reclamation and Closure | 21-25 |
| Table 22-1 Key Economic Parameters | 22-2 |
| Table 22-2 Economic Analysis Summary | 22-2 |
| Table 22-3 LOM Operating Costs | 22-5 |
| Table 22-4 Cash Flow | 22-7 |
| Table 22-5 Economic Results | 22-9 |
| Kappes, Cassiday & Associates | Contents |
| September 2024 | Page 21 |
![]() | Reward Feasibility Study Technical Report |
| Table 22-6 Post-Tax Economic Results | 22-9 |
| Table 22-7 Gold Price Comparison | 22-10 |
| Table 22-8 Cost Metrics (1) | 22-10 |
| Table 22-9 Cost Metrics (2) | 22-10 |
| Table 22-10 Cost Metrics (3) | 22-11 |
| Table 24-1 Project Schedule | 24-3 |
| Kappes, Cassiday & Associates | Contents |
| September 2024 | Page 22 |
![]() | Reward Feasibility Study Technical Report |
1.0 EXECUTIVE SUMMARY
1.1 Introduction
The Reward property, located in Nye County, Nevada, USA, is 100% owned by CR Reward LLC (CR), a wholly-owned subsidiary of Augusta Gold Corporation (Augusta). At the request of Augusta, this Technical Report was prepared at a Feasibility Study (FS) level by Kappes, Cassiday and Associates (KCA), RESPEC, APEX Geoscience Ltd. (APEX), NewFields, Knight Piésold and Co. (Knight Piésold) and SRK Consulting Inc. (SRK).
This Technical Report has been prepared in accordance with disclosure and reporting requirements set forth in the Canadian Securities Administrators’ current “Standards of Disclosure for Mineral Projects” under the provisions of National Instrument 43-101 (NI 43-101), Companion Policy 43-101 CP and Form 43-101F1, and Item 1300 of Regulation S-K of the United States Securities Exchange Act of 1934, as amended (S-K 1300).
The Reward Project considers open pit mining of approximately 15.1 million tons (Mt) of ore with an estimated grade of 0.025 ounces per ton (oz/t) gold. Ore from the pit will be crushed to 80% passing ¼” (6.3mm), conveyor stacked onto a heap leach pad and leached using dilute sodium cyanide solution. Pregnant solution from the heap leach will be processed in a carbon adsorption circuit. Loaded carbon will be stripped and gold doré bars produced at an off-site carbon stripping facility during the first year of operation. Carbon stripping and smelting facilities will be installed in year one and will be available starting in year two of the project.
The average processing throughput for the Reward Project will be approximately 5,479 tons of ore per day (tpd). The Project will be developed in two stages with expansion of the leach pad occurring in year three of operation. The scope of the FS includes a mine production schedule, as well as costing for all process components and infrastructure required for the operation. This Report is based on the Measured and Indicated Mineral Resources on the Property.
1.2 Terms of Reference
The purpose of this Report is to disclose updated Mineral Reserves and Project Economics for Reward. This report supports information disclosed in a press release dated 05 September 2024.
The units of measure presented in this report, unless noted otherwise, are in imperial units. The currency used for all costs is presented in US Dollars (US$ or $), unless specified otherwise. The costs were estimated based on quotes and cost data as of Q2 2024. For all major equipment packages, construction contracts and infrastructure items, a minimum of one quote was obtained.
The economic evaluation of the Project has been conducted on a constant dollar basis (Q2 2024) with a gold price of US$1,975 per ounce. Economic evaluation is done on a Project basis and from the point of view of a private investor, after deductions for royalties, income taxes, and various mining taxes and duties.
| Kappes, Cassiday & Associates | 1.0 Summary |
| September 2024 | Page 1-1 |
![]() | Reward Feasibility Study Technical Report |
1.3 Project Setting
The Project is situated about 7 miles south-southeast of the town of Beatty, NV about 2 miles east of US Highway 95 in Nye County. The Project can be accessed from Beatty by paved road on Highway 95 followed by traveling two miles east on a gravel road. Several dirt roads diverge into various canyons of the Bare Mountains.
The Project is situated in the Amargosa Desert in southwestern Nevada on the southwestern flank of the Bare Mountains in the northern Amargosa Valley. The western flank of the Bare Mountains drains into the Amargosa Desert which is drained by the ephemeral Amargosa River. Beatty, on the Amargosa River, lies at 3,300 ft elevation. Elevations in the Project area range from about 3,800 ft to 4,300 ft. Vegetation is sparse. The climate is typical of middle-elevation desert. Operations are planned to be conducted year-round.
The Project is currently serviced by an existing 14.4/24.9 kV power line owned and operated by Valley Electric Authority (VEA). Upgrades to the power supply will be required. VEA confirmed that an earlier 2018 study was still valid and supplied updated budget costs to upgrade the power supply, which incorporates voltage regulators and line capacitors. An existing water well will provide water for the project. Employees will be recruited from the local area, including the communities of Beatty, Amargosa, and Pahrump, located within Nye County, and the regional urban center of Las Vegas, located within Clark County.
The Project has sufficient land area, with adjacent public-domain lands also potentially available, to allow mine development, including space for the mining operations, waste rock disposal facilities (WRDs) and heap leach pads as presented in this Report.
1.4 Mineral Tenure, Surface Rights, Water Rights, Royalties and Agreements
The Project area lies within Sections 1, 2, 3, 4, 9, 10, 11 and 16 of Township 13 South, Range 47 East and Sections 33, 34, and 35 of Township 12 South, Range 47 East, all referred to the Mount Diablo Baseline and Meridian.
Canyon Resources Corporation (Canyon Resources) held a 100% interest in the mineral claims that form the Project. In 2008, Canyon Resources assigned all the patented and unpatented claims comprising the Project to an entity which was subsequently converted into CR Reward.
The Project encompasses 121 unpatented Bureau of Land Management (BLM) placer and lode mining claims and six patented placer mining claims, totaling approximately 2,333 net acres (944 hectares). Only the patented claims have been legally surveyed. Under United States mining law, claims may be renewed annually for an unlimited number of years upon a small payment per claim (currently $200 per claim due to the BLM and $12 per claim plus a $12 document charge due to Nye County) and the same claim status—whether lode or placer—may be used for exploration or exploitation of the lodes or placers.
| Kappes, Cassiday & Associates | 1.0 Summary |
| September 2024 | Page 1-2 |
![]() | Reward Feasibility Study Technical Report |
Several blocks of unpatented claims are leased by CR Reward from underlying owners, and are referred to as Connolly, Webster, Orser–McFall and Van Meeteren leases. These have the following royalties payable:
| ● | A 3% Net Smelter Return (NSR) royalty is payable on any minerals mined from the Connolly Claims, but is reduced to 2% as the lessee only owns a two-third interest in the Connolly Claims. |
| ● | A 3% NSR royalty is payable on any minerals mined from the Webster Claims but is reduced to 1% on the Sunshine and Reward claims as the lessee only owns a one-third interest, and reduced to 1.5% on the Good Hope claim as the lessee only owns a half interest in this claim. |
| ● | A 3% NSR royalty is payable on minerals mined from the Orser–McFall Claims but is reduced to 1.5% on the Good Hope claim as the lessee only owns a half interest in that claim. |
| ● | A 3% NSR royalty is payable on minerals mined from the Van Meeteren Claims. |
The Project area mainly consists of Federal public domain lands administered by the BLM. There are no State or private tracts within the Project area, except the six patented claims owned by CR Reward, all of which carry surface and mineral rights ownership.
The Project is not subject to any other back-in rights payments, agreements or encumbrances.
CR Reward has the right to use 317.39 ac-ft of water annually under Permit No. 76390 (286.7 ac-ft) and Permit No. 89658 (30.684 ac-ft). Additionally, CR Reward has an option to 100 ac-ft under Permit 14059 (Certificate 5156).
To the extent known to the QPs, there are no other significant factors and risks that may affect access, title, or the right or ability to perform work on the Project that have not been discussed in this Report.
1.5 Geology and Mineralization
Mineralization in the Good Hope Deposit and Golden Ace Zone can be classified as examples of a structurally controlled, locally disseminated, sediment hosted, mesothermal quartz vein gold.
The Project is hosted within the Bare Mountain Complex which lies within an intricate tectonic setting of the Nevada Basin and Range Province.
The Bare Mountain Complex consist of up to 6,096 m (20,000 ft) of Upper Proterozoic to Paleozoic marine sedimentary rocks in the lower plate that have been juxtaposed against Miocene silicic volcanic sequences in the upper plate. The lower plate units were deformed through folding, thrust faulting, low and high angle normal faulting during a Mesozoic compression event, and have been metamorphosed from lower amphibolite to sub-greenschist grade. Two dominant normal fault sets have been mapped in the lower plate, including the moderately east-dipping Bare Mountain and Gold Ace faults, and shallowly southeast-dipping faults that cut or curve into east-dipping faults.
| Kappes, Cassiday & Associates | 1.0 Summary |
| September 2024 | Page 1-3 |
![]() | Reward Feasibility Study Technical Report |
The Project is located on the southwestern flank of the Bare Mountain Complex and is underlain by moderately-deformed marine clastic and carbonate rocks of Late Proterozoic and Late Cambrian age that have been metamorphosed to greenschist grade. Tertiary and younger alluvium cover the lower slopes and the adjacent Armagosa Valley to the south and west. The east-dipping Gold Ace fault, locally termed the Good Hope fault zone, separates northeast dipping Late Proterozoic to Early Cambrian units in the footwall block from Middle to Late Cambrian units in the hanging wall block.
The gold mineralization in the Good Hope Deposit is spatially associated with, and along, the Good Hope fault zone, and is primarily hosted in altered and veined Wood Canyon Formation, and to a lesser extent, in the Juhl and Sutton Members of the Stirling Formation. Mineralization hosted along the contact between the Sutton and Morris Marble Members of the Stirling Formation is referred to as the Gold Ace Zone. Although there are small historic prospects along the Good Hope fault zone, most of the historic production came from the Gold Ace Zone.
1.6 History
Historical exploration of the Project was completed by several other companies from 1976 to 2004, including Galli Exploration Associates (Galli Exploration), Teco Inc. (Teco), St. Joe Minerals Corporation (St Joe), Gexa Gold Corp (Gexa), Cloverleaf Gold Inc. (Cloverleaf), Homestake Mining Company (Homestake), Pathfinder Gold Corporation (Pathfinder), Bond Gold Exploration Inc. (Bond Gold), Barrick, US Nevada Gold Search (USNGS), Rayrock Mines, Inc (Rayrock), Glamis Gold, Ltd. (Glamis Gold), and Marigold Mining Company (Marigold Mining). Historical exploration included airborne geophysics, reverse circulation (RC) and core drilling, initial metallurgical testwork, mineral resource estimates and technical studies.
Canyon Resources acquired the Project in 2004, and together with Atna Resources Ltd. (Atna) and CR Reward, have completed data compilation and validation, ground induced polarization/resistivity geophysical surveys, RC and core drilling, mineral resource and mineral reserve estimates, metallurgical testwork, permitting studies, environmental baseline studies, and technical studies. The original permits and authorizations were granted to CR Reward in 2007. Modifications to the CR Reward LLC permits were initiated in 2019. The following permits and authorizations have been granted to CR Reward:
| ● | Amended Plan of Operations authorized by Bureau of Land Management under Permit N-82840. |
| ● | Modified Water Pollution Control Permit (WPCP); WPCP NEV2007101. |
| ● | Water rights permitted by Nevada Division of Water Resources (NDWR) under Mining, Milling, & Domestic Permit 76390 and 89658. |
| ● | Biological Opinion authorized by USFWS 84320-2008-F-0293 |
| ● | Modified Mining reclamation permit granted by the Bureau of Mining Regulation and Reclamation (BMRR) under mine site permit #0300. |
| Kappes, Cassiday & Associates | 1.0 Summary |
| September 2024 | Page 1-4 |
![]() | Reward Feasibility Study Technical Report |
| ● | Nevada Bureau of Air Pollution Control (BAPC) authorized Class II Air Quality permit AP1041-2492. |
1.7 Drilling and Sampling
A total of 376 drill holes, totaling 43,729.7 m (143,470 ft) have been completed at the Project between 1987 and 2018. Of this total, 35 are core holes totaling 4,094.4 m (13,433 ft) and 341 are RC holes totaling 39,635.3 m (130,037 ft).
For CR Reward’s 2017–2018 drill program, drill hole locations were established using hand-held global positioning system (GPS) instruments and upon completion of the program, the collar locations were re-surveyed by a licensed surveyor. Down-hole surveys were completed at regular intervals, usually 7.6 m (25 ft), using an EZ-Shot system that records the magnetic heading, dip of the hole and magnetic field in the hole. A total of 398 measurements were collected for the 28 holes drilled in 2017–2018. Core recovery during the core drilling was very good, exceeding 95% on average, with losses mainly in highly shattered zones.
There is limited documentation available detailing the sample preparation, analyses and security of historical drill sampling programs conducted from 1987 to 2000 by Homestake, Gexa, Pathfinder, Cloverleaf, USNGS and Barrick. RC drill holes completed in 2006–2007 were sampled on 1.5 m (5 ft) intervals, and cores on 0.9 m (3 ft) intervals. The 2011–2013 RC holes were also sampled at 1.5 m (5 ft) intervals.
Independent assay laboratories were used in the 2006-2007 Canyon Resources, the 2011-2013 Atna and 2017-2018 CR Reward programs, including ALS Chemex Laboratory in Sparks, Nevada (certified to ISO 9001:2000 for selected techniques), Inspectorate America Corporation (Inspectorate) in Sparks, Nevada (certified to ISO 9001:2000 for selected techniques), Florin Analytical Services (FAS) in Reno, Nevada (not certified).
The 2006–2007, 2011-2013 and the CR Reward 2017-2018 drilling programs included the submission of standard and blank materials as part of the Quality Assurance and Quality Control (QA/QC) program. Assay control protocols during these modern periods of drilling included the insertion of certified standards, blanks and duplicates at acceptable insertion rates for all of the data.
The sample collection, security, transportation, preparation, insertion of geochemical standards and blanks, and analytical procedures are within industry norms and best practices. The procedures used by CR Reward personnel are considered adequate to ensure that the results disclosed are accurate within scientific limitations and are not misleading. The procedures and assay control protocols employed by CR Reward in the 2017–2018 drill program are considered reasonable and acceptable for use in Mineral Resource estimation.
1.8 Data Verification
CR Reward performed a comprehensive data verification program in 2017 consisting of collar and down-hole survey checks, and evaluation of assay values versus laboratory certificates or
| Kappes, Cassiday & Associates | 1.0 Summary |
| September 2024 | Page 1-5 |
![]() | Reward Feasibility Study Technical Report |
geologic logs where certificates were not available. Errors identified were corrected where applicable. For non-analytical drill hole information, CR Reward employed a protocol of continuous data checking to ensure accurate data transcription, including collar and down hole surveys, and geological and geotechnical information. The procedures employed are considered reasonable and are adequate with respect to ensuring data integrity.
Mr. Dufresne reviewed all aspects of the Reward drill hole database and available non-analytical procedures for historical and the CR Reward 2017–2018 drilling programs including the verification program by CR Reward. The drill hole database was validated using Micromine 2018 and was inspected visually in Excel files and on drill section. Mr. Dufresne has reviewed the adequacy of the exploration information and the visual, physical and geological characteristics of the Project and has found no significant issues or inconsistencies that would cause one to question the validity of the data. Mr. Dufresne, the QP, considers the CR Reward drill hole database, including the historical pre-2017 data and the 2017 to 2018 data, well validated and suitable for the preparation of the MRE presented in Section 14 of this Technical Report.
1.9 Metallurgical Testing
Metallurgical testwork on the Project includes historical work completed by Rayrock Mines Inc. during 1998 and McClelland in 2007 and 2008 with confirmatory testwork performed by KCA in 2018. Metallurgical testwork completed to date includes 34 bottle roll tests and 21 column tests along together with preliminary agglomeration and compacted permeability testing. Results from these tests show that the mineralization is amenable to cyanide leaching with reasonable reagent consumptions.
Metallurgical samples from historical and recent KCA test programs appear to be spatially representative for the Good Hope Deposit. Results from KCA’s 2018 test program confirmed the results from the 2007–2008 McClelland campaign with an average laboratory gold recovery of 81% for the Good Hope Deposit. The program also included bottle roll and duplicate column leach tests on the Gold Ace Zone. Results for Gold Ace show significantly lower column recoveries compared to the Good Hope Deposit.
Key design parameters from the metallurgical testwork for the Good Hope Deposit include:
| ● | Crush size P80 of ¼”, 100% passing ⅜”. |
| ● | Estimated field gold recovery of 79% including a 2% field deduction. |
| ● | Design leach cycle of 180 days. |
| ● | Average field sodium cyanide consumption of 0.73 lb/ton ore. |
| ● | Average field lime consumption of 1.53 lb/ton of material based on 100% CaO purity. |
| ● | Cement addition at 6.1 lb/ton for agglomeration will be used in the first lift to ensure there are no percolation issues, this is conservative as testwork does not show cement agglomeration is required. |
No deleterious elements are known from the processing perspective.
| Kappes, Cassiday & Associates | 1.0 Summary |
| September 2024 | Page 1-6 |
![]() | Reward Feasibility Study Technical Report |
1.10 Current Mineral Resource
This Technical Report details an updated mineral resource estimate (MRE) for the Reward Project. The 2024 MRE for Reward was completed by Mr. Warren Black, M.Sc., P.Geo., of APEX under the direct supervision of Mr. Dufresne, M.Sc., P.Geol., P.Geo. and the QP who takes responsibility for the MRE contained herein. Mr. Steven Nicholls, BA.Sc., MAIG, a QP and APEX’s senior resource geologist performed an internal audit of the MRE in Section 14.
CR Reward and Augusta provided APEX with a drill hole database that consisted of analytical, geological, density, and collar survey information, initial estimation domains for the Good Hope Deposit and Gold Ace Zone, and a geological model that contained a stratigraphic and structural 3D interpretation. A block model size of 20 ft (X) by 20 ft (Y) by 20 ft (Z) was used for the gold estimation.
The assay data was examined using a combination of histograms, cumulative frequency plots, and summary statistics; this indicated gold samples generally exhibited a single assay population. Samples were composited to 10 ft lengths. Probability plots were used to evaluate grade statistics and determine whether capping was warranted. A capping level of 0.292 oz/t (10.01 grams per tonne [g/tonne]) Au was applied to samples in the Good Hope Deposit, and a cap level of 0.146 oz/t (5.01 g/tonne) Au to samples in the Gold Ace Zone. Semi-variograms for gold were modelled using the 10 ft composites flagged within the estimation domains. A bulk density of 2.59 g/cm3 was applied to all blocks in the Good Hope Deposit. As there is evidence for the need for a higher bulk density value for blocks flagged within the Morris Member in the Good Ace Zone, they were assigned a value of 2.70 g/cm3. However, as there is an insufficient number of bulk density measurements of the Sutton Member within the Gold Ace estimation domain, all other blocks at the Gold Ace Zone were assigned a bulk density of 2.59 g/cm3.
Ordinary kriging (OK) was used to estimate gold grades for those blocks that contained more than 1.56% mineralized material by volume. A block discretization of 2 (X) by 2 (Y) by 2 (Z) was applied to all blocks during estimation. A two-pass method was used. The first pass required a minimum of two drill holes, a maximum of 15 composites and no more than three composites from any one drill hole. Soft boundaries were used between the high and low-grade domains in the Good Hope Deposit, and mineralization and waste in the Good Hope Deposit and the Gold Ace Zone.
Estimation validation included visual inspection in plan view and in cross-section, examination of swath plots, review of mineralization/waste contact profiles and volume-variance effects. The estimate was found to be reasonable.
Mineral Resources were classified using a combination of assessment of geological confidence, data quality and grade continuity. Resource classification was determined using a three-pass strategy, where Measured was classified in the first run, indicated in the second, and Inferred in the third run. A small portion of blocks at the northern (>6500 N) and southern (<2750 N) extents of the Good Hope Deposit were manually adjusted to Inferred as there is insufficient drilling density in the QP’s opinion to justify higher confidence classifications.
| Kappes, Cassiday & Associates | 1.0 Summary |
| September 2024 | Page 1-7 |
![]() | Reward Feasibility Study Technical Report |
Reasonable prospects of eventual economic extraction were considered by constraining the estimate within a conceptual pit shell that used the assumptions in Table 1-1.
Table 1-1 Reward Conceptual Open Pit Parameters.
| Parameter | Unit (Imperial) | Cost (Imperial) | Unit (Metric) | Cost (Metric) |
| Gold Price | US$/oz | 1,950 | US$/g | 62.7 |
| Gold Metallurgical Recovery | % | 80 | % | 80 |
| Pit Wall Angles | ° | 48-58 | ° | 48-58 |
| Mining Cost | US$/st | 2.75 | US$/tonne | 3.03 |
| Processing Rate | Mst/a | 2 | Mtonne/a | 1.8 |
| Processing Cost | US$/st | $6.50 | US$/tonne | $7.17 |
| G & A Cost | US$/st | 1.50 | US$/tonne | 1.65 |
| Cut-off Grade (break even) | oz/t | 0.005 | g/tonne | 0.181 |
| Royalty | % | 3 | % | 3 |
The MRE for the Reward Project is presented in Table 1-2 below.
| Kappes, Cassiday & Associates | 1.0 Summary |
| September 2024 | Page 1-8 |
![]() | Reward Feasibility Study Technical Report |
Table 1-2 Reward Project Mineral Resource Estimate on 03 September 2024, Based on US$1,950/oz Au
| Classification | Short Tons (M tons) | Average Grade (oz/t) | Contained Au (koz) |
| Good Hope | |||
| Measured Indicated M&I Total | 6.88 11.87 18.75 | 0.025 0.020 0.022 | 171.7 242.0 413.7 |
| Inferred | 0.31 | 0.016 | 5.0 |
| Gold Ace | |||
| Indicated Inferred | 0.91 1.05 | 0.018 0.022 | 16.9 22.5 |
| Reward (Combined Good Hope and Gold Ace) | |||
| Measured Indicated M&I Total | 6.88 12.79 19.67 | 0.025 0.020 0.022 | 171.7 258.9 430.6 |
| Inferred | 1.36 | 0.020 | 27.5 |
Notes:
| 1. | Oxide Estimated Mineral Resources are reported within a pit shell using the Pseudoflow algorithm, a gold price of US$1,950/oz and a recovery of 80% for Au were utilized. |
| 2. | Mining costs for mineralized material and waste are US$2.75/ton with a lower breakeven cutoff of 0.006 oz/t Au. |
| 3. | Processing and general and administration are US$6.50/ton and US$1.50/ton per ton processed, respectively. |
| 4. | Due to rounding, some columns or rows may not compute as shown. |
| 5. | Estimated Mineral Resources are stated as in situ dry short tons and are partially diluted. |
| 6. | The estimate of Mineral Resources may be materially affected by legal, title, taxation, socio-political, marketing, or other relevant issues. |
| 7. | The resources are inclusive of the reserves. |
| 8. | The effective date of the Reward mineral resource estimate is September 3, 2024. |
1.11 Mineral Reserve Estimation
Mr. Thomas L. Dyer, P.E. of RESPEC classifies reserves in order of increasing confidence into Proven and Probable categories to be in accordance with the “CIM Definition Standards – For Mineral Resources and Mineral Reserves” (2014), which are reasonable for US SEC reporting. Thus, the QP considers the reported mineral reserves to be both NI 43-101 and S-K 1300 compliant. Mineral Reserves for the Project were developed by applying relevant economic criteria to define the economically extractable portions of the resources classified as Measured and Indicated. CIM standards require that modifying factors be used to convert Mineral Resources to Reserves. Definitions for Proven and Probable Mineral Reserves along with Modifying Factors are in the CIM Definition Standards (2014).
Mr. Dyer used the block model of Measured and Indicated resources provided by APEX and referenced in the Technical Report in Section 14 as the basis to define reserves for the Project. Mineral Reserve definition was undertaken by identifying ultimate pit limits using economic parameters and pit optimization techniques. The resulting optimized pit shells were used for guidance in pit design to allow access for equipment and personnel. Mr. Dyer then considered
| Kappes, Cassiday & Associates | 1.0 Summary |
| September 2024 | Page 1-9 |
![]() | Reward Feasibility Study Technical Report |
mining, processing, metallurgical, infrastructure, economic, marketing, legal, environmental, social, and governmental factors for defining the estimated reserves.
Pit designs are based on geotechnical parameters provided by Knight Piésold. The open pit design was completed using three pit phases. Waste Rock Storage Facility (“WRSF”) designs include north, south, and southwest waste dumps along with some backfill placed in Phase 1 and Phase 2 pits. The waste dumps and backfill areas were designed to contain all the waste material associated with Proven and Probable reserves.
RESPEC used the pit and waste dump designs to develop a production schedule, which was then used in the financial model prepared by KCA. RESPEC reviewed the cash flow model and believes it demonstrates that the deposits generate a positive cash flow and are reasonable with respect to statement of reserves for the Project.
Within the pit designs, Measured Mineral Resources above the cut-off grade were converted to Proven Mineral Reserves and Indicated Mineral Resources above the cut-off grade were converted to Probable Mineral Reserves. All Inferred resources inside of the pit were assumed to be waste with respect to contained gold, recoverable gold and resulting economics. Proven and Probable reserves have been defined for the Project based on a 0.008 oz Au/ton cut-off grade and are summarized in Table 1-3.
Table 1-3 - Proven and Probable Mineral Reserves
| Reward Mineral Reserves | |||
| k tons | Au oz/t | k oz Au | |
| Proven | 6,052 | 0.027 | 164 |
| Probable | 8,999 | 0.023 | 205 |
| Proven and Probable | 15,052 | 0.025 | 370 |
Notes:
| 1. | All estimates of Mineral Reserves have been prepared in accordance with National Instrument 43 - 101 – Standards of Disclosure for Mineral Projects (“NI 43-101”) and Item 1300 of Regulation S-K of the United States Securities Exchange Act of 1934, as amended (“S-K 1300”) |
| 2. | Thomas L. Dyer, PE, RESPEC of Reno, Nevada, is a Qualified Person as defined in NI 43-101 and S-K 1300, is responsible for reporting Proven and Probable Mineral Reserves for the Reward Project. Mr. Dyer is independent of the Company. |
| 3. | Mineral Reserves are based on prices of $1,850 per ounce Au. The reserves were defined based on pit designs that were created to follow optimized pit shells created in Whittle. |
| 4. | Reserves are reported using a 0.008 Au oz/t cut-off grade |
| 5. | The Mineral Reserves point of reference is the point where is material is fed into the crusher. |
| 6. | The effective date of the Mineral Reserves estimate is September 03, 2024. |
| 7. | Columns may not sum due to rounding. |
1.12 Mining Methods
The proposed mine plan assumes conventional open pit mining methods and equipment. Mining operations are assumed to be completed using a contractor. Knight Piésold is responsible for the geotechnical evaluations and recommendations for slope design parameters used for pit and Waste Rock Storage Facility (WRSF) designs. Pit designs include three pit phases to achieve
| Kappes, Cassiday & Associates | 1.0 Summary |
| September 2024 | Page 1-10 |
![]() | Reward Feasibility Study Technical Report |
the ultimate pit; the WRSFs are developed as a north, south, and southwest waste dump storage locations as mining progresses.
The proposed production schedule used inputs from the resource block model together with material types, mining locations, WRSF fill locations, stockpiles, crusher target rates, and mining rates. Mining activities have a total duration of 7.6 years, starting with a consistent ramp up during Phase 1 and then transitions into Phase 2. During the transition into Phase 3 mining, the mining rate increases as the stripping demands increase.
1.13 Recovery Methods
Testwork results developed by KCA and others have indicated that the Reward Mineral Reserve is amenable to heap leaching for the recovery of gold. Based on a Mineral Reserve of 15.1 Mt and established processing rate of 5,479 tpd of ore, the Project has an estimated mine life of approximately 7.6 years.
Ore will be mined using standard open pit mining methods and delivered to the crushing circuit using haul trucks which will dump into a run-of-mine (ROM) stockpile located near the primary crusher. A front-end loader will feed material to a dump hopper from the ROM stockpile. The ROM ore will be crushed to a final product size of 80% passing ¼” (100% passing ⅜”) using a three-stage closed-circuit crushing plant. The crushing circuit will operate 7 days/week, 24 hours/day with an overall estimated availability of 75%.
The crushed product will be stockpiled using a stacking conveyor and reclaimed by vibrating, electromechanical feeders. Cement or pebble lime will be added to the reclaim material for agglomeration and pH control. Testwork has shown that agglomeration with cement is not required, but as a precautionary measure, cement will be added during the first lift to ensure permeability is not compromised.
Ore will be stacked on the leach pad by retreat stacking uphill from the toe of the heap. Stacked ore will be leached using a drip irrigation system for solution application. After percolating through the ore, the gold bearing pregnant leach solution drains by gravity to a pregnant solution tank where it will be collected and pumped to a set of carbon-in-columns (CICs) where gold will be removed by activated carbon. Loaded carbon will be processed off-site for the first year of operation until the full recovery plant is completed at the start of year 2 of operation.
Barren leach solution leaving the carbon columns will flow to a barren solution tank and will then be pumped to the heap for further leaching. High strength cyanide solution will be injected into the barren solution to maintain the desired cyanide concentration in the leach solutions.
An event pond is included to collect contact solution from storm events. Solution collected will be returned to the process as soon as practical.
1.14 Project Infrastructure
The project includes an Open Pit Mine, Waste Rock Dumps (WRDs), Mine Shop, Magazine, Crushing Plant, Heap Leach Pad and Ponds, Process Plant, various office buildings, laboratory
| Kappes, Cassiday & Associates | 1.0 Summary |
| September 2024 | Page 1-11 |
![]() | Reward Feasibility Study Technical Report |
and the Main Access Road. The Crushing Plant, Leach Pad, Process Ponds and Process Plant are generally located on a downhill trend in a northeast to southwest direction.
1.14.1 On-Site Services and Infrastructure
The Project is located approximately seven miles south of Beatty, Nevada in Nye County. The site is accessed via US Route 95 which is a paved, two-lane highway that provides access to Las Vegas to the south and Reno to the north. US Route 95 is a major corridor for truck traffic between southern and northern Nevada. Turn lanes to facilitate traffic at the turnoff to the mine are not expected.
Internal roads will provide access between the process plant, heap leach, crusher and mine facilities. In general, the site roads will be constructed on fill and can be maintained with a motor grader.
A network of mine haul roads will be constructed and maintained by the mining contractor and used to access the pit, WRDs and to transport ore to the ROM pad.
Site buildings for the Reward Project will generally be modular buildings. Site buildings include:
| ● | Administration Building; |
| ● | Security Building (Gatehouse); |
| ● | Process Office; |
| ● | Crusher Office; |
| ● | Mine Office; |
| ● | Laboratory; |
| ● | Process Maintenance Shop; |
| ● | Mine Maintenance Shop; |
| ● | Portable Restrooms. |
Accessible property boundaries will be protected by a three strand, barbed wire fence. A desert tortoise fence currently spans property boundaries where required. Sections of the existing tortoise fence will have to re-located to accommodate site activities.
There will be a hazardous waste storage area for short term storage of hazardous waste materials. Reagents will be stored in dedicated areas of the process facilities.
The Project is serviced by an existing 14.4/24.9 kV power line that is owned and operated by Valley Electric Authority (VEA). Upgrades to the power supply will be required.
In the event of a power failure, a 1,000-kW diesel-fired backup generator will be used to supply emergency power for lights and for the Barren, Intermediate and Pregnant Pumps.
A local utility will provide high speed internet access onsite. The internet connection will be used to provide Voice over Internet Protocol (VoIP) phone service. A handheld radio system will also be supplied for process and mining personnel.
| Kappes, Cassiday & Associates | 1.0 Summary |
| September 2024 | Page 1-12 |
![]() | Reward Feasibility Study Technical Report |
An onsite bulk diesel fuel storage tank will be supplied by the mining contractor to fuel the onsite mobile equipment. Diesel fuel will be sourced locally. A propane tank will be located on the Process Plant platform to provide gas for heating. No gasoline storage or dispensing facilities will be onsite.
Water will be supplied by an existing well located near the intersection of the site access road and US Route 95. CR Reward has the rights to 317.39 acre-ft/year water and an option to an additional 100 acre-ft.
The water will be pumped uphill to a raw water tank north of the crusher. Raw water will be supplied by gravity to lower platforms.
A reverse osmosis filter and potable water tank will be located adjacent to the raw water tank to produce potable quality water from the raw water. Sodium hypochlorite solution will be metered into the potable water for disinfection purposes. Potable water will be supplied by gravity to lower platforms, a pump will supply it to the Crusher, Mine Offices and Mine facilities.
Waste from the onsite restrooms is assumed to be collected and disposed of by a contracted service. Costs for the waste pumping is included in the operating costs. Hazardous Wastes will be collected and stored in the hazardous waste storage facility near the Mine Shop. Non-hazardous solid waste will be buried in an onsite Class III landfill facility.
1.14.2 Heap Leach Pad Design
The Heap Leach Pad (HLP) is designed to store 16 Mt of ore, of which 7 Mt will be placed within the Phase 1 stacking area and an additional 9 Mt once the Phase 2 expansion is completed. The proposed pad layout as designed by NewFields is shown in Figure 17-2.
The leach pad will be a single-use, multi-lift type leach pad and has been designed with a lining system approved by the state of Nevada.
The leach pad liner will be composed of the following components from top to bottom:
| ● | Overliner consisting of two feet of crushed and screened material over a network of solution collection piping; |
| ● | 60 mil double sided, textured Linear Low-Density Polyethylene (LLDPE) geomembrane; |
| ● | 1-foot Low Hydraulic Conductivity Soil Layer consisting of screened, native soil blended with clay with a minimum permeability of 1x10-6 cm/sec; |
| ● | Leak detection system under the primary solution collection pipes which route solution to a monitoring sump tank; |
| ● | Prepared subgrade. |
1.15 Environmental, Permitting and Social Considerations
Environmental, social, and cultural studies were conducted by CR Reward as part of the original permitting efforts for the Project in 2007 and as part of modifications made in 2020. Much of this
| Kappes, Cassiday & Associates | 1.0 Summary |
| September 2024 | Page 1-13 |
![]() | Reward Feasibility Study Technical Report |
information was provided to the U.S. Department of the Interior – Bureau of Land Management, Southern Nevada District, Pahrump Field Office (BLM) in the Reward Project Updated Plan of Operations and Reclamation Plan (BLM Case File Serial Number N-82840) and accompanying Environmental Assessment (EA) (DOI-BLM-NV-S030-2007-0295-EA) in 2009 and the Reward Project Plan of Operations N-82840/ Reclamation Permit #300 Modification and accompanying EA (DOI-BLM-NV-S030-2020-0006-EA) in 2020. Additional information, especially with respect to hydrogeology and geochemistry, was developed and submitted to the Nevada Division of Environmental Protection – Bureau of Mining Regulation and Reclamation (BMRR) as part of the Water Pollution Control Permit (WPCP) application. Both the EA and WPCP application discuss potential impacts associated with project development; none were found to be significant.
Studies completed have included both desktop reviews, and Project-specific field data collection efforts on the following: land status, soil surveys, air quality, cultural resources, Native American religious concerns, water resources, flora, fauna, special-status species, wild horses and burros, and geochemistry. At the current developmental stage of the Project, environmental management plans were prepared as part of the 2020 state and federal permitting efforts but may need to be updated to support minor modifications proposed in this Report.
The waste rock on site is acid neutralizing. There is no known groundwater contact with the site and regional evaporation rates are high relative to precipitation; therefore, drainage of meteoric water through the waste rock is not projected to occur.
The current Project area includes approximately 716 acres of public and private lands within Nye County, and falls under the jurisdiction and permitting requirements of Nye County, the State of Nevada, and the BLM. The Project, as envisaged, will necessitate an initial round of minor modifications to the existing permits and authorizations in order to address the proposed changes followed by a separate major modification for the proposed future ADR Plant. The mining permits and authorizations that are likely to have a material effect on project timing include:
| ● | Federal Mine Plan of Operations (N-82840): The proposed minor modifications will require amendment to the Mine Plan of Operations (MPO) which, in turn, will require additional National Environmental Policy Act (NEPA) analysis of the plan changes. It is likely that the BLM will use an EA as the NEPA disclosure document. It is also possible, however, that the proposed minor modifications could be analyzed by the BLM through a Determination of NEPA Adequacy (DNA) given that the proposed actions have previously been reviewed. The future ADR Plant will most certainly require the preparation of a supplemental EA, as this facility/activity was not previously analyzed. An EA and accompanying FONSI and ROD, would likely take three to six months to complete following submittal of the plan amendment, assuming that the agency tiers off of the previous disclosure documents and the ADR Plant is not included. A DNA would likely take three to four months to complete |
| ● | Reclamation Permit (#0300): The BMRR Reclamation Branch are likely to interpret the initial proposed changes as a minor modification to the existing permit pursuant to NAC 519A.043, as the new disturbance will equal 25% or less of the acreage in the approved |
| Kappes, Cassiday & Associates | 1.0 Summary |
| September 2024 | Page 1-14 |
![]() | Reward Feasibility Study Technical Report |
| reclamation plan. While the reclamation permit minor modification should only take six to nine months to complete, the BMRR will likely wait to process the application to coincide with the completion of the federal NEPA review. |
| ● | Water Pollution Control Permit (NEV2007101): Review and processing of WPCP minor modifications and/or engineering design changes is likely to take three to six months from submittal of a complete application. The future inclusion of an ADR Plant would likely be on a nine-to-12-month timeline following approval of the minor modifications and/or EDCs. |
| ● | Air Quality Operating Permit (AP1041-2492): Initial minor modifications of the Class II air quality permit will focus primarily on the crushing and conveyance system, and is likely to require six to nine months to complete. Future permitting for the inclusion of an ADR Plant will occur afterwards. The thermal unit(s) from an ADR will necessitate the issuance of a new Class I permit, in addition to modification of the existing Class II permit to cover the other aspects of the expansion plan. The ADR will also require the issuance of a mercury operating permit to construct (Mercury OPTC) permit by the state. The agency will issue the final Class I, modified Class II, and Mercury OPTC permit within 12 to 16 months of the completeness date. There is a risk that the regulatory deadlines above may be extended by the agencies due to workload or other circumstances. |
The initial Amended MPO, excluding the new ADR Plan, would drive the permitting timeline for the minor modifications (i.e., air quality permit and WPCP). Future inclusion of an ADR would necessitate reopening the MPO and a new Class I air quality permit and create an additional timeline of approximately 12-16 months. However, given that the Project has many of the permits in hand, strategic ground clearing and construction will be able to begin under the existing authorizations. The remaining permits required for operations are relatively minor in comparison to the above list and can be easily modified/amended concurrently with the initial principal permit modifications. Major modification of the permits to include an ADR Plant would occur following approval of the initial minor modifications.
No community agreements are currently in place. However, CR Reward has engaged with the Town of Beatty and the County of Nye with respect to the Reward Project.
Closure planning for the Project is required as part of the state and federal permitting processes. A number of plan iterations are required, including tentative, temporary, seasonal, and final plans. A mining facility operator/permittee must submit a Tentative Plan for Permanent Closure (TPPC) as part of any application for a new WPCP or modification of an existing permit. The Reward Mine TPPC is current in place and approved.
Under the state-granted Reclamation Permit #0300, total surface disturbance is currently limited to 339.7 acres, of which, nearly 95% is on public lands administered by the BLM. Equipment and labor costs were conservatively estimated using state and BLM-approved costs for the 2021 year. The reclamation bond cost estimate for the Project (as currently permitted) is $10.9 M. Closure costs (which are not a regulatory bond cost estimate) were estimated for inclusion in the Report
| Kappes, Cassiday & Associates | 1.0 Summary |
| September 2024 | Page 1-15 |
![]() | Reward Feasibility Study Technical Report |
financial model. The closure cost associated with the Project as envisaged in this Report are estimated at $9.4 M.
1.16 Market Studies and Contracts
No market studies were completed and no contracts are in place in support of this Technical Report. Gold production can generally be sold to a number of financial institutions or refining houses and therefore no market studies are required.
The treatment of loaded carbon in Year 1 is quoted but currently there is no contract.
The Report assumes that mining operations will be conducted by a contractor working under the supervision of the Chief Mining Engineer. There will be a contract required for the mining contractor. Quotations for these services have been received and were used to estimate costs for the Report, but no contracts are currently in place.
1.17 Capital Costs
Capital costs for the process and general and administration components were estimated by KCA. Costs for the mining components were provided by RESPEC and heap leach pad and pond costs by NewFields. The estimated costs are considered to have an accuracy of +/-15%.
The total Life of Mine (LOM) capital cost for the Project is US$129.2 million, including US$7.4 million in working capital and initial fills not including reclamation and closure costs which have been estimated at US$9.4 million. Table 1-4 presents the capital requirements. A total contingency of US$6.9 million or 12.8% of the Total Direct Costs is included in this summary.
Table 1-4 Capital Cost Summary
| Description | Cost (US$M) |
| Pre-Production Process Capital | $78.9 |
| Mining Capital | $10.8 |
| Subtotal Capital | $89.7 |
| Working Capital & Initial Fills1 | $7.4 |
| Sustaining Capital – Mine & Process | $32.1 |
| 1 | Working capital credited in Years 7 and 8 |
| 2 | Numbers are rounded and may not sum perfectly |
| 3 | Costs reflect standalone costs of the Reward project with 100% of capital expensed to Reward, and does not include any potential benefit from development of the Bullfrog project. |
1.18 Operating Costs
Table 1-5 presents the LOM operating cost requirements.
Mining costs were provided by RESPEC at US$3.33 per ton mined (LOM US$10.92 per ton of ore) and are based on quotes for contract mining with estimated owner’s mining costs.
Process operating costs have been estimated by KCA from first principles. Labor costs were estimated using project specific staffing, salary and wage and benefit requirements. Unit
| Kappes, Cassiday & Associates | 1.0 Summary |
| September 2024 | Page 1-16 |
![]() | Reward Feasibility Study Technical Report |
consumptions of materials, supplies, power, water and delivered supply costs were also estimated.
Table 1-5 Operating Cost Summary
| Description | LOM Cost (US$/ton ore) |
| Mine | $10.92 |
| Process & Support Services | $8.09 |
| Site G & A | $2.88 |
| Total1 | $21.88 |
| 1 | Numbers are rounded and may not sum perfectly |
General administrative costs (G&A) have been estimated by KCA with input from Augusta. G&A costs include project specific labor and salary requirements and operating expenses, including social contributions, land access and water rights.
The operating costs presented are based upon the ownership of all process production equipment and site facilities, including the onsite laboratory. The owner will employ and direct all process operations, maintenance and support personnel for site activities.
1.19 Economic Analysis
Based on the estimated production parameters, capital costs, and operating costs, a cash flow model was prepared by KCA for the economic analysis. The project economics were evaluated using a discounted cash flow (DCF) method, which measures the Net Present Value (NPV) of future cash flow streams. All of the information used in this evaluation have been taken from work completed by KCA and other consultants working on the project as described in this Report.
The economic model is based on the following assumptions:
| ● | The cash flow model is based on the mine production schedule from RESPEC. |
| ● | The period of analysis is 12 years including one year of investment and pre-production, 8 years of ore stacking and production and three years of reclamation and closure. |
| ● | Gold price of US$1,975/oz. |
| ● | Processing rate of 5,479 tpd. |
| ● | Gold recoveries as discussed in Section 13. |
| ● | Capital and operating costs as developed in Section 21. |
The project economics based on these criteria from the cash flow model are summarized in Table 1-6.
| Kappes, Cassiday & Associates | 1.0 Summary |
| September 2024 | Page 1-17 |
![]() | Reward Feasibility Study Technical Report |
Table 1-6 Economic Analysis Summary
| Economic Analysis | ||
| Internal Rate of Return (IRR), Pre-Tax | 19.5% | |
| Internal Rate of Return (IRR), After-Tax | 16.6% | |
| Average Annual Cashflow (Pre-Tax) | $18.6 | M |
| NPV @ 5% (Pre-Tax) | $63.4 | M |
| Average Annual Cashflow (After-Tax) | $17.1 | M |
| NPV @ 5% (After-Tax) | $50.6 | M |
| Pay-Back Period (Years based on After-Tax) | 5.1 | Years |
| Capital Costs | ||
| Initial Capital | $89.7 | M |
| Working Capital & Initial Fills | $7.4 | M |
| LOM Sustaining Capital | $32.1 | M |
| Reclamation & Closure2 | $9.5 | M |
| Operating Costs (Average LOM) | ||
| Mining | $10.92 | per ton |
| Processing & Support | $8.09 | per ton |
| G&A | $2.88 | per ton |
| Total Operating Cost | $21.88 | per ton |
| All-in Sustaining Cost1 | $1,328 | per oz |
| Production Data | ||
| Life of Mine | 7.6 | Years |
| Total Tons to Crusher | 15.05 | M Tons |
| Grade Au (Avg.) | 0.025 | oz/t |
| Contained Au oz | 369,692 | Ounces |
| Average Annual Gold Production | 38,675 | Ounces |
| Total Gold Produced | 292,057 | Ounces |
| 1 | The “All in Sustaining Costs” include reclamation and closure |
| 2 | Includes mercury disposal fee of US$75,000 |
A sensitivity analysis was performed on the project economics. The results are presented in Table 1-7.
| Kappes, Cassiday & Associates | 1.0 Summary |
| September 2024 | Page 1-18 |
![]() | Reward Feasibility Study Technical Report |
Table 1-7 Post-Tax Economic Results
| NPV at Specified Discount Rate | |||||
| Variation | IRR | 0% | 5% | 10% | |
| Gold Price, $/oz
| $1,7251 | 5.0% | $26.1M | $0.0M | -$17.0M |
| $1,800 | 8.6% | $45.6M | $15.2M | -$4.9M | |
| $1,975 | 16.6% | $90.9M | $50.6M | $23.5M | |
| $2,200 | 25.7% | $142.1M | $91.0M | $56.0M | |
| $2,400 | 33.4% | $187.9M | $126.9M | $84.7M | |
| $2,600 | 41.1% | $234.8M | $163.5M | $114.0M | |
| Capital Costs | $92.2M | 27.9% | $121.3M | $78.9M | $49.8M |
| $110.5M | 20.5% | $103.1M | $61.9M | $34.0M | |
| $122.7M | 16.6% | $90.9M | $50.6M | $23.5M | |
| $134.8M | 13.4% | $78.7M | $39.3M | $12.9M | |
| $153.1M | 9.3% | $60.5M | $22.4M | -$2.9M | |
| Operating Costs | $247.0M | 30.4% | $173.3M | $115.1M | $75.0M |
| $296.4M | 22.3% | $123.8M | $76.4M | $44.1M | |
| $329.4M | 16.6% | $90.9M | $50.6M | $23.5M | |
| $362.3M | 10.8% | $58.0M | $24.8M | $2.8M | |
| $411.7M | 1.7% | $8.6M | -$13.8M | -$28.1M | |
| 1 | This value is actually $1,725.423, this was presented to define the estimated “break even” gold value at a 5% discount rate. |
1.20 Interpretations and Conclusions
The work that has been completed to date demonstrates the Reward Heap Leach project is a technically and economically viable project and justifies progressing to basic and detailed engineering, procurement and construction.
1.20.1 Resources
Based upon a review of available information, historical and recent exploration data, the authors’ site visits and the current MRE for the Good Hope Deposit and Gold Ace Zone of the Reward Project, the authors view the Project as a property of merit prospective for the additional discovery, and future development, of potentially economic structurally-controlled, locally-disseminated, sediment-hosted, mesothermal quartz vein gold mineralization. This contention is supported by the following:
| ● | The favorable geological setting of the Reward Project and its position within the Walker Land Trend, a prolifically mineralized belt that is host to numerous gold deposits and current and past producing mines in south-central Nevada. |
| Kappes, Cassiday & Associates | 1.0 Summary |
| September 2024 | Page 1-19 |
![]() | Reward Feasibility Study Technical Report |
| ● | Historical exploration and recent work by CR Reward has delineated a large zone of gold mineralization at Good Hope and Gold Ace and led to the calculation of the current MRE. |
| ● | Recent metallurgical testwork indicates projected field gold recoveries of 79% for the Good Hope Deposit. |
1.20.2 Mining
Mine planning has been completed to a Feasibility Study level of design, production planning, and cost modeling. Cost models are based on contractor quotations as well as management personnel and supplies required to manage the mining contractor. Mining activities will use typical open pit mining equipment, for the most part limiting mining risks.
Riskier mining will occur in steep overlying stripping. The pioneer mining in these portions will require effort and diligence from both the contractor and mine operations management. If not properly managed, there can be safety and cost issues which could lead to loss of some resources/reserves. Managing the oversite and risks in the pioneer mining will be key to success.
1.20.3 Metallurgy and Processing
The Reward project can be developed as a heap leach operation.
1.20.4 Infrastructure
The Reward project’s location is adequate for development of a heap leach facility.
1.20.5 Environmental, Permitting, and Social Considerations
A number of the permits required to support operations were obtained in 2007 and updated in 2020. The configuration has been slightly modified from that envisaged in 2007 and 2020, and these proposed changes to the operation may require minor modifications to the existing permits and authorizations, specifically in the maintenance area, crushing plant, and process plant area. Additional stockpiles have been added, and a number of grasshoppers have now been included in the heap leach pad stacking circuit which will necessitate modification of the current air quality permit. Future expansion of the operations to include the addition of an ADR Plant for onsite processing, is likely to constitute major modifications to the existing permits.
1.20.6 Opportunities and Risks
Key opportunities associated with the Reward project include:
| ● | Changes to the Project could result in capital cost savings. These potential changes include leasing support mobile equipment instead of purchasing, and modifying the design |
| Kappes, Cassiday & Associates | 1.0 Summary |
| September 2024 | Page 1-20 |
![]() | Reward Feasibility Study Technical Report |
of the crushing circuit to produce heap leach pad overliner from low grade ore instead of mobilizing and using a contractor.
| ● | Costs for equipment and consumables were obtained from vendors in an unusually high inflationary period which may have led to some vendors inflating their costs. If a decision to construct the project is made, then firm quotes will be requested which may be lower than provided for this Report. |
| ● | The study includes 30-inch stacking conveyors, it is possible to replace these with 24-inch stacking conveyors, which would result in a minor reduction in capital cost.. |
| ● | The price of gold used in the Cash Flow is $1,975 per oz. This gold price is approximately $500 per ounce lower than the spot gold price as of the effective date of this Report. Higher priced gold will improve project economics. |
| ● | Based on column tests, it is possible additional ounces may be realized during secondary leaching of ore from leaching upper lifts and during heap rinsing as it appears most columns were still slowly leaching at the termination of the columns. |
Risks associated with the project include:
| ● | Risk is inherent with respect to mining. In the QP’s opinion, the primary risk factor for the Mineral Reserves will be the ability to mine the steeper portions of the Phase 2 pit design. Should the establishment of the high wall crest be unsuccessful, then a portion of the deeper Mineral Reserves could be at risk. To mitigate this risk the mine operational team must be engaged with the contractor in sound planning and execution of the access to the upper portion of the Phase 2 high-wall. |
| ● | No other major risk factors have been identified other than typical open pit mining risks of cost escalation and operational efficiencies. There are no other known environmental, legal, title, taxation, socioeconomic, marketing, political or other relevant factors known to the QP that would materially affect the estimation of Mineral Reserves that are not discussed in this Report. |
| ● | The project has water rights for Reward. Based on estimated water requirements for the mine, process, and infrastructure, there may be a short fall of water for the project. Augusta has water rights in the same water basin that are transferrable to Reward. The use of chemicals such as Mag Chloride or similar dust suppressant chemicals may be required to minimize water requirements for road dust control. |
| ● | Experienced labor may be difficult to hire for the project and there could be high turnover or inexperienced labor being hired for some critical positions. There may be higher maintenance and operating costs than anticipated to compensate for the inexperienced personnel. |
| ● | If engineering for the permits is delayed or approval times for the permits are longer than anticipated, the stripping and recovery plant construction planned in Year 1 could be delayed. |
| Kappes, Cassiday & Associates | 1.0 Summary |
| September 2024 | Page 1-21 |
![]() | Reward Feasibility Study Technical Report |
| ● | The price of gold used in the Cash Flow is $1,975 per oz, approximately $500 per oz lower than the spot gold price as of the effective Report date. It is possible that the market gold price during operation will be lower than $1975 per oz, resulting in lower economic performance. |
1.21 Recommendations
1.21.1 APEX
| ● | There are some drillholes that could be drilled a) as confirmation of resources along the east contact and Good Fortune fault zone to confirm that deeper mineralization is present and continuous, and b) some holes in the center of the deposit to test the potential to expand the in-pit resources at depth and near the eastern Good Fortune fault zone and contact. |
| ● | This drilling can easily be done once cash flow from the early-stage mining is in hand. |
1.21.2 RESPEC
Based on positive FS results, RESPEC believes that this is a project of merit and that the project should be advanced to the construction phase. This will require some final design studies and execution planning.
1.21.3 KCA
KCA recommends the following:
| ● | Re-design the crusher and estimate costs to produce overliner for the heap leach pad. |
The estimated cost for this recommendation is $20,000.
1.21.4 NewFields
The LHCSL and overliner material for the HLP requires screening prior to placement. There may be an opportunity to reduce costs by setting up the mine crushing/screening plant early in the project to process the needed materials for construction rather than using a contractor.
1.21.5 Knight Piésold
Knight Piésold and Co. (Knight Piésold) completed a Feasibility (FS) slope stability evaluation for the proposed Reward open pit. The following Table 1-8 provides recommended pit slope geometries for the Reward open pit, including interramp slope angles (IRA), bench face angles (BFA), and bench widths (BW) for 40 feet (ft) (double) and 60 ft (triple) bench heights (BH). Due to the low occurrences of adverse geologic structural orientations, the recommended pit slope geometries are primarily limited by rock mass strengths and operational constraints. As such, the
| Kappes, Cassiday & Associates | 1.0 Summary |
| September 2024 | Page 1-22 |
![]() | Reward Feasibility Study Technical Report |
recommended IRA for all design sectors is equal to 53 degrees for 40 ft BH and 58 degrees for 60 ft BH. Recommended bench face angles are 80 degrees for each design sector of the proposed Reward open pit. Recommended bench widths are 22.6 ft for 40 ft BH and 26.9 ft for 60 ft BH.
Table 1-8 Summary of Recommended Pit Slope Geometries
| Design Sector | BH (ft) | IRA (deg) | BFA (deg) | BW (ft) |
| A | 40 | 53 | 80 | 22.6 |
| 60 | 58 | 80 | 26.9 | |
| B | 40 | 53 | 80 | 22.6 |
| 60 | 58 | 80 | 26.9 | |
| C | 40 | 53 | 80 | 22.6 |
| 60 | 58 | 80 | 26.9 | |
| D | 40 | 53 | 80 | 22.6 |
| 60 | 58 | 80 | 26.9 | |
| E | 40 | 53 | 80 | 22.6 |
| 60 | 58 | 80 | 26.9 | |
| F | 40 | 53 | 80 | 22.6 |
| 60 | 58 | 80 | 26.9 |
The recommended slope geometries presented in this report are based upon Knight Piésold’s current understanding of the conditions that will influence pit slope performance at the proposed Reward open pit. These conditions should be assessed during pit development. Any significant deviations from the geotechnical model used to develop the recommendations presented in this report should prompt re-evaluation of these recommendations.
A program of geotechnical data collection should be undertaken during pit development to verify consistency with the geotechnical model. At a minimum, this program should include the following:
| 1. | Drilling and sampling of the Bonanza King Fm. at the northeast side of the pit to directly estimate its strength and rock mass properties |
| 2. | Geotechnical mapping to document geologic structure and rock mass strength conditions |
| 3. | Survey monitoring and inspection of the slopes for indications of displacement |
| Kappes, Cassiday & Associates | 1.0 Summary |
| September 2024 | Page 1-23 |
![]() | Reward Feasibility Study Technical Report |
| 4. | Documentation of any slope failures |
| 5. | Documentation of groundwater inflows |
| 6. | Periodic inspection of the pit slopes during development by a geotechnical engineer experienced in pit slope design |
| 7. | Implement and maintain a slope stability monitoring program |
With the exception of items 1, 6 and 7 these activities can be largely undertaken by mine staff as part of the ongoing mine engineering program. These pit slope recommendations are also made with the assumption that controlled blasting techniques will be practiced. Controlled blasting techniques should be designed with pit slope damage as an important factor, along with fragmentation and casting.
1.21.6 SRK
SRK recommends the following:
| ● | Prepare a detailed compilation and graphical presentation of the proposed initial minor modifications and engage state and federal regulatory agencies early and often; |
| ● | Engage appropriate contractors to prepare permit application modifications. |
| Kappes, Cassiday & Associates | 1.0 Summary |
| September 2024 | Page 1-24 |
![]() | Reward Feasibility Study Technical Report |
2.0 INTRODUCTION
2.1 Introduction and Overview
This Technical Report is issued to Augusta Gold Corp. (Augusta). Augusta is listed on the Toronto Stock Exchange and owns CR Reward LLC which holds a 100% interest in the Reward Property. Augusta contracted KCA, APEX, RESPEC, NewFields, Knight Piésold and SRK to complete a feasibility study on the Reward Project.
The purposes of this Technical Report are as follows:
| ● | Present the results of a Feasibility Study for the implementation of open pit mining and heap leaching to recover the gold mineralization. |
| ● | Propose additional work required to place the Project into operation. |
The project considers open pit mining of approximately 15.1 Mt of ore with an estimated grade of 0.025 oz/t gold. Ore from the pit will be processed in a conventional modular crushing circuit. Crushed material will be conveyor stacked onto the heap leach pad and leached with a dilute cyanide solution. Pregnant leach solutions will be processed in an adsorption circuit during year one and loaded carbon will be treated and gold doré bars produced off site. In years two through nine, the loaded carbon will be processed on site.
This study considers the potential viability of mineral reserves for the proposed development option and includes:
| ● | Mineral Resource Estimate dated 3 September 2024; |
| ● | Historical exploration work, description of the property, geology and nature of mineralization; |
| ● | Updated mining studies; |
| ● | Analysis of infrastructure and logistic strategies; |
| ● | Updated costing studies; and |
| ● | An economic model based upon the results of those studies. |
2.2 Project Scope and Terms of Reference
2.2.1 Scope of Work
The purpose of this Technical Report is to complete an updated economic analysis of an open pit mining and heap leach processing project treating the Reward reserves detailed in the Mineral Reserve estimate.
KCA’s scope of work for the study is summarized as follows:
| ● | Review of metallurgical tests and interpretation; |
| ● | Plant design and recovery methods; |
| Kappes, Cassiday & Associates | 2.0 Introduction |
| September 2024 | Page 2-1 |
![]() | Reward Feasibility Study Technical Report |
| ● | Process and infrastructure capital and operating costs; |
| ● | Economic analysis; and |
| ● | Overall report preparation and compilation. |
RESPEC’s scope of work for the project is summarized as follows:
| ● | Develop an operational mine plan for the open pit, and |
| ● | Estimate mine equipment requirements, mine capital costs and mine operating costs. |
NewFields’ scope of work included design and capital costs of the heap leach pad and ponds.
APEX’s scope of the work for the project was based on past work on the project and included exploration, geology, mineralization and development of the resource estimation.
Knight Piésold’s scope of work dealt with the pit slope stability aspects of the mine.
The scope of this report also includes a study of information obtained from public documents; other literature sources cited; review of historical metallurgical tests and programs conducted to date; cost information from public documents and recent estimates from previous studies conducted.
This Report is intended to provide an update to the project’s economics and to give guidance for the implementation of the Reward project.
2.2.2 Terms of Reference
The units of measure presented in this report, unless noted otherwise, are in Imperial units. The currency used for all costs is presented in US dollars, unless specified otherwise. The costs were estimated based on quotes and cost data as of Q2 2024.
The economic evaluation of the Project has been conducted on a constant dollar basis (Q2 2024) with a gold price of US$1,975/oz. Economic evaluation is done on a Project-basis and from the point of view of a private investor, after deductions for royalties, income taxes, and various mining taxes.
2.3 Sources of Information
The primary sources of information used for this study include:
| ● | The digital drillhole database. |
| ● | The original assay certificates for the holes. |
| ● | Various geologic solids that were developed (interpreted) by geologists. |
| ● | Various reports, including previous technical reports, on sampling methodology, quality control and quality assurance (QA/QC), resource modeling, geotechnical and slope stability, mine planning, and economic evaluations. |
| ● | Site Topography provided by Augusta. |
| ● | Various reports on metallurgical testing and process recovery. |
| Kappes, Cassiday & Associates | 2.0 Introduction |
| September 2024 | Page 2-2 |
![]() | Reward Feasibility Study Technical Report |
| ● | Previously published technical reports. |
APEX, KCA, Knight Piésold, NewFields, RESPEC and SRK reviewed the data and only used data that were deemed reliable for this report. The information in this report is not a substitute for independent professional advice before making any investment decisions. Any information in this report cannot be modified without the express written permission from KCA.
2.4 Qualified Persons and Site Visits
APEX, KCA, Knight Piésold, NewFields, RESPEC and SRK are independent companies and not associates or affiliates of CR Reward or any associated company of CR Reward. Table 2-1 lists the Qualified Persons (QP) involved with authoring this report. Table 2-2 lists the QP section responsibilities.
There is no affiliation between Mr. Gorman, Mr. Dufresne, Mr. Dyer, Mr. Scott, Mr. Haley, Mr. Cremeens and Mr. Willow and Augusta except that of an independent consultant / client relationship and each author is considered to be independent of Augusta as described in Section 1.5 of NI 43-101.
This Technical Report was prepared specifically for the purpose of complying with NI 43-101 and S-K 1300.
The effective date of this Report is 3 September 2024.
Table 2-1 QPs Site Visit
| Name of QP | Certification | Company | Date of Site Visit |
| James Cremeens | P.E., P.G. | Knight Piésold | August 2, 2017 |
| Michael Dufresne | P. Geol., P. Geo. | APEX | August 12, 2019 |
| Tom Dyer | P.E. | RESPEC | October 10, 2022 May 23, 2024 |
| Mark Gorman | P.E. | KCA | October 10, 2022 |
| Matthew Haley | P.E. | NewFields | August 22, 2022 |
| Timothy Scott | RM SME | KCA | May 16, 2022 |
| Mark Willow | RM SME | SRK | September 19, 2018 |
| Kappes, Cassiday & Associates | 2.0 Introduction |
| September 2024 | Page 2-3 |
![]() | Reward Feasibility Study Technical Report |
Table 2-2 QPs Areas of Report Responsibility
| Qualified Person | Responsibility Description | Subsections |
| James Cremeens | Pit Slope Stability | 1.21.5, 16.2, 26.1, 27, 28 |
| Michael Dufresne | Geology | 1.5, 1.7, 1.8, 1.10, 1.20.1, 1.21.1, 7, 8, 9, 10, 11, 12 (except 12.5), 14, 23, 25.3, 25.4, 25.6, 26.2, 27, 28 |
| Tom Dyer | Mining Engineering | 1.11, 1.12, 1.20.2, 1.20.6, 1.21.2, 15, 16 (except 16.2), 21.2, 21.4.1, 24.2, 24.3, 25.7, 25.8, 26.3, 27, 28 |
| Mark Gorman | Process Engineering | 1.1, 1.2, 1.3, 1.4, 1.6, 1.13, 1.14, 1.14.1, 1.16, 1.17, 1.18, 1.19, 1.20, 1.20.3, 1.20.4, 1.20.6, 1.21.3, 2, 3, 4 (except 4.2.3 & 4.10), 5, 6, 12.5, 13.6.2, 17 except 17.5 & 17.6), 18, 19, 21 (except 21.2, 21.4.1), 22, 24.1, 24.2, 24.3, 25.1, 25.2, 25.5, 25.9, 25.10, 25.12, 25.13, 25.14, 25.15, 26.4, 27, 28 |
| Matthew Haley | Heap Leach Facility | 1.14.2, 1.21.4, 17.5, 17.6, 26.5, 27, 28 |
| Timothy Scott | Metallurgical Testing | 1.9, 13 (except 13.6.2), 25.5, 27, 28 |
| Mark Willow | Environmental & Permitting | 1.15, 1.20.5, 1.21.6, 4.2.3, 4.10, 20, 25.11, 26.6, 27, 28 |
2.5 Frequently Used Acronyms, Abbreviations, Definitions and Units of Measure
All costs are presented in United States dollars. Units of measurement are Imperial, unless mentioned otherwise. Only common and standard abbreviations were used wherever possible. A list of abbreviations used is as follows:
| Distances: | ft | – foot |
| in | – inch | |
| mi | – mile | |
| ft asl | – feet above sea level | |
| ft bgl | – feet below ground level | |
| m | – meter, 3.281 ft | |
| Areas: | ft2 or sq ft | – square feet |
| acre | – acre | |
| mi2 | – square miles | |
| hectare | – 107,639.2 ft2 | |
| Weights: | g | – gram, 0.002204 lb |
| oz | – troy ounces | |
| lb | – pounds | |
| t | – ton (2,000 lb) | |
| AT | – assay ton, 29.167 g | |
| Mt | – 1,000,000 tons | |
| Time: | min | – minute |
| h or hr | – hour |
| Kappes, Cassiday & Associates | 2.0 Introduction |
| September 2024 | Page 2-4 |
![]() | Reward Feasibility Study Technical Report |
| op hr | – operating hour | |
| d | – day | |
| yr | – year | |
| Volume/Flow: | ft3 or cu ft | – cubic feet |
| yd3 or cu yd | – cubic yards | |
| gal/min or gpm | – gallons per minute | |
| ac-ft | – acre feet | |
| Assay/Grade: | o/t or oz/t | – ounces per ton |
| g/tonne | – 0.0292 oz/t | |
| ppm | – parts per million | |
| mg/kg | – parts per million | |
| kg/mt | – part per thousand | |
| ppb | – parts per billion | |
| lbs/ton | – pounds per ton, 500 ppm | |
| Other: | tpd | – tons per day |
| ktpy | – 1,000 tons per year | |
| gpm/ft2 | – gallons per minute per square foot | |
| lb/t | – pounds per ton | |
| kph | – kilometers per hour | |
| Ag | – silver | |
| Au | – gold | |
| Hg | – mercury | |
| US$ or $ | – United States dollar | |
| NaCN | – sodium cyanide | |
| TSS | – total suspended solids | |
| TDS | – total dissolved solids | |
| RAB | – rotary air blast | |
| RC | – reverse circulation | |
| DDH | – diamond drill boreholes | |
| LOM | – Life of Mine | |
| kWh | – Kilowatt-hours | |
| P80 | – 80% passing | |
| Owner | – August Gold Corporation | |
| IP | – induced polarization |
| Kappes, Cassiday & Associates | 2.0 Introduction |
| September 2024 | Page 2-5 |
![]() | Reward Feasibility Study Technical Report |
3.0 RELIANCE ON OTHER EXPERTS
The authors are not experts with respect to legal, issues, and are therefore not qualified to comment on issues related to the status of mineral tenure, title, legal agreements and royalties. Information related to legal agreements and royalties has been provided by directly by Augusta during the preparation of this Technical Report. Information as to property and title rights in Nevada was based on a report prepared by Papke and Davis in 2019. Information as to Augusta’s title was based on a Title Report Update prepared by Daniel Jensen of Parr Brown Gee & Loveless dated April 9, 2022.
The authors have relied on calculations provided by Mining Tax Plan LLC to estimate both the U.S. Federal Income Tax and Nevada Net Proceeds of Minerals Tax. Mining Tax Plan LLC explained the calculations; they are based on the cashflow data. KCA reviewed their calculations and agrees with the results.
| Kappes, Cassiday & Associates | 3.0 Reliance on Other Experts |
| September 2024 | Page 3-1 |
![]() | Reward Feasibility Study Technical Report |
4.0 PROPERTY DESCRIPTION AND LOCATION
4.1 Description and Location
The Project is located in Nye County, Nevada, about seven miles south–southeast of the town of Beatty as shown in Figure 4-1.
The Project area lies within Sections 1, 2, 3, 4, 9, 10, 11 and 16 of Township 13 South, Range 47 East, and Sections 33, 34, and 35 of Township 12 South, Range 47 East, all referred to the Mount Diablo Baseline and Meridian (CAM, 2012).
The Project is situated at an approximate latitude and longitude corresponding to 36 degrees 50 minutes and 116 degrees 42 minutes, respectively (CAM, 2012). The centre of the proposed open pit is located at 1,729,330 E, 13,375,050 N (UTM coordinates, NAD27, Zone 11, US feet).
The Project area falls within the USGS Carrara Canyon 1:24,000 scale topographic quadrangle map.
4.2 Property and Title in Nevada
4.2.1 Mineral Title
Information in this section is sourced from Papke and Davis (2019).
Federal (30 USC and 43 CFR) and Nevada (NRS 517) laws concerning mining claims on Federal land are based on an 1872 Federal law titled “An Act to Promote the Development of Mineral Resources of the United States.” Mining claim procedures still are based on this law, but the original scope of the law has been reduced by several legislative changes.
The Mineral Leasing Act of 1920 (30 USC Chapter 3A) provided for leasing of some non-metallic materials; and the Multiple Mineral Development Act of 1954 (30 USC Chapter 12) allowed simultaneous use of public land for mining under the mining laws and for lease operation under the mineral leasing laws. Additionally, the Multiple Surface Use Act of 1955 (30 USC 611-615) made “common variety” materials non-locatable; the Geothermal Steam Act of 1970 (30 USC Chapter 23) provided for leasing of geothermal resources; and the Federal Land Policy and Management Act of 1976 (the BLM Organic Act, 43 USC Chapter 35) granted the Secretary of the Interior broad authority to manage public lands. Most details regarding procedures for locating claims on Federal lands have been left to individual states, providing that state laws do not conflict with Federal laws (30 USC 28; 43 CFR 3831.1).
Mineral deposits are located either by lode or placer claims (43 CFR 3840). The locator must decide whether a lode or placer claim should be used for a given material; the decision is not always easy but is critical. A lode claim is void if used to acquire a placer deposit, and a placer claim is void if used for a lode deposit. The 1872 Federal law requires a lode claim for “veins or lodes of quartz or other rock in place” (30 USC 26; 43 CFR 3841.1), and a placer claim for all
| Kappes, Cassiday & Associates | 4.0 Property Description and Location |
| September 2024 | Page 4-1 |
![]() | Reward Feasibility Study Technical Report |
“forms of deposit, excepting veins of quartz or other rock in place” (30 USC 35). The maximum size of a lode claim is 457 m (1,500 ft) in length and 183 m (600 ft) in width, whereas an individual or company can locate a placer claim as much as 8 hectares (20 acres) in area.
Claims may be patented or unpatented. A patented claim is a lode or placer claim or mill site for which a patent has been issued by the Federal Government, whereas an unpatented claim means a lode or placer claim, tunnel right or mill site located under the Federal (30 USC) act, for which a patent has not been issued.
4.2.2 Surface Rights
Information in this section is sourced from Papke and Davis (2019).
About 85% of the land in Nevada is controlled by the Federal Government; most of this land is administered by the BLM, the US Forest Service (USFS), the US Department of Energy (DOE), or the US Department of Defence (DOD). Much of the land controlled by the BLM and the USFS is open to prospecting and claim location.
| Kappes, Cassiday & Associates | 4.0 Property Description and Location |
| September 2024 | Page 4-2 |
![]() | Reward Feasibility Study Technical Report |
Figure 4-1 Project Location Plan.

Note: Figure prepared by Lycopodium, 2019.
Bureau of Land Management regulations regarding surface disturbance and reclamation require that a notice be submitted to the appropriate BLM Field Office for exploration activities in which five acres or fewer are proposed for disturbance (43 CFR 3809.1-1 through 3809.1-4). A Federal Plan of Operations is needed for all mining and processing activities, plus all activities exceeding five acres of proposed disturbance. A Plan of Operations is also needed for any bulk sampling in which 1,000 or more tons of presumed mineralized material are proposed for removal (43 CFR 3802.1 through 3802.6, 3809.1-4, 3809.1-5). The BLM also requires the posting of bonds for reclamation for any surface disturbance caused by more than casual use (43 CFR 3809.500 through 3809.560). The USFS has regulations regarding land disturbance in forest lands (36 CFR Subpart A). Both agencies also have regulations pertaining to land disturbance in proposed wilderness areas.
| Kappes, Cassiday & Associates | 4.0 Property Description and Location |
| September 2024 | Page 4-3 |
![]() | Reward Feasibility Study Technical Report |
4.2.3 Environmental Regulations
Information in this section is sourced from Papke and Davis (2019).
All surface management activities, including reclamation, must comply with all pertinent federal laws and regulations, and all applicable state environmental laws and regulations. The fundamental requirement, implemented in 43 CFR 3809, is that all hard-rock mining under a Plan of Operations or Notice on the public lands must prevent unnecessary or undue degradation. The Mine Plan of Operations (MPO) and any modifications to the approved MPO must meet the requirement to prevent unnecessary or undue degradation.
4.2.4 Water Rights
Allocation of water rights in Nevada uses two principles, prior appropriation, and beneficial use. Prior appropriation (also known as the “first in time, first in right”) allows for the orderly use of the state’s water resources by granting priority to senior water rights. This concept ensures that senior users are protected, even as new uses for water are allocated. Under the Revised Nevada Statutes (Chapters 533 and 534), all water can be appropriated for beneficial use. Irrigation, mining, recreation, commercial/industrial and municipal uses are examples of beneficial uses.
4.3 Ownership
Canyon Resources Corporation (Canyon Resources), CR Reward’s predecessor, concluded lease agreements to four unpatented lode claims blocks from private owners in 2004 and 2005.
In 2006, Canyon Resources completed the acquisition of six patented placer claims from Barrick Gold Corporation (Barrick). Canyon Resources also staked 99 new unpatented lode claims during 2005 and 2006.
In 2008, Canyon Resources assigned all of the patented and unpatented claims comprising the Project to CR Reward, which was subsequently converted into a Nevada limited liability company. CR Reward holds a 100% interest in the mineral claims that form the Project, including 99 unpatented lode mineral claims and 6 patented placer claims (Table 4-1). The remaining 22 unpatented lode and placer claims are held through a number of lease agreements (Table 4-1).
On June 13, 2022, Augusta acquired the Reward Project (Reward or the Project), from Waterton Nevada Splitter LLC (Waterton) by the purchase of CR Reward.
4.4 Mineral Properties
4.4.1 Claim Status
The Project consists of 121 unpatented Bureau of Land Management (BLM) placer and lode mining claims and six patented placer mining claims (Jensen, 2022 a,b,c,d), totalling approximately 2,333 net acres (Table 1-4). Figure 4-2 is an overview plan showing the entire package of claim locations. Figure 4-3 show details of the mineral claims in relation to the main
| Kappes, Cassiday & Associates | 4.0 Property Description and Location |
| September 2024 | Page 4-4 |
![]() | Reward Feasibility Study Technical Report |
mineralized zones at the Reward Project. BLM and tax payments are up to date as of the effective date of this report.
Only patented claims have been legally surveyed.
Table 4-1 Summary of the Reward Project Claims
Claim Name | BLM NMC#/ Parcel # | Claim Type | Location/ Section Number | Area, Acres (nominal Number Unless patented) | Control (% owned, or name of lessor) | Year Staked or Patented | Taxes or BLM Rentals Paid Until |
| American | 000-000-97 | Patented placer | 1 & 2 | 40 | 100% CR Reward LLC | 1916 | 31 Aug 2025 |
| Pentellic | 000-000-97 | Patented placer | 2 | 20 | 100% CR Reward LLC | 1916 | 31 Aug 2025 |
| Regius | 000-000-97 | Patented placer | 1 & 2 | 60 | 100% CR Reward LLC | 1916 | 31 Aug 2025 |
| Marion | 000-000-97 | Patented placer | 2 | 40 | 100% CR Reward LLC | 1916 | 31 Aug 2025 |
| Valencia | 000-000-97 | Patented placer | 2 | 20 | 100% CR Reward LLC | 1923 | 31 Aug 2025 |
| Trinity | 000-000-97 | Patented placer | 1 & 2 | 40 | 100% CR Reward LLC | 1925 | 31 Aug 2025 |
| Sunshine | NMC27580 | Unpatented lode | 2 | 20.66 | Connolly/Webster leases | 1957 | 31 Aug 2025 |
| Reward | NMC27581 | Unpatented lode | 2 & 3 | 20.66 | Connolly/Webster leases | 1957 | 31 Aug 2025 |
| Hardway | NMC853089 | Unpatented lode | 2 | 20.66 | Orser-McFall lease | 2003 | 31 Aug 2025 |
| Bull Moose #1 | NMC855150 | Unpatented lode | 2 & 3 | 12.39 | Orser-McFall lease | 2003 | 31 Aug 2025 |
| Bull Moose #2 | NMC855151 | Unpatented lode | 2 & 3 | 12.39 | Orser-McFall lease | 2003 | 31 Aug 2025 |
| Bull Moose #3 | NMC855152 | Unpatented lode | 2 | 11.02 | Orser-McFall lease | 2003 | 31 Aug 2025 |
| Bull Moose #4 | NMC862531 | Unpatented lode | 2 | 11.02 | Orser-McFall lease | 2004 | 31 Aug 2025 |
| Bull Moose #5 | NMC855153 | Unpatented lode | 2 | 4.13 | Orser-McFall lease | 2003 | 31 Aug 2025 |
| Bull Moose #6 | NMC855154 | Unpatented lode | 2 | 13.77 | Orser-McFall lease | 2003 | 31 Aug 2025 |
| Reward South #1 | NMC868938 | Unpatented lode | 2 & 3 | 20.66 | Orser-McFall lease | 2004 | 31 Aug 2025 |
| Reward South #2 | NMC868939 | Unpatented lode | 2 & 3 | 20.66 | Orser-McFall lease | 2004 | 31 Aug 2025 |
| McOrser | NMC870349 | Unpatented lode | 2 | 20.66 | Orser-McFall lease | 2004 | 31 Aug 2025 |
| April Gold Ace | NMC871261 | Unpatented lode | 3 | 20.66 | Orser-McFall lease | 2004 | 31 Aug 2025 |
| Bull Moose #9 | NMC871255 | Unpatented placer | 2 | 11.47 | Orser-McFall lease | 2004 | 31 Aug 2025 |
| Bull Moose #10 | NMC871256 | Unpatented placer | 2 | 11.47 | Orser-McFall lease | 2004 | 31 Aug 2025 |
| Bull Moose #11 | NMC871257 | Unpatented placer | 2 | 11.47 | Orser-McFall lease | 2004 | 31 Aug 2025 |
| Bull Moose #12 | NMC871258 | Unpatented placer | 2 & 3 | 11.47 | Orser-McFall lease | 2004 | 31 Aug 2025 |
| Bull Moose #13 | NMC871259 | Unpatented placer | 2, 3 & 10 | 11.47 | Orser-McFall lease | 2004 | 31 Aug 2025 |
| Bull Moose #14 | NMC871260 | Unpatented placer | 2, 3, 34, 35 | 19.97 | Orser-McFall lease | 2004 | 31 Aug 2025 |
| Good Hope | NMC853090 | Unpatented lode | 2 | 20.66 | Orser/McFall/Webster Lease | 2003 | 31 Aug 2025 |
| Double RS | NMC125600 | Unpatented placer | 3 & 10 | 80 | VanMeeteren et al lease | 1966 | 31 Aug 2025 |
| Durlers Hope | NMC124956 | Unpatented placer | 3 | 40 | VanMeeteren et al lease | 1966 | 31 Aug 2025 |
| RP 1 | NMC915581 | Unpatented lode | 33 | 20.66 | 100% CR Reward LLC | 2005 | 31 Aug 2025 |
| Kappes, Cassiday & Associates | 4.0 Property Description and Location |
| September 2024 | Page 4-5 |
![]() | Reward Feasibility Study Technical Report |
Claim Name | BLM NMC#/ Parcel # | Claim Type | Location/ Section Number | Area, Acres (nominal Number Unless patented) | Control (% owned, or name of lessor) | Year Staked or Patented | Taxes or BLM Rentals Paid Until |
| RP 2 | NMC915582 | Unpatented lode | 33 & 34 | 20.66 | 100% CR Reward LLC | 2005 | 31 Aug 2025 |
| RP 3 | NMC915583 | Unpatented lode | 34 | 20.66 | 100% CR Reward LLC | 2005 | 31 Aug 2025 |
| RP 4 | NMC915584 | Unpatented lode | 34 | 20.66 | 100% CR Reward LLC | 2005 | 31 Aug 2025 |
| RP 5 | NMC915585 | Unpatented lode | 34 | 20.66 | 100% CR Reward LLC | 2005 | 31 Aug 2025 |
| RP 6 | NMC915586 | Unpatented lode | 34 | 20.66 | 100% CR Reward LLC | 2005 | 31 Aug 2025 |
| RP 7 | NMC915587 | Unpatented lode | 34 | 20.66 | 100% CR Reward LLC | 2005 | 31 Aug 2025 |
| RP 8 | NMC915588 | Unpatented lode | 34 | 20.66 | 100% CR Reward LLC | 2005 | 31 Aug 2025 |
| RP 9 | NMC915589 | Unpatented lode | 34 | 20.66 | 100% CR Reward LLC | 2005 | 31 Aug 2025 |
| RP 10 | NMC915590 | Unpatented lode | 34 | 20.66 | 100% CR Reward LLC | 2005 | 31 Aug 2025 |
| RP 11 | NMC915591 | Unpatented lode | 34 | 20.66 | 100% CR Reward LLC | 2005 | 31 Aug 2025 |
| RP 12 | NMC915592 | Unpatented lode | 34 | 20.66 | 100% CR Reward LLC | 2005 | 31 Aug 2025 |
| RP 13 | NMC915593 | Unpatented lode | 34 | 20.66 | 100% CR Reward LLC | 2005 | 31 Aug 2025 |
| RP 14 | NMC915594 | Unpatented lode | 34 | 20.66 | 100% CR Reward LLC | 2005 | 31 Aug 2025 |
| RP 15 | NMC915595 | Unpatented lode | 34 | 20.66 | 100% CR Reward LLC | 2005 | 31 Aug 2025 |
| RP 16 | NMC915596 | Unpatented lode | 34 | 20.66 | 100% CR Reward LLC | 2005 | 31 Aug 2025 |
| RP 17 | NMC915597 | Unpatented lode | 34 & 35 | 20.66 | 100% CR Reward LLC | 2005 | 31 Aug 2025 |
| RP 18 | NMC915598 | Unpatented lode | 34 & 35 | 20.66 | 100% CR Reward LLC | 2005 | 31 Aug 2025 |
| RP 19 | NMC915599 | Unpatented lode | 35 | 20.66 | 100% CR Reward LLC | 2005 | 31 Aug 2025 |
| RP 20 | NMC915600 | Unpatented lode | 35 | 20.66 | 100% CR Reward LLC | 2005 | 31 Aug 2025 |
| RP 21 | NMC915601 | Unpatented lode | 3, 4 & 33 | 20.66 | 100% CR Reward LLC | 2005 | 31 Aug 2025 |
| RP 22 | NMC915602 | Unpatented lode | 3 & 4 | 20.66 | 100% CR Reward LLC | 2005 | 31 Aug 2025 |
| RP 23 | NMC915603 | Unpatented lode | 3, 33,34 | 20.66 | 100% CR Reward LLC | 2005 | 31 Aug 2025 |
| RP 24 | NMC915604 | Unpatented lode | 3 | 20.66 | 100% CR Reward LLC | 2005 | 31 Aug 2025 |
| RP 25 | NMC915605 | Unpatented lode | 3 & 34 | 20.66 | 100% CR Reward LLC | 2005 | 31 Aug 2025 |
| RP 26 | NMC915606 | Unpatented lode | 3 | 20.66 | 100% CR Reward LLC | 2005 | 31 Aug 2025 |
| RP 27 | NMC915607 | Unpatented lode | 3 & 34 | 20.66 | 100% CR Reward LLC | 2005 | 31 Aug 2025 |
| RP 28 | NMC915608 | Unpatented lode | 3 | 20.66 | 100% CR Reward LLC | 2005 | 31 Aug 2025 |
| RP 29 | NMC915609 | Unpatented lode | 3 & 34 | 20.66 | 100% CR Reward LLC | 2005 | 31 Aug 2025 |
| RP 30 | NMC915610 | Unpatented lode | 3 | 20.66 | 100% CR Reward LLC | 2005 | 31 Aug 2025 |
| RP 31 | NMC915611 | Unpatented lode | 3 & 34 | 20.66 | 100% CR Reward LLC | 2005 | 31 Aug 2025 |
| RP 32 | NMC915612 | Unpatented lode | 3 | 20.66 | 100% CR Reward LLC | 2005 | 31 Aug 2025 |
| RP 33 | NMC915613 | Unpatented lode | 3 & 34 | 20.66 | 100% CR Reward LLC | 2005 | 31 Aug 2025 |
| RP 34 | NMC915614 | Unpatented lode | 3 | 20.66 | 100% CR Reward LLC | 2005 | 31 Aug 2025 |
| RP 35 | NMC915615 | Unpatented lode | 3 & 34 | 20.66 | 100% CR Reward LLC | 2005 | 31 Aug 2025 |
| RP 36 | NMC915616 | Unpatented lode | 3 | 20.66 | 100% CR Reward LLC | 2005 | 31 Aug 2025 |
| RP 37 | NMC915617 | Unpatented lode | 3 & 34 | 20.66 | 100% CR Reward LLC | 2005 | 31 Aug 2025 |
| RP 38 | NMC915618 | Unpatented lode | 3 | 20.66 | 100% CR Reward LLC | 2005 | 31 Aug 2025 |
| RP 39 | NMC915619 | Unpatented lode | 2, 3 & 34 | 20.66 | 100% CR Reward LLC | 2005 | 31 Aug 2025 |
| RP 40 | NMC915620 | Unpatented lode | 2 & 3 | 20.66 | 100% CR Reward LLC | 2005 | 31 Aug 2025 |
| RP 41 | NMC915621 | Unpatented lode | 2, 34,35 | 20.66 | 100% CR Reward LLC | 2005 | 31 Aug 2025 |
| Kappes, Cassiday & Associates | 4.0 Property Description and Location |
| September 2024 | Page 4-6 |
![]() | Reward Feasibility Study Technical Report |
Claim Name | BLM NMC#/ Parcel # | Claim Type | Location/ Section Number | Area, Acres (nominal Number Unless patented) | Control (% owned, or name of lessor) | Year Staked or Patented | Taxes or BLM Rentals Paid Until |
| RP 42 | NMC915622 | Unpatented lode | 2 & 35 | 20.66 | 100% CR Reward LLC | 2005 | 31 Aug 2025 |
| RP 43 | NMC915623 | Unpatented lode | 3 & 4 | 20.66 | 100% CR Reward LLC | 2005 | 31 Aug 2025 |
| RP 44 | NMC915624 | Unpatented lode | 3 | 20.66 | 100% CR Reward LLC | 2005 | 31 Aug 2025 |
| RP 45 | NMC915625 | Unpatented lode | 3 | 20.66 | 100% CR Reward LLC | 2005 | 31 Aug 2025 |
| RP 46 | NMC915626 | Unpatented lode | 3 & 10 | 20.66 | 100% CR Reward LLC | 2005 | 31 Aug 2025 |
| RP 47 | NMC915627 | Unpatented lode | 3 | 20.66 | 100% CR Reward LLC | 2005 | 31 Aug 2025 |
| RP 48 | NMC915628 | Unpatented lode | 3 & 10 | 20.66 | 100% CR Reward LLC | 2005 | 31 Aug 2025 |
| RP 49 | NMC915629 | Unpatented lode | 3 | 20.66 | 100% CR Reward LLC | 2005 | 31 Aug 2025 |
| RP 50 | NMC915630 | Unpatented lode | 3 & 10 | 20.66 | 100% CR Reward LLC | 2005 | 31 Aug 2025 |
| RP 51 | NMC915631 | Unpatented lode | 3 | 20.66 | 100% CR Reward LLC | 2005 | 31 Aug 2025 |
| RP 52 | NMC915632 | Unpatented lode | 3 & 10 | 20.66 | 100% CR Reward LLC | 2005 | 31 Aug 2025 |
| RP 53 | NMC915633 | Unpatented lode | 3 | 20.66 | 100% CR Reward LLC | 2005 | 31 Aug 2025 |
| RP 54 | NMC915634 | Unpatented lode | 3 | 20.66 | 100% CR Reward LLC | 2005 | 31 Aug 2025 |
| RP 55 | NMC915635 | Unpatented lode | 2 & 3 | 20.66 | 100% CR Reward LLC | 2005 | 31 Aug 2025 |
| RP 56 | NMC915636 | Unpatented lode | 10 | 20.66 | 100% CR Reward LLC | 2005 | 31 Aug 2025 |
| RP 57 | NMC915637 | Unpatented lode | 3 & 10 | 20.66 | 100% CR Reward LLC | 2005 | 31 Aug 2025 |
| RP 58 | NMC915638 | Unpatented lode | 10 | 20.66 | 100% CR Reward LLC | 2005 | 31 Aug 2025 |
| RP 59 | NMC915639 | Unpatented lode | 3 & 10 | 20.66 | 100% CR Reward LLC | 2005 | 31 Aug 2025 |
| RP 60 | NMC915640 | Unpatented lode | 10 | 20.66 | 100% CR Reward LLC | 2005 | 31 Aug 2025 |
| RP 61 | NMC915641 | Unpatented lode | 2, 3, 10, 11 | 20.66 | 100% CR Reward LLC | 2005 | 31 Aug 2025 |
| RP 62 | NMC915642 | Unpatented lode | 10 & 11 | 20.66 | 100% CR Reward LLC | 2005 | 31 Aug 2025 |
| RP 63 | NMC915643 | Unpatented lode | 2 & 11 | 20.66 | 100% CR Reward LLC | 2005 | 31 Aug 2025 |
| RP 64 | NMC915644 | Unpatented lode | 11 | 20.66 | 100% CR Reward LLC | 2005 | 31 Aug 2025 |
| RP 65 | NMC915645 | Unpatented lode | 2 & 11 | 20.66 | 100% CR Reward LLC | 2005 | 31 Aug 2025 |
| RP 66 | NMC915646 | Unpatented lode | 11 | 20.66 | 100% CR Reward LLC | 2005 | 31 Aug 2025 |
| RP 67 | NMC915647 | Unpatented lode | 2 & 11 | 20.66 | 100% CR Reward LLC | 2005 | 31 Aug 2025 |
| RP 68 | NMC915648 | Unpatented lode | 11 | 20.66 | 100% CR Reward LLC | 2005 | 31 Aug 2025 |
| RP 69 | NMC915649 | Unpatented lode | 2 & 11 | 20.66 | 100% CR Reward LLC | 2005 | 31 Aug 2025 |
| RP 70 | NMC915650 | Unpatented lode | 11 | 20.66 | 100% CR Reward LLC | 2005 | 31 Aug 2025 |
| RP 71 | NMC915651 | Unpatented lode | 2 & 11 | 20.66 | 100% CR Reward LLC | 2005 | 31 Aug 2025 |
| RP 72 | NMC915652 | Unpatented lode | 11 | 20.66 | 100% CR Reward LLC | 2005 | 31 Aug 2025 |
| RP 73 | NMC915653 | Unpatented lode | 2 | 20.66 | 100% CR Reward LLC | 2005 | 31 Aug 2025 |
| RP 74 | NMC915654 | Unpatented lode | 2 | 20.66 | 100% CR Reward LLC | 2005 | 31 Aug 2025 |
| RP 75 | NMC915655 | Unpatented lode | 2 | 20.66 | 100% CR Reward LLC | 2005 | 31 Aug 2025 |
| RP 76 | NMC915656 | Unpatented lode | 3 | 5.17 | 100% CR Reward LLC | 2005 | 31 Aug 2025 |
| RP 77 | NMC915657 | Unpatented lode | 10 | 20.66 | 100% CR Reward LLC | 2005 | 31 Aug 2025 |
| RP 78 | NMC915658 | Unpatented lode | 10 | 20.66 | 100% CR Reward LLC | 2005 | 31 Aug 2025 |
| RP 79 | NMC915659 | Unpatented lode | 9 & 10 | 20.66 | 100% CR Reward LLC | 2005 | 31 Aug 2025 |
| RP 80 | NMC915660 | Unpatented lode | 10 | 20.66 | 100% CR Reward LLC | 2005 | 31 Aug 2025 |
| RP 81 | NMC915661 | Unpatented lode | 9 & 16 | 20.66 | 100% CR Reward LLC | 2005 | 31 Aug 2025 |
| Kappes, Cassiday & Associates | 4.0 Property Description and Location |
| September 2024 | Page 4-7 |
![]() | Reward Feasibility Study Technical Report |
Claim Name | BLM NMC#/ Parcel # | Claim Type | Location/ Section Number | Area, Acres (nominal Number Unless patented) | Control (% owned, or name of lessor) | Year Staked or Patented | Taxes or BLM Rentals Paid Until |
| RP 82 | NMC915662 | Unpatented lode | 9 | 20.66 | 100% CR Reward LLC | 2005 | 31 Aug 2025 |
| RP 83 | NMC915663 | Unpatented lode | 2 | 20.66 | 100% CR Reward LLC | 2005 | 31 Aug 2025 |
| RP 84 | NMC915664 | Unpatented lode | 2 | 20.66 | 100% CR Reward LLC | 2005 | 31 Aug 2025 |
| RP 85 | NMC938644 | Unpatented lode | 10 | 20.66 | 100% CR Reward LLC | 2006 | 31 Aug 2025 |
| RP 86 | NMC938645 | Unpatented lode | 10 | 20.66 | 100% CR Reward LLC | 2006 | 31 Aug 2025 |
| RP 87 | NMC938646 | Unpatented lode | 10 | 20.66 | 100% CR Reward LLC | 2006 | 31 Aug 2025 |
| RP 88 | NMC938647 | Unpatented lode | 10 & 11 | 20.66 | 100% CR Reward LLC | 2006 | 31 Aug 2025 |
| RP 89 | NMC938648 | Unpatented lode | 11 | 20.66 | 100% CR Reward LLC | 2006 | 31 Aug 2025 |
| RP 90 | NMC938649 | Unpatented lode | 11 | 20.66 | 100% CR Reward LLC | 2006 | 31 Aug 2025 |
| RP 91 | NMC938650 | Unpatented lode | 11 | 20.66 | 100% CR Reward LLC | 2006 | 31 Aug 2025 |
| RP 92 | NMC938651 | Unpatented lode | 11 | 20.66 | 100% CR Reward LLC | 2006 | 31 Aug 2025 |
| RP 93 | NMC938652 | Unpatented lode | 11 | 20.66 | 100% CR Reward LLC | 2006 | 31 Aug 2025 |
| RP 94 | NMC938653 | Unpatented lode | 35 | 20.66 | 100% CR Reward LLC | 2006 | 31 Aug 2025 |
| RP 95 | NMC938654 | Unpatented lode | 35 | 20.66 | 100% CR Reward LLC | 2006 | 31 Aug 2025 |
| RP 96 | NMC938655 | Unpatented lode | 2 & 35 | 20.66 | 100% CR Reward LLC | 2006 | 31 Aug 2025 |
| RP 97 | NMC938656 | Unpatented lode | 2 | 10.33 | 100% CR Reward LLC | 2006 | 31 Aug 2025 |
| RP 98 | NMC938657 | Unpatented lode | 2 | 2.58 | 100% CR Reward LLC | 2006 | 31 Aug 2025 |
| RP 99 | NMC938658 | Unpatented lode | 2 | 6.89 | 100% CR Reward LLC | 2006 | 31 Aug 2025 |
| Kappes, Cassiday & Associates | 4.0 Property Description and Location |
| September 2024 | Page 4-8 |
![]() | Reward Feasibility Study Technical Report |
Figure 4-2 CR Reward, LLC Controlled Mineral Claims at Reward Project.

Note: Figure prepared by Lycopodium, 2019.
| Kappes, Cassiday & Associates | 4.0 Property Description and Location |
| September 2024 | Page 4-9 |
![]() | Reward Feasibility Study Technical Report |
Figure 4-3 Detail of Reward Claims and Mineralized Zones for the Core Area.

Note: Figure prepared by Lycopodium, 2019.
| Kappes, Cassiday & Associates | 4.0 Property Description and Location |
| September 2024 | Page 4-10 |
![]() | Reward Feasibility Study Technical Report |
4.4.2 Claim Retention Obligations
Under U.S. mining law, claims may be renewed annually for an unlimited number of years upon a small payment per claim (currently $165 per claim due to the BLM and an aggregate $1,502 due to Nye County) and the same claim status—whether lode or placer—may be used for exploration or exploitation of the lodes or placers.
State, Federal and local regulations involving environmental, mining and business activities must also be followed.
4.4.3 Encumbrances
No companies or entities are known that have back in or option rights on the mineral claims.
The claims listed in Table 4.1 have not been legally surveyed, except that the patented claims were legally surveyed prior to the date of patenting. The unpatented lode claims are readily identifiable and locatable in the field, due to distinctive topographic features and the near absence of vegetation (CAM, 2012).
4.5 Mineral Lease Agreements
Several blocks of unpatented claims (22 in total) are leased by CR Reward from underlying owners (refer to Table 4.1).
4.5.1 Connolly Lease
This lease agreement (the Connolly Lease), effective as of September 28, 2004, covers a two-third interest in each of the Sunshine and Reward unpatented lode claims (collectively, the Connolly Claims). The Connolly Lease is for an initial term of 20 years, was extended for an additional ten year term, and continues so long thereafter as long as ore is being shipped from the property on a reasonable regular basis or if significant development operations undertaken for purposes of producing ore are being conducted. A 3% NSR royalty is payable on any minerals mined from the Connolly Claims, but is reduced to 2% due to the fact that the lessee only owns a two-third interest in the Connolly Claims. Annual advance minimum royalty payments are payable under the Connolly Lease, which shall be applied toward, credited against and fully deductible from earned mineral production royalty payments due from the Connolly Claims.
4.5.2 Webster Lease
This lease agreement (the Webster lease), effective as of November 9, 2004 (as amended on November 9, 2004, November 8, 2006, and October 5, 2023), covers a one-third interest in each of the Sunshine and Reward unpatented lode claims and a half interest in the Good Hope unpatented lode claim (collectively, the Webster Claims). The Webster Lease was for an initial term of 20 years, was extended for an additional 15-year term, and continues so long thereafter as long as ore is being shipped from the property on a reasonable regular basis or if significant
| Kappes, Cassiday & Associates | 4.0 Property Description and Location |
| September 2024 | Page 4-11 |
![]() | Reward Feasibility Study Technical Report |
development operations undertaken for purposes of producing ore are being conducted. A 3% NSR royalty is payable on any minerals mined from the Webster Claims, but is (i) reduced to 1% on the Sunshine and Reward claims due to the fact that the lessee only owns a one-third interest, and (ii) reduced to 1.5% on the Good Hope claim due to the fact that the lessee only owns a half interest in this claim. Annual advance minimum royalty payments are payable under the Webster which payments paid in any given year may be applied toward, credited against and fully deductible from any earned mineral production royalty payments due on the Webster Claims during the calendar year in which such annual advance minimum royalty payments are due.
4.5.3 Orser-McFall Lease
This lease agreement (the Orser–McFall Lease), effective as of February 5, 2005 (as amended on August 18, 2005 and November 14, 2006), applies to 12 unpatented lode and six unpatented placer mining claims (collectively, the Orser–McFall Claims). The Orser–McFall Lease is for an initial term of 20 years and continues so long thereafter as long as ore is being shipped from the property on a reasonable regular basis or if significant development operations undertaken for purposes of producing ore are being conducted. The lessors under the Orser–McFall Lease own 100% of the Orser–McFall Claims, except for the Good Hope claim, in which they own a half interest (the other half being owned by the Daniel D. Webster Living Trust and leased to CR Reward pursuant to the Webster Lease). A 3% NSR royalty is payable on minerals mined from the Orser–McFall Claims, but is reduced to 1.5% on the Good Hope claim due to the fact that the lessee only owns a half interest in that claim. Annual advance minimum royalty payments are payable under the Orser–McFall Lease which shall be applied toward, credited against and fully deductible from earned mineral production royalty payments due from the Orser-McFall Claims.
4.5.4 Van Meeteren et al Lease
This lease agreement (the Van Meeteren Lease), effective as of December 1, 2011, applies to the Double RS and the Durlers Hope unpatented placer claims (the Van Meeteren Claims). The Van Meeteren Lease is for an initial term of 20 years and continues so long thereafter as the Project remains in commercial production or CR Reward is actively conducting exploration, development, reclamation or remediation operations. A 3% NSR royalty is payable on minerals mined from the Van Meeteren Claims. Annual advance minimum royalty payments are payable under the Van Meeteren Lease in an amount equal to $15/acre from 2011 through 2020, for a total of $1,800 per year, and $20/acre from and after 2021, for a total of $2,400 per year. These annual advance minimum royalty payments are recoupable from earned mineral production royalties. All payments described above have been timely paid by CR Reward and its predecessor and the agreements are all in good standing.
4.6 Encumbrances
The Project is not subject to any other back-in rights payments, agreements or encumbrances.
| Kappes, Cassiday & Associates | 4.0 Property Description and Location |
| September 2024 | Page 4-12 |
![]() | Reward Feasibility Study Technical Report |
4.7 Surface Ownership
The Project area mainly consists of Federal public domain lands administered by the BLM. There are no State or private tracts within the Project area, except the six patented claims owned by CR Reward, all of which carry surface and mineral rights ownership.
4.8 Water Rights
CR Reward has the right to use 391,494 m3 (317.39 ac-ft) of water annually under Permit No. 76390 (286.7 ac-ft) and Permit No. 89658 (30.684 ac-ft) with an option to an additional 100 ac-ft under Permit 64457, Certificate 16054.
The Amargosa River basin is an enclosed basin, and the water rights are thus not affected by the Colorado River Compact or other agreements.
4.9 Permitting Considerations
The current Project area includes public and private lands within Nye County, Nevada. The Project, therefore, falls under the jurisdiction and permitting requirements of Nye County, the State of Nevada (primarily the BMRR) and the BLM.
The following permits and authorizations were granted to CR Reward:
| ● | Plan of Operations authorized under N-82840. |
| ● | Water Pollution Control Permit (WPCP); WPCP NEV2007101. |
| ● | Approved Tentative Plan for Permanent Closure (TPPC) as part of WPCP. |
| ● | Water rights permitted by Nevada Division of Water Resources (NDWR) under Mining, Milling, & Domestic permit 76390 and permit 89658. |
| ● | Mining reclamation permit granted by the Bureau of Mining Regulation and Reclamation (BMRR) under mine site permit #0300. |
| ● | Division of Water Resources Dam Permit J-755, (NV10945 & NV10949) Phase I HLF – Process and Event Ponds. |
Nevada Bureau of Air Pollution Control (BAPC) authorized Class II Air Quality permit AP1041-2492.
4.10 Environmental Considerations
Environmental, social and cultural studies were conducted by CR Reward as part of its permitting efforts.
Much of this information was provided to the BLM as part of the Reward Project Updated Plan of Operations and Reclamation Plan (BLM Case File Serial Number N-82840) and the accompanying Environmental Assessment (EA): DOI-BLM-NV-S030-2020-0006-EA.
Additional information, especially with respect to hydrogeology and geochemistry, was developed and submitted to the BMRR as part of the Nevada Water Pollution Control Permit (WPCP)
| Kappes, Cassiday & Associates | 4.0 Property Description and Location |
| September 2024 | Page 4-13 |
![]() | Reward Feasibility Study Technical Report |
application. Both the EA and WPCP application include discussion of the potential impacts associated with project development, none of which were found to be significant.
Studies completed have included desktop reviews, and Project-specific data collection on the following: land status, soil surveys, air quality, cultural resources, Native American religious concerns, water resources, vegetation, wildlife and special-status species.
Additional information regarding environmental considerations at the Project is available in the Final EA: DOI-BLM-NV-S030-2020-006-EA.
4.11 Comments on Property Description and Location
CR Reward advised the QP that the company is not aware of any existing environmental liabilities connected with the Project, except those relating to CR Reward’s exploration and development activities, for which bonds have been posted.
There are currently no known environmental issues that could materially impact CR Reward’s ability to extract the Mineral Resources or that would impact the Mineral Resource estimates.
To the extent known, there are no other significant factors and risks that may affect access, title, or the right or ability to perform work on the Project that have not been discussed in this Report.
| Kappes, Cassiday & Associates | 4.0 Property Description and Location |
| September 2024 | Page 4-14 |
![]() | Reward Feasibility Study Technical Report |
5.0 ACCESSIBILITY, CLIMATE, LOCAL RESOURCES, INFRASTRUCTURE AND PHYSIOGRAPHY
5.1 Accessibility
The Project lies 7 miles southeast of Beatty, Nevada, about two miles east of US Highway 95 in Nye County. The Project can be accessed from Beatty by paved road on Highway 95 followed by traveling two miles east on a gravel road. Several dirt roads diverge into various canyons of the Bare Mountains.
5.2 Site Topography, Elevation and Vegetation
The Project is situated in the Amargosa Desert in southwestern Nevada on the southwestern flank of the Bare Mountains in the northern Amargosa Valley. It is located on the western flank of the rugged north–south-trending Bare Mountains. The western flank drains into the Amargosa Desert, which is drained by the ephemeral Amargosa River.
Beatty, on the Amargosa River, lies at 1,006 m (3,300 ft) elevation. Elevations in the Project area range from about 1,158 m (3,800 ft) to 1,311 m (4,300 ft).
Vegetation is sparse, consisting mainly of creosote bush, (Larrea sp.), Mormon tea, (Ephedra sp.), and low shrubs, with occasional small barrel cacti (Ferocactus sp.). A few mesquite trees (Prosopis sp.) occur within the overall Project boundary.
5.3 Climate
The climate is typical of middle-elevation desert.
The area is highly arid, with average annual precipitation of 5.3 inches (13 cm). During May to October, occasional thunderstorms may generate flash flooding in the region. Trace snow falls in the winter months.
Temperatures range from winter absolute lows of 10oF (-12.2°C) to summer absolute highs of 110oF (43.3°C).
Operations are planned to be conducted year-round.
5.4 Local Resources and Infrastructure
The Project is located seven miles by road southeast of Beatty, a town of approximately 1,000 people that serves as a transit hub and service center for travellers between Las Vegas and Reno, and those going to Death Valley. Several motels and restaurants, gas stations, a post office, and several small stores provide basic services.
The Project is currently serviced by an existing 14.4/24.9 kV power line owned and operated by Valley Electric.
A water well exists on the property and has sufficient capacity to meet project needs. The additional water rights, mentioned in Section 4.8 above, will be required.
| Kappes, Cassiday & Associates | 5.0 Accessibility, Climate, Local Resources… |
| September 2024 | Page 5-1 |
![]() | Reward Feasibility Study Technical Report |
Project employees would likely be recruited from the local area, including the communities of Beatty, Amargosa, and Pahrump, located within Nye County, and the regional urban center of Las Vegas, located within Clark County. There is available nearby accommodation to the Project site in Beatty and other smaller communities
The Project has sufficient land area, with adjacent public-domain lands also potentially available, to allow mine development, including space for the mining operations, waste rock disposal facilities (WRDs), heap leach pads and processing plants.
| Kappes, Cassiday & Associates | 5.0 Accessibility, Climate, Local Resources… |
| September 2024 | Page 5-2 |
![]() | Reward Feasibility Study Technical Report |
6.0 HISTORY
6.1 Exploration History
Table 6-1 summarizes the Project history. A preliminary assessment was completed in 2005 (exact date is unknown), a prefeasibility study on January 26, 2006, and a feasibility study on May 25, 2007. Subsequent to the 2007 feasibility study completion, CR Reward obtained the majority of the required permits to support construction and operations. An updated feasibility study (the 2019 feasibility study; Lycopodium, 2019) and an unpublished 2019 feasibility study technical report (Evans et al., 2019) were commissioned by CR Reward and are partly the basis for this Technical Report. The authors are referring to these studies as historical; to be considered current, the studies completed in 2019 would need to incorporate current pricing for major equipment, contract mining costs, construction costs, major consumables and labor costs.
6.2 Production History
The most extensive showing within the Project is the 150 ft long Good Hope adit located near the north end of the Hardway claim. A description of the Arista mine, credited with shipping 1.25 ton of ore grading over 1 oz/t Au just before World War II (Kral, 1951), appears to match the Good Hope adit where a small glory hole and underlying raise were worked.
There are no formal production records from the Project area, and there has been no modern production.
Table 6-1 Project Exploration History.
Period | Owner | Operator | Work Performed |
| 1913 | Gold discovered at Gold Ace property. | ||
| pre-1942 | Arista Mine (a.k.a. Good Hope?) Shipped 1.25 t of ore grading over 1 oz/t Au just before World War II. | ||
| 1942–1957 | District idle | ||
| 1957–1962 | Reward, Sunshine, Good Hope claims staked in 1957; Hardway claim staked 1962. | ||
| c. 1970s | Webster, Burt | Acquired Reward claims | |
| 1976 | Webster, Burt | Galli Exploration Associates (Galli) | Galli acquired an option on the Webster-Burt land. Minor road construction and improvements. |
| 1980 | Teco Inc. (Teco) | Teco acquired the Gold Ace property. | |
| mid-1980s | Webster, Burt | Optioned to St. Joe Minerals Corp. (St Joe) | Carried out an extensive sampling program on the Gold Ace property in tandem with their exploration program in the Bullfrog mining district. |
| Kappes, Cassiday & Associates | 6.0 History |
| September 2024 | Page 6-1 |
![]() | Reward Feasibility Study Technical Report |
Period | Owner | Operator | Work Performed |
| 1985 | Gexa Gold Corp. (Gexa) | Gexa | Gexa, successor company to Galli Exploration Associates, staked 10 claims next to Webster, Burt claim holdings. |
| 1987 | Teco | Homestake Mining Company (Homestake) | Homestake leased the Teco land and drilled two vertical reverse circulation (RC) holes near the northwest and southwest edges of the Webster-Burt ground as part of a 4 RC hole, 1,210 ft rotary drill program (HMC 1 to 4), which probed pediment gravels for a large-tonnage conceptual target. No anomalous results were encountered in the from the four wide-spaced drill holes. |
| 1987–1989 | Teco (1987–1991) Webster, Burt (1991– 1992) | Gexa | Drilling by Gexa included 16 RC holes for a total of 3,037 ft were completed along the north-south trending Good Hope vein/fault system, much of which is within the limits of the current Good Hope resource area. |
| 1988–1990 | Teco (1987–1991) Webster, Burt (1991– 1992) | Pathfinder Gold Corp. (Pathfinder) | Pathfinder optioned the Teco ground, portions of which overlay the southerly gravel-covered projection of the Reward fault, south of the Webster leased ground. Pathfinder drill-tested these fault projections and added several holes along drill fences between south Good Hope and south Gold Ace. A total of 33 RC and one partial core hole were drilled totaling 13,798 ft (excludes 43 ft due to an abandoned hole). |
| 1990 | Pathfinder | Cloverleaf Gold Inc. (Cloverleaf) | Pathfinder joint-ventured their interest in the TECO lease to Cloverleaf in 1990. Cloverleaf completed 49 shallow RC holes for 9,075 ft. All but five Cloverleaf holes were targeted on historic mine workings at Gold Ace. Cloverleaf surrendered their interest to Pathfinder in 1990. |
| 1990 | Pathfinder | Bond Gold Exploration Inc. (Bond Gold) | Airborne geophysics data collected over Gold Ace. Bond Gold acquired by Lac Minerals Ltd. (Lac Minerals). Property returned to Pathfinder. |
| Kappes, Cassiday & Associates | 6.0 History |
| September 2024 | Page 6-2 |
![]() | Reward Feasibility Study Technical Report |
Period | Owner | Operator | Work Performed |
| 1991 | Teco | Pathfinder | In 1991, the availability of an option on the Reward property from Gexa influenced Pathfinder’s decision to re-evaluate Gold Ace in conjunction with a program at Good Hope. Pathfinder proceeded to acquire the Reward property, stepped off south of the 1987-1989 Gexa drill pattern, and drilled into the present Reward gold resource south of the saddle, on the Hardway, Reward, Bullmoose #3A and #4 claims. |
| Completed 17 holes (GA 91-1 to 91-17) for a total of 8,300 ft. Following the 1991 drill program, Pathfinder surrendered all leases and withdrew from the district. | |||
| 1992 | Teco | US Nevada Gold Search (USNGS) | In 1992 a joint venture consisting of Siskon Corp., N.A. Degerstrom Inc. and US Precious Metals (successor to GEXA), assumed GEXA’s position at Reward. USNGS drilled 7 RC holes (R-16 to R-22) for 2,119 ft, all of which intersected mineralization along the Good Hope fault. USNGS conducted no further work on the property. |
| 1995 | Teco Webster, Burt | USNGS | USNGS sold the GEXA lode claims and assigned the Webster lease to Barrick. |
| 1995-1996 | Barrick | Barrick | Negotiated a mining lease with Teco on the Gold Ace ground. Staked 94 lode claims along extensions of the Reward and Gold Ace zones. Completed a total of 88 RC holes and 3 core holes for 39,028 ft of drilling across the property. |
| 1998 | Barrick | Rayrock Mines Inc. (Rayrock) | Rayrock acquired Barrick’s land package and began permitting of the Reward Mining property. |
| 1999 | Rayrock | Glamis Gold Ltd. (Glamis Gold) | Glamis Gold acquired Rayrock. |
| 1998–2000 | Glamis Gold | Glamis Gold (Marigold Mining Company) | Between 1998 and 2000, 79 RC holes (RE-001 to RE-79, including RE-026A) totalling 30,535 ft were completed by Marigold Mining, an affiliate of Rayrock and Glamis Gold. |
| 2000 | Glamis Gold | Glamis | Initiated the permitting process for eventual production but falling gold prices led to project suspension. |
| Kappes, Cassiday & Associates | 6.0 History |
| September 2024 | Page 6-3 |
![]() | Reward Feasibility Study Technical Report |
Period | Owner | Operator | Work Performed |
| 2004–2006 | Canyon Resources Corp. (Canyon) | Canyon | Acquired the core of the current Project in 2004 through three mineral leases with private owners for patented and unpatented mining claims. Acquired six patented placer claims from Barrick in 2006. Staked new unpatented lode and mill site claims between 2005 and 2007. Completed a Pre-Feasibility study in January 2006. Completed 21 RC drill holes for a total of 6,150 ft in 2006. |
| 2007 | Canyon | Canyon | Four core holes for 1,430 ft were completed. Mineral resource and mineral reserve estimate were updated. Plan of Operations authorized under N-82840. Obtained Water Pollution Control Permit (WPCP); WPCP NEV2007101. Obtained general construction permit; NVR100000 CSW17415. Water rights permitted by Nevada Division of Water Resources (NDWR) under Mining, Milling, & Domestic permit 76390. Mining reclamation permit granted by the Bureau of Mining Regulation and Reclamation (BMRR) under mine site permit #0300. Nevada Bureau of Air Pollution Control (BAPC) authorized Class II Air Quality permit AP1041-2492 |
| 2008–2010 | Canyon | Atna Resources Ltd. (Atna) | Completed a Feasibility study in February 2008. Assigned all properties to CR Reward Corporation after Canyon was acquired by Atna in March 2008. Mineral resource and mineral reserve updates were completed in 2009 and 2010. Completed Environmental Assessment (EA) in 2009; prepared “Reward Project Updated Plan of Operations and Reclamation Plan” (BLM Case File Serial Number N-82840). |
| 2011-2012 | Atna | Atna | Completed 15 RC drill holes for a total of 15,880 ft. Completed an updated study on the Reward project that included an economic analysis. Report was published in June 2012. |
| Kappes, Cassiday & Associates | 6.0 History |
| September 2024 | Page 6-4 |
![]() | Reward Feasibility Study Technical Report |
Period | Owner | Operator | Work Performed |
| 2013 | Atna | Atna | 14 RC drill holes for 9,003 ft of drilling were completed. Mineral resource and mineral reserve updates were completed. |
| 2016 | CR Reward | CR Reward | Two geophysical induced polarization (IP)/resistivity lines; acquired on both lines using a dipole-dipole array with a dipole length of 100 m for a total of 3.9 line-km of data coverage. |
| 2017 | CR Reward | CR Reward | Property-wide data compilation and validation program. 14 core holes for 4,989 ft were completed. |
| 2018 | CR Reward | CR Reward | 14 core holes for 6,307 ft were completed. Mineral Resource and Mineral Reserve updates. |
| 2019 | CR Reward | CR Reward | Completed updated Feasibility study. |
| 2022 | CR Reward | CR Reward | Mineral Resource update |
| Kappes, Cassiday & Associates | 6.0 History |
| September 2024 | Page 6-5 |
![]() | Reward Feasibility Study Technical Report |
7.0 GEOLOGICAL SETTING AND MINERALIZATION
The Project is hosted within the Bare Mountain Complex, which lies within the Nevada Basin and Range Province. Information in this section is summarized from Rasmussen and Keith (2015), Hoisch (1997), CAM (2006, 2012), Cornwall and Kleinhampl (1961, 1964), Eliopulos (1996), Golder (2007), Sawyer et al. (1994), Monsen et al. (1992) and Noble et al. (1991).
7.1 Regional Geology
The Bare Mountains consist of up to 6,096 m (20,000 ft) of Late Proterozoic to Paleozoic marine sedimentary rocks in the lower plate that have been juxtaposed against Miocene silicic volcanic sequences in the upper plate to the north (Figure 7-1 and Figure 7-2). The lower plate units have been deformed through folding, thrust faulting, low- and high-angle normal faulting during Mesozoic compression (Monsen et al., 1992) and have been metamorphosed from lower amphibolite to sub-greenschist grade (Hoisch, 1997). Two dominant normal fault sets have been mapped in the lower plate. These include moderately east-dipping (Bare Mountain Fault and Gold Ace fault) and shallowly southeast-dipping faults that cut or curve into east-dipping faults. A metamorphic grade discordance across the Gold Ace fault suggests displacement of >1,981 m (6,500 ft) (Hoisch, 1997).
To the north, the shallowly north-dipping Fluorspar Canyon Fault separates the lower plate from the Miocene volcanic sequences that were deposited between 14.0 and 11.5 Ma (Sawyer et al., 1994).
7.2 Local Geology
The Project is located on the southwestern flank of the Bare Mountain Complex and is underlain by moderately deformed marine clastic and carbonate rocks of Late Proterozoic and Late Cambrian age that have been metamorphosed to greenschist grade (refer to Figure 7-2). Tertiary and younger alluvium cover the lower slopes and the adjacent Amargosa Valley to the south and west. The east dipping Gold Ace fault, that is locally termed the Good Hope fault zone, separates northeast-dipping Late Proterozoic to Early Cambrian units in the footwall block from Middle to Late Cambrian units in the hanging wall block (Figure 7-3 and Figure 7-4).
The gold mineralization in the Good Hope Deposit is spatially associated with and along the Good Hope fault zone. Mineralization associated with the Morris Marble lower contact in the footwall block is referred to as the Gold Ace mineralized zone. Although there are small historic prospects along the Good Hope fault zone, most of the historic production came from the Gold Ace Zone.
| Kappes, Cassiday & Associates | 7.0 Geological Setting and Mineralization |
| September 2024 | Page 7-1 |
![]() | Reward Feasibility Study Technical Report |
Figure 7-1 Simplified Geology of the Bare Mountain Area.

Note: B, Bullfrog detachment fault; F, Fluorspar Canyon fault; T, Tates Wash fault. From Hoisch, 1997.
| Kappes, Cassiday & Associates | 7.0 Geological Setting and Mineralization |
| September 2024 | Page 7-2 |
![]() | Reward Feasibility Study Technical Report |
Figure 7-2 Simplified Geologic Map of Project Area.

Note: Gold Ace area modified after Monsen et al., 1992.
| Kappes, Cassiday & Associates | 7.0 Geological Setting and Mineralization |
| September 2024 | Page 7-3 |
![]() | Reward Feasibility Study Technical Report |
Figure 7-3 Local Geology Map.

Note: Figure prepared by Lycopodium, 2019
| Kappes, Cassiday & Associates | 7.0 Geological Setting and Mineralization |
| September 2024 | Page 7-4 |
![]() | Reward Feasibility Study Technical Report |
Figure 7-4 3D Geological Schematic of the Main Rock Units and Faults.

Note: Modified from Carisey, 1989.
7.3 Stratigraphy
The sedimentary sequence of the lower portion of the Bare Mountain Complex consists of 2,911 m (9,555 ft) of moderately deformed, clastic and carbonate rocks of Late Proterozoic and Middle Cambrian age (Table 7-1, Figure 7-5). Approximately 762 m (2,500 ft) of section is exposed in the Project area. Beds dip to the northeast at moderate to high angles.
The following stratigraphic descriptions at the Project are largely based on:
| ● | Geologic map of Bare Mountain, Nye County, Nevada (Monsen et al., 1992). |
| ● | Stratigraphic descriptions from the 1989 Project Summary Report (Carisey, 1989). |
| ● | Drill-hole data. |
| ● | Observations from the 2017–2018 drill program (Saunders, 2018). |
| Kappes, Cassiday & Associates | 7.0 Geological Setting and Mineralization |
| September 2024 | Page 7-5 |
![]() | Reward Feasibility Study Technical Report |
Table 7-1 Stratigraphy and Unit Thickness of the Bare Mountains Complex.
Age | Formation | Member | Map Code | Thickness ft |
| Cambrian | Bonanza King | Papoose Lake | Cbp | 1,900 |
| Carrara | Upper part | Ccu | 500 | |
| Middle part | Ccm | 325 | ||
| Lower part | Ccl | 375 | ||
| Zabriskie Quartzite | Cz | 1,125 | ||
| Proterozoic-Cambrian | Wood Canyon | Upper | zwuu | 840 |
| Upper lower | zwul | 1,185 | ||
| Middle | Zwm | 625 | ||
| Lower | Zwl | 1,050 | ||
| Late Proterozoic | Stirling | Juhl | Zsj | 310 |
| Sutton | Zss | 500 | ||
| Morris Marble | Zsm | 325 | ||
| Beatty Schist | Zbs | 470 |
7.3.1 Late Proterozoic Stirling Formation
Beatty Schist Member (Zbs)
The Beatty Schist Member consists of greenish, moderately foliated phyllites with minor interbedded thin shale and quartzite beds. The transition zone with the overlying Morris Marble characterized by a few feet of alternating schists, limestone, and dolomite beds. Limestone lenses occur in grey siliciclastic rocks, which occasionally display schistose textures. The unit is about 152 m (500 ft) thick.
Morris Marble Member (Zsm)
The Morris Marble Member consists of massive, white to light tan-grey, weathered limestone and dolomite with dissolution textures and occasional grainy quartzite lenses. This member conformably overlies the Beatty Schist Member, and may be correlated to the lower “D” member of the Stirling Formation (Monsen et al., 1992). The Morris Marble Members hosts the gold mineralization at the Gold Ace deposit. The unit is approximately 76 m (250 ft) thick.
Sutton Member (Zss)
The Sutton Member consists of medium to thick, light brownish-grey, interbedded, fine-grained quartzite, micaceous quartzite, pale-green phyllite, and yellowish-brown dolomite. Laminations and cross-laminations are common. The Sutton Member may be correlated to the upper “D”
| Kappes, Cassiday & Associates | 7.0 Geological Setting and Mineralization |
| September 2024 | Page 7-6 |
![]() | Reward Feasibility Study Technical Report |
member of the Stirling Formation (Monsen et al., 1992). The Sutton Member conformably overlies the Morris Marble Member. The Sutton Member hosts gold mineralization at the Gold Ace deposit near the lower contact with the Morris Marble Member and adjacent to vertical faults. The unit is about 152 m (500 ft) thick.
Juhl Member (Zsj)
The Juhl Member consists of white to pale yellowish-brown, medium to thickly bedded, fine-grained orthoquartzite. The orthoquartzite is silicified, brittle and highly fractured adjacent to and within the footwall of the Good Hope fault. The basal contact is gradational with the underlying Sutton Member. The Juhl Member conformably overlies the Sutton Member. Minor gold mineralization is found in the Juhl Member along the Good Hope fault, and occasionally below the Wood Canyon Formation within the Good Hope fault zone. The unit is approximately 76 m (250 ft) thick.
| Kappes, Cassiday & Associates | 7.0 Geological Setting and Mineralization |
| September 2024 | Page 7-7 |
![]() | Reward Feasibility Study Technical Report |
Figure 7-5 Lower Portion of the Bare Mountains Complex Stratigraphic Column Observed at the Project.

Note: Modified after Monsen et al., 1992
| Kappes, Cassiday & Associates | 7.0 Geological Setting and Mineralization |
| September 2024 | Page 7-8 |
![]() | Reward Feasibility Study Technical Report |
7.3.2 Proterozoic-Cambrian
Wood Canyon Formation (Zwc)
Only 750 ft of the basal section of the Wood Canyon Formation is preserved in the Project area. The Wood Canyon Formation conformably overlies the Juhl Member of the Stirling Formation. The upper member of the Wood Canyon Formation is Cambrian in age and the middle and lower members are Late Proterozoic in age. The thicknesses of the upper, middle and lower members are around 610 m (2,000 ft), 110 m (360 ft), and 305 m (1,000 ft), respectively.
The Wood Canyon Formation is the main host for gold mineralization within the Project area. Gold is hosted in quartz veins and silicic alteration, in association with the Good Hope fault and, to a lesser extent, along the Good Fortune fault.
Three conspicuous orange to grey dolomite beds with dissolution textures define the basal section. The lower members of the basal section of the Wood Canyon Formation (Zwl) are listed below from oldest to youngest.
7.3.3 Cambrian
Zabriskie Quartzite (Cz)
The Zabriskie Quartzite is a massive, thickly bedded, commonly laminated and cross-bedded, cliff-forming orthoquartzite. Trace fossils, primarily Scolithus, are common in the lower beds of the unit (Monsen et al., 1992). The quartzite is conformable with the underlying Wood Canyon Formation. The Zabriskie Quartzite is juxtaposed against the Wood Canyon Formation along the southern portion of the Good Fortune fault. The unit is about 1,343 m (1,125 ft) thick.
Carrara Formation (Cc)
The Carrara Formation is a heterogeneous unit of quartzite and phyllite with prominent intervals of limestone and silty limestone. The unit conformably overlies the Zabriskie Quartzite and can be divided into three parts, lower, middle and upper, that have a combined thickness of 366 m (1,200 ft.) The formation is exposed to the east of the Good Hope fault zone.
Bonanza King Formation (Cbp)
The Bonanza King Formation consists of cliff-forming, thin to thick, dark grey and white alternating limestone and dolomite beds intercalated with minor, distinct, yellowish-orange silty and sandy intervals.
The upper 20 m (65 ft) of the sequence consists of silty and sandy dolomite and limestone. The uppermost portion grades downward into medium- to thickly bedded dolomite and limestone with silty and sandy beds. The basal part typically consists of white dolomite and limestone with yellowish-orange, silty layers. The basal contact is gradational and is defined as where white, silty limestone and dolomite grade into a dark grey limestone.
| Kappes, Cassiday & Associates | 7.0 Geological Setting and Mineralization |
| September 2024 | Page 7-9 |
![]() | Reward Feasibility Study Technical Report |
The unit is exposed to the east of the Good Hope fault zone and is juxtaposed against the Wood Canyon Formation along the central to north portion of the Good Fortune fault and the main area of gold mineralization. The average unit thickness is about 640 m (2,100 ft).
7.4 Structure
The oldest deformational features include minor folds within sedimentary units that developed during the Mesozoic compressional event (Monsen et al., 1992). The known major faults are shown on Figure 7-2. A series of north-trending faults cut and offset the folded units including the east-dipping Good Hope fault zone. The Good Hope fault zone has been mapped and logged from the southern property boundary to three miles north of the northern boundary. Several faults with similar trends are also observed in the footwall and hanging wall blocks. Figure 7-6 outlines the structures visible at section 3500 N.
7.4.1 Good Hope Fault Zone
Within the Project area, the east-dipping Good Hope fault zone ranges from 15 m (50 ft) to 192 m (630 ft) in width and has a 1,585 m (5,200 ft) strike extent. The fault zone has an overall northerly trend but between 5100 N to 3000 N rotates to a north-northwest trend. The fault zone juxtaposes Bonanza King Formation in the hanging wall block, Wood Canyon Formation in the central fault zone and Late Proterozoic units in the footwall.
The fault zone comprises the Good Fortune fault that is located on the eastern or hanging-wall side (Figure 7-3) and has a moderate dip, while the Good Hope fault defines the western (or footwall) extent and has a steep dip. The Good Hope fault controls the majority of the known alteration and gold mineralization.
Textures observed within the fault zone include breccias, quartz veins, elevated silicic alteration and localized clay-rich zones. Exposed quartz veins display a dominant northerly trend and secondary sigmodal veins display an east-northeast trend (Figure 7-7). Veins measurements from oriented drill core highlight two dominant vein sets with orientations that include a moderate dip to the southeast (45°→140°) and a steep dip to the northeast (70°→050°; Brown, 2018). The line of intersection for these two vein sets is moderate dip to the southeast (43°→120°).
The Good Hope fault zone is interpreted to have undergone right lateral, strike-slip/dip-slip movement based on regional observations, historical mapping combined with structural field observations and slickensides along fault planes. Previous work has estimated at least 1,676 m (5,500 ft) of vertical displacement (west side up) and 610 m (2,000 ft) of lateral movement (Turner, 1990).
| Kappes, Cassiday & Associates | 7.0 Geological Setting and Mineralization |
| September 2024 | Page 7-10 |
![]() | Reward Feasibility Study Technical Report |
Figure 7-6 3500N Geology Cross-Section.

Note: Figure prepared by Lycopodium, 2019
| Kappes, Cassiday & Associates | 7.0 Geological Setting and Mineralization |
| September 2024 | Page 7-11 |
![]() | Reward Feasibility Study Technical Report |
Figure 7-7 Photo Highlighting Vein Orientation in Outcrop.
Note: From Barcia, 2017.
| Kappes, Cassiday & Associates | 7.0 Geological Setting and Mineralization |
| September 2024 | Page 7-12 |
![]() | Reward Feasibility Study Technical Report |
7.5 Alteration
Four main alteration assemblages are observed across the Project: silicic, sericite, argillic, and propylitic, and these are spatially associated with the Good Hope fault zone.
Silicic alteration along the Good Hope fault laterally extends 15 m (50 ft) to 30 m (100 ft) toward the Good Fortune fault. Alteration within the central fault zone appears to have preferentially developed along moderately dipping bedding planes within the Wood Canyon Formation. Alteration intensity ranges from intense to weak and is typically associated with quartz ± adularia-calcite veins, goethite after pyrite, and local coarse adularia. Quartz veining varies in thicknesses from millimeters to meters.
Exposed quartz veins are commonly coated by manganese oxides and hematite. Massive white quartz veins are more abundant than banded veins. Prominent massive veins are exposed in the footwall block at the northern extent of the Good Hope Deposit. Colloform vein textures are observed at Ollie’s Follie target (Barcia, 2017).
The sericite assemblage is preferentially developed within mica-bearing units and is locally overprinted by silicic alteration.
Argillic alteration is locally restricted along portions of fault planes and characterized by the presence of kaolinite that was identified using quantitative evaluation of materials by scanning electron microscopy (QEMSCAN) analysis.
Propylitic alteration consists of calcite, chlorite, and ankerite. Calcite veinlets and stringers are observed throughout most units. Chlorite is preferentially developed in finer-grained units and biotite has been partially to pervasively replaced by chlorite.
7.6 Oxidation (Redox)
The redox zones within the Project area include an upper oxide and a lower transition zone. The upper oxide zone is characterized by hematite, goethite, pyrolusite and minor jarosite. Oxidation is strong within and adjacent to the Good Hope fault and decreases in intensity outward from the fault. The depth of the oxide zone ranges from 30 m (100 ft) to 152 m (500 ft) below surface (between 1,183 m (3,880 ft) to 1,027 m (3,370 ft) elevation ASL). Iron oxides comprise up to 5% of the rock mass.
The transition zone is located below the base of the oxide horizon and consists of both goethite and pyrite. In the transition zone, sulphides comprise <1% of the rock mass. The transition zone reaches the maximum depth of drilling on the Project at an elevation of 3,099 ft.
Drilling to date has not intersected a primary sulphide zone.
7.7 Mineralization
Mineralization that supports Mineral Resource estimation is hosted in the Good Hope Deposit and the Gold Ace mineralized zone. Anomalous gold values are associated with quartz veining and/or iron-oxide-bearing, silicic-altered rocks in both areas. Pyrite and iron oxides are the dominant
| Kappes, Cassiday & Associates | 7.0 Geological Setting and Mineralization |
| September 2024 | Page 7-13 |
![]() | Reward Feasibility Study Technical Report |
minerals associated with gold mineralization. Visible gold was identified on fractures in sericite-altered rocks, on quartz-adularia-coated fractures, and in hematite-filled cavities, pervasively silicic-altered rocks, goethite pseudomorphs, thin quartz veinlets, and goethite-rich fractures and cavities. Visible gold has been observed along the Gold Ace trend in surface samples and drill core, whilst it was observed only in drill core from Good Hope. Figure 7-8 shows the tenor of the gold anomalism encountered in drilling along the two mineralized trends.
7.7.1 Description of Mineralization: Good Hope Deposit
Gold mineralization at the Good Hope Deposit is primarily hosted in altered and veined Wood Canyon Formation, and to a lesser extent, in the Juhl and Sutton Members of the Stirling Formation. Gold mineralization is associated with:
| ● | Silicic and/or sericite-altered rocks. |
| ● | Zones of increased quartz vein density. |
| ● | Faults, breccias, and/or highly fractured zones with abundant iron oxides. |
| ● | Units with high concentrations of goethite pseudomorphs after pyrite. |
| ● | Quartz-adularia veinlets. |
Mineralization at the Good Hope Deposit varies in width from 15 m (50 ft) to 192 m (630 ft), has a strike length of 1,585 m (5,200 ft) and has been intersected to a vertical depth of 213 m (700 ft) below surface.
North of 5100 N, mineralization is spatially associated with the sub-vertical, north-trending Good Hope fault and is up to 149 m (190 ft) wide. Section 5600 N outlines mineralization north of 5100 N (Figure 7-9).
In the central portion of the deposit between 5100 N and 3000 N, mineralization is also associated with the Good Hope fault. Mineralization extends to the east with a shallow to moderate dip towards the hanging wall of the Good Fortune fault. Mineralization has been intersected along the Good Fortune fault and appears to be sub-parallel to the dip of the fault. In this central portion, mineralization is up to 192 m (630 ft) thick and coincides with a change in fault zone strike from north to north-northwest. Sections 4200 N (Figure 7-10), and Section 4800 N (Figure 7-11) outline mineralization in the central part of the deposit.
South of 3000 N, the gold mineralization continues to be spatially associated with the sub-vertical, north-trending Good Hope fault, and is up to 55 m (180 ft) thick (Figure 7-12). However, limited drilling has occurred south of this section and therefore mineralization controls are less well constrained.
| Kappes, Cassiday & Associates | 7.0 Geological Setting and Mineralization |
| September 2024 | Page 7-14 |
![]() | Reward Feasibility Study Technical Report |
Figure 7-8 Gold Mineralization at Reward Intersected by Drilling.

Note: The Good Hope Deposit is situated between the Good Hope and Good Fortune faults. The Gold Ace Zone is located near 3000 ft N and 65000 ft E. Figure prepared by Lycopodium, 2019.
| Kappes, Cassiday & Associates | 7.0 Geological Setting and Mineralization |
| September 2024 | Page 7-15 |
![]() | Reward Feasibility Study Technical Report |
7.7.2 Description of Mineralization: Gold Ace Mineralized Zone
Mineralization at Gold Ace is dominantly located along the contact between the Sutton and Morris Marble Members (Figure 7-12). At the mineralized contact, the Morris Marble Member is characterized by silicic alteration and hematite. Evidence for mineralization parallel to the contact between the Sutton and Morris Marble Members is provided by low-angle, east-dipping stopes from historical underground mining. The northwest-trending Gold Ace Zone consists of several discrete structures. The overall continuity of mineralization at Gold Ace is less well developed than at the Good Hope Deposit.
Mineralization at the Gold Ace varies in width from 1.5 m (5 ft) to 21 m (70 ft), has a strike length of 640 m (2,100 ft) and has been intersected to a vertical depth of 91 m (300 ft) below surface.
Figure 7-9 Mineralization along Section 5600 N Looking North.

Note: Mineralization along the Good Hope fault on the west side of the Good Hope fault zone. Figure prepared by Lycopodium, 2019.
| Kappes, Cassiday & Associates | 7.0 Geological Setting and Mineralization |
| September 2024 | Page 7-16 |
![]() | Reward Feasibility Study Technical Report |
Figure 7-10 Mineralization along Section 4200 N Looking North.

Note: Mineralization along the Good Hope fault extending to the Good Fortune fault within the Good Hope fault zone. Figure prepared by Lycopodium, 2019.
| Kappes, Cassiday & Associates | 7.0 Geological Setting and Mineralization |
| September 2024 | Page 7-17 |
![]() | Reward Feasibility Study Technical Report |
Figure 7-11 Mineralization along Section 4800 N, Looking North.

Note: Mineralization along the Good Hope fault extending to the Good Fortune fault within the Good Hope fault zone. Figure prepared by Lycopodium, 2019.
| Kappes, Cassiday & Associates | 7.0 Geological Setting and Mineralization |
| September 2024 | Page 7-18 |
![]() | Reward Feasibility Study Technical Report |
Figure 7-12 Mineralization along Section 2900 N Looking North.

Note - Mineralization is narrow along the Good Hope fault at the Gold Ace zone, mineralization is located along the contact of the Sutton and Morris Marble members to an unnamed fault. Figure prepared by Lycopodium, 2019.
7.7.3 Description of Mineralization: Exploration Update
At the Good Hope Deposit, gold mineralization remains open to the east towards and along the Good Fortune fault and south of 3000 N. The eastern area of the deposit, most notably along the Good Fortune fault, has had limited exploration drilling. To the south of Good Hope, wide-spaced exploration drilling along the 914 m (3,000 ft) extension of the fault zone has returned several intercepts with narrow (<9.1 m (30 ft)) or low-grade (<0.017 oz/t) gold mineralization. The projected intersection of the Good Hope fault zone and the Gold Ace trend is another area that has had limited exploration drilling.
| Kappes, Cassiday & Associates | 7.0 Geological Setting and Mineralization |
| September 2024 | Page 7-19 |
![]() | Reward Feasibility Study Technical Report |
8.0 DEPOSIT TYPES
The structural setting, alteration mineralogy and mineralization characteristics of the Good Hope Deposit and Gold Ace Zone are consistent with orogenic gold deposits as defined in Moritz (2000), Goldfarb et al., (2005), Groves et al. (1998; 2003), and Johnston et al. (2015).
Orogenic gold deposits occur in variably deformed metamorphic terranes formed during Middle Archean to younger Precambrian, and continuously throughout the Phanerozoic. The host geological environments are typically volcano–plutonic or clastic sedimentary terranes, but gold deposits can be hosted by any rock type. There is a consistent spatial and temporal association with granitoids of a variety of compositions. Host rocks are metamorphosed to greenschist facies, but locally can achieve amphibolite or granulite facies conditions.
Gold deposition occurs adjacent to first-order, deep-crustal fault zones with interpreted long-lived structural controls. These first-order faults, which can be hundreds of kilometers long and kilometers wide, show complex structural histories. Economic mineralization typically formed as vein fill of second- and third-order shears and faults, particularly at jogs or changes in strike along the crustal fault zones. Mineralization styles vary from stockworks and breccias in shallow, brittle regimes, through laminated crack-seal veins and sigmoidal vein arrays in brittle-ductile crustal regions, to replacement- and disseminated-type orebodies in deeper, ductile environments. The specific style of mineralization at the Good Hope and Gold Ace deposits can be classified as both structurally controlled and locally disseminated.
Orogenic gold deposits in Nevada are situated along the Argentoro belt (Luning-Fencemaker Fold-and Thrust Belt of Wyld et al., 2000, 2001; DeCelles, 2004), a 700-km long, north-south trending belt extending from south-eastern California to the Nevada-Oregon border. The belt formed between ~100 Ma and 70 Ma synchronous with low-grade metamorphism and brittle-ductile deformation. District-scale controls consist of high-angle, N-striking strike-slip faults, while deposit-scale controls consist of NW-, EW-, and NE-striking dip-slip fracture arrays.
Johnston et at. (2015) outline that Nevada orogenic gold deposits are defined by: 1) widespread low to moderate-grade metamorphism in Mesozoic rocks, 2) low-sulphide bearing, mesothermal “bull-quartz” veins emplaced in shear zones, 3) ubiquitous quartz-sericite-pyrite alteration of wall rocks, 4) dilute CO2-rich ore fluids, 5) coarse gold in veins, 6) elevated concentrations of Ag, Sb, As, and Hg, and 7) abundant placer gold deposits. Except for placer deposits, the Good Hope and Gold Ace deposits match the criteria listed above.
| Kappes, Cassiday & Associates | 8.0 Deposit Types |
| September 2024 | Page 8-1 |
![]() | Reward Feasibility Study Technical Report |
9.0 EXPLORATION
9.1 Introduction
Exploration on and around the Project area has primarily consisted of surface geological mapping, rock-chip sampling, and drilling.
Exploration conducted by parties other than CR Reward is discussed in Section 6.
9.2 CR Reward Exploration (2015-Present)
In 2016, seventeen rock chip samples were collected consisting of veins and fault zones from Gold Ace (five samples), Good Hope (nine samples) and Ollie’s Follie (three samples). Samples were submitted to ALS Global for fire assay gold (lab code Au-ICP22 and Au-GRA22) and multi-element geochemistry analyses (lab code ME-MS61). Gold values from Gold Ace ranged from 0.008 to 17.85 ppm, Good Hope ranged from below detection up to 2.10 ppm Au, and Ollie’s Follie ranged from 0.001 up to 4.90 ppm Au. Gold Ace returned elevated Ag (up to 33 ppm), Cu (up to 476 ppm), Hg (up to 5.7 ppm), Pb (up to 1,435 ppm), Sb (up to 185 ppm), and Zn (up to 3,490 ppm), whereas Good Hope and Ollie’s Follie returned weakly anomalous values.
Two geophysical IP/resistivity lines were completed by Zonge International, Inc. in August 2016. Data were acquired along two lines:
| ● | Line 1, oriented 045° northeast. |
| ● | Line 2, oriented 051° northeast. |
IP/resistivity data were acquired on both lines using a dipole-dipole array with a dipole length of 100 m (328 ft) for a total of 3.9 line-km (3.9 line-mi) of data coverage. Data were acquired in a non-reference, complex resistivity mode. Line locations are shown in Figure 9-1. The IP/survey shows the strongest anomaly along the Gold Ace trend, with a weaker response along the Good Hope trend. Along the Gold Ace trend, line 1 indicates lithology controls mineralization while Line 2 indicates structure controls mineralization (resistivity high). These results correlate well with the modelled location of the Gold Ace fault.
In 2017, an extensive, property-wide data compilation and validation program was completed. Subsequent east-west, hand-interpreted, paper cross-sections were created and used to generate a 3D geologic model highlighting major faults and formational contacts. The geologic model was used to support Mineral Resource estimation.
In 2018, a 28-hole core drilling program was completed and results included in an updated geological model. Cross-sectional interpretations were completed infill the 2017 cross-sections.
| Kappes, Cassiday & Associates | 9.0 Exploration |
| September 2024 | Page 9-1 |
![]() | Reward Feasibility Study Technical Report |
Figure 9-1 Plan View of the Project Area Showing the Locations of the IP/Resistivity Survey Lines (APEX, 2024).

| Kappes, Cassiday & Associates | 9.0 Exploration |
| September 2024 | Page 9-2 |
![]() | Reward Feasibility Study Technical Report |
10.0 DRILLING
The Project exploration drill hole database as of April 19th, 2018, contains 376 drill holes (totalling 43,687 m (143,330 ft)), seven road cuts (totalling 319 m (1,045 ft)) and three trenches (totalling 82 m (270 ft)). The road cuts and trenches were removed from the database for resource estimation purposes. No records for two drill holes (GA-33 and GA-35) of the 49 holes completed by Cloverleaf were located and therefore missing from the database. All drilling in the database is summarized in Table 10-1. No drilling has been completed at the Project since 2018.
Drill hole collar locations for the entire property are shown on Figure 10-1.
Table 10-1 Reward Drilling Summary.
Operating Company | Year | Core Holes | Reverse Circulation | Total | |||
| Number | Footage | Number | Footage | Number | Footage | ||
| Homestake | 1987 | 4 | 1,210 | 4 | 1,210 | ||
| Gexa | 1987 | 16 | 3,037 | 16 | 3,037 | ||
| Pathfinder | 1988 | 22 | 9,273 | 22 | 9,273 | ||
| Pathfinder | 1989 | 11 | 4,525 | 11 | 4,525 | ||
| Cloverleaf | 1990 | 47 | 8,625 | 47 | 8,625 | ||
| Pathfinder | 1991 | 17 | 8,300 | 17 | 8,300 | ||
| USNGS | 1992 | 7 | 2,119 | 7 | 2,119 | ||
| Barrick | 1995 | 3 | 773 | 83 | 35,295 | 86 | 36,068 |
| Barrick | 1996 | 5 | 2,960 | 5 | 2,960 | ||
| Glamis Gold | 1998 | 42 | 16,590 | 42 | 16,590 | ||
| Glamis Gold | 1999 | 19 | 10,295 | 19 | 10,295 | ||
| Glamis Gold | 2000 | 18 | 3,640 | 18 | 3,640 | ||
| Canyon | 2006 | 21 | 6,145 | 21 | 6,145 | ||
| Canyon | 2007 | 4 | 1,364 | 4 | 1,364 | ||
| Atna | 2011 | 15 | 8,880 | 15 | 8,880 | ||
| Atna | 2013 | 14 | 9,003 | 14 | 9,003 | ||
| CR Reward | 2017 | 14 | 4,989 | 14 | 4,989 | ||
| CR Reward | 2018 | 14 | 6,307 | 14 | 6,307 | ||
| Total | 35 | 13,433 | 341 | 129,897 | 376 | 143,330 | |
| Kappes, Cassiday & Associates | 10.0 Drilling |
| September 2024 | Page 10-1 |
![]() | Reward Feasibility Study Technical Report |
Figure 10-1 Reward Drill Hole Locations.

Figure prepared by Lycopodium, 2019
| Kappes, Cassiday & Associates | 10.0 Drilling |
| September 2024 | Page 10-2 |
![]() | Reward Feasibility Study Technical Report |
10.1 Drill Methods, Logging and Surveys
Summaries of drill campaigns by Gexa, Barrick, Glamis, Canyon, Atna and CR Reward are provided below. No drilling information exists for Homestake (4 holes), 1988-1989 Pathfinder (33 holes), Cloverleaf (47 holes) and USNGS (7 holes).
Reverse circulation drilling across all campaigns was conducted using both dry (from 1987 to 2006) and wet (from 2006 onwards) drilling techniques. All drilling was completed above the water table and no material down-hole contamination was noted in the RC drilling. RC drill holes were compared to neighbouring core holes and other RC holes using an Excel Spreadsheets. A visual assessment of the length and magnitude of gold grades indicated expected similarities for a structurally controlled, epithermal gold deposit. Statistical methods reviewed decay and cyclicity of grades for the RC holes and found no significant indication for contamination.
Limited down hole surveys exist for the pre-CR Reward holes. However, most mineralised intercepts from historical drill holes were within the first 500 ft and only minor down hole deviation is expected over these short depths combined with observed minimal deviation (<2°) from the CR Reward program.
10.1.1 Gexa (1987)
Gexa RC drilling was mostly carried out by Pollocks Drilling using an CP-650WS RC rig, hole diameters were 13.3 cm (5 ¼ inches) and logging captured drill recovery, lithology, colour, vein/silica alteration, oxide intensity, sulphide percentage. Drill hole inclinations were vertical or -60° towards the west (270°).
10.1.2 Pathfinder (1991)
Pathfinder RC drilling was carried out by Hawkworth Drilling using a Schramm truck mounted RC rig, hole diameters are unknown and logging captured drill recovery, lithology, vein/silica alteration, oxide intensity, fragment shape and sulphide percentage. Drill hole inclinations were -60° towards the west (270°).
10.1.3 Barrick (1995-1996) and Glamis (1998-2000)
Both Barrick and Glamis RC drilling were carried out by Eklund Drilling using an MPD-1500 RC rig, hole diameters were 13.0 cm (5 ⅛ inches) and logging captured lithology, vein abundance, oxide intensity, sulphide percentage. The three Barrick core holes were drilled with a DMW-65 core rig (operator unknown) and logging captured core recovery, lithology, vein abundance, oxide and sulphide intensity plus percentage. Core recovery for the three HQ (7.75 cm (3.05 inches) diameter) holes ranged from 85% to 96%. Majority of the holes from both companies were drilled towards the west (270°) at inclinations ranging from -40° to -75°. In 1995, Barrick surveyed collar coordinates in the local grid, as well as completed a review of all pre-Barrick holes and updated coordinates where necessary.
| Kappes, Cassiday & Associates | 10.0 Drilling |
| September 2024 | Page 10-3 |
![]() | Reward Feasibility Study Technical Report |
10.1.4 Canyon (2006-2007)
Canyon RC drilling was carried out by Boart-Longyear, hole diameters were 14.0 cm (5½ inches) and logging captured lithology, vein abundance, oxide intensity, sulphide percentage. The four core holes were drilled with a CS1000PL and Hagby 1000 rigs (operator was Hansen Drilling) and logging captured core recovery, lithology, vein abundance, oxide and sulphide intensity plus percentage. Core was photographed and average core recovery for the holes was >95%. Majority of the holes from both companies were drilled vertically or towards the west (270°) at inclinations ranging from -60° to -80°. Down-hole surveys for core holes were collected every 30 m (100 ft) using an Easy Shot tool. Collar coordinates were surveyed by a licensed surveyor from Triangle Surveying.
10.1.5 Atna (2011-2013)
Atna RC drilling was carried out by National Drilling using a Schramm T65WS rig, hole diameters were 14.0 cm (5 ½ inches) and logging captured lithology, vein abundance, oxide intensity, sulphide percentage. Majority of the holes from both companies were drilled vertically or towards the west (270°) at inclinations ranging from -65° to -75°. Collar coordinates were surveyed by a licensed surveyor from Great West Surveying using a differential GPS instrument.
10.2 CR Reward Core Drilling Program (2017-2018)
CR Reward’s drilling in 2017 and 2018 was designed for the main purposes of collecting metallurgical samples (5 holes), obtaining geotechnical data and samples (7 holes), increasing the number of core holes and specific gravity determinations on the project as well as resource delineation (16 holes).
The program was conducted under the supervision of CR Reward geologists and by Major Drilling as the drilling contractor. All drilling was conducted using an LF 90D Surface Core rig with HQ diameter core. A total of 27 holes were planned but 28 holes were drilled due to the abandonment of hole CRR17-002 at 148 ft due to ground conditions and was re-drilled as CRR17-002A. Drill hole collar co-ordinates are provided in Table 10-2 and shown on Figure 10-1.
The CR Reward geologists completed the following activities:
| ● | Geotechnical data was collected by CR Reward geologists included rock quality designation (RQD), core recovery, rock hardness, and fracture density. |
| ● | A detailed geological log was completed on the whole core by CR Reward geologists that included lithologic data, mineralization, hydrothermal alteration and structural features with respect to the core axis. |
| ● | The whole core was digitally photographed and high-resolution digital jpeg images were archived for future reference. |
| Kappes, Cassiday & Associates | 10.0 Drilling |
| September 2024 | Page 10-4 |
![]() | Reward Feasibility Study Technical Report |
Down-hole surveys were completed at regular intervals, usually 7.6 m (25 ft), using an Ezi-Shot system that records the magnetic heading, dip of the hole and magnetic field in the hole. A total of 398 measurements were collected for the 28 holes drilled.
Core recovery during the core drilling was very good, exceeding 95% on average, with losses mainly in highly shattered zones.
| Kappes, Cassiday & Associates | 10.0 Drilling |
| September 2024 | Page 10-5 |
![]() | Reward Feasibility Study Technical Report |
Table 10-2 CR Reward Drill Hole Collars (2017-2018).
| Hole ID | Easting (ft) | Northing (ft) | Elevation (ft) | Azimuth (º) | Dip (º) | Drilled Length (ft) |
| CRR17-001 | 66538.0 | 3424.6 | 3844.4 | 325 | -78 | 385 |
| CRR17-002 | 66175.4 | 4329.6 | 3990.8 | 300 | -60 | 148 |
| CRR17-002A | 66171.8 | 4331.5 | 3990.7 | 300 | -60 | 274 |
| CRR17-003 | 65779.0 | 5131.8 | 4180.4 | 310 | -57 | 375 |
| CRR17-004 | 64907.6 | 3467.2 | 3792.1 | 225 | -80 | 90 |
| CRR17-005 | 64429.3 | 3972.0 | 3920.4 | 225 | -60 | 175 |
| CRR17-006 | 64616.7 | 3804.4 | 3884.6 | 225 | -60 | 175 |
| CRR17-007 | 65755.2 | 5414.2 | 4288.0 | 74 | -70 | 380 |
| CRR17-008 | 64950.3 | 3345.5 | 3770.1 | 225 | -75 | 125 |
| CRR17-009 | 66819.8 | 4022.9 | 3953.9 | 275 | -75 | 523 |
| CRR17-010 | 66169.4 | 4186.8 | 3946.3 | 240 | -70 | 420 |
| CRR17-011 | 66592.0 | 4291.3 | 4008.4 | 16 | -70 | 663 |
| CRR17-012 | 66845.4 | 3847.7 | 3908.8 | 289 | -75 | 820 |
| CRR17-013 | 65699.2 | 4291.3 | 4191.9 | 275 | -60 | 436 |
| CRR18-014 | 66647.7 | 3847.7 | 3831.6 | 290 | -78 | 730 |
| CRR18-015 | 66099.0 | 5104.8 | 4207.5 | 55 | -75 | 643 |
| CRR18-016 | 66733.1 | 3180.3 | 3858.3 | 280 | -66 | 525 |
| CRR18-017 | 66897.5 | 4930.6 | 3984.5 | 30 | -60 | 400 |
| CRR18-018 | 64987.6 | 3338.1 | 3758.6 | 225 | -48 | 100 |
| CRR18-019 | 66790.2 | 4122.9 | 3879.8 | 104 | -80 | 564 |
| CRR18-020 | 65093.8 | 3288.3 | 3736.0 | 225 | -75 | 150 |
| CRR18-021 | 65328.5 | 3464.8 | 3695.9 | 270 | -75 | 350 |
| CRR18-022 | 66814.7 | 3140.7 | 3892.6 | 270 | -60 | 650 |
| CRR18-023 | 66178.2 | 4799.5 | 4165.7 | 270 | -80 | 575 |
| CRR18-024 | 66181.1 | 4619.5 | 4088.1 | 284 | -57 | 520 |
| CRR18-025 | 65270.8 | 2899.3 | 3700.3 | 270 | -72 | 375 |
| CRR18-026 | 66354.7 | 4217.5 | 3961.8 | 285 | -60 | 350 |
| CRR18-027 | 65386.9 | 2725.5 | 3694.3 | 270 | -70 | 375 |
| Kappes, Cassiday & Associates | 10.0 Drilling |
| September 2024 | Page 10-6 |
![]() | Reward Feasibility Study Technical Report |
The relationship between intercept thickness and true thickness varies by hole dip and style of mineralization intercepted. Intercepts thicknesses typically represent 60% to 90% of the true mineralized thickness. The northern area of Good Hope (5200 N) has near vertical swath of mineralization approximately 18 m (60 feet) wide and 183 m (600 feet) tall. The central portion of Good Hope (4800 N) is 76 m (250 feet) thick and 131 m (430 feet) wide.
Data was compiled in Maxwell Geo Services’ Data Shed database software and exported as text files for import into a Vulcan database for resource estimation purposes. Program results are summarized in Table 10-3.
Table 10-3 Results of CR Reward Drill Holes (2017-2018).
|
Hole ID | From (ft) | To (ft) | Drilled Length (ft) | Au (oz/t) |
| CRR17-001 | 255 | 263 | 8 | 0.040 |
| CRR17-001 | 273 | 288 | 15 | 0.111 |
| CRR17-001 | 338 | 355 | 17 | 0.043 |
| CRR17-002 | 55.5 | 72.8 | 17.3 | 0.155 |
| CRR17-002 | 80 | 106.1 | 26.1 | 0.049 |
| CRR17-002 | 135.5 | 148 | 12.5 | 0.053 |
| CRR17-002A | 53 | 103 | 50 | 0.071 |
| CRR17-002A | 131 | 140 | 9 | 0.055 |
| CRR17-002A | 176 | 237 | 61 | 0.033 |
| CRR17-003 | 144 | 185.5 | 41.5 | 0.031 |
| CRR17-004 | No significant assays | |||
| CRR17-005 | No significant assays | |||
| CRR17-006 | No significant assays | |||
| CRR17-007 | No significant assays | |||
| CRR17-008 | 53 | 63 | 10 | 0.075 |
| CRR17-009 | 338 | 440 | 102 | 0.050 |
| CRR17-009 | 455 | 467 | 12 | 0.028 |
| CRR17-010 | 3 | 15 | 12 | 0.019 |
| CRR17-010 | 40 | 60 | 20 | 0.071 |
| CRR17-010 | 69 | 93 | 24 | 0.015 |
| CRR17-011 | 297 | 315 | 18 | 0.034 |
| CRR17-011 | 328 | 376 | 48 | 0.046 |
| CRR17-011 | 537 | 546 | 9 | 0.027 |
| CRR17-012 | 350 | 418 | 68 | 0.048 |
| CRR17-012 | 464 | 474.5 | 10.5 | 0.023 |
| CRR17-013 | No significant assays | |||
| Kappes, Cassiday & Associates | 10.0 Drilling |
| September 2024 | Page 10-7 |
![]() | Reward Feasibility Study Technical Report |
|
Hole ID | From (ft) | To (ft) | Drilled Length (ft) | Au (oz/t) |
| CRR18-014 | 255 | 264 | 9 | 0.035 |
| CRR18-014 | 314 | 358 | 44 | 0.034 |
| CRR18-014 | 379 | 433 | 54 | 0.034 |
| CRR18-015 | 16 | 45 | 29 | 0.044 |
| CRR18-015 | 84 | 98 | 14 | 0.030 |
| CRR18-015 | 106 | 121.5 | 15.5 | 0.020 |
| CRR18-016 | 301 | 346.5 | 45.5 | 0.022 |
| CRR18-016 | 441 | 452 | 11 | 0.028 |
| CRR18-017 | No significant assays | |||
| CRR18-018 | 46.1 | 59 | 12.9 | 0.106 |
| CRR18-019 | No significant assays | |||
| CRR18-020 | No significant assays | |||
| CRR18-021 | 180 | 210 | 30 | 0.099 |
| Includes | 185 | 190 | 5 | 0.468 |
| CRR18-022 | 352 | 368.5 | 16.5 | 0.037 |
| CRR18-022 | 434 | 453 | 19 | 0.032 |
| CRR18-022 | 526 | 537 | 11 | 0.038 |
| CRR18-022 | 547 | 567 | 20 | 0.019 |
| CRR18-023 | 70 | 89 | 19 | 0.030 |
| CRR18-023 | 108 | 131 | 23 | 0.023 |
| CRR18-024 | 67.5 | 250 | 182.5 | 0.042 |
| CRR18-024 | 312 | 327 | 15 | 0.072 |
| CRR18-024 | 421 | 485 | 64 | 0.023 |
| CRR18-025 | No significant assays | |||
| CRR18-026 | 64 | 117.6 | 53.6 | 0.029 |
| CRR18-026 | 173.1 | 184.5 | 11.4 | 0.025 |
| CRR18-026 | 225.2 | 305.4 | 80.2 | 0.044 |
| CRR18-027 | 100 | 113 | 13 | 0.135 |
| CRR18-027 | 132 | 150 | 18 | 0.067 |
| CRR18-027 | 244 | 264 | 20 | 0.052 |
| CRR18-027 | 274 | 284 | 10 | 0.017 |
10.3 Twin Holes
Core twin holes of RC holes were drilled by Barrick to collect metallurgical samples. The mineralised interval thickness between the original and twin hole are considered excellent (Table 10-4) and correlation of Au grades are considered good for the style of deposit. The re-drill of core
| Kappes, Cassiday & Associates | 10.0 Drilling |
| September 2024 | Page 10-8 |
![]() | Reward Feasibility Study Technical Report |
hole CRR17-002 with core hole CRR17-002A also shows an excellent correlation for grade and interval thickness.
Assessment of the core and RC twin holes was conducted with Excel spreadsheets where the grade versus depth was plotted for the core hole and the RC twin on the same plot. Differences, based on thickness of the mineralized zone and magnitude of the grade, were displayed allowing for visual detection of variances in the grades. As the distance between sample pairs increased, variances in the grades were give less consideration.
Table 10-4 Results of Reward Twin Holes.
| Original | From (ft) | To (ft) | Interval (ft) | Au (oz/t) | Twin Hole ID | From (ft) | To (ft) | Interval (ft) | Au (oz/t) |
| R95-127 | 80.0 | 195.0 | 115.0 | 0.046 | R95-206C | 80.0 | 190.0 | 110.0 | 0.067 |
| R95-130 | 55.0 | 175.0 | 120.0 | 0.049 | RC95-207C | 55.0 | 175.0 | 120.0 | 0.068 |
| R95-130 | 215.0 | 260.0 | 45.0 | 0.013 | RC95-207C | 205.0 | 272.2 | 67.2 | 0.007 |
| R95-167 | 5.0 | 245.0 | 240.0 | 0.049 | RC95-208C | 9.0 | 249.2 | 240.2 | 0.054 |
| CRR17-002 | 7.4 | 148.0 | 140.6 | 0.032 | CRR17-002A | 7.0 | 144.0 | 137.0 | 0.031 |
10.4 Comments on Drilling
In the opinion of the QP, the quantity and quality of the lithological, alteration, mineralisation, collar and down hole survey data collected across all campaigns are sufficient to support the results of this Technical Report. In particular:
| ● | RC drilling was completed above the water table and no evidence of down-hole contamination has been identified. |
| ● | RC and core logging meets industry standards for this type of deposit. |
| ● | Collar surveys have been performed using industry-standard instrumentation. |
| ● | Down hole surveys were performed using industry-standard instrumentation and minimal down hole deviations are observed. |
| ● | Recovery data from core drill programs are acceptable. |
In summary, there are no drilling, sampling or recovery factors that could materially impact the accuracy and reliability of the results disclosed herein.
| Kappes, Cassiday & Associates | 10.0 Drilling |
| September 2024 | Page 10-9 |
![]() | Reward Feasibility Study Technical Report |
11.0 SAMPLE PREPARATION, ANALYSES AND SECURITY
11.1 Pre-CR Reward Drill Sampling, Analysis and Security
All RC drill campaigns sampled cuttings on 1.5 m (5 ft intervals). For the core holes, Barrick sampled half core on 1.5 m (5 ft) intervals, Canyon sampled half core on 3 m (10 ft) intervals and CR Reward sampled half core predominantly on 1.5 m (5 ft) intervals or shorter based on geological breaks.
No sampling and analytical information is available for the campaigns completed by Homestake, Pathfinder, Cloverleaf or USNGS.
11.1.1 Gexa (1987)
Gexa submitted Au and Ag samples to an internal lab for analysis that included a cyanide digest with atomic absorption (AA) finish. Fire assay (FA) Au samples were submitted to Bondar-Clegg and Company Ltd for analysis. No information is available for how the samples were prepared, size of the analytical samples or QAQC protocols.
11.1.2 Barrick (1995-1996)
Barrick samples from 1995 were prepared and analyzed by Chemex Labs, Inc., Nevada. Sample preparation included 4-7 kg (8.8-15 lb) of material was crushed (Chemex code 294), followed by 200-250 g (7.1-8.8 oz) subsample was split and pulverized in a ring mill to approximately 150 mesh (Chemex code 205). Gold analytical methods included 30 g FA digest with atomic absorption finish (AA; Chemex code 99), 1 assay ton (29 g) FA with gravimetric finish for all results >0.3 oz/t Au and most results >0.18 oz/t Au (Chemex code 997). Barrick ran 30 g (1.1 oz) cold cyanide leach with AA finish (Chemex code 830) for select samples from five holes. Silver was analysed using an aqua-regia digest with AA finish (Chemex code 6). Chemex reported internal standard, duplicate and blank results but no information is available for Barrick’s internal QAQC protocols.
Barrick samples in 1996 were analyzed by Barringer Laboratories Inc., Colorado. No information is available for how the samples were prepared. Analytical methods included Au reported from a FA digest with AA and Ag reported from an aqua-regia digest with AA finish.
11.1.3 Glamis (1998-2000)
Glamis submitted samples for fire assay Au and aqua-regia Ag analyses to Rocky Mountain Geochemical of Nevada (RMGN), and for cyanide Au analysis to Marigold Mine (MMC). No information is available for how the samples were prepared, size of the analytical samples or QAQC protocols.
| Kappes, Cassiday & Associates | 11.0 Sample Preparation, Analyses and Security |
| September 2024 | Page 11-1 |
![]() | Reward Feasibility Study Technical Report |
11.1.4 Canyon (2006-2007)
Canyon reverse circulation sampling procedure included two samples collected (one for laboratory analysis and the second retained as a duplicate) over every 1.5 m (5 ft) interval using a wet rotary splitter. Samples were collected using two 19 L (five-gallon) plastic buckets. Drill core was saw cut down the long axis of the core, sampling collected at regular 1.5 m (5 ft) intervals in a labelled sample bag. The remaining half of the core was retained for reference. All RC and core samples were stored in a locked steel transport container on site until transportation to the assay laboratory.
Sample preparation and analyses for all RC and drill core samples were submitted to the ALS Global (ALS) in Reno Nevada. ALS is an independent, accredited laboratory with ISO 9001:2000 certification. Upon receipt at the laboratory samples were dried, crushed to P70 <2 mm (0.08 inch) and 200 g (7.1 oz) sample was riffle split then pulverized to P85 <75 μm. Gold analysis was completed on a 30 g (1.1 oz) split using a FA digest with an atomic absorption spectroscopy (AA) finish (ALS code Au-AA23). Select intervals for metallurgical purposes from core holes MC-1, MC-3 and MC-5 were also analyzed for Au using ore grade 30 g (1.1 oz) FA with AA finish (ALS code Au-AA25) for an original and duplicate sample, a 30g (1.1 oz) cyanide leach with AA finish for Au, and a 0.4 g (.01 oz) four acid with ICP-AES or AA finish for Ag. Received sample weights were also reported on the certificate of analysis.
Canyon QAQC protocols included one certified standard inserted approximately every tenth sample. Two Rock Labs certified standards during the campaign included SK21 (0.118 oz/t Au) and SG14 (0.029 oz/t Au), and blank material used was silica sand. A total of 37 certified standards were inserted along with 1,224 RC samples and 183 core samples during the 2006 and 2007 drilling campaigns. It is unknown if any blanks or duplicates were inserted as part of the QAQC. Results from the Canyon campaigns included:
| ● | Majority of the standards returned low relative standard deviations of less than 6% and a low bias range of -2.7% to 0.0%. Five of the 21 SK21 standards were below the minus three standard deviations and therefore potentially represent a low bias for those intervals. All 11 results from standard SG14 were within three standard deviations. |
11.1.5 Atna (2011-2013)
Atna’s reverse circulation sampling procedure included one sample collected over every 1.5 m (5 ft) interval using a wet rotary splitter and a field duplicate sample was collected every 20th sample (or 30 m (100 ft) intervals) from a secondary rotary splitter. Samples were collected using pre-numbered cloth sample bags (labelled without reference to the drill hole interval). Standard reference material and blanks were inserted in the sample sequence by Atna prior to laboratory despatch.
| Kappes, Cassiday & Associates | 11.0 Sample Preparation, Analyses and Security |
| September 2024 | Page 11-2 |
![]() | Reward Feasibility Study Technical Report |
The sample preparation and analytical analyses for all RC chip samples from the 2011 program were completed at Inspectorate in Sparks, Nevada. Inspectorate is an independent, accredited laboratory with ISO 9001:2000 certification. Samples submitted were dried and crushed to P80 <1.7 mm then split and pulverized to P85 <75 μm. Gold analysis was completed on a 1-assay ton (29 g (1 oz)) split with a FA digest and AA finish. If samples assayed >0.3 oz/t Au. (Inspectorate code Au-1AT-AA). Inspectorate completed a second 1-assay ton analysis with a fire assay digest and gravimetric finish (Inspectorate code Au-1AT-GV).
For the 2013 program, Atna submitted samples to American Assay Laboratories (AAL) in Sparks, Nevada. AAL is an independent, accredited laboratory with ISO 17025:2005 accreditation. Samples submitted were dried and crushed to P70 <2mm (0.08 inch) then split and pulverized to P85 <75μm. Gold analysis was completed on a 1-assay ton (29g (1 oz)) split with a fire assay digest and AA finish. If samples assayed >0.3 oz/t Au. (AAL code Au-FA30). Inspectorate completed a second 1-assay ton analysis with a FA digest and gravimetric finish (AAL code Au-GRAV). Received sample weights were also reported on the certificate of analysis.
Atna’s QAQC protocols for both campaigns included a certified standard and blank that were inserted alternatingly every approximate tenth sample. Thirteen Rock Labs standards (OxA71, OxA89, OxC102, OxE86, OxF65, OxF100, OxG99, OxH66, OxJ68, SF45, SI54, SJ53) were used with recommended values ranging from 0.0025 oz/t Au to 0.0769 oz/t Au. Blank material used was red basaltic cinder.
Atna submitted a total of 198 standards, 216 blanks and 165 field duplicate samples along with a total of 3,570 RC samples during the 2011 and 2013 drilling campaigns. QAQC results from the Atna campaigns included:
| ● | Five hundred and seventy-nine (579) QAQC samples were inserted, representing one QA/QC samples for every 7.2 core samples, or 14.0% of the total samples submitted. |
| ● | A 99% pass rate for the blank material, with only two of the 101 blanks from the 2011 program above the threshold. |
| ● | Majority of the standards returned low relative standard deviations of less than 5% and a low bias range of -3.7% to 0.3%. A total of 13 of the 198 standards were outside of three standard deviations with the nine of the failures associated with recommended standard values of <0.006 oz/t Au. |
| ● | Sixty-two of the 165 field duplicate samples yielded mean values >0.003 oz/t and the overall variability was low (<30% coefficient of variation). |
11.2 CR Reward Sampling, Analysis and Security (2017-2018)
CR Reward drilling and sampling was carried out under the supervision of CR Reward geologists. The chain custody involved from the field to the sample preparation facility was continually monitored. Drill core was collected from the drill rig by CR Reward personnel and transported to a secure logging facility in Beatty, Nevada for the first half of the drill program. For the second half of the program the drill core was shipped to the ALS laboratory facility in Reno for logging.
| Kappes, Cassiday & Associates | 11.0 Sample Preparation, Analyses and Security |
| September 2024 | Page 11-3 |
![]() | Reward Feasibility Study Technical Report |
Subsequent to completion of core logging and photography, the sampling protocol involved:
| ● | The core and core box were marked for by CR Reward personnel for sample collection and sample tags were stapled to the core box at the beginning of the interval. The dominant sample interval length was 5ft with lengths adjusted based on lithological and alteration changes. The maximum sample length of 4.6 m (15 ft) and minimum of 0.2 m (0.7 ft). |
| ● | Whole HQ-size core was cut in half (rock sawed) by ALS staff at their Reno facility. Sawed core sample intervals were recorded on daily cut core sheets for review each day. |
| ● | Samples for geochemical analysis were collected by laboratory personnel and placed into bags. The samples comprised one half of the HQ-size core, with the remaining core for each retained in their original core boxes. Core split by ALS staff were retained in core boxes stored in secured ALS warehouses. |
Standard reference material blanks and field duplicates were inserted into the sample sequence at the rate of approximately one in every 10 samples.
11.2.1 Diamond Drill Core Sample Preparation and Analysis
The 2017–2018 drill program totalled 3,443 m (11,296 ft), which included 28 core-holes, 2,330 samples, and 22 unsampled intervals due to poor or no core recovery. A total of 2,760 samples, inclusive of QA/QC samples, were submitted to ALS and Florin Analytical (FLOR) for preparation and analyses. All geochemical analyses were completed by ALS, with the exception of CRR17-004 that was analysed at FLOR. ALS is an independent, accredited laboratory with ISO 9001:2000 certification. ALS and FLOR are independent of CR Reward, Waterton, Augusta and the responsible QP. Figure 11-1 is a flowsheet summarizing the sample preparation and analysis protocols used for the 2017–2018 drill program.
CR Reward personnel arranged shipping to the ALS facility in Reno, Nevada, for sample preparation and geochemical analysis. Samples were logged into a computer-based tracking system, weighed and dried. Samples were removed for bulk density measurements conducted using paraffin wax coated samples and a water displacement method (ALS code OA-GRA09a). Bulk density determinations were carried out at ALS’ Vancouver laboratory and these samples were not re-inserted for assaying. The entire assay sample was crushed so that +70% passes a 2 mm screen, then a 250 g (8.8 oz) split was selected and pulverized to better than P85 <75 µm (ALS code PREP-31Y). Two 30 g (1.1 oz) aliquots were extracted from the pulp and one 30 g (1.1 oz) sample was analysed for gold using a fire assay fusion, digestion and with atomic absorption spectroscopy followed up with an inductively-coupled plasma atomic emission spectroscopy (ICP-AES) finish (ALS code Au-AA23). The second 30 g (1.1 oz) sample was analysed using a cyanide leach digest followed by a AA finish (ALS code Au-AA13). Any fire assay samples that returned >0.292 oz/t Au were re-assayed using a second fire assay fusion
| Kappes, Cassiday & Associates | 11.0 Sample Preparation, Analyses and Security |
| September 2024 | Page 11-4 |
![]() | Reward Feasibility Study Technical Report |
with a gravimetric finish (ALS code Au-GRAV21). A 0.25 g (0.0089 oz) aliquot was split off for multi-element analysis using four acid digestion (ALS code ME-MS61m) with an inductively coupled plasma mass spectrometry (ICP-MS) finish. All assay analyses were completed at the ALS’ Reno laboratory.
In the case of FLOR, CR Reward arranged sample shipping to the FLOR laboratory in Reno, Nevada for sample preparation and geochemical analysis. Core submitted to FLOR were intended for metallurgical testwork. Upon arrival at the laboratory, the core was laid out and the marked sample intervals were removed for physical testing (comminution testwork) and bulk density testwork. The remaining intervals (1.5 m (5 ft) intervals or as marked by CR Reward personnel) were bagged, weighed and stage crushed to minus 25 mm (0.98 inch). From each interval a 1,000 g (35.3 oz) portion was riffle split out, weighed and dried to a constant weight at 106°C. The dried material was then crushed to -1.7 mm (0.067 inch) and a 500 g (17.6 oz) portion was split out and ring and puck pulverized to -0.15 mm (0.0059 inch). The 500 g (17.6 oz) portions were used for interval assays. Several sample intervals weighed <5 kg; for these samples only a 500 g (17.6 oz) portion was split out from the 25 mm (0.98 inch) crushed material. The 500 g (17.6 oz) portion was dried and crushed to -1.7 mm (0.067 inch) and then ring and puck pulverized to -0.15 mm (0.0059 inch). A 50 g aliquot was extracted from the pulp and was analyzed for gold using a FA fusion, digestion and with AAS finish (FLOR code 4018). Silver was analyzed using four-acid digestion with an AAS finish (FLOR code 7048). Additionally, select samples were assayed for gold, silver and copper by gold cyanidation with a 24-hour cyanide shake and AAS finish (FLOR code 6007).
| Kappes, Cassiday & Associates | 11.0 Sample Preparation, Analyses and Security |
| September 2024 | Page 11-5 |
![]() | Reward Feasibility Study Technical Report |
Figure 11-1 CR Reward Sample Flow Chart.

Source: Fowlow (2018a,b)
The sample collection, security, transportation, preparation, insertion of geochemical standards and blanks and analytical procedures are within industry norms and best practices. The procedures used by CR Reward personnel are considered adequate to ensure that the results
| Kappes, Cassiday & Associates | 11.0 Sample Preparation, Analyses and Security |
| September 2024 | Page 11-6 |
![]() | Reward Feasibility Study Technical Report |
disclosed are accurate within scientific limitations and are not misleading. The procedures and assay control protocols employed by CR Reward in the 2017 and 2018 drill program are considered reasonable and acceptable for use in Mineral Resource Estimation.
11.3 CR Reward QAQC Results (2017-2018)
Of the 2,760 samples submitted for analysis, 430 were QA/QC samples inserted by CR Reward personnel, representing one QA/QC samples for every 6.4 core samples, or 15.6% of the total samples submitted. The QC samples consisted of a total of 111 CDN standards, 92 blanks, 68 core duplicates, 79 crush duplicates and 80 pulp duplicates. APEX and the responsible QP consider this adequate to ensure that each batch of assays included at least CR Reward-inserted blank and standard sample.
11.3.1 Blanks
A total of 92 blank samples were inserted in the sample stream by CR Reward personnel during the 2017–2018 drill program (Figure 11-2). Garden marble was sourced from local hardware stores for blank material. A total of 14 of the samples returned values above the detection limit for gold (Table 11-1); however, only one sample assayed greater than 0.0004 oz/t Au (maximum value of 0.0005 oz/t Au). The results for the blanks are considered acceptable based on a 1% fail rate.
Figure 11-2 Blank Results from 2017-2018 Drilling Sorted by Date Analyzed (APEX, 2024).

| Kappes, Cassiday & Associates | 11.0 Sample Preparation, Analyses and Security |
| September 2024 | Page 11-7 |
![]() | Reward Feasibility Study Technical Report |
Table 11-1 Summary Results of Blank Material from the 2017-2018 Drill Program.
|
Blanks | ALS Global | Total |
| Count | 92 | 92 |
| Count >0.0004 oz/t | 1 | 1 |
| Percent Fail | 1.1% | 1.1% |
11.3.2 Standard Reference Materials
A total of 111 standard reference materials (SRMs) were inserted in the sample stream by CR Reward during the 2017–2018 drill program. Two standard types were sourced from CDN Resource Laboratories Ltd and had recommended values of 0.018 oz/t Au (CDN-GS-P6B) and 0.068 oz/t Au (CDN-GS-2L).
The inserted CDN-GS-P6B standard (0.018 oz/t Au) reported 14 out of 57 analyzes outside of two standard deviation, and 7 samples outside of three-standard deviation (Figure 11-2). Most of the CDN-GS-P6B SRM failures are considered marginal failures, that is, just outside the two-standard deviations boundaries and within three-standard deviations. The failures have likely resulted from a poorly homogenized standard and/or perhaps due to minor laboratory preparation or analytical errors. Results outside of three standard deviations was accepted if the standard was within a low-grade (<0.003 oz/t Au) interval. The relative standard deviation of the samples was low at 6.8% and the bias was extremely low at 0.3% (Table 11-2).
The results for the CDN-GS-2L standard returned only two of 56 samples outside of the two-standard deviation (Figure 11-4). Both failures were within the three-standard deviation threshold and are considered marginal failures. The relative standard deviation of the samples was low at 4.0% and the bias was low at 2.1% (Table 11-2).
In general, the standard reference material results are considered acceptable based on high precision (or low relative standard deviation) and low bias.
Table 11-2 Summary Results of Standards from the 2017-2018 Drill Program.
|
SRM | SRM Value (oz/t Au) | SRM 1 SD (oz/t Au) | Count | RSD% | Bias | Within 2SD | Within 3SD |
| CDN-GS-P6B | 0.018 | 0.0007 | 57 | 6.8% | 0.3% | 75% | 88% |
| CDN-GS-2L | 0.068 | 0.0035 | 54 | 4.0% | 2.1% | 98% | 100% |
| Kappes, Cassiday & Associates | 11.0 Sample Preparation, Analyses and Security |
| September 2024 | Page 11-8 |
![]() | Reward Feasibility Study Technical Report |
Figure 11-3 CDN-GS-P6B Results from 2017-2018 Program Sorted by Date Analyzed (APEX, 2024).

Figure 11-4 CDN-GS-2L Results from 2017-2018 Program Sorted by Date Analyzed (APEX, 2024).

| Kappes, Cassiday & Associates | 11.0 Sample Preparation, Analyses and Security |
| September 2024 | Page 11-9 |
![]() | Reward Feasibility Study Technical Report |
11.3.3 Duplicates
A total of 68 core field duplicates, 79 crush duplicates and 80 pulp duplicates were inserted in the sample stream by CR Reward personnel during the 2017–2018 drill program and analyzed by ALS (Figure 11.5). The core duplicates were assayed using FA with a 1 AT aliquot with an AA finish and a 1 AT aliquot cyanide leach with an AA finish. Nineteen of the field duplicates (or 28%) yielded values greater than 30% half relative difference versus the mean in samples (or 22%), whereas 12 crush duplicates (or 15%) and 11 pulp duplicates (or 11%) generated values greater than 30% half relative difference versus the mean. A similar reduction in variability from field to crush to pulp and lab duplicates was calculated with the coefficient of variation. Minor differences are observed in the results from the cyanide leach analysis near the lower detection limit, however, this is not uncharacteristic. Overall, the results from all duplicates are considered acceptable based on low variability (<30% coefficient of variation) and progressively lower variability from field to crush to pulp to lab pulp duplicate.
Figure 11-5 Duplicate Results from the 2017-2018 Program (APEX, 2024).

11.4 Comments on Sample Preparation, Analyses, and Security
In the opinion of the QP, the quantity and quality of the sample procedures and analytical results follow acceptable industry standards. The data are acceptable to support Mineral Resource and Mineral Reserve estimation.
| Kappes, Cassiday & Associates | 11.0 Sample Preparation, Analyses and Security |
| September 2024 | Page 11-10 |
![]() | Reward Feasibility Study Technical Report |
12.0 DATA VERIFICATION
The drill hole database was exported and provided to APEX from CR Reward and Augusta and consisted of 386 collar entries. Upon review by APEX personnel, it was determined that there are 376 drill hole collars and 10 road cut or trench locations/entries. The 10-road cut and trench entries were removed from the database for resource estimation purposes. APEX thoroughly reviewed the drill hole database and the validation conducted by CR Reward in 2015 to 2017.
The drill hole database used by APEX personnel for resource estimation, including the 2017–2018 drill holes, consists of 143,330 ft in 376 drill holes. The database includes 129,897 ft in 341 pre-CR Reward reverse circulation (RC) holes, 2,137 ft in seven pre-CR Reward core holes and 11,296 ft in 28 core holes completed during late 2017 to early 2018 by CR Reward. The pre-CR Reward drill holes were completed between 1987 and 2013, with 276 holes completed between 1987 and 1999, and 72 holes between 2000 and 2013. The 2017–2018 core holes combined with the pre-CR Reward core holes represent about 9.4% of the total drilling. The QP considers the proportion of core holes to RC holes to be acceptable for the purposes of this Technical Report.
The assay database consists of 26,092 sample intervals, with 23,762 intervals for the historic drill holes and 2,330 intervals for the 2017–2018 core holes. The sample database contains 336 entries of -9 and 80 blank entries, (less than 1.6% of the database). Most of these entries are attributed to non-sampled intervals, especially the greater than 5 ft intervals (70 samples) and collar/overburden top of hole intervals. The remaining dominantly 5 ft intervals without samples are attributed to poor recovery or lost samples.
12.1 Verification Program
The 2017 verification program completed by CR Reward (2017), and reviewed by the QP, included the following:
| ● | Verifying collar data versus geologic logs or certificates from surveyors. |
| ● | Verifying collar elevations versus recent or available topography. |
| ● | Verifying down-hole survey data versus geologic logs and certificates. |
| ● | Verifying assay values versus laboratory certificates or geologic logs where certificates were not available. |
All collar, survey and assay data for the 28 holes drilled by CR Reward in 2017 and 2018 were verified by APEX personnel and the QP as part of the database management process and are excluded from the following summary.
| Kappes, Cassiday & Associates | 12.0 Data Verification |
| September 2024 | Page 12-1 |
![]() | Reward Feasibility Study Technical Report |
12.1.1 Protocols and Error Tracking of Pre-CR Reward Drill Holes
The database provided to APEX consisted of 348 drill holes completed by previous operators. CR Reward (2017) reported that 100% of collar and down-hole survey data were selected for verification against available geologic logs or certified surveyor reports, whereas 10% of assays were verified against certified laboratory reports. All verified data and results were provided to APEX and are captured in the Excel spreadsheet 20170215_REW_DH_Verification.xlsx. The QP reviewed the verification data and the available collar, assay, and survey data.
12.2 Collar Data Verification
The Project has been explored by multiple companies since 1987, including Homestake Mining Company, Galli Exploration Associates (GEXA), TECO, Cloverleaf Gold, Pathfinder Gold, US Nevada Gold Search, Barrick Gold, Glamis Gold, Canyon Resources and Atna Resources. As with multiple companies and many years of drilling, many original geologic logs could not be found, and in some instances, only copies of geologic logs were available.
Collar location and total depth data was initially verified against 178 (or 51%) geologic logs by CR Reward (2017). One hundred and seventy holes (or 49%) lacked logs and could not be verified. Eleven typographic errors were observed, investigated and corrected. CR Reward (2017) observed from the geologic logs that at least two local grids were created. At least three local coordinate systems were used by previous operators, e.g. Galli Exploration in 1987, Pathfinder in 1991 and Barrick in 1995. In 2018, CR Reward generated a low distortion local grid. An Excel spreadsheet containing control points for the local coordinate grids and UTM NAD27 Z11 coordinates was generated by CR Reward. Collar locations were plotted on satellite imagery and visually checked against existing pad locations, drill roads and disturbed areas. No major errors were observed. All collar easting and northing locations were considered acceptable following the review.
CR Reward (2017) also observed a consistent elevation difference on the R95/96 and RE series drill holes in the drill logs compared to the database values. The elevation values in the logs were consistently 50 ft to 60 ft higher than the elevations in the database. This elevation discrepancy resulted in 125 quarantined collar elevation values. CR Reward (2017) completed further investigations of the quarantined values against a topographic surface with 5 ft contour intervals that was generated from an aerial topographic survey performed by Kenney Aerial on December 20, 2006 for Canyon Resources. The database values correlate well against the 2006 aerial topographic survey and with nine holes returning differences of greater than ±10 ft. The elevation value of these nine holes was corrected to the 2006 survey data. Holes with differences of less than ±10 ft were considered acceptable. It is interpreted that collar elevations in the logs were registered to a historical topographic surface. The database values superseded the log values and represent the most accurate data.
| Kappes, Cassiday & Associates | 12.0 Data Verification |
| September 2024 | Page 12-2 |
![]() | Reward Feasibility Study Technical Report |
CR Reward in 2018 also completed a field check and identified six collars exposed within the main deposit areas. The collar locations were within 5 ft for northing and easting values, and within 2 ft of the elevation values.
A total of 20 errors (11 typographic and 9 elevation differences) were identified, investigated and corrected. Upon completion of these changes and the verification review, the collar database was considered acceptable by the QP for use in the resource estimation process.
12.3 Down-Hole Survey Data Verification
The pre-CR Reward database contains 740 down-hole survey records that were verified using the geologic logs or survey sheets (CR Reward, 2017). Only five of the drill holes (one RC and four core holes) had a contractor perform the down-hole survey and only two of those holes have survey records in the geologic logs. The contractor for the four core holes was either the drillers or WellNav with an unknown gyro tool. The contractor for the RC drill hole is unknown.
All azimuths and dips in the database were compared to either the geologic logs or contractor field sheets. No certified surveyor reports were available.
A total of 416 down-hole survey records (or 56%) passed verification, 290 down-hole survey records (or 39%) were not verified due to lack of geologic log or contractor information, and 34 (or 5%) were quarantined for further investigation. Records that were quarantined were due to the following:
| ● | A total of 23 (or 5%) of 450 records with corresponding logs had typographic errors and were corrected. |
| ● | The azimuth on two records (or <1%) could not be determined from the geologic log but the hole (R95-206C) is a twin of hole R95-127. Geology and assay results from both holes correlate well and data was accepted. |
| ● | A total of nine surveys (or 2%) from two drill holes (MC-3 and MC-4) were collected by a contractor but field sheets or certificates were not available. Both holes had vertical dips at the collar, are less than 400 ft in depth and therefore the data was accepted. |
A total of 23 errors, were investigated and corrected. Upon completion of these changes and the verification review, the survey data was considered acceptable by the QP for use in the resource estimation process.
12.4 Assay Verification
The combined historic drill hole database consists of 23,922 intervals in 348 drill holes. A total of 40 historic drill holes were verified by CR Reward (2017) for a total of 2,715 intervals (or 11.3%) of the database. Drill holes were selected using a random number generator in Excel. Mine Development Associates (MDA) were engaged in 2018 to complete independent verification work that included an additional 16 historic holes containing 1,180 intervals (or 4.9%).
| Kappes, Cassiday & Associates | 12.0 Data Verification |
| September 2024 | Page 12-3 |
![]() | Reward Feasibility Study Technical Report |
Laboratories involved in RC and core assay programs included ALS Chemex, American Assay, Barringer, Inspectorate, Bondar Clegg and Rocky Mountain Laboratories. Certificates were only available for analyses completed at ALS Chemex, American Assay, Barringer and Inspectorate. Two mine laboratories were used when Glamis Gold was the operator in 1998; these were the mine laboratory at the Daisy Mine, near Beatty and the mine laboratory at the Marigold Mine, near Valmy. No assay certificates are available from these laboratories.
Results from the CR Reward assay verification include:
| ● | From a total of 2,715 assay intervals, 514 (19%) of the intervals could not be verified due to either the lack of an assay certificate, geologic log or the interval was illegible on the log. |
| ● | 2,201 (81%) assay intervals contained corresponding certificates or geologic logs. |
| ● | 2,183 assay intervals (or 99%) had no errors and were flagged as pass. |
| ● | 18 assay intervals (or 1%) were quarantined for further investigation due to data entry errors. Five intervals were corrected and the 13 intervals could not be fully investigated and were considered immaterial differences. |
Results from the MDA assay verification include:
| ● | A total of 1,180 assay intervals were verified against both assay certificates and geologic log. Four of the 1,180 intervals (or <0.5%) contained typographic errors that were subsequently corrected. |
| ● | A total of 179 sample depth intervals (depth from and depth to) were verified and no errors were identified. |
A total of 9 (or 0.3%) out of the 3,381 assay intervals verified during the CR Reward and MDA reviews contained errors that were subsequently corrected and 13 intervals (or 0.4%) remained unresolved but had immaterial (low grade) values. Upon completion of these changes and the verification reviews, the assay data was considered acceptable by the QP for use in the resource estimation process based on the low amount of errors.
12.5 Metallurgical Test Data
KCA checked the metallurgical test procedures and results to ensure they met industry standards. Metallurgical sample locations were reviewed to ensure that there was material from throughout the resource area and that the samples were reasonably representative with regards to material type and grade with the material planned to be processed so as to support the selected process method and assumptions regarding recoveries and costs.
12.6 QP Site Visits
Mr. Michael Dufresne, M.Sc., P.Geol., P.Geo. and QP of this Technical Report, conducted a site inspection of the Project on two separate occasions in 2017 and 2019. On August 2nd, 2017, Mr. Dufresne visited the Property and reviewed drill core at CR Reward’s office in Reno, NV. On
| Kappes, Cassiday & Associates | 12.0 Data Verification |
| September 2024 | Page 12-4 |
![]() | Reward Feasibility Study Technical Report |
August 12th, 2019, Mr. Dufresne visited the Property and verified the location of a number of drill collars and on August 15th, 2019, Mr. Dufresne performed an inspection of the Lovelock, NV, core facility and reviewed Reward Project drill core from the 2017-2018 drill program.
A total of 24 drill holes, including 18 CR Reward holes and 6 historical holes, were located by Mr. Dufresne and handheld GPS coordinates were recorded and compared to the original coordinates. Table 12-1 summarizes the verification survey results.
Table 12-1 Drill Hole Coordinate Comparison. Coordinates are in UTM NAD 1983 Zone 11.
| Original | Verification | Variance (m) | |||||
| Hole ID | Hole Type | Easting | Northing | Easting | Northing | Easting | Northing |
| CRR17-001 | Core | 527252 | 4076336 | 527253 | 4076336 | -1 | 0 |
| CRR17-002 | Core | 527141 | 4076612 | 527141 | 4076612 | 0 | 0 |
| CRR17-004 | Core | 526756 | 4076348 | 526756 | 4076352 | 0 | -4 |
| CRR17-009 | Core | 527338 | 4076519 | 527337 | 4076520 | 1 | -1 |
| CRR17-010 | Core | 527139 | 4076568 | 527140 | 4076568 | -1 | 0 |
| CRR17-011 | Core | 527268 | 4076601 | 527270 | 4076603 | -2 | -2 |
| CRR17-012 | Core | 527346 | 4076466 | 527344 | 4076465 | 2 | 1 |
| CRR18-014 | Core | 527286 | 4076262 | 527288 | 4076263 | -2 | -1 |
| CRR18-016 | Core | 527312 | 4076310 | 527312 | 4076313 | 0 | -3 |
| CRR18-017 | Core | 527361 | 4076550 | 527360 | 4076551 | 1 | -1 |
| CRR18-018 | Core | 526780 | 4076293 | 526780 | 4076297 | 0 | -4 |
| CRR18-019 | Core | 527329 | 4076349 | 527330 | 4076352 | -1 | -3 |
| CRR18-020 | Core | 526813 | 4076249 | 526813 | 4076249 | 0 | 0 |
| CRR18-021 | Core | 526884 | 4076152 | 526887 | 4076152 | -3 | 0 |
| CRR18-022 | Core | 527336 | 4076382 | 527340 | 4076384 | -4 | -2 |
| CRR18-025 | Core | 526867 | 4076175 | 526870 | 4076175 | -3 | 0 |
| CRR18-026 | Core | 527196 | 4076578 | 527197 | 4076580 | -1 | -2 |
| CRR18-027 | Core | 526902 | 4076122 | 526904 | 4076123 | -2 | -1 |
| GA-19 | RC | 526607 | 4076459 | 526607 | 4076463 | 0 | -4 |
| RC-02 | RC | 527184 | 4076541 | 527183 | 4076544 | 1 | -3 |
| RC-05 | RC | 527100 | 4076597 | 527106 | 4076599 | -6 | -2 |
| RC-07 | RC | 527188 | 4076602 | 527188 | 4076599 | 0 | 3 |
| RC-08 | RC | 527094 | 4076628 | 527096 | 4076626 | -2 | 2 |
| RW11-026 | RC | 527269 | 4076514 | 527272 | 4076515 | -3 | -1 |
Appreciating the limited precision of the handheld GPS, the check GPS coordinates were consistent with the original coordinates with an average variance of 1 m and a maximum variance of 6 m. In the opinion of the QP Mr. Dufresne, the differences are not viewed as material.
During the inspection of the core facility in Lovelock, NV, Mr. Dufresne reviewed mineralized intervals in CR Reward drill holes CRR17-09, CRR18-014 and CRR-024. Significant intercepts of drill holes CRR17-09, CRR18-014 and CRR-024 are listed in Table 12-2.
Photographs taken by Mr. Dufresne of the drill core are presented in Figure 12-1, Figure 12-2, and Figure 12-3.
| Kappes, Cassiday & Associates | 12.0 Data Verification |
| September 2024 | Page 12-5 |
![]() | Reward Feasibility Study Technical Report |
Table 12-2 Significant Intercepts of Drill Holes Reviewed During Mr. Dufresne’s Inspection of the CR Reward Core Facility.
|
Drill Hole ID | From (m) | To (m) | From (ft) | To (ft) | Interval (m) | Interval (ft) | Au (g/tonne) | Au (oz/t) |
| CRR17-009 | 103.0 | 134.1 | 338 | 440 | 31.1 | 102 | 1.71 | 0.050 |
| CRR17-009 | 138.7 | 142.3 | 455 | 467 | 3.7 | 12 | 0.96 | 0.028 |
| CRR18-014 | 77.7 | 80.5 | 255 | 264 | 2.7 | 9 | 1.20 | 0.035 |
| CRR18-014 | 95.7 | 109.1 | 314 | 358 | 13.4 | 44 | 1.17 | 0.034 |
| CRR18-014 | 115.5 | 132.0 | 379 | 433 | 16.5 | 54 | 1.17 | 0.034 |
| CRR18-024 | 20.6 | 76.2 | 67.5 | 250 | 55.6 | 182.5 | 1.44 | 0.042 |
| CRR18-024 | 95.1 | 99.7 | 312 | 327 | 4.6 | 15 | 2.47 | 0.072 |
| CRR18-024 | 128.3 | 147.8 | 421 | 485 | 19.5 | 64 | 0.79 | 0.023 |
Figure 12-1 Drill hole CRR17-009, Wood Canyon Formation Mineralized Interval of Phyllite and Oxidized Quartzite (approximately 389 to 401 ft depth).

Note: Figure prepared by APEX, 2024
| Kappes, Cassiday & Associates | 12.0 Data Verification |
| September 2024 | Page 12-6 |
![]() | Reward Feasibility Study Technical Report |
Figure 12-2 Drill hole CRR18-014, Wood Canyon Formation Mineralized Interval of Brecciated/Re-healed Quartzite and Sheared and Foliated Phyllite (approximately 399 to 414 ft depth).

Note: Figure prepared by APEX, 2024
| Kappes, Cassiday & Associates | 12.0 Data Verification |
| September 2024 | Page 12-7 |
![]() | Reward Feasibility Study Technical Report |
Figure 12-3 Drill Hole CRR18-024, Wood Canyon Formation Mineralized Interval of Quartzite (approximately 148 to 153 ft depth).

Note: Figure prepared by APEX, 2024
No material field based exploration work has occurred at the Reward Project since the 2017-2018 drill program. Therefore, Mr. Dufresne considers the most recent site visit as current. As a result of the site visits, Mr. Dufresne can verify the land position, the geological setting and the mineralization that is the subject of this Technical Report.
In addition, Mr. Timothy Scott, BA.Sc. Geological Engineering and QP of this Technical Report, visited the Project on September 22nd, 2018 and on May 16th, 2022. He inspected the access and associated infrastructure for the Property. He found no evidence of any changes or work since the CR Reward 2017-2018 drill program.
| Kappes, Cassiday & Associates | 12.0 Data Verification |
| September 2024 | Page 12-8 |
![]() | Reward Feasibility Study Technical Report |
13.0 MINERAL PROCESSING AND METALLURGICAL TESTING
Metallurgical testwork includes historical work completed by Rayrock Mines Inc. during 1998 and McClelland Laboratories (McClelland) in 2007 and 2008. Confirmatory testwork was performed by KCA in 2018. Metallurgical testwork programs include 34 bottle roll tests and 27 column tests together with preliminary agglomeration and compacted permeability testing. Results from these tests show that the Good Hope mineralization is amenable to cyanide leaching with acceptable reagent consumptions.
13.1 1998 Rayrock Column Tests – Drill Core
Core used in the 1998 test program came from the three drill hole locations represents material from the north (drill hole R95-206C), centre (R95-207C) and south (R95-208C) of the deposit.
Six column tests were leached for 20 days on original broken core. After the initial 20 days of leaching, the columns were allowed to rest for three days. Following the resting period, two of the columns were crushed to 1½ inch and all six columns were flood leached four times over a 60-day period, allowed to drip irrigate for eight days, and then rest for 30 days. During the 30-day rest period, all of the columns were drained and re-crushed to ¾ inch and restarted and allowed to leach for a further 60 days. Including rest periods, the elapsed test time was 181 days. All work was conducted at the in-house Rayrock metallurgical laboratory. The extant documentation is a short inter-office memorandum that does not provide detailed information on the tests. Available results are summarized in Table 13-1. The data suggested that some higher-grade materials may not leach as well as lower-grade material, which indicated that coarse gold was present in some of the high-grade core.
The QP notes that given the somewhat erratic program of leach and rest periods, as well as the different crush sizes introduced mid-stream, the results can only be considered as indicative. Observations from the program included (Laney, 1998a):
“That the northern most core would show the lowest recovery was expected due to the more siliceous nature of the ore as it heads to the north…the material does not produce many fines and is very competent and hard…the material was slow leaching before crushing and the leach kinetics increased after crushing.”
| Kappes, Cassiday & Associates | 13.0 Metallurgical Testing |
| September 2024 | Page 13-1 |
![]() | Reward Feasibility Study Technical Report |
Table 13-1 1998 Rayrock Drill Core Column Tests Results.
|
Drill Hole | Column No. (Test No.) | Calculated Head Grade oz/t Au | Recovery % Au |
| R95-206-C-North | 1 (1333) | 0.067 | 50 |
| R95-206-C-North | 2(1334)** | 0.110 | 54 |
| R95-207-C-Central | 3(1335) | 0.030 | 83 |
| R95-207-C-Central | 4(1336) | 0.080 | 80 |
| R95-208-C-South | 5(1337) | 0.079 | 59 |
| R95-208-C-South | 6(1338)** | 0.069 | 69 |
13.2 1998 Rayrock Column Tests – Trench Samples
A second Rayrock internal memorandum reports results of column tests conducted on surface samples taken from backhoe trenches (Laney, 1998b). Trench locations and the sample compositing methodology were not recorded.
Two sample composites and four column tests were conducted, with two subsets of each composite conducted with different cyanide solution strengths (1/3 lb/st and 1 lb/st), and two material sizes (“as-is” and crushed to minus ¾ inch). Average head grades were reported to be 0.030 oz/t Au to 0.033 oz/t Au. The leach cycle had an elapsed time of 56 days which included two rest periods that totalled 21 days. Campaign results are shown in Table 13-2.
Table 13-2 1998 Rayrock Surface Trench Column Test Gold Recovery.
|
Head Grade | #13481/3 lb/st CN“as-is”% | #13491/3 lb/st CNCrushed to ¾ inch% | #13501 lb/st CN“as-is” % | #13511 lb/st CNCrushed to ¾ inch % |
| 0.033 oz/t Au | 45.80 | 57.83 | 65.50 | 79.31 |
| 0.030 oz/t Au | 49.51 | 62.52 | 70.80 | 85.74 |
13.3 2007 McClelland Bottle Roll Tests
During 2007, 96 hr bottle roll tests were conducted on RC drill cuttings (nominally 10 mesh) from nine different drill holes. Efforts were made to spatially select the sample intervals across the deposit with respect to elevation (shallow, deep, etc.) as well as area (east, west, etc.). However, the northern deposit area was not represented in the selected samples.
Results of this program are shown in Table 13-3. The respective recovery curves are shown in Figure 13-1.
In the samples tested, the average gold recovery was 70.3%, reagent consumptions were quite low, and it did not appear that there were any significant differences in recovery by location or depth, or in terms of grade versus recovery.
| Kappes, Cassiday & Associates | 13.0 Metallurgical Testing |
| September 2024 | Page 13-2 |
![]() | Reward Feasibility Study Technical Report |
A composite was generated for physical characterization tests. Results showed that the crusher work index (CWi) is a very low at 3.7 kWh/st. The abrasion index (Ai) of 0.4338 g is moderately high.
Table 13-3 2007 10 Mesh Reverse Circulation Drill Holes Bottle Roll Results.
| Drill Hole Interval, ft Location Position | RC-03 140-170 SE Mid. | RC-03 220-260 SE Deep | RC–07 185-215 S Deep | RC-10 0-45 W Shal. | RC-11 15-30 SW Shal. | RC-13 25-60 W Shal. | RC-19 0-35 W Shal. | RC-21 200-255 S Deep | RC-21 295-370 S Deep |
| Metallurgical Results | |||||||||
| Extraction: % of total Au | CY-3 | CY-4 | CY-5 | CY-1 | CY-2 | CY-6 | CY-7 | CY-8 | CY-9 |
| in 2 hours | 43.8 | 42.9 | 43.8 | 36.8 | 48.6 | 43.8 | 45.2 | 48.1 | 37.7 |
| in 6 hours | 51.1 | 49.8 | 52.8 | 44.4 | 52.8 | 50.8 | 54.1 | 57 | 52.1 |
| in 24 hours | 61.1 | 60.3 | 65.2 | 54.3 | 61.8 | 58.1 | 65.8 | 64.1 | 61.5 |
| in 48 hours | 65.3 | 65.4 | 69.5 | 58.8 | 66.3 | 63.6 | 70.8 | 67.1 | 66.1 |
| in 72 hours | 68.3 | 68.2 | 73.3 | 63.3 | 68.5 | 63.6 | 73.8 | 69.8 | 68.4 |
| in 96 hours | 71.4 | 71.7 | 73.3 | 65.9 | 72.2 | 63.6 | 75.3 | 70 | 69 |
| Extracted, Au oz/t ore | 0.025 | 0.038 | 0.011 | 0.029 | 0.013 | 0.014 | 0.067 | 0.014 | 0.040 |
| Tail Assay, Au oz/t ore | 0.010 | 0.015 | 0.004 | 0.015 | 0.005 | 0.008 | 0.022 | 0.006 | 0.018 |
| Calc’d. Head, Au oz/t ore | 0.035 | 0.053 | 0.015 | 0.044 | 0.018 | 0.022 | 0.089 | 0.02 | 0.058 |
| Assayed Head, Au oz/t ore | 0.035 | 0.053 | 0.014 | 0.04 | NSS | NSS | NSS | 0.021 | 0.058 |
| NaCN Consumed, lb/ton ore | <0.07 | <0.07 | <0.07 | <0.07 | <0.07 | <0.07 | 0.16 | 0.26 | 0.27 |
| Lime Added, lb/ton ore | 2.4 | 3.3 | 4 | 3.6 | 3.6 | 3 | 3.9 | 3.2 | 4.6 |
| Final Solution pH | 10.9 | 11.0 | 11.0 | 10.9 | 11.0 | 10.8 | 10.9 | 10.7 | 11.0 |
Figure 13-1 2007 10 Mesh Bottle Roll Recovery Curves.

Note: Figure from Laney, (1998b).
| Kappes, Cassiday & Associates | 13.0 Metallurgical Testing |
| September 2024 | Page 13-3 |
![]() | Reward Feasibility Study Technical Report |
13.4 McClelland 2008 Column Test Campaign
The 2008 program samples were sourced from three drill-holes. Four column tests were conducted at a crush size of P80 of ½ inch and one column test (composite 5) was conducted at a crush size of P80 of ¼ inch. In addition, bottle rolls were run on column splits and a separate bottle roll study of size versus recovery was conducted on composite 5. Drain-down data were also measured on the finished column tests.
Sample composite data are presented in Table 13-4 and the drill holes selected are shown in Figure 13-2.
Table 13-4 2008 McClelland Sample/Drill Hole Composite Information.
|
Composite Sample | Drill-hole | Interval (ft) |
| 1 | MC 1 | 90-120 |
| 2 | MC 1 | 150-210 |
| 3 | MC 3 | 20-190 |
| 4 | MC 5 | 140-190 |
| 5 | MC 3 MC 5 MC 5 MC 5 | 20-190 200-210 220-230 340-360 |
| Kappes, Cassiday & Associates | 13.0 Metallurgical Testing |
| September 2024 | Page 13-4 |
![]() | Reward Feasibility Study Technical Report |
Figure 13-2 2008 McClelland Drill Hole Location Map.

Note: Figure from McClelland (2008).
13.4.1 2008 Column Test Results
A summary of five column test results is provided in Table 13-5. The corresponding gold recovery curves are shown in Figure 13-3.
Table 13-5 2008 McClelland Summary Column Test Results.
| Leach/Rinse | Solution Applied | Au oz/t ore | NaCN | Lime | ||||||||
| Test | Feed | Time, | ton/ton ore | Au Rec | Calc’d. | Average | Consumed, | Added, | ||||
| No. | Sample | Size | days | Leaching | Rinsing | % | Ext’d. | Tail | Head | Head | Ibs/ton ore | Ibs/ton ore |
| P-1 | Comp #1 | 80%-1/2” | 190 | 6.98 | 0.49 | 78.9 | 0.030 | 0.008 | 0.038 | 0.034 | 4.44 | 1.8 |
| P-2 | Comp #2 | 80%-1/2” | 184 | 6.11 | 0.59 | 67.9 | 0.019 | 0.009 | 0.028 | 0.028 | 3.18 | 1.8 |
| P-3 | Comp #3 | 80%-1/2” | 185 | 5.83 | 0.61 | 71.4 | 0.015 | 0.006 | 0.021 | 0.019 | 4.88 | 1.8 |
| P-4 | Comp #4 | 80%-1/2” | 190 | 6.54 | 0.45 | 81.5 | 0.022 | 0.005 | 0.027 | 0.025 | 2.86 | 1.8 |
| P-5 | Comp #5 | 80%-1/4” | 126 | 4.87 | 0.84 | 82.8 | 0.024 | 0.005 | 0.029 | 0.031 | 2.60 | 0.9 |
| Kappes, Cassiday & Associates | 13.0 Metallurgical Testing |
| September 2024 | Page 13-5 |
![]() | Reward Feasibility Study Technical Report |
Figure 13-3 2008 McClelland 10 Gold Recovery Curves – Column Tests.

Note: Figure from McClelland (2008).
13.4.2 2008 Bottle Roll Test Results at Crush Size and at 200 Mesh
Figure 13-4 presents the bottle roll results of sample splits from each of the column test materials. Table 13-16 presents bottle rolls results of column test sample splits ground to P80 of 200 mesh.
Figure 13-4 2008 McClelland Bottle Roll Tests Recovery Curves – Splits from Column Tests.

Note: Figure from McClelland (2008).
| Kappes, Cassiday & Associates | 13.0 Metallurgical Testing |
| September 2024 | Page 13-6 |
![]() | Reward Feasibility Study Technical Report |
Table 13-6 2008 McClelland Bottle Roll Tests – Gold Recovery %.
| Sample | P80 ½ inch 72 hr | P80 200 mesh 24 hr |
| Comp 1 | 51.6 | 87.5 |
| Comp 2 | 35.9 | 85.7 |
| Comp 3 | 45.0 | 88.9 |
| Comp 4 | 58.3 | 91.3 |
13.4.3 2008 Bottle Roll Size versus Recovery on Composite 5
A separate exercise was conducted to establish a size versus gold recovery relation with respect to bottle rolls. This was conducted only on sample composite 5. Results of the different sizes are shown in Table 13-7. Results are plotted in Figure 13-5.
Table 13-7 2008 McClelland Bottle Roll Size versus Gold Recovery – Composite 5.
| Composite | ||||||||||||||||||||
| Metallurgical Results | P801/2" | P801/4" | P8010M | P8020M | P80200M | |||||||||||||||
| Extraction, % total Au | ||||||||||||||||||||
| in 2 hours | 12.9 | 18.5 | 28.1 | 40.6 | 76.2 | |||||||||||||||
| in 4 hours | 81.9 | |||||||||||||||||||
| in 6 hours | 18.5 | 25.9 | 38.5 | 49.7 | 82.8 | |||||||||||||||
| in 8 hours | 83.8 | |||||||||||||||||||
| in 12 hours | 84.6 | |||||||||||||||||||
| in 24 hours | 30.7 | 40.2 | 52.4 | 62.2 | 85.2 | |||||||||||||||
| in 48 hours | 38.1 | 49.9 | 60.4 | 67.9 | ||||||||||||||||
| in 72 hours | 44.1 | 53.8 | 64.3 | |||||||||||||||||
| Extracted, ozAu/ton ore | 0.015 | 0.014 | 0.018 | 0.019 | 0.023 | |||||||||||||||
| Tail Assay, ozAu/ton ore* | 0.019 | 0.012 | 0.010 | 0.009 | 0.004 | |||||||||||||||
| Calculated Head, ozAu/ton ore | 0.034 | 0.026 | 0.028 | 0.028 | 0.027 | |||||||||||||||
| Assayed Head, ozAu/ton ore* | 0.032 | 0.032 | 0.032 | 0.032 | 0.032 | |||||||||||||||
| NaCN Consumed, lb/ton ore | 0.45 | 0.88 | 1.32 | 1.21 | 0.76 | |||||||||||||||
| Lime Added, lb/ton ore | 1.0 | 1.1 | 1.5 | 1.1 | 1.5 | |||||||||||||||
| Final Solution pH | 10.5 | 10.5 | 10.6 | 10.3 | 10.6 | |||||||||||||||
| Natural pH (40% solids) | 8.9 | 8.9 | 8.9 | 8.9 | 8.6 | |||||||||||||||
| Kappes, Cassiday & Associates | 13.0 Metallurgical Testing |
| September 2024 | Page 13-7 |
![]() | Reward Feasibility Study Technical Report |
Figure 13-5 2008 McClelland Bottle Roll Size versus Gold Recovery – Composite 5.

Note: Figure from McClelland (2008).
13.4.4 Drain-Down Data
Drain-down data for each of the five column tests are presented in Table 13-8.
Table 13-8 2008 McClelland Drain-Down Data from Column Tests.
| Ore | Moisture, wt. % | Apparent Bulk | ||||||||||||||||||||||||||
| Feed | Test | Charge, | As | To | Density, lb/ft3 | |||||||||||||||||||||||
| Sample I.D. | Size | No. | lbs | Rec'd. | Saturate* | Retained | Before | After | ||||||||||||||||||||
| Comp #1 | 80%-1/2" | P-l | 66.05 | 0.1 | 13.1 | 4.5 | 105.02 | 105.32 | ||||||||||||||||||||
| Comp #2 | 80%-1/2" | P-2 | 151.01 | 0.0 | 11.8 | 6.0 | 91.17 | 92.20 | ||||||||||||||||||||
| Comp #3 | 80%-1/2" | P-3 | 158.05 | 0.1 | 10.9 | 4.8 | 85.87 | 85.78 | ||||||||||||||||||||
| Comp #4 | 80%-1/2" | P-4 | 153.46 | 0.0 | 16.6 | 6.5 | 96.21 | 97.59 | ||||||||||||||||||||
| Comp #5 | 80%-1/4" | P-5 | 148.50 | 0.0 | 12.0 | 7.1 | 90.21 | 91.35 | ||||||||||||||||||||
| * | Calculated on a dry ore weight basis. |
13.4.5 Conclusions from 2008 McClelland Program
The average gold recovery for the four ½ inch crush columns is 74.9%. With an applied laboratory to field deduction of 2%, a field recovery of 72.9% could be expected at that crush size.
Only one column test was conducted at P80 of ¼ inch crush size, and that test has the highest laboratory recovery of 82.8%.
The McClelland program concluded that the NaCN consumption would not exceed 1.6 lb/st and the hydrated lime consumption would not exceed 1.8 lb/st. The laboratory tests used hydrated lime.
There does not appear to be any obvious explanation for column test recovery differences with respect to spatial representation, grade, reagents or size distribution of each sample.
| Kappes, Cassiday & Associates | 13.0 Metallurgical Testing |
| September 2024 | Page 13-8 |
![]() | Reward Feasibility Study Technical Report |
13.5 2018 Kappes, Cassiday, and Associates Test Program
The 2018 KCA program consisted of eight column leach tests on four composite samples in duplicate. The program also included pulverized bottle roll tests on each sample, agglomeration and permeability testwork on each composite sample, and physical characterization testwork. The primary purpose of this program was to confirm the results from the 2008 McClelland testwork for gold recovery and reagent requirements at a P80 of ¼ inch crush size.
13.5.1 2018 KCA Composite Generation
Composites were generated from core taken from four drill holes including one drill hole at the Gold Ace Zone. Each drill hole was used to make one composite sample and samples were selected to be spatially and grade representative of the mineralization. Drill hole locations for the metallurgical testwork are shown in Figure 13-6.
A summary of the head analyses for gold and silver for the composites is shown in Table 13-9. Head analyses for mercury and copper are presented in Table 13-10.
The head analyses for the composites show grades within the expected range for the mineralization and negligible amounts of copper and mercury. Multi-element and whole rock analyses were also completed, and do not show any deleterious elements in significant quantities.
| Kappes, Cassiday & Associates | 13.0 Metallurgical Testing |
| September 2024 | Page 13-9 |
![]() | Reward Feasibility Study Technical Report |
Figure 13-6 2018 KCA Metallurgical Sample Drill Hole Location Map.

Figure prepared by Lycopodium, 2019.
| Kappes, Cassiday & Associates | 13.0 Metallurgical Testing |
| September 2024 | Page 13-10 |
![]() | Reward Feasibility Study Technical Report |
Table 13-9 2018 KCA Composite Head Screen Analyses – Gold and Silver.
KCA Sample No. | Description | Assay 1 (Au g/tonne) | Assay 2 (Au g/tonne) | Average Assay (Au g/tonne) |
| 80607 A | CRR17-001 | 0.639 | 0.648 | 0.644 |
| 80608 A | CRR17-002A | 1.083 | 1.066 | 1.075 |
| 80609 A | CRR17-003 | 0.682 | 0.669 | 0.675 |
| 80648 B | CRR18-027 | 1.755 | 1.783 | 1.769 |
| 80607 A | CRR17-001 | 0.62 | 0.62 | 0.62 |
| 80608 A | CRR17-002A | 0.62 | 0.62 | 0.62 |
| 80609 A | CRR17-003 | 0.62 | 0.62 | 0.62 |
| 80648 B | CRR18-027 | 1.61 | 1.61 | 1.61 |
Table 13-10 2018 KCA Composite Head Screen Analyses – Mercury and Copper.
KCA Sample No. | Description | Total Mercury (mg/kg) | Total Copper (mg/kg) | Cyanide Soluble Copper1 | Cyanide Soluble Copper (%) |
| 80607 A | CRR17-001 | <0.02 | 37 | 3.92 | 11 |
| 80608 A | CRR17-002A | 0.04 | 26 | 3.27 | 13 |
| 80609 A | CRR17-003 | 0.02 | 21 | 2.50 | 12 |
| 80648 B | CRR18-027 | 0.19 | <2 | 1.22 | <100 |
13.5.2 2018 Physical Characterization
Comminution tests, including abrasion and Bond work index tests, were performed by Hazen Research Inc. (Hazen). Results of these tests are presented in Table 13-11. Bond and abrasion index results show average abrasiveness and hardness. Bulk density tests were completed on selected samples from each composite (approximately 30 ft intervals and through different rock types). Bulk densities ranged from 144 lb/ft3 to 173 lb/ft3 with an average bulk density of 160 lb/ft3.
| Kappes, Cassiday & Associates | 13.0 Metallurgical Testing |
| September 2024 | Page 13-11 |
![]() | Reward Feasibility Study Technical Report |
Table 13-11 2018 Hazen Bond Impact Work and Abrasion Index.
KCA Sample No. | Description | Abrasion Index (g) | Bond Impact Work Index (kWh/mt) |
| 80601 | CRR17-001 & CRR17-002A | 0.2307 | 9.5 |
| 80602 | CRR17-003 | 0.2825 | 9.2 |
13.5.3 2018 KCA Pulverized Bottle Roll Tests
Pulverized bottle roll leach tests were conducted on portions from each composite at a crush size P100 of 100 mesh (0.150 mm). Bottle roll tests were conducted on four additional high-grade samples at crush sizes P100 of ⅜ inches and P100 of 100 mesh to evaluate the effect of grade and overall recovery. The high-grade sample intervals are presented in Table 13-12. A summary of the bottle roll test results is shown in Table 13-13 and shown graphically in Figure 13-7.
Gold recoveries ranged from 91% to 97% with an average recovery of 94% for pulverized bottle roll tests (P100 of 100 mesh) and 55% to 70% with an average recovery of 60% for coarse bottle roll tests (P100 of ⅜ inch). The bottle roll test results show that higher recoveries can be achieved at finer crush sizes; however, gold grade does not have an appreciable effect on overall recovery.
Table 13-12 2018 High-Grade Sample Intervals.
Drill Hole | Description | Interval (ft) |
| CRR17-001 | W083565 | 283-288 |
| CRR17-002A | V663939 | 58-63 |
| CR17-002A | V663945 | 83-86 |
| CR17-002A | V663221 | 179-183 |
| Kappes, Cassiday & Associates | 13.0 Metallurgical Testing |
| September 2024 | Page 13-12 |
![]() | Reward Feasibility Study Technical Report |
Table 13-13 2018 KCA Bottle Roll Test Results.
KCA Sample No. | Description | Target Crush Size (mm) | Calculated Head (Au g/tonne) | Avg. Tails (Au g/tonne) | Au Extracted (%) | Leach Time (hr) | Consumption NaCN | Additional Ca(OH)2 (kg/mt) |
| 80607 A | CRR17-001 | 0.150 | 0.572 | 0.043 | 93 | 96 | 0.24 | 1.50 |
| 80608 A | CRR17-002A | 0.150 | 0.862 | 0.062 | 93 | 96 | 0.30 | 1.25 |
| 80609 A | CRR17-003 | 0.150 | 0.655 | 0.053 | 92 | 96 | 0.19 | 1.00 |
| 80648 B | CRR18-027 | 0.150 | 0.936 | 0.027 | 97 | 96 | 0.07 | 1.75 |
| 80614 A | W083565 | 9.5 | 4.905 | 2.152 | 56 | 240 | 0.21 | 1.25 |
| 80614 A | W083565 | 0.150 | 5.712 | 0.423 | 93 | 96 | 0.15 | 1.25 |
| 80615 A | V663939 | 9.5 | 8.203 | 2.441 | 70 | 240 | 0.20 | 0.75 |
| 80615 A | V663939 | 0.150 | 8.205 | 0.399 | 95 | 96 | 0.17 | 1.00 |
| 80616 A | V663945 | 9.5 | 3.836 | 1.527 | 60 | 240 | 0.24 | 0.75 |
| 80616 A | V663945 | 0.150 | 4.131 | 0.221 | 95 | 96 | 0.15 | 1.00 |
| 80617 A | V663221 | 9.5 | 2.420 | 1.092 | 55 | 240 | 0.33 | 0.75 |
| 80617 A | V663221 | 0.150 | 2.131 | 0.192 | 91 | 96 | 0.17 | 1.00 |
| 80607 A | CRR17-001 | 0.150 | 0.63 | 0.41 | 34 | 96 | 0.24 | 1.50 |
| 80608 A | CRR17-002A | 0.150 | 0.63 | 0.41 | 35 | 96 | 0.30 | 1.25 |
| 80609 A | CRR17-003 | 0.150 | 0.58 | 0.41 | 29 | 96 | 0.19 | 1.00 |
| 80648 B | CRR18-027 | 0.150 | 1.54 | 0.99 | 36 | 96 | 0.07 | 1.75 |
| 80614 A | W083565 | 9.5 | 2.57 | 2.09 | 19 | 240 | 0.21 | 1.25 |
| 80614 A | W083565 | 0.150 | 2.59 | 1.71 | 34 | 96 | 0.15 | 1.25 |
| 80615 A | V663939 | 9.5 | 2.66 | 1.99 | 25 | 240 | 0.20 | 0.75 |
| 80615 A | V663939 | 0.150 | 2.50 | 1.30 | 48 | 96 | 0.17 | 1.00 |
| 80616 A | V663945 | 9.5 | 1.65 | 1.30 | 21 | 240 | 0.24 | 0.75 |
| 80616 A | V663945 | 0.150 | 1.56 | 0.99 | 36 | 96 | 0.15 | 1.00 |
| 80617 A | V663221 | 9.5 | 1.15 | 0.99 | 13 | 240 | 0.33 | 0.75 |
| 80617 A | V663221 | 0.150 | 1.16 | 0.79 | 32 | 96 | 0.17 | 1.00 |
| Kappes, Cassiday & Associates | 13.0 Metallurgical Testing |
| September 2024 | Page 13-13 |
![]() | Reward Feasibility Study Technical Report |
Figure 13-7 2018 KCA Bottle Roll Test Results.

Note: Figure prepared by KCA, 2018.
13.5.4 2018 KCA Agglomeration and Compacted Permeability Tests
Agglomeration and compacted permeability tests were conducted on crushed samples from each composite. For the agglomeration testwork, 2 kg portions of each composite were agglomerated with 0, 8, 16 and 20 lb of cement per dry ton of material and placed into a 75 mm diameter column with no compressive load to evaluate the permeability of the material. Compacted permeability tests were conducted on each composite sample with no cement addition with static loads applied to simulate different heap heights. Results for the agglomeration and compacted permeability tests are shown in Table 13-14 and Table 13-15 KCA 2018 Compacted Permeability Tests.respectively.
The results show that cement agglomeration is not required for heap heights up to 262 ft. To be conservative, cement will be added to lift 1 of the Phase 1 heap to ensure permeability.
| Kappes, Cassiday & Associates | 13.0 Metallurgical Testing |
| September 2024 | Page 13-14 |
![]() | Reward Feasibility Study Technical Report |
Table 13-14 KCA 2018 Preliminary Agglomeration Testwork.
KCA Sample No. | Description | Cement, kg/mt dry ore | Water Added(ml) | Initial Height (cm) | Final Height (cm) | pH on Day 3 | pH Comment | % Slump | Apparent Bulk Density, (mt dry/m3) | Flow Out,(l/h/m2) | Visual Estimate of % Pellet breakdown | Pellet Result | Out Flow Solution Color and Clarity | Overall Test Result |
| 80607 A | CRR17-001 | 0 | 0.0 | 30.80 | 30.16 | 8.1 | Low | 2% | 1.42 | 26,937 | N/A | N/A | Brown & Cloudy | Pass |
| 80607 A | CRR17-001 | 4 | 191.0 | 28.89 | 28.89 | 11.2 | Good | 0% | 1.52 | 33,515 | <3 | Pass | Light Brown & Cloudy | Pass |
| 80607 A | CRR17-001 | 8 | 197.0 | 28.89 | 28.89 | 11.7 | High | 0% | 1.52 | 25,588 | <3 | Pass | Light Brown & Cloudy | Pass |
| 80607 A | CRR17-001 | 10 | 202.0 | 28.89 | 28.89 | 11.8 | High | 0% | 1.52 | 31,781 | <3 | Pass | Milky & Cloudy | Pass |
| 80608 A | CRR17-002A | 0 | 0.0 | 31.75 | 31.12 | 8.3 | Low | 2% | 1.38 | 23,625 | N/A | N/A | Brown & Cloudy | Pass |
| 80608 A | CRR17-002A | 4 | 159.0 | 27.94 | 27.94 | 11.5 | High | 0% | 1.57 | 23,883 | 3 | Pass | Light Brown & Cloudy | Pass |
| 80608 A | CRR17-002A | 8 | 163.0 | 28.89 | 28.89 | 11.9 | High | 0% | 1.52 | 26,627 | 3 | Pass | Light Brown & Cloudy | Pass |
| 80608 A | CRR17-002A | 10 | 160.5 | 29.21 | 29.21 | 12.0 | High | 0% | 1.50 | 26,376 | 3 | Pass | Milky & Cloudy | Pass |
| 80609 A | CRR17-003 | 0 | 0.0 | 30.48 | 29.85 | 8.3 | Low | 2% | 1.44 | 14,203 | N/A | N/A | Brown & Cloudy | Pass |
| 80609 A | CRR17-003 | 4 | 151.0 | 31.12 | 31.12 | 11.6 | High | 0% | 1.41 | 25,976 | 3 | Pass | Milky & Cloudy | Pass |
| 80609 A | CRR17-003 | 8 | 154.5 | 30.16 | 30.16 | 11.9 | High | 0% | 1.45 | 25,538 | <3 | Pass | Milky & Cloudy | Pass |
| 80609 A | CRR17-003 | 10 | 161.5 | 31.43 | 31.43 | 12.0 | High | 0% | 1.40 | 29,229 | <3 | Pass | Colorless & Clear | Pass |
| 80648 B | CRR17-027 | 0 | 0 | 23.18 | 23.18 | 8.9 | Low | 0% | 1.89 | 19,454 | N/A | N/A | Light Brown & Cloudy | Pass |
| 80648 B | CRR17-027 | 4 | 83.0 | 25.40 | 25.08 | 12.3 | High | 1% | 1.73 | 28,279 | <3 | Pass | Colorless & Clear | Pass |
| 80648 B | CRR17-027 | 8 | 87.5 | 25.40 | 25.40 | 12.5 | High | 0% | 1.73 | 27,172 | <3 | Pass | Colorless & Clear | Pass |
| 80648 B | CRR17-027 | 10 | 91.0 | 25.72 | 25.72 | 12.6 | High | 0% | 1.71 | 32,876 | <3 | Pass | Colorless & Clear | Pass |
| Kappes, Cassiday & Associates | 13.0 Metallurgical Testing |
| September 2024 | Page 13-15 |
![]() | Reward Feasibility Study Technical Report |
Table 13-15 KCA 2018 Compacted Permeability Tests.
KCA Sample No. | KCA Test No. | Sample Description | Crush Size, mm | Material Type | Test Phase | Cement Added, kg/mt | Effective Height m | Flow Rate, l/h/m2 | Flow Result Pass/Fail | Saturated Permeability, cm/sec | Incremental Slump % | Cum. Slump, % Slump | Slump Result Pass/Fail | Overall Pass/Fail |
| 80607 A | 80623 A | CRR17-001 | 9.5 | Feed | Primary | 0 | 20 | 2,126 | Pass | 5.9E-02 | 3 | 3 | Pass | Pass |
| Stage Load | 40 | 1,528 | Pass | 4.2E-02 | 3 | 6 | Pass | Pass | ||||||
| Stage Load | 80 | 875 | Pass | 2.4E-02 | 4 | 10 | Pass | Pass | ||||||
| 80624 | 80672 A | CRR17-001 | 9.5 | Column Tail | Primary | 0 | 20 | 3,008 | Pass | 8.4E-02 | 1 | 1 | Pass | Pass |
| Stage Load | 40 | 776 | Pass | 2.2E-02 | 3 | 4 | Pass | Pass | ||||||
| Stage Load | 60 | 480 | Pass | 1.3E-02 | 3 | 7 | Pass | Pass | ||||||
| Stage Load | 80 | 328 | Pass | 9.1E-03 | 2 | 9 | Pass | Pass | ||||||
| Stage Load | 100 | 208 | Pass | 5.8E-03 | 2 | 11 | Fail | Fail | ||||||
| Stage Load | 120 | 125 | Pass | 3.5E-03 | 1 | 12 | Fail | Fail | ||||||
| Stage Load | 140 | 80 | Fail | 2.2E-03 | 1 | 13 | Fail | Fail | ||||||
| 80627 | 80680 A | CRR17-001 | 9.5 | Column Tail | Primary | 0 | 20 | 6,779 | Pass | 1.9E-01 | 0 | 0 | Pass | Pass |
| Stage Load | 40 | 4,244 | Pass | 1.2E-01 | 2 | 2 | Pass | Pass | ||||||
| Stage Load | 60 | 2,447 | Pass | 6.9E-02 | 3 | 5 | Pass | Pass | ||||||
| Stage Load | 80 | 2,063 | Pass | 5.7E-02 | 1 | 6 | Pass | Pass | ||||||
| Stage Load | 100 | 1,290 | Pass | 3.6E-02 | 2 | 8 | Pass | Pass | ||||||
| Stage Load | 120 | 1,136 | Pass | 3.2E-02 | 2 | 10 | Pass | Pass | ||||||
| Stage Load | 140 | 958 | Pass | 2.7E-02 | 1 | 11 | Fail | Fail | ||||||
| Stage Load | 160 | 714 | Pass | 2.0E-02 | 1 | 12 | Fail | Fail | ||||||
| Stage Load | 180 | 535 | Pass | 1.5E-02 | 1 | 13 | Fail | Fail | ||||||
| Stage Load | 200 | 367 | Pass | 1.0E-02 | 0 | 13 | Fail | Fail | ||||||
| Stage Load | 220 | 263 | Pass | 7.3E-02 | 2 | 15 | Fail | Fail | ||||||
| Stage Load | 240 | 186 | Pass | 5.2E-02 | 0 | 15 | Fail | Fail | ||||||
| 80608 A | 80623 B | CRR17-002 A | 9.5 | Feed | Primary | 0 | 20 | 2,763 | Pass | 7.7E-02 | 2 | 2 | Pass | Pass |
| Kappes, Cassiday & Associates | 13.0 Metallurgical Testing |
| September 2024 | Page 13-16 |
![]() | Reward Feasibility Study Technical Report |
KCA Sample No. | KCA Test No. | Sample Description | Crush Size, mm | Material Type | Test Phase | Cement Added, kg/mt | Effective Height m | Flow Rate, l/h/m2 | Flow Result Pass/Fail | Saturated Permeability, cm/sec | Incremental Slump % | Cum. Slump, % Slump | Slump Result Pass/Fail | Overall Pass/Fail |
| Stage Load | 40 | 2,128 | Pass | 5.9E-02 | 3 | 5 | Pass | Pass | ||||||
| Stage Load | 80 | 1,288 | Pass | 3.6E-02 | 3 | 8 | Pass | Pass | ||||||
| 80630 | 80673 A | CRR17-002 A | 9.5 | Column Tail | Primary | 0 | 20 | 7,515 | Pass | 2.1E-01 | 0 | 0 | Pass | Pass |
| Stage Load | 40 | 6,748 | Pass | 1.9E-01 | 2 | 2 | Pass | Pass | ||||||
| Stage Load | 60 | 6,028 | Pass | 1.7E-01 | 3 | 5 | Pass | Pass | ||||||
| Stage Load | 80 | 5,208 | Pass | 1.4E-01 | 1 | 6 | Pass | Pass | ||||||
| Stage Load | 100 | 4,207 | Pass | 1.2E-01 | 1 | 7 | Pass | Pass | ||||||
| Stage Load | 120 | 3,325 | Pass | 9.2E-02 | 2 | 9 | Pass | Pass | ||||||
| Stage Load | 140 | 2,548 | Pass | 7.1E-02 | 1 | 10 | Pass | Pass | ||||||
| Stage Load | 160 | 1,904 | Pass | 5.3E-02 | 1 | 11 | Fail | Fail | ||||||
| Stage Load | 180 | 1,389 | Pass | 3.9E-02 | 1 | 12 | Fail | Fail | ||||||
| Stage Load | 200 | 977 | Pass | 2.7E-02 | 2 | 14 | Fail | Fail | ||||||
| Stage Load | 220 | 705 | Pass | 2.0E-02 | 0 | 14 | Fail | Fail | ||||||
| Stage Load | 240 | 503 | Pass | 1.4E-02 | 1 | 15 | Fail | Fail | ||||||
| 80633 | 80681A | CRR17-002 A | 9.5 | Column Tail | Primary | 20 | 6,868 | Pass | 1.9E-01 | 1 | 1 | Pass | Pass | |
| Stage Load | 40 | 6,291 | Pass | 1.7E-01 | 3 | 4 | Pass | Pass | ||||||
| Stage Load | 60 | 5,269 | Pass | 1.5E-01 | 1 | 5 | Pass | Pass | ||||||
| Stage Load | 80 | 4,111 | Pass | 1.1E-01 | 2 | 7 | Pass | Pass | ||||||
| Stage Load | 100 | 3,158 | Pass | 8.8E-02 | 1 | 8 | Pass | Pass | ||||||
| Stage Load | 120 | 2,331 | Pass | 6.5E-02 | 2 | 10 | Pass | Pass | ||||||
| Stage Load | 140 | 1,732 | Pass | 4.8E-02 | 1 | 11 | Fail | Fail | ||||||
| Stage Load | 160 | 1,299 | Pass | 3.6E-02 | 0 | 11 | Fail | Fail | ||||||
| Stage Load | 180 | 906 | Pass | 2.5E-02 | 2 | 13 | Fail | Fail | ||||||
| Stage Load | 200 | 675 | Pass | 1.9E-02 | 1 | 14 | Fail | Fail | ||||||
| Stage Load | 220 | 509 | Pass | 1.4E-02 | 0 | 14 | Fail | Fail |
| Kappes, Cassiday & Associates | 13.0 Metallurgical Testing |
| September 2024 | Page 13-17 |
![]() | Reward Feasibility Study Technical Report |
KCA Sample No. | KCA Test No. | Sample Description | Crush Size, mm | Material Type | Test Phase | Cement Added, kg/mt | Effective Height m | Flow Rate, l/h/m2 | Flow Result Pass/Fail | Saturated Permeability, cm/sec | Incremental Slump % | Cum. Slump, % Slump | Slump Result Pass/Fail | Overall Pass/Fail |
| Stage Load | 240 | 359 | Pass | 1.0E-02 | 1 | 15 | Fail | Fail | ||||||
| 80636 | 80674 A | CRR17-003 | 9.5 | Column Tail | Primary | 0 | 20 | 4,540 | Pass | 1.3E-01 | 0 | 0 | Pass | Pass |
| Stage Load | 40 | 2,207 | Pass | 6.1E-02 | 3 | 3 | Pass | Pass | ||||||
| Stage Load | 60 | 1,996 | Pass | 5.5E-02 | 1 | 4 | Pass | Pass | ||||||
| Stage Load | 80 | 2,137 | Pass | 5.9E-02 | 2 | 6 | Pass | Pass | ||||||
| Stage Load | 100 | 1,802 | Pass | 5.0E-02 | 1 | 7 | Pass | Pass | ||||||
| Stage Load | 120 | 1,519 | Pass | 4.2E-02 | 2 | 9 | Pass | Pass | ||||||
| Stage Load | 140 | 1,162 | Pass | 3.2E-02 | 1 | 10 | Pass | Pass | ||||||
| Stage Load | 160 | 938 | Pass | 2.6E-02 | 1 | 11 | Fail | Fail | ||||||
| Stage Load | 180 | 754 | Pass | 2.1E-02 | 1 | 12 | Fail | Fail | ||||||
| Stage Load | 200 | 630 | Pass | 1.8E-02 | 1 | 13 | Fail | Fail | ||||||
| Stage Load | 220 | 476 | Pass | 1.3E-02 | 0 | 13 | Fail | Fail | ||||||
| Stage Load | 240 | 379 | Pass | 1.1E-02 | 1 | 14 | Fail | Fail | ||||||
| 80639 | 80682 A | CRR17-003 | 9.5 | Column Tail | Primary | 0 | 20 | 5,885 | Pass | 1.6E-01 | 0 | 0 | Pass | Pass |
| Stage Load | 40 | 3,393 | Pass | 9.4E-02 | 2 | 2 | Pass | Pass | ||||||
| Stage Load | 60 | 3,132 | Pass | 8.7E-02 | 2 | 4 | Pass | Pass | ||||||
| Stage Load | 80 | 3,275 | Pass | 9.1E-02 | 1 | 5 | Pass | Pass | ||||||
| Stage Load | 100 | 3,105 | Pass | 8.6E-02 | 1 | 6 | Pass | Pass | ||||||
| Stage Load | 120 | 2,614 | Pass | 7.3E-02 | 2 | 8 | Pass | Pass | ||||||
| Stage Load | 140 | 2,235 | Pass | 6.2E-02 | 1 | 9 | Pass | Pass | ||||||
| Stage Load | 160 | 1,787 | Pass | 5.0E-02 | 1 | 10 | Pass | Pass | ||||||
| Stage Load | 180 | 1,550 | Pass | 4.3E-02 | 1 | 11 | Fail | Fail | ||||||
| Stage Load | 200 | 1,293 | Pass | 3.6E-02 | 0 | 11 | Fail | Fail | ||||||
| Stage Load | 220 | 1,051 | Pass | 2.9E-02 | 1 | 12 | Fail | Fail | ||||||
| Stage Load | 240 | 856 | Pass | 2.4E-02 | 1 | 13 | Fail | Fail |
| Kappes, Cassiday & Associates | 13.0 Metallurgical Testing |
| September 2024 | Page 13-18 |
![]() | Reward Feasibility Study Technical Report |
KCA Sample No. | KCA Test No. | Sample Description | Crush Size, mm | Material Type | Test Phase | Cement Added, kg/mt | Effective Height m | Flow Rate, l/h/m2 | Flow Result Pass/Fail | Saturated Permeability, cm/sec | Incremental Slump % | Cum. Slump, % Slump | Slump Result Pass/Fail | Overall Pass/Fail |
| 80653 | 80683 A | CRR18-027 | 9.5 | Column Tail | Primary | 0 | 20 | 6,742 | Pass | 1.9E-01 | 0 | 0 | Pass | Pass |
| Stage Load | 40 | 6,006 | Pass | 1.7E-01 | 2 | 2 | Pass | Pass | ||||||
| Stage Load | 60 | 5,042 | Pass | 1.4E-01 | 2 | 4 | Pass | Pass | ||||||
| Stage Load | 80 | 4,337 | Pass | 1.2E-01 | 1 | 5 | Pass | Pass | ||||||
| Stage Load | 100 | 3,547 | Pass | 9.9E-02 | 2 | 7 | Pass | Pass | ||||||
| Stage Load | 120 | 3,056 | Pass | 8.5E-02 | 1 | 8 | Pass | Pass | ||||||
| Stage Load | 140 | 2,525 | Pass | 7.0E-02 | 1 | 9 | Pass | Pass | ||||||
| Stage Load | 160 | 2,126 | Pass | 5.9E-02 | 1 | 10 | Pass | Pass | ||||||
| Stage Load | 180 | 1,730 | Pass | 4.8E-02 | 1 | 11 | Fail | Fail | ||||||
| Stage Load | 200 | 1,421 | Pass | 3.9E-02 | 1 | 12 | Fail | Fail | ||||||
| Stage Load | 220 | 1,173 | Pass | 3.3E-02 | 0 | 12 | Fail | Fail | ||||||
| Stage Load | 240 | 985 | Pass | 2.7E-02 | 1 | 13 | Fail | Fail | ||||||
| Stage Load | 80 | 6,711 | Pass | 1.9E-01 | 1 | 5 | Pass | Pass | ||||||
| Stage Load | 100 | 6,181 | Pass | 1.7E-01 | 1 | 6 | Pass | Pass | ||||||
| Stage Load | 120 | 5,847 | Pass | 1.6E-01 | 1 | 7 | Pass | Pass | ||||||
| Stage Load | 140 | 5,415 | Pass | 1.5E-01 | 1 | 8 | Pass | Pass | ||||||
| Stage Load | 160 | 4,920 | Pass | 1.4E-01 | 2 | 10 | Pass | Pass | ||||||
| Stage Load | 180 | 4,446 | Pass | 1.2E-01 | 0 | 10 | Pass | Pass | ||||||
| Stage Load | 200 | 3,969 | Pass | 1.1E-01 | 1 | 11 | Fail | Fail | ||||||
| Stage Load | 220 | 3,573 | Pass | 9.9E-02 | 1 | 12 | Fail | Fail | ||||||
| Stage Load | 240 | 3,221 | Pass | 8.9E-02 | 0 | 12 | Fail | Fail | ||||||
| 80656 | 80684 A | CRR18-027 | 9.5 | Column Tail | Primary | 0 | 20 | 7,608 | Pass | 2.1E-01 | 0 | 0 | Pass | Pass |
| Stage Load | 40 | 7,312 | Pass | 2.0E-01 | 2 | 2 | Pass | Pass | ||||||
| Stage Load | 60 | 7,030 | Pass | 2.0E-01 | 2 | 4 | Pass | Pass | ||||||
| Stage Load | 80 | 6,711 | Pass | 1.9E-01 | 1 | 5 | Pass | Pass |
| Kappes, Cassiday & Associates | 13.0 Metallurgical Testing |
| September 2024 | Page 13-19 |
![]() | Reward Feasibility Study Technical Report |
KCA Sample No. | KCA Test No. | Sample Description | Crush Size, mm | Material Type | Test Phase | Cement Added, kg/mt | Effective Height m | Flow Rate, l/h/m2 | Flow Result Pass/Fail | Saturated Permeability, cm/sec | Incremental Slump % | Cum. Slump, % Slump | Slump Result Pass/Fail | Overall Pass/Fail |
| Stage Load | 100 | 6,181 | Pass | 1.7E-01 | 1 | 6 | Pass | Pass | ||||||
| Stage Load | 120 | 5,847 | Pass | 1.6E-01 | 1 | 7 | Pass | Pass | ||||||
| Stage Load | 140 | 5,415 | Pass | 1.5E-01 | 1 | 8 | Pass | Pass | ||||||
| Stage Load | 160 | 4,920 | Pass | 1.4E-01 | 2 | 10 | Pass | Pass | ||||||
| Stage Load | 180 | 4,446 | Pass | 1.2E-01 | 0 | 10 | Pass | Pass | ||||||
| Stage Load | 200 | 3,969 | Pass | 1.1E-01 | 1 | 11 | Fail | Fail | ||||||
| Stage Load | 220 | 3,573 | Pass | 9.9E-02 | 1 | 12 | Fail | Fail | ||||||
| Stage Load | 240 | 3,221 | Pass | 8.9E-02 | 0 | 12 | Fail | Fail |
| Kappes, Cassiday & Associates | 13.0 Metallurgical Testing |
| September 2024 | Page 13-20 |
![]() | Reward Feasibility Study Technical Report |
13.5.5 KCA 2018 Column Leach Tests
Duplicate column leach tests were performed on each composite at a crush size of P100 of 9.5 mm (⅜”). The columns were leached for 120 days. After 120 days, one column from each duplicate set from the Good Hope Deposit was taken off-line and the other column was allowed to continue leaching for an additional 34 days. Both duplicate Gold Ace Zone columns were leached for 121 days before being taken off-line. Results from the column leach tests are presented in Table 13-16. Column leach recovery curves based on carbon assays are shown in Figure 13-8 and based on tonnes of solution per tonne of ore in Figure 13-9.
Results of the column tests for the Good Hope Deposit confirm the results from the 2008 McClelland program. Gold recoveries ranged from 78% to 83% with an average recovery of 81%. Gold recoveries on the composite from the Gold Ace Zone were significantly lower, averaging 60.5%. Reagent consumptions for the Good Hope Deposit were low to moderate averaging 3.06 lb/st for NaCN and 2.18 lbs/t for lime. Gold Ace Zone reagent consumptions averaged 2.18 lb/st for NaCN and 3.52 lb/st for lime.
Based on the leach curves, most of the columns were still leaching when the columns were terminated. Additional leaching may be realized during secondary leaching from higher lifts or from heap rinsing.
Figure 13-8 KCA 2018 Column Leach Curves – Carbon Assays.

Note: Figure prepared by KCA, 2018.
| Kappes, Cassiday & Associates | 13.0 Metallurgical Testing |
| September 2024 | Page 13-21 |
![]() | Reward Feasibility Study Technical Report |
Table 13-16 KCA 2018 Column Leach Tests.
| Gold Head Grade, g/mt | Extracted Au | Tails | Calculated Tail | Leach | NaCN Cons. | Ca(OH)2 Addn | |||
| Description | Average | Screen | Calculated | (g/tonne) | (g/tonne) | Extracted % | p80 Size (mm) | Days | (kg/mt) | (kg/mt) |
| CRR17-001 | 0.644 | 0.632 | 0.656 | 0.529 | 0.127 | 81 | 6.24 | 120 | 1.53 | 1.29 |
| CRR17-001 | 0.644 | 0.632 | 0.653 | 0.507 | 0.146 | 78 | 6.69 | 154 | 1.98 | 1.26 |
| CRR17-002A | 1.075 | 1.070 | 0.992 | 0.820 | 0.172 | 83 | 6.23 | 120 | 1.44 | 1.00 |
| CRR17-002A | 1.075 | 1.070 | 1.072 | 0.835 | 0.237 | 78 | 6.24 | 154 | 1.54 | 1.00 |
| CRR17-003 | 0.675 | 0.668 | 0.677 | 0.556 | 0.121 | 82 | 6.13 | 120 | 1.14 | 1.01 |
| CRR17-003 | 0.675 | 0.668 | 0.654 | 0.539 | 0.115 | 82 | 6.60 | 154 | 1.53 | 0.99 |
| CRR18-027 | 1.769 | 1.578 | 1.134 | 0.685 | 0.449 | 60 | 6.52 | 121 | 1.10 | 1.76 |
| CRR18-027 | 1.769 | 1.578 | 1.113 | 0.676 | 0.437 | 61 | 6.36 | 121 | 1.07 | 1.76 |
Table 13-17 KCA 2018 Column Leach Test, Silver
| Silver Head Grade, g/mt | Extracted Ag | Tails | Calculated Tail | Leach | NaCN Cons. | Ca(OH)2 Addn | |||
| Description | Average | Screen | Calculated | (g/tonne) | (g/tonne) | Extracted % | p80 Size (mm) | Days | (kg/mt) | (kg/mt) |
| CRR17-001 | 0.62 | 0.51 | 0.54 | 0.16 | 0.38 | 30 | 6.24 | 120 | 1.53 | 1.29 |
| CRR17-001 | 0.62 | 0.51 | 0.56 | 0.19 | 0.37 | 34 | 6.69 | 154 | 1.98 | 1.26 |
| CRR17-002A | 0.62 | 0.55 | 0.62 | 0.22 | 0.40 | 36 | 6.23 | 120 | 1.44 | 1.00 |
| CRR17-002A | 0.62 | 0.55 | 0.62 | 0.24 | 0.38 | 39 | 6.24 | 154 | 1.54 | 1.00 |
| CRR17-003 | 0.62 | 0.53 | 0.56 | 0.20 | 0.36 | 35 | 6.13 | 120 | 1.14 | 1.01 |
| CRR17-003 | 0.62 | 0.53 | 0.57 | 0.21 | 0.36 | 37 | 6.60 | 154 | 1.53 | 0.99 |
| CRR18-027 | 1.61 | 1.61 | 1.66 | 0.46 | 1.20 | 28 | 6.52 | 121 | 1.10 | 1.76 |
| CRR18-027 | 1.61 | 1.61 | 1.70 | 0.44 | 1.26 | 26 | 6.36 | 121 | 1.07 | 1.76 |
| Kappes, Cassiday & Associates | 13.0 Metallurgical Testing |
| September 2024 | Page 13-22 |
![]() | Reward Feasibility Study Technical Report |
Figure 13-9 KCA 2018 Column Leach Curves – Tonnes Solution per Tonne Ore.

Note: Figure prepared by KCA, 2018.
13.5.6 2018 KCA Program Conclusions
Results from the KCA 2018 program were consistent with results observed during the 2008 McClelland program with gold recoveries for the main ore body at P80 of ¼ inch (P100 of ⅜ inch) averaging 81% without field deduction. Reagent consumptions were also low to moderate with cyanide consumptions averaging 3.06 lb/st for NaCN and 2.18 lb/st for lime. Results from the program also show no significant variations in recovery or reagent consumptions based on material grade or spatial representation for the Good Hope Deposit. Cement agglomeration is not required for heap heights up to 262 ft.
Recoveries for the Gold Ace Zone were significantly lower, averaging 60.5% for gold and reagent consumptions averaging 2.18 lb/st for NaCN and 3.52 lb/st for lime.
13.6 Analysis and Discussion
Metallurgical samples from historical and recent KCA test programs appear to be spatially representative for the Good Hope Deposit. Only limited data are available for the Gold Ace Zone, which includes two column leach tests on duplicate samples and one pulverized bottle roll test.
13.6.1 Crush Size and Grade versus Recovery
A plot of size versus recovery for all column and bottle roll tests completed by McClelland and KCA is presented in Figure 13-10.
| Kappes, Cassiday & Associates | 13.0 Metallurgical Testing |
| September 2024 | Page 13-23 |
![]() | Reward Feasibility Study Technical Report |
Figure 13-10 Size versus Recovery – 2018 KCA and 2008 McClelland Test Data.

Note: Figure prepared by KCA, 2019.
Figure 13-10 shows a strong correlation between crush size and recovery with recoveries generally decreasing with coarser crush sizes. Based on the graph of all crush size data, the expected laboratory recovery for gold at a crush size of P80 of ¼ inch would be approximately 79%; however, relying on the consistent results from the 2018 KCA and 2008 McClelland column leach tests, KCA believes the average laboratory recovery of 81% is the best estimate of that crush size. Including a 2% field recovery deduction, KCA recommends a 79% field recovery for gold for the Good Hope Deposit.
Only limited data is available for the Gold Ace Zone, including one bottle roll and two duplicate column leach tests. Although the bottle roll results at P100 of 150 µm are consistent with the results of the Good Hope Deposit, column leach tests were significantly lower, averaging 60.5%. It is unclear why the Gold Ace recoveries are at variance with the Good Hope Deposit, given the proximity and similar makeup of the material; however, preliminary mineralogy results suggest the gold in the Gold Ace Zone is finely disseminated while the Good Hope mineralization is coarser, allowing for more adequate liberation at coarser crush sizes. Although not confirmed, KCA suspects there may be some silica encapsulation of the gold in the Gold Ace mineralization. Based on data available, KCA recommends a field recovery of 58.5% for the Gold Ace mineralization, including field deduct.
13.6.2 Leach Cycle
KCA estimates the field leach cycle duration from column leach test data. The method includes studying the shape of the Recovery versus Solution to Solids Ratio curve to determine where it
| Kappes, Cassiday & Associates | 13.0 Metallurgical Testing |
| September 2024 | Page 13-24 |
![]() | Reward Feasibility Study Technical Report |
bends or flattens. The “Solution to Solids Ratio” at the bend is converted to field time using the heap’s solution application rate. The Recovery versus Time curve is then studied to estimate the days between the bend and when leaching is complete. The days are summed to determine a total leach time.
The leach cycle was estimated based on column testwork at P80 of ¼ inch performed at KCA in October 2018, including six column tests from the Gold Hope deposit and two from the Gold Ace deposit. The data is summarized in Table 13-18 below.
Table 13-18 Leach Cycle
Sample | Test Number | Deposit | Leach Cycle, days |
| CRR17-001 | 80624 | Good Hope | 179 |
| CRR17-001 | 80627 | Good Hope | 231 |
| CRR17-002A | 80630 | Good Hope | 159 |
| CRR17-002A | 80633 | Good Hope | 202 |
| CRR17-003 | 80636 | Good Hope | 151 |
| CRR17-003 | 80639 | Good Hope | 191 |
| CRR18-027 | 80653 | Gold Ace | 154 |
| CRR18-027 | 80656 | Gold Ace | 169 |
The average leach cycle for all tests was 179 days, the average for Good Hope material was 185 days. A leach cycle of 180 days was chosen for the project.
13.6.3 Reagent Consumptions
13.6.3.1 Cyanide
Cyanide consumptions are based on the column test data at P80 of ¼ inch. The average laboratory cyanide consumption is estimated at 2.92 lb/st. KCA typically estimates field consumption of cyanide to be 25% to 33% of the laboratory cyanide consumption observed in column tests. The higher end of the spectrum (33%) is used when silver and/or other metals are present in above average quantities or when the observed laboratory consumption is unusually low. If the observed consumption is “average” and the ore is “clean”, i.e. a gold only ore, 25% is used. In the case of the Good Hope material, the observed laboratory cyanide consumption is quite low, so the field cyanide consumption is estimated at 25% of laboratory consumption.
13.6.3.2 Lime
Lime is required for pH control during leaching. Since hydrated lime was used for the laboratory leach tests, the laboratory lime consumptions are adjusted to accurately predict the consumption of quick lime (CaO at 100% purity) in the field. Lime consumptions are based on the column test data at P80 of ¼ inch with an estimated field consumption of 1.53 lb/st. Lime consumption from the 2008 McClelland column at P80 of ¼ inch is not considered in this calculation as it is significantly lower than the other tests and does not appear to be representative.
| Kappes, Cassiday & Associates | 13.0 Metallurgical Testing |
| September 2024 | Page 13-25 |
![]() | Reward Feasibility Study Technical Report |
13.6.4 Conclusions and Key Design Parameters
Processing factors that are expected to impact potential economic extraction are as discussed herein. There are no deleterious elements that are expected to have a significant effect on potential economic extraction.
Key design parameters from the metallurgical testwork for the Good Hope Deposit include:
| ● | Crush size P80 of ¼ inch. |
| ● | Estimated gold field recovery of 79% including 2% field deduction. |
| ● | Design leach cycle of 180 days. |
| ● | Average field sodium cyanide consumption of 0.73 lb/st. |
| ● | Average field lime consumption of 1.53 lb/st based on 100% CaO purity. |
| ● | Cement agglomeration not required up to heap heights of 262 ft. |
Key design parameters from the metallurgical testwork for the Gold Ace Zone include:
| ● | Crush size P80 of ¼ inch. |
| ● | Estimated gold recovery of 58.5% including 2% field deduction. |
| ● | Design leach cycle of 180 days. |
| ● | Average field sodium cyanide consumption of 0.72 lb/st. |
| ● | Average field lime consumption of 2.46 lb/st based on 100% CaO purity. |
| ● | Cement agglomeration not required up to heap heights of 262 ft. |
| Kappes, Cassiday & Associates | 13.0 Metallurgical Testing |
| September 2024 | Page 13-26 |
![]() | Reward Feasibility Study Technical Report |
14.0 MINERAL RESOURCE ESTIMATES
Several prior NI 43-101 Mineral Resource estimates for the Project are outlined by Barnard et al. (2012). The Mineral Resource Estimate (MRE) for this study is based upon historic drilling and drilling conducted by CR Reward during 2017 and 2018 and this estimate supersedes all prior resource estimates.
The MRE was undertaken by APEX personnel of Edmonton, Alberta, Canada. The Mineral Resource estimate was completed by Mr. Warren Black, M.Sc., P.Geo. and Mr. Steven Nicholls, BA.Sc., MAIG under the direct supervision of Mr. Michael Dufresne, M.Sc., P.Geol., P.Geo., all of whom are independent qualified persons employed by APEX. Mr. Dufresne takes responsibility for the MRE herein. The estimate herein was first produced in 2022 (Dufresne et al., 2022) and is reproduced with updated economic factors for a new constraining pit shell and reasonable prospects for eventual economic extraction (RPEEE).
Definitions used in this section are consistent with those adopted by the Canadian Institute of Mining, Metallurgy and Petroleum (“CIM”) Council in “Estimation of Mineral Resources and Mineral Reserves Best Practice Guidelines” dated November 29th, 2019 and “Definition Standards for Mineral Resources and Mineral Reserves” dated May 10th, 2014, and prescribed by the Canadian Securities Administrators’ NI 43-101 and Form 43-101F1, Standards of Disclosure for Mineral Projects and the standards of S-K 1300. Mineral Resources that are not Mineral Reserves do not have demonstrated economic viability.
14.1 Introduction
Statistical analysis, three-dimensional (3D) modelling and resource estimation were completed by Mr. Warren Black with assistance from Mr. Steven Nicholls. The workflow implemented for the estimate was completed using the commercially available Micromine (v 18.0) software. The workflow implemented for the evaluation of reasonable prospects for eventual economic extraction was completed using the Deswik CAD v2023.1 optimization software. The Anaconda Python distribution (Continuum Analytics, 2017) and contributions made by Mr. Black to the Python package pygeostat (CCG, 2016) were used for supplemental data analysis.
CR Reward (and Augusta) provided APEX with a drill hole database that consisted of analytical, geological, density, and collar survey information; initial estimation domains for both the Good Hope Deposit and Gold Ace Zone; and a geological model for the mineralization that contains a stratigraphic and structural 3D interpretation. APEX thoroughly reviewed the provided data from late 2017 to 2018 data to ensure the database was in good shape and considered suitable for resource estimation. However, APEX personnel did not conduct a detailed validation of the data provided. The initial data and project review conducted in the fall of 2017 was, in part, the reason for additional drilling conducted by CR Reward. In the opinion of the QP, the current Reward drill hole database is suitable for use in resource estimation.
| Kappes, Cassiday & Associates | 14.0 Mineral Resource Estimates |
| September 2024 | Page 14-1 |
![]() | Reward Feasibility Study Technical Report |
APEX personnel conducted resource modelling in local grid coordinate space in feet relative to the North American Datum (NAD) of 1927 (Zone 11). The database comprises 376 drill holes completed in the period 1987 to 2018 of which 264 were used in the Good Hope and Gold Ace resource modelling. APEX and CR Reward personnel constructed estimation domains using a combination of gold grade, silica alteration, and quartz veining (Figure 14-1). The domains were used to subdivide the deposit into volumes of rock and the measured sample intervals within those volumes for geostatistical analysis.
The MRE was prepared using a block model size of 20 ft (X) by 20 ft (Y) by 20 ft (Z). APEX personnel estimated the gold grade for each block using ordinary kriging (OK) with locally varying anisotropy to ensure grade continuity in various directions is reproduced in the block model. The block model was partially diluted by estimating a waste grade for the outer blocks using composites within a transition zone along the outer edge of the mineralized estimation domain that was then proportionately combined with the estimated grade for the portion of the block within the mineralized domain.
Figure 14-1 Mineral Resource Estimate Mineralized Domain Outlines.

Note: Figure prepared by APEX, 2019.
| Kappes, Cassiday & Associates | 14.0 Mineral Resource Estimates |
| September 2024 | Page 14-2 |
![]() | Reward Feasibility Study Technical Report |
14.2 Data
14.2.1 Drill Hole Data
The Reward drill hole database utilized by APEX personnel for resource estimation, including the recently completed 2017-2018 drill holes, consists of 143,465 ft (43,728 m) in 376 holes, including 348 historic drill holes. The database includes 130,032 ft (39,634 m) in 341 historic RC holes, 2,137 ft (651 m) in 7 core holes, and 11,296 ft (3,443 m) in 28 core holes completed during late 2017 to early 2018. The 2017 – 2018 core holes combined with the historic core holes represent 9.3% of the drill hole population by number of holes and footage. The historic drill holes were completed between 1987 and 2013, with 276 holes completed between 1987 and 1999, 72 holes between 2000 and 2013.
The drill hole assay database consists of 26,092 sample/interval entries with 336 intervals with a value of -9 and 80 blank assay intervals. The bulk of the blank and -9 intervals are generally top of hole casing intervals that were not sampled, top of hole waste not sampled, or poor recovery intervals. The 2017 – 2018 drill hole database is comprised of 2,356 sample intervals. The holes contain 28 blank assay intervals that are mostly top of hole casing intervals with a few poor recovery intervals.
Within the provided DHDB, a total of 264 drill holes intersect the Good Hope or the Gold Ace mineralized domains, including 33 core holes and 231 RC holes. A total of 179 reverse circulation (RC) and 24 diamond drill holes (DDH) intercept the Good Hope estimation domains with 9 core and 52 RC holes intercepting the Gold Ace estimation domain.
Within the Good Hope Zone database, 34 samples have a value if -9 or have no value and are within the Good Hope estimation domains, of which, are indicated as “not assayed” or “not sampled.” Therefore, the 34 samples are assigned a value of 0.0025 ppm Au (0.0001 oz/t).
Within the Gold Ace Zone database, 14 samples have a value if -9 or have no value and are within the Gold Ace estimation domain, all of which have a “Sample_Au_Assay” value of -99, NA or NS. Within the provided “2018_Reward_Code_Sheet.xlsx” spreadsheet, “-99” indicates “Not sampled, Not assayed, no log”; “NA” indicates “not assayed;” and “NS” indicated “not sampled.” Therefore, the 14 samples are assigned a value of 0.0025 ppm Au (0.0001 oz/t).
Histograms, cumulative frequency plots and summary statistics for the Reward project un-composited samples that are situated within the interpreted mineralized lodes are presented in Figure 14-2, Figure 14-3 and Figure 14-4 and tabulated in Table 14-1. The Reward gold samples generally exhibit a single population of assay data. Due to the single population present, linear estimation techniques are suitable for statistical estimation use for the Good Hope and Gold Ace Deposits.
| Kappes, Cassiday & Associates | 14.0 Mineral Resource Estimates |
| September 2024 | Page 14-3 |
![]() | Reward Feasibility Study Technical Report |
Figure 14-2 Histogram of the Raw Gold Assay Values of Sample Intervals Flagged
within the Good Hope and Gold Ace Estimation Domains (APEX, 2024).

Figure 14-3 Cumulative Frequency Plot of Raw Gold Assay Values of Sample Intervals Flagged
within the Good Hope Zone Estimation Domains(APEX, 2024).

| Kappes, Cassiday & Associates | 14.0 Mineral Resource Estimates |
| September 2024 | Page 14-4 |
![]() | Reward Feasibility Study Technical Report |
Figure 14-4 Cumulative Frequency Plot of Raw Gold Assay Values of Sample Intervals Flagged
within the Gold Ace Estimation Domain (APEX, 2024).

Table 14-1 Summary Statistics of Raw Gold Assays (in ppm) of Sample Intervals Flagged
within the Good Hope and Gold Ace Estimation Domains (APEX, 2024).
| Global | Good Hope | Gold Ace | |
| count | 7,340 | 6,747 | 593 |
| mean | 0.798 | 0.774 | 1.067 |
| std | 1.701 | 1.262 | 4.203 |
| var | 2.894 | 1.592 | 17.666 |
| CV | 2.133 | 1.630 | 3.939 |
| min | 0.002 | 0.003 | 0.002 |
| 25% | 0.137 | 0.140 | 0.103 |
| 50% | 0.375 | 0.377 | 0.309 |
| 75% | 0.891 | 0.891 | 0.823 |
| max | 83.300 | 37.890 | 83.300 |
14.2.2 APEX Micromine Database Validation
The Micromine software has a set of verification tools to evaluate drill hole data. These tools were run on the data when initially received in 2017, and again when the data for the 2017–2018 drill holes were added. The verification returned 260 warnings, all indicating that there were samples in the assay database that were greater than 10 feet in length. It appeared that portions of, or all of, drill holes 88-01 to 88-09 used 15 ft as a standard sampling length protocol. With the 15 ft samples removed from the 88-01 to 88-09 drill holes, the warnings dropped to a total of 139 samples which had sample lengths ranging from 15 ft to 300 ft. A total of 83 of these intervals start from the collar and represent overburden or disturbed material at the top of the drill hole, or rock that was considered unmineralized at the top of the drill holes. The remaining 55 sample
| Kappes, Cassiday & Associates | 14.0 Mineral Resource Estimates |
| September 2024 | Page 14-5 |
![]() | Reward Feasibility Study Technical Report |
intervals likely represent composite sampling of material that was initially considered to be unmineralized in the older drill holes.
Based upon the validation and review of the drill hole database performed by APEX, the drill hole database, Mr. Dufresne considers the drill hole database acceptable for Mineral Resource estimation.
14.3 Geological Model and Domains
CR Reward provided APEX with a structural and formation model that was created to support resource modelling. The area of the Good Hope fault zone has greatest density of available drill data. A total of 171 geologic logs and four geotechnical logs were used to create the models using east–west-oriented, hand-interpreted, paper cross-sections that were translated into a 3D geological model in Micromine including lithology/stratigraphy and faults. APEX did not directly use the lithological model when creating estimation domains. However, it was, in addition to the structural model, used to guide the orientation of structural controls on gold mineralization when modelling the estimation domains.
CR Reward also provided preliminary solids for alteration zones at Good Hope and Gold Ace. The solids consisted of low silica and high silica shapes. These solids were initially prepared and reviewed in late 2017. The shapes were modified and reviewed after the results of the 2017 and 2018 drilling campaigns were available.
Gold mineralization at the Good Hope Deposit and Gold Ace Zone are both geographically and geologically distinct and require separate treatment. Three estimation domains were used. The estimation domains are 3D wireframes modelled using a sectional approach that considers all available subsurface geological data pertinent to gold mineralization. CR Reward provided APEX with a low-grade (LG) gold mineralization estimation domain for the Good Hope Deposit. APEX created a high-grade (HG) domain for the Good Hope Deposit and generated an estimation domain for the Gold Ace Zone.
14.3.1 Good Hope Deposit
APEX personnel interpreted two primary mineralization orientations in the Good Hope Deposit:
| ● | Fault-controlled mineralization generally striking north to north-northwest that dips steeply to the east. |
| ● | Stratigraphic-controlled mineralization generally striking north-northeast that dips moderately to the east. |
Two estimation domains were created to ensure that the spatially restricted HG zone and the peripheral LG mineralization could not unreasonably influence each other during estimation. The final estimation domains used during the calculation of the resource estimate for the Good Hope Zone are illustrated in Figure 14-5.
| Kappes, Cassiday & Associates | 14.0 Mineral Resource Estimates |
| September 2024 | Page 14-6 |
![]() | Reward Feasibility Study Technical Report |
Figure 14-5 Orthogonal View of LG (Blue) and HG (Orange) Estimation Domains, Good Hope Deposit (APEX, 2024).

14.3.1.1 Low-Grade Alteration Domain (LG)
CR Reward created the LG domain for the Good Hope Deposit using the following criteria:
| ● | Assay greater than or equal to 0.002 oz/t Au with logged quartz veining and/or any intensity of silica alteration. |
| ● | Assay values greater than or equal to 0.005 oz/t Au. |
The LG domain was interpreted using east–west sections at 50 ft spacing. APEX personnel edited the interpretations to ensure that the domain did not extend into areas with no drill support or into zones of waste without silica alteration or veining.
14.3.1.2 High Grade Gold Shell (HG)
APEX personnel modelled a HG gold grade shell using an assay value of greater than 0.015 oz/t Au. While constructing the HG domain, the structural and lithological interpretation provided by CR Reward were used as guides in addition to the trend of the Good Hope LG domain. The interpretation was completed using east-west drill sections spaced at approximately 100 ft intervals and is restricted to the extents of the LG domain.
14.3.2 Gold Ace Zone
APEX personnel observed one primary orientation of mineralization in the Good Ace zone, consisting of stratigraphically controlled mineralization generally striking north-northeast that dips moderately to the east. The Gold Ace Zone was remodelled several times by CR Reward and APEX geologists and, in general, was too thin and discontinuous to model a HG zone within the
| Kappes, Cassiday & Associates | 14.0 Mineral Resource Estimates |
| September 2024 | Page 14-7 |
![]() | Reward Feasibility Study Technical Report |
LG estimation domain. As a result, only a LG domain was used in estimation. The final estimation domain used during the calculation of the resource estimate for the Gold Ace Zone are illustrated in Figure 14-6.
Figure 14-6 Orthogonal View of the LG (Solid Orange) Estimation Domain, Gold Ace Zone.

Note: Figure prepared by APEX, 2019.
14.4 Drill Hole Flagging and Compositing
14.4.1 Sample Width Analysis
Downhole sample width analysis shows that the drill hole samples ranged from 0.5 ft to 25 ft with the dominant sample length being 5 ft. A composite length of 10 ft was selected as it provides adequate resolution for mining purposes and is equal to or larger in length than 99.9 % of the drill hole samples (Figure 14-7). Length-weighted composites were calculated using all raw gold assays with interval centroids within the estimation domains for both the Good Hope Deposit and Gold Ace Zone.
The compositing process started from the drill hole collar and ended at the bottom of the hole. However, when the Good Hope HG estimation domain was intersected, composites within the domain began at the first point of intersection between the drill hole and the estimation domain wireframe and stopped upon exiting the wireframe. In this case, the composite before the first intersection of the HG estimation domain was truncated at the upper contact and composites after exiting the HG estimation domain wireframe began at the lower contact. The centroids of the resulting composites were flagged as lying within either the LG or HG estimation domain.
| Kappes, Cassiday & Associates | 14.0 Mineral Resource Estimates |
| September 2024 | Page 14-8 |
![]() | Reward Feasibility Study Technical Report |
Figure 14-7 Histogram of Sample Lengths within Estimation Domains for both the
Good Hope and Gold Ace Zones (APEX, 2024).

14.4.2 Remnant Analysis
The distributions of the composites with and without remnant intervals (composites with a length of less than 10 ft) were examined to determine if there is any noticeable bias in gold grade during the compositing process. Composites equal to 10 ft, greater than or equal to 5 ft, and 10 ft composites with all remnants were evaluated. Summary statistics for this analysis are provided in Table 14-2. While the decrease in mean is not favorable, the exclusion of remnants greater than or equal to 5 ft decreases the number of composites by 11.4%. Their removal could significantly increase the error in the estimated Mineral Resource as the amount of available conditioning data would be reduced; therefore, they are included as conditioning data. The 31 samples that are less than 5 ft in length were excluded.
Remnant analysis for the Good Hope composites showed a decrease in the mean of approximately 0.001 oz/t Au when remnants are included, compared to composites that are equal to 10 ft as shown in Table 14-2.
| Kappes, Cassiday & Associates | 14.0 Mineral Resource Estimates |
| September 2024 | Page 14-9 |
![]() | Reward Feasibility Study Technical Report |
Table 14-2 Remnant Analysis comparing the Gold Statistics (in ppm) of Raw Assays and Uncapped Composite Samples with and without Orphans
| Good Hope | Gold Ace | |||||||
| Raw Assays | Comps with Orphans | Comps 10 ft Only | Comps ≥ 5 ft | Raw Assays | Comps with Orphans | Comps 10 ft Only | Comps ≥ 5 ft | |
| count | 6,747 | 3,577 | 3,164 | 3,546 | 593 | 327 | 293 | 321 |
| mean | 0.774 | 0.756 | 0.789 | 0.756 | 1.067 | 0.956 | 0.903 | 0.856 |
| std | 1.262 | 1.061 | 1.101 | 1.062 | 4.203 | 2.455 | 1.848 | 1.776 |
| var | 1.592 | 1.125 | 1.212 | 1.128 | 17.666 | 6.028 | 3.416 | 3.155 |
| CV | 1.630 | 1.403 | 1.396 | 1.404 | 3.939 | 2.568 | 2.047 | 2.075 |
| min | 0.003 | 0.003 | 0.003 | 0.003 | 0.002 | 0.003 | 0.003 | 0.003 |
| 25% | 0.140 | 0.171 | 0.178 | 0.171 | 0.103 | 0.120 | 0.120 | 0.120 |
| 50% | 0.377 | 0.397 | 0.411 | 0.397 | 0.309 | 0.334 | 0.360 | 0.343 |
| 75% | 0.891 | 0.925 | 0.983 | 0.926 | 0.823 | 0.913 | 1.011 | 0.909 |
| max | 37.890 | 19.107 | 19.107 | 19.107 | 83.300 | 31.346 | 22.834 | 22.834 |
Figure 14-8 illustrates that there is little difference between the distributions of composited gold grades with the various composite length scenarios.
Remnant analysis for the Gold Ace Zone composites reveals an increase in the mean of approximately 0.002 oz/t Au when orphans are included, compared to composites that are equal to 10 ft (refer to Table 14-2). Figure 14-9 illustrates little difference between the distribution of composited gold grade with the various composite length scenarios. A significant drop in mean is observed when compositing raw samples at the Gold Ace Zone as there are numerous large intervals (e.g., 150 ft) in the drill hole database that are not sampled and assigned a value of 0.0001 oz/t Au. During the composite process, these samples are split into multiple composites, leading to a lower but more representative mean value. The exclusion of remnants greater than or equal to 5 ft decreases the number of composites by 9.1%. As their removal would significantly increase error in the estimated Mineral Resource, they are included as conditioning data. The six samples that are less than 5 ft in length were excluded.
Table 14-3 Remnant Analysis comparing the Gold Statistics (in ppm) of Raw Assays and Uncapped Composite Samples with and without Orphans.
|
| Good Hope | Gold Ace | ||||||
| Raw Assays | Comps with Orphans | Comps 10 ft Only | Comps ≥ 5 ft | Raw Assays | Comps with Orphans | Comps 10 ft Only | Comps ≥ 5 ft | |
| count | 6,747 | 3,577 | 3,164 | 3,546 | 593 | 327 | 293 | 321 |
| mean | 0.774 | 0.756 | 0.789 | 0.756 | 1.067 | 0.956 | 0.903 | 0.856 |
| std | 1.262 | 1.061 | 1.101 | 1.062 | 4.203 | 2.455 | 1.848 | 1.776 |
| var | 1.592 | 1.125 | 1.212 | 1.128 | 17.666 | 6.028 | 3.416 | 3.155 |
| CV | 1.630 | 1.403 | 1.396 | 1.404 | 3.939 | 2.568 | 2.047 | 2.075 |
| min | 0.003 | 0.003 | 0.003 | 0.003 | 0.002 | 0.003 | 0.003 | 0.003 |
| 25% | 0.140 | 0.171 | 0.178 | 0.171 | 0.103 | 0.120 | 0.120 | 0.120 |
| 50% | 0.377 | 0.397 | 0.411 | 0.397 | 0.309 | 0.334 | 0.360 | 0.343 |
| 75% | 0.891 | 0.925 | 0.983 | 0.926 | 0.823 | 0.913 | 1.011 | 0.909 |
| max | 37.890 | 19.107 | 19.107 | 19.107 | 83.300 | 31.346 | 22.834 | 22.834 |
| Kappes, Cassiday & Associates | 14.0 Mineral Resource Estimates |
| September 2024 | Page 14-10 |
![]() | Reward Feasibility Study Technical Report |
Figure 14-8 Remnant Analysis Illustrating the Gold Distribution of Calculated Composite within the Good Hope Deposit (APEX, 2024).
Figure 14-9 Orphan Analysis Illustrating the Gold Distribution of Calculated Composite within the Gold Ace Zone (APEX, 2024).
14.5 Capping
To ensure gold grade is not over-estimated by including outlier values during estimation, composites were capped to a specified maximum value. Probability plots illustrating all values were used to identify outlier values that appear higher than expected relative to the estimation domain’s gold composite population.
The probability plot of composited gold grades within the Good Hope Deposit (Figure 14-10) suggests there are five outlier composites that have gold values greater than 0.292 oz/t Au. Visual inspection of the potential outliers in Micromine revealed that they have no spatial continuity with each other. Therefore, a capping level of 0.292 oz/t Au was applied. The resulting gold grade
| Kappes, Cassiday & Associates | 14.0 Mineral Resource Estimates |
| September 2024 | Page 14-11 |
![]() | Reward Feasibility Study Technical Report |
distribution of the capped composites is illustrated in Figure 14-11 and summary statistics are detailed in Table 14-3.
Figure 14-10 Probability Plot of the Composited Gold Grade at the Good Hope Zone before Capping (APEX, 2024).
Figure 14-11 Cumulative Frequency Plots of the Composited and Capped Gold Grade within the Good Hope Zone Estimation Domains (APEX, 2024).
The probability plot of composited gold grades within the Gold Ace Zone (Figure 14-12) suggests there are eight outlier composites that have gold values greater than 0.146 oz/t Au. Visual inspection of the potential outliers reveal they have no spatial continuity with each other. Therefore, a capping level of 0.146 oz/t Au was applied to composites used to calculate the Gold Ace Zone resource estimate. The resulting gold grade distribution of the capped composites is illustrated in Figure 14-13 and summary statistics are detailed in Table 14-3.
| Kappes, Cassiday & Associates | 14.0 Mineral Resource Estimates |
| September 2024 | Page 14-12 |
![]() | Reward Feasibility Study Technical Report |
Figure 14-12 Probability Plot of the Composited Gold Grade at the Gold Ace Zone before Capping (APEX, 2024).
Figure 14-13 Cumulative Frequency Plot of the Composited and Capped Gold Grade within Gold Ace Zone Estimation Domain (APEX, 2024).
| Kappes, Cassiday & Associates | 14.0 Mineral Resource Estimates |
| September 2024 | Page 14-13 |
![]() | Reward Feasibility Study Technical Report |
Table 14-4 Summary Statistics of Gold Grade (in ppm) of Capped Composite Intervals Flagged within the Good Hope and Gold Ace Estimation Domains.
| Global | Good Hope Uncapped | Good Hope Capped | Gold Ace Uncapped | Gold Ace Capped | |
| count | 3,867 | 3546 | 3,546 | 321 | 321 |
| mean | 0.753 | 0.756 | 0.753 | 0.856 | 0.756 |
| std | 1.015 | 1.1062 | 1.014 | 1.776 | 1.021 |
| var | 1.030 | 1.212 | 1.029 | 3.155 | 1.042 |
| CV | 1.348 | 1.404 | 1.348 | 2.075 | 1.349 |
| min | 0.003 | 0.003 | 0.003 | 0.003 | 0.003 |
| 25% | 0.169 | 0.171 | 0.171 | 0.12 | 0.120 |
| 50% | 0.394 | 0.397 | 0.397 | 0.343 | 0.343 |
| 75% | 0.926 | 0.926 | 0.926 | 0.909 | 0.909 |
| max | 10.000 | 19.107 | 10.000 | 22.834 | 5.000 |
14.6 Variography and Grade Continuity
APEX personnel calculated and modelled semi-variograms for gold using the 10 ft composites flagged within the estimation domains. Experimental semi-variograms for each zone were calculated along the major, minor, and vertical principle directions of continuity that are defined by three Euler angles. Euler angles describe the orientation of anisotropy as a series of rotations (using a left-hand rule) that are as follows:
| 1. | A rotation about the Z-axis (azimuth) with positive angles being clockwise rotation and negative representing counter-clockwise rotation; |
| 2. | A rotation about the X-axis (dip) with positive angles being counter-clockwise rotation and negative representing clockwise rotation; and |
| 3. | A rotation about the Y-axis (tilt) with positive angles being clockwise rotation and negative representing counter-clockwise rotation. |
Parameters of the modelled semi-variograms are documented in Table 14-4 and the calculated experimental semi-variogram and models used for resource estimation are illustrated in Figure 14-14 and Figure 14-15 respectively.
| Kappes, Cassiday & Associates | 14.0 Mineral Resource Estimates |
| September 2024 | Page 14-14 |
![]() | Reward Feasibility Study Technical Report |
Table 14-5 Gold Variogram Model Parameters.
|
Zone | C0 | Sill | Azm | Dip | Tilt | Structure 1 | Structure 2 | |||||||||
| Type | C1 | Ranges (ft) | Type | C2 | Ranges (ft) | |||||||||||
| Major | Minor | Vertical | Major | Minor | Vertical | |||||||||||
| Good Hope | 0.370 | 1.027 | 176 | -16 | -34 | sph | 0.411 | 80 | 140 | 60 | exp | 0.246 | 250 | 140 | 60 | |
| Gold Ace | 0.261 | 0.622 | 137 | -10 | -15 | sph | 0.124 | 220 | 120 | 30 | exp | 0.236 | 220 | 120 | 30 | |
| Note: | azm: azimuth, sph: spherical, exp: exponential; C0: nugget effect; C1: covariance contribution of structure 1; C2: covariance contribution of structure 2. |
Figure 14-14 Calculated and Modelled Semi-Variogram of Gold within the Good Hope Zone.
Dip Direction and Dip for each Principle Direction is in each Subplot Title (APEX, 2024).
| Kappes, Cassiday & Associates | 14.0 Mineral Resource Estimates |
| September 2024 | Page 14-15 |
![]() | Reward Feasibility Study Technical Report |
Figure 14-15 Calculated and Modelled Semi-Variogram of Gold within the Gold Ace Zone.
Dip Direction and Dip for each Principle Direction is in each Subplot Title (APEX, 2024).
14.7 Bulk Density
To determine what bulk densities should be applied to the block model, APEX personnel completed EDA on the available density data. The database contains 464 bulk density measurements, of which 134 are from the Good Hope Deposit, 32 are from the Gold Ace Zone and 298 are from waste rock. The centroids of intervals that were selected for bulk density measurements were flagged using the estimation domain and stratigraphic wireframes that are discussed in Section 14.3. All measurements were flagged within the stratigraphic unit they lie in and the estimation domain the sample is from, if it is not classed as waste.
At the Good Hope Deposit, little variation in the mean and median values were observed between bulk density measurements flagged within either the HG or LG estimation domains or individually (Table 14-5).
| Kappes, Cassiday & Associates | 14.0 Mineral Resource Estimates |
| September 2024 | Page 14-16 |
![]() | Reward Feasibility Study Technical Report |
Table 14-6 Bulk Density Measurements (g/cm3), Good Hope Deposit and Gold Ace Zone.
| Good Hope | Gold Ace | Waste | |||||||||||
| HG+LG | HG | LG | Zwc | Zsj | LG | Zss | Zsm | Zsb | Zsj | Zsm | Zss | Zwc | |
| count | 134 | 76 | 58 | 121 | 13 | 32 | 7 | 24 | 5 | 21 | 13 | 45 | 145 |
| mean | 2.58 | 2.58 | 2.59 | 2.59 | 2.55 | 2.69 | 2.61 | 2.71 | 2.59 | 2.58 | 2.65 | 2.59 | 2.62 |
| std | 0.14 | 0.16 | 0.11 | 0.14 | 0.05 | 0.16 | 0.18 | 0.16 | 0.11 | 0.04 | 0.12 | 0.11 | 0.12 |
| min | 1.62 | 1.62 | 2.35 | 1.62 | 2.46 | 2.31 | 2.31 | 2.32 | 2.48 | 2.48 | 2.29 | 2.40 | 2.23 |
| 25% | 2.53 | 2.54 | 2.52 | 2.54 | 2.51 | 2.58 | 2.53 | 2.60 | 2.49 | 2.56 | 2.63 | 2.51 | 2.56 |
| 50% | 2.59 | 2.59 | 2.59 | 2.60 | 2.54 | 2.70 | 2.61 | 2.72 | 2.59 | 2.58 | 2.69 | 2.57 | 2.63 |
| 75% | 2.64 | 2.64 | 2.66 | 2.66 | 2.59 | 2.80 | 2.71 | 2.82 | 2.69 | 2.60 | 2.72 | 2.68 | 2.71 |
| max | 2.97 | 2.97 | 2.79 | 2.97 | 2.66 | 3.04 | 2.86 | 3.04 | 2.70 | 2.64 | 2.76 | 2.84 | 2.89 |
| CV | 0.02 | 0.03 | 0.04 | 0.02 | 0.20 | 0.08 | 0.37 | 0.11 | 0.52 | 0.12 | 0.20 | 0.06 | 0.02 |
The blocks within the Good Hope Deposit are predominantly classed as Wood Canyon Formation with nearly equal amounts of Juhl Member and Sutton Member of the Stirling Formation (Table 14-7). There is a slight decrease in bulk density when comparing measurements within the Wood Canyon Formation lithologies and the Juhl Member, both inside and outside of the Good Hope estimation domains (Table 14-5, Figure 14-16 and Table 14-6). It is hard to determine with certainty if there is a relationship between gold grade and bulk density with the current dataset (Figure 14-7).
| Kappes, Cassiday & Associates | 14.0 Mineral Resource Estimates |
| September 2024 | Page 14-17 |
![]() | Reward Feasibility Study Technical Report |
Figure 14-16 Bulk Density Box Plots, Good Hope Deposit (APEX, 2024).
Figure 14-17 Bulk Density Scatter Plots Showing 3D Solids vs. Gold Grade, Good Hope Deposit (APEX, 2024).
As there are no discrepancies in the median (50th percentile) values of bulk density measurements within the Good Hope estimation domains, a bulk density value of 2.59 g/cm3 was applied to all blocks within the Good Hope mineralized zone.
| Kappes, Cassiday & Associates | 14.0 Mineral Resource Estimates |
| September 2024 | Page 14-18 |
![]() | Reward Feasibility Study Technical Report |
At the Gold Ace Zone, there is a change in bulk density between lithological units (Table 14-6). The blocks within the Gold Ace Zone are predominantly Morris Member with most other blocks being within the Sutton Member (Table 14-6Table 14-7 ). There is a decrease in bulk density when comparing bulk density measurements within the Morris Member and Sutton Member, both inside and outside of the Gold Ace estimation domain (Table 14-7, Figure 14-18). It is hard to determine with certainty if there is a relationship between gold grade and bulk density with the current dataset (Figure 14-19). As there is evidence for the need for a higher bulk density value for blocks flagged within the Morris Member, these blocks are assigned a value of 2.70 g/cm3. However, as there is an insufficient number of bulk density measurements of the Sutton Member within the Gold Ace estimation domain, all other blocks at the Gold Ace Zone were assigned a bulk density value of 2.59 g/cm3.
Table 14-7 Percentage of Blocks Flagged within each Formation for the Good Hope and Gold Ace Zones.
|
Formation | Good Hope % | Gold Ace % |
| Qal | 1 | 4 |
| Zwc | 75 | 0 |
| Zsj | 13 | 0 |
| Zss | 11 | 16 |
| Zsm | 0 | 79 |
| Zsb | 0 | 1 |
Figure 14-18 Bulk Density Box Plots, Gold Ace Zone (APEX, 2024).
| Kappes, Cassiday & Associates | 14.0 Mineral Resource Estimates |
| September 2024 | Page 14-19 |
![]() | Reward Feasibility Study Technical Report |
Figure 14-19 Bulk Density Scatter Plots Showing 3D Solids vs. Gold Grade, Gold Ace Zone (APEX, 2024).
14.8 Block Model
14.8.1 Block Model Parameters
The block model used fully encapsulates the estimation domains. When determining block model parameters, data spacing is the primary consideration in addition to ensuring the volume of the 3D estimation domain wireframes are adequately captured, and that potential mining equipment parameters are considered.
The data spacing of irregularly spaced drilling can be approximated by calculating the 90th percentile of a high-resolution block model of the distance from each block’s centroid to the nearest sample. Estimation errors are introduced when kriging is used to estimate a grade for blocks with a size larger than 25% of the data spacing. As illustrated in Figure 14-20 and Figure 14-21, the 90th percentile is 98 ft and 83 ft for the Good Hope Deposit and Gold Ace Zone respectively.
Figure 14-20 Cumulative Frequency Plot Illustrating the Distance from each Block Centroid to the nearest Composite Sample within the Good Hope Zone (APEX, 2024).
| Kappes, Cassiday & Associates | 14.0 Mineral Resource Estimates |
| September 2024 | Page 14-20 |
![]() | Reward Feasibility Study Technical Report |
Figure 14-21 Cumulative Frequency Plot Illustrating the Distance from each Block Centroid to the nearest Composite Sample within the Gold Ace Zone (APEX, 2024).
The previous resource estimate completed for the Project (CR Reward, 2017) used a parent block size of 20 by 20 by 20 ft that is less than 25% of the approximated data spacing for both the Good Hope Deposit and Gold Ace Zone. This size is a fairly standard mining unit size selected by many open pits in Nevada and is considered acceptable for use in the current estimate. The final block model is 4,920 ft long in the east-west direction, 5,480 ft long in the north-south direction and 1,900 ft deep (Table 14-8 ).
Table 14-8 Project Block Model Size and Extents.
|
Axis | Number of Blocks | Block Size (ft) | Minimum Extent (ft) | Maximum Extent (ft) |
| X (Easting) | 246 | 20 | 62,460 | 67,380 |
| Y (Northing) | 274 | 20 | 1,690 | 7,170 |
| Z (Elevation) | 95 | 20 | 3,040 | 4,940 |
A block factor that represents the percentage of each blocks volume that lies within each estimation domain is calculated for all three domains. The block factor is used to:
| ● | Flag which estimation domain each block belongs. |
| ● | Calculate the percentage of mineralized material and waste for each block. |
| ● | Calculate the volume of mineralized material of each block when undertaking the Mineral Resource estimate. |
| Kappes, Cassiday & Associates | 14.0 Mineral Resource Estimates |
| September 2024 | Page 14-21 |
![]() | Reward Feasibility Study Technical Report |
14.8.2 Volumetric Checks
A comparison of wireframe volume versus block model volume was performed to ensure there is no considerable over or understating of tonnages (Table 14-8, Table 14-9 ). The calculated block factor for each block was used to scale its volume when calculating the total volume of the block model.
Table 14-9 Wireframe versus Block Model Volume Comparison.
|
Wireframe | Wireframe Volume (ft3) | Block Model Volume with Block Factor (ft3) | Volume Difference (%) |
| Good Hope | 264,316,535 | 264,345,000 | 0.01 |
| Gold Ace | 20,694,986 | 20,687,500 | -0.04 |
| Total | 285,011,521 | 285,032,500 | 0.01 |
14.9 Grade Estimation
14.9.1 Estimation Methodology
Ordinary kriging was used to estimate gold grade for the Good Hope and Gold Ace block models. Grade estimates are only calculated for blocks that contain more than 1.56% mineralized material by volume. A block discretization of 2 (X) by 2 (Y) by 2 (Z) was applied to all blocks during estimation.
A two-pass method was employed that uses two different variogram model, search ellipsoid, and kriging parameter configurations (Table 14-9). A minimum of two drill holes was required for the first pass to ensure there are sufficient data when calculating the mean value used by OK. Volume-variance corrections were enforced by restricting the maximum number of conditioning data to 15 and the maximum number of composites from each drill hole to three. These restrictions were implemented to ensure the estimated models were not over smoothed which would lead to inaccurate estimation of global tonnage and grade. These corrections caused local conditional bias but ensured that the global estimate of grade and tonnage is accurately estimated.
| Kappes, Cassiday & Associates | 14.0 Mineral Resource Estimates |
| September 2024 | Page 14-22 |
![]() | Reward Feasibility Study Technical Report |
Table 14-10 Estimation Search and Kriging Parameters (LV – locally varying).
|
Pass | Variogram and Search Orientations (Dip Dir/Dip) | Max Variogram and Search Range | Min No. Holes | Max Comps Per Hole | Min No. Comps | Max No. Comps | ||||
| Major | Minor | Vertical | Major | Minor | Vertical | |||||
| Good Hope Zone | ||||||||||
| 1 | LV | LV | LV | 250 | 140 | 60 | 2 | 3 | 2 | 15 |
| 2 | LV | LV | LV | 500 | 280 | 120 | 1 | 3 | 1 | 15 |
| Gold Ace Zone | ||||||||||
| 1 | 137/-10 | 044/-15 | 260/-72 | 220 | 120 | 30 | 2 | 3 | 2 | 15 |
| 2 | 137/-10 | 044/-15 | 260/-72 | 440 | 240 | 60 | 1 | 3 | 1 | 15 |
Estimation of the Good Hope block model was completed with locally varying anisotropy which uses different rotation angles to define the principal directions of the variogram model and search ellipsoid on a per-block basis. Blocks within the estimation domains were assigned rotation angles using a trend surface wireframe. This method allowed structural complexities to be reproduced in the estimated block model. Variogram and search ranges were defined by the variogram model described in Section 14.6 and Table 14-4Table 14-5.
The Gold Ace Zone block model was calculated using a single variogram and search orientation configuration as described in Section 14.6 and Table 14-5 .
The Good Hope HG and LG estimation domains were separately estimated. To ensure the nature of the boundary between the two estimation domains was reproduced, the centroids of blocks within a specified window of the HG and LG contact were flagged as transitional. Contact analysis was performed to understand the behaviour of gold grades at the boundary and to determine the window used to flag blocks as transitional. As illustrated in Figure 14-22, gold behaves in a statistically semi-soft manner, where the grade of the composites flagged within the LG or HG estimation domains transitions over a short window from a mean of 0.267 ppm Au (0.0078 oz/t Au) to a mean of 1.32 ppm Au (0.0385 oz/t Au). A window of 1 ft into the LG estimation domain from the contact to 5 ft into the HG estimation domain from the contact was used to flag block centroids as transition. Block centroids flagged within the LG or HG estimation domains are estimated using composites flagged within each respective domain in addition to composites flagged within the transition window. Blocks flagged as transition were estimated using only composites flagged within the transition window.
| Kappes, Cassiday & Associates | 14.0 Mineral Resource Estimates |
| September 2024 | Page 14-23 |
![]() | Reward Feasibility Study Technical Report |
Figure 14-22 Gold Grade Contact Plot Analysis, Good Hope LG and HG Grade Domain Contacts (APEX, 2024).
| Note: | The dashed line represents the mean of composites within each domain. Samples within the LG estimation domain are assigned a negative distance value, and samples within the HG estimation domain are assigned a positive distance value. |
Blocks that contain more than or equal to 1.56% waste by volume were diluted by estimating a waste gold value that was volume-weight averaged with the estimated gold grade. Similar to the transition methodology used along the HG and LG contact at the Good Hope Zone, the intention was to reproduce the gold grade along the estimation domain/waste domain boundary. The nature of gold mineralization at the mineralized/waste contact was evaluated and used to determine a window to flag composites that were used to condition a waste gold estimate for blocks containing waste material. As illustrated in Figure 14-23, gold behaves in a statistically soft manner, where the grade of the composite centroids flagged within the Good Hope estimation domain transitions from mineralization to waste over a window of approximately 5 ft into waste and 20 ft into mineralized material. As illustrated in Figure 14-24, gold behaves in a statistically hard manner, where the grade of the composite centroids flagged within the Gold Ace estimation domain abruptly transitions from mineralized material to waste at the contact.
| Kappes, Cassiday & Associates | 14.0 Mineral Resource Estimates |
| September 2024 | Page 14-24 |
![]() | Reward Feasibility Study Technical Report |
Figure 14-23 Contact Plot Analysis, Good Hope Grade and Waste Domain Contacts (APEX, 2024).
| Note: | The dashed line represents the mean of composites within each domain. Samples within the LG estimation domain are assigned a negative distance value, and samples within the HG estimation domain are assigned a positive distance value. |
Figure 14-24 Contact Analysis, Gold Ace Grade and Waste Domain Contacts (APEX, 2024).
| Note: | The dashed line represents the mean of composites within each domain. Samples within the LG estimation domain are assigned a negative distance value, and samples within the HG estimation domain are assigned a positive distance value. |
A sensitivity analysis was performed to determine the parameters used to flag composite centroids within the mineralization/waste transition zone. The analysis evaluated various window parameters to flag composites within the mineralization/waste transition zone that were then used to estimate a waste gold value for each block containing waste. A diluted gold value was calculated and the parameters were evaluated by comparing the block models contact analysis profile with the composites profile. Based on the results of the sensitivity analysis, a window of 20 ft into waste and 5 ft into the Good Hope Deposit and a window of 20 ft into waste and 4 ft into the Gold Ace Zone mineralized domains best reproduces the gold profile observed at the
| Kappes, Cassiday & Associates | 14.0 Mineral Resource Estimates |
| September 2024 | Page 14-25 |
![]() | Reward Feasibility Study Technical Report |
mineralization/waste transition zone. Additional discussion regarding the validation of this approach is found in Section 4.12.2.
14.10 Model Validation
14.10.1 Visual Validation
The block models for the Good Hope Deposit and Gold Ace Zone were visually validated in plan view and in cross-section to compare the estimated gold grade versus the conditioning composites (Figure 14-25 to Figure 14-28). APEX personnel concluded that the model compares well with the composites on an overall basis. There was some local over and under estimation observed, but due to the limited number of conditioning data available for the estimation in those areas, this was an expected result.
Figure 14-25 Cross-Section 6000N, Showing Block Gold Estimates at the Good Hope Deposit.
| Note: | Figure prepared by APEX, 2019. The boundary of the HG estimation domain within the LG estimation domain is illustrated by the red polygons |
| Kappes, Cassiday & Associates | 14.0 Mineral Resource Estimates |
| September 2024 | Page 14-26 |
![]() | Reward Feasibility Study Technical Report |
Figure 14-26 Cross-Section 4800N, Showing Block Gold Estimates at the Good Hope Deposit.
| Note: | Figure prepared by APEX, 2019. The boundary of the HG estimation domain within the LG estimation domain is illustrated by the red polygons |
Figure 14-27 Cross-Section 4100N, Showing Block Gold Estimates at the Good Hope Deposit.
| Note: | Figure prepared by APEX, 2019. The boundary of the HG estimation domain within the LG estimation domain is illustrated by the red polygons |
| Kappes, Cassiday & Associates | 14.0 Mineral Resource Estimates |
| September 2024 | Page 14-27 |
![]() | Reward Feasibility Study Technical Report |
Figure 14-28 Cross-Section 2700N, Showing Block Gold Estimates at the Gold Ace Deposit.
| Note: | Figure prepared by APEX, 2019. |
14.10.2 Statistical Validation
Swath plots were used to verify that directional trends were honoured in the estimated block model and to identify potential areas of over or under estimation. They were generated by calculating the average gold grade of composites and estimated block models within directional slices. A window of 100 ft was used in east-west slices, 180 ft in north-south slices and 20 ft in vertical slices.
There are minor instances of localized over estimation; however, APEX personnel believe this is a product of a lack of conditioning data in those areas and the smoothing effect of kriging. Overall, trends observed in the composites in all three directions were adequately reproduced in the block model.
Swath plots for the Good Hope and Gold Ace Zones are illustrated in Figure 14-29 and Figure 14-30, respectively.
| Kappes, Cassiday & Associates | 14.0 Mineral Resource Estimates |
| September 2024 | Page 14-28 |
![]() | Reward Feasibility Study Technical Report |
Figure 14-29 Swath Plots Showing Composite versus Estimated Gold Grade, Good Hope (APEX, 2024).
| Kappes, Cassiday & Associates | 14.0 Mineral Resource Estimates |
| September 2024 | Page 14-29 |
![]() | Reward Feasibility Study Technical Report |
Figure 14-30 Swath Plots Showing Composite versus Estimated Gold Grade, Gold Ace (APEX, 2024).
| Kappes, Cassiday & Associates | 14.0 Mineral Resource Estimates |
| September 2024 | Page 14-30 |
![]() | Reward Feasibility Study Technical Report |
Volume-variance corrections were used to ensure the estimated models were not over-smoothed, which would lead to inaccurate estimation of global tonnage and grade. To verify that the correct level of smoothing was achieved, theoretical histograms that indicated the anticipated variance and distribution of gold grade at the selected block model size were calculated and plotted against estimated final block model for the Good Hope Deposit and Gold Ace Zone. These are shown in Figure 14-31 and Figure 14-32 respectively. Some smoothing is observed; however, in the QP’s opinion, further restrictions to the estimation search strategy would result in an unacceptable increase in estimation error.
Figure 14-31 Volume Variance Check, Good Hope (APEX, 2024).
| Kappes, Cassiday & Associates | 14.0 Mineral Resource Estimates |
| September 2024 | Page 14-31 |
![]() | Reward Feasibility Study Technical Report |
Figure 14-32 Volume Variance Check, Gold Ace (APEX, 2024).
Blocks within the Good Hope and Gold Ace block models that contained more than or equal to 1.56% waste by volume were diluted using the estimated waste gold and mineralized gold values. Ideally, the nature of gold mineralization at the ore/waste contact observed in the composites is reproduced in the block model. Contact analysis plots checking contact profile reproduction for the Good Hope Deposit and Gold Ace Zone are illustrated in Figure 14-33 and Figure 14-34, respectively. APEX personnel and the QP considers that the mineralization/waste contact profile at the Good Hope Deposit is adequately reproduced with a slight over estimation into waste. The mineralization/waste contact profile at the Gold Ace Zone is abrupt (hard) when evaluating composites; however, this cannot be perfectly reproduced with a block model, as each block can only have a single value. Considering this, the contact profile observed in the Gold Ace block model is considered by APEX personnel and the QP to be an adequate reproduction of the profile observed in the conditioning data.
| Kappes, Cassiday & Associates | 14.0 Mineral Resource Estimates |
| September 2024 | Page 14-32 |
![]() | Reward Feasibility Study Technical Report |
Figure 14-33 Contact Analysis, Good Hope Grade and Waste Domain Boundary (APEX, 2024).
Figure 14-34 Contact Analysis, Gold Ace Grade and Waste Domain Boundary (APEX, 2024).
| Kappes, Cassiday & Associates | 14.0 Mineral Resource Estimates |
| September 2024 | Page 14-33 |
![]() | Reward Feasibility Study Technical Report |
14.11 Mineral Resource Classification
14.11.1 2019 CIM and S-K 1300 Definitions
The Reward Project MRE discussed in this report has been classified in accordance with guidelines established by the CIM “Estimation of Mineral Resources and Mineral Reserves Best Practice Guidelines” dated November 29th, 2019 and CIM “Definition Standards for Mineral Resources and Mineral Reserves” dated May 14th, 2014 and the standards of S-K 1300. Due to the substantial similarity in the CIM and S-K 1300 standards, application of both standards produced the same MRE classification.
CIM Definitions
A Measured Mineral Resource is that part of a Mineral Resource for which quantity, grade or quality, densities, shape, and physical characteristics are estimated with confidence sufficient to allow the application of Modifying Factors to support detailed mine planning and final evaluation of the economic viability of the deposit. Geological evidence is derived from detailed and reliable exploration, sampling and testing and is sufficient to confirm geological and grade or quality continuity between points of observation. A Measured Mineral Resource has a higher level of confidence than that applying to either an Indicated Mineral Resource or an Inferred Mineral Resource. It may be converted to a Proven Mineral Reserve or to a Probable Mineral Reserve.
An Indicated Mineral Resource is that part of a Mineral Resource for which quantity, grade or quality, densities, shape and physical characteristics are estimated with sufficient confidence to allow the application of Modifying Factors in sufficient detail to support mine planning and evaluation of the economic viability of the deposit. Geological evidence is derived from adequately detailed and reliable exploration, sampling and testing and is sufficient to assume geological and grade or quality continuity between points of observation. An Indicated Mineral Resource has a lower level of confidence than that applying to a Measured Mineral Resource and may only be converted to a Probable Mineral Reserve.
An Inferred Mineral Resource is that part of a Mineral Resource for which quantity and grade or quality are estimated on the basis of limited geological evidence and sampling. Geological evidence is sufficient to imply but not verify geological and grade or quality continuity. An Inferred Mineral Resource has a lower level of confidence than that applying to an Indicated Mineral Resource and must not be converted to a Mineral Reserve. It is reasonably expected that the majority of Inferred Mineral Resources could be upgraded to Indicated Mineral Resources with continued exploration.
S-K 1300 Definitions
An Indicated Mineral Resource is that part of a mineral resource for which quantity and grade or quality are estimated on the basis of adequate geological evidence and sampling. The level of geological certainty associated with an indicated mineral resource is sufficient to allow a qualified person to apply modifying factors in sufficient detail to support mine planning and evaluation of
| Kappes, Cassiday & Associates | 14.0 Mineral Resource Estimates |
| September 2024 | Page 14-34 |
![]() | Reward Feasibility Study Technical Report |
the economic viability of the deposit. Because an indicated mineral resource has a lower level of confidence than the level of confidence of a measured mineral resource, an indicated mineral resource may only be converted to a probable mineral reserve.
An Inferred Mineral Resource is that part of a mineral resource for which quantity and grade or quality are estimated on the basis of limited geological evidence and sampling. The level of geological uncertainty associated with an inferred mineral resource is too high to apply relevant technical and economic factors likely to influence the prospects of economic extraction in a manner useful for evaluation of economic viability. Because an inferred mineral resource has the lowest level of geological confidence of all mineral resources, which prevents the application of the modifying factors in a manner useful for evaluation of economic viability, an inferred mineral resource may not be considered when assessing the economic viability of a mining project, and may not be converted to a mineral reserve.
A Measured Mineral Resource is that part of a mineral resource for which quantity and grade or quality are estimated on the basis of conclusive geological evidence and sampling. The level of geological certainty associated with a measured mineral resource is sufficient to allow a qualified person to apply modifying factors, as defined in this section, in sufficient detail to support detailed mine planning and final evaluation of the economic viability of the deposit. Because a measured mineral resource has a higher level of confidence than the level of confidence of either an indicated mineral resource or an inferred mineral resource, a measured mineral resource may be converted to a proven mineral reserve or to a probable mineral reserve.
14.11.2 Classification Criteria
The classification of the Measured, Indicated, and Inferred Mineral Resources was based on a combination of geological confidence, data quality, and grade continuity. The most relevant factors used in the classification process were as follows:
| ● | Density of conditioning data. |
| ● | Level of confidence in the geological interpretation, which is a result of the extensive re-logging of drill chips. The observed stratigraphic horizons are easily identifiable along strike and across the deposit, which provides confidence in the geological and mineralization continuity. |
| ● | Continuity of mineralization. |
Resource classification was determined using a multiple-pass strategy that consisted of a sequence of runs that flagged each block, when a block first met the search restrictions of that run. With each subsequent pass, the search restrictions were decreased, and therefore, represented a decrease in confidence and classification from the previous run. During each run, a search ellipsoid centred and orientated as described in Section 4.8 had its ranges modified (Table 14-11 ) and the number of composites and drill holes found within the run were used to determine if the restrictions described in Table 14-11 for that run were met. The runs were
| Kappes, Cassiday & Associates | 14.0 Mineral Resource Estimates |
| September 2024 | Page 14-35 |
![]() | Reward Feasibility Study Technical Report |
executed in sequence from Run 1 to Run 3. Classification was then determined by relating the run number that each block is flagged to: Measured (Run 1), Indicated (Run 2) and Inferred (Run 3).
Table 14-11 Interpolation Search Restrictions
| Zone | Run No. | Classification | Min No. Holes | Min No. Comp | Search Ellipsoid Range Multiplier | Major Range | Minor Range | Vertical Range |
| Good Hope | Run 1 | Measured | 3 | 12 | 2/3 | 165 | 95 | 40 |
| Run 2 | Indicated | 2 | 2 | 1 | 250 | 140 | 60 | |
| Run 3 | Inferred | 1 | 1 | 2 | 500 | 280 | 120 | |
| Gold Ace | Run 2 | Indicated | 3 | 12 | 1 | 220 | 120 | 30 |
| Run 3 | Inferred | 1 | 1 | 2 | 440 | 240 | 60 |
APEX personnel visually validated the results and believe them to be reasonable given the drilling density. However, a small portion of blocks at the northern (greater than 6500 N) and southern (less than 2750 N) extents of the Good Hope Deposit were manually adjusted to Inferred as there is insufficient drilling density to justify higher confidence classifications.
14.12 Evaluation of Reasonable Prospects for Eventual Economic Extraction
Reasonable prospects for eventual economic extraction assume open pit mining methods and heap leach processing. The unconstrained resource block model was subjected to several pit optimization scenarios to look at the prospects for eventual economic extraction. The criteria in Table 14-11 were utilized using the Pseudoflow algorithm in Deswik CAD 2023.1 optimization software to create the conceptual open pit shell.
Table 14-12 Parameters for Pit Optimization for Mineral Resource Estimate
| Parameter | Unit (Imperial) | Cost (Imperial) | Unit (Metric) | Cost (Metric) |
| Gold Price | US$/oz | 1,950 | US$/g | 62.7 |
| Gold Metallurgical Recovery | % | 80 | % | 80 |
| Pit Wall Angles | ° | 48-58 | ° | 48-58 |
| Mining Cost | US$/st | 2.75 | US$/tonne | 3.03 |
| Processing Rate | Mst/a | 2 | Mtonne/a | 1.8 |
| Processing Cost | US$/st | $6.50 | US$/tonne | $7.17 |
| G & A Cost | US$/st | 1.5 | US$/tonne | 1.65 |
| Cut-off Grade (break even) | oz/t | 0.005 | g/tonne | 0.181 |
| Royalty | % | 3 | % | 3 |
The criteria used in the pit optimizer were considered reasonable for mineral resources in Nevada heap leach deposits. The volume and tonnage for the reported resources within the $1,950/oz
| Kappes, Cassiday & Associates | 14.0 Mineral Resource Estimates |
| September 2024 | Page 14-36 |
![]() | Reward Feasibility Study Technical Report |
optimized pit shell represents approximately 88% of the total volume and tonnage of the unconstrained block model which utilized a lower gold cut-off of 0.2 ppm Au (0.006 oz/t Au) for the Mineral Resource statement.
The MRE was estimated within three-dimensional (3D) solids representing the Low Grade and High Grade mineralized estimation domains. Grade was estimated into a percent style block model with a block size of 20 ft (X) by 20 ft (Y) by 20 ft (Z). Blocks were assigned density for a given formation for the mineralized and waste blocks. Grade estimation of gold was performed using OK. For the purposes of the pit shell optimization, blocks along the estimation domain boundaries that partially contain waste were diluted by estimating a waste gold value using composites within a transition zone along the outer boundary of the estimation domains. The final diluted gold grade for the partially diluted model assigned to each block is a volume-weighted average of the estimated gold and waste grade values. The MRE is reported within that pit shell and using the diluted gold grades.
14.13 Mineral Resource Statement
The MRE was estimated by Mr. Warren Black, M.Sc., P.Geo. and audited by Mr. Steven Nicholls, BA.Sc., MAIG, both APEX employees. The Qualified Person for the estimate is Mr. Michael Dufresne, M.Sc., P.Geol., P.Geo.
The Measured and Indicated resources are reported in Table 14-12 using a base case cut-off of 0.2 ppm Au (0.006 oz/t Au). The Inferred resource base case is reported in using a base case cut-off of 0.2 ppm Au (0.006 oz/t Au). Sensitivity cases ranging from 0.1 ppm Au (0.003 oz/t Au) to 0.5 ppm Au (0.015 oz/t Au) are included in the Table 14-15 and Table 14-14Table 14-16 for Good Hope and in Table 14-17 and Table 14-18 for Gold Ace. Table 14-18 and Table 14-19 provide the sensitivity case for the combined Good Hope and Gold Ace estimates. In each sensitivity table, the 0.2 ppm Au (0.006 oz/t Au) base case is bolded.
| Kappes, Cassiday & Associates | 14.0 Mineral Resource Estimates |
| September 2024 | Page 14-37 |
![]() | Reward Feasibility Study Technical Report |
Table 14-13 Reward Project Measured and Indicated Mineral Resource Statement September 3, 2024, based upon US$1950/oz Au
|
Classification | Au Cutoff Grade (oz/t) | Tons (short tons) | Average Au Grade (oz/t) | Contained Au (troy ounces) |
| Good Hope Zone | ||||
| Measured | 0.006 | 6,882,000 | 0.025 | 171,700 |
| Indicated | 0.006 | 11,872,000 | 0.020 | 242,000 |
| M & I Total | 0.006 | 18,754,000 | 0.022 | 413,700 |
| Gold Ace Zone | ||||
| Indicated | 0.006 | 914,000 | 0.018 | 16,900 |
| Reward (Combined Good Hope and Gold Ace) | ||||
| Measured | 0.006 | 6,882,000 | 0.025 | 171,700 |
| Indicated | 0.006 | 12,786,000 | 0.020 | 258,900 |
| M & I Total | 0.006 | 19,668,000 | 0.022 | 430,600 |
Notes:
| 1. | Oxide Estimated Mineral Resources are reported within a pit shell using the Deswik Pseudoflow algorithm, a gold price of US$1,950/oz and a recovery of 80% for Au were utilized. |
| 2. | Mining costs for mineralized material and waste are US$2.75/ton. |
| 3. | Processing and general and administration are US$6.50/ton and US$1.50/ton per ton processed respectively. |
| 4. | Due to rounding, some columns or rows may not compute as shown. |
| 5. | Estimated Mineral Resources are stated as in situ dry short tons and are partially diluted. |
| 6. | The estimate of Mineral Resources may be materially affected by legal, title, taxation, socio-political, marketing, or other relevant issues. |
| 7. | The resources are inclusive of the reserves. |
| 8. | The effective date of the Reward mineral resource estimate is September 3, 2024. |
Table 14-14 Reward Project Inferred Mineral Resource Statement September 3, 2024, based upon US$1,950/oz Au
| Classification | Au Cutoff Grade (oz/t) | Tons (short tons) | Average Au Grade (oz/t) | Contained Au (troy ounces) |
| Good Hope Zone | ||||
| Inferred | 0.006 | 312,000 | 0.016 | 5,000 |
| Gold Ace Zone | ||||
| Inferred | 0.006 | 1,047,000 | 0.022 | 22,500 |
| Reward (Combined Good Hope and Gold Ace) | ||||
| Inferred | 0.006 | 1,359,000 | 0.020 | 27,500 |
Notes:
| 1. | Oxide estimated Mineral Resources are reported within a pit shell using the Deswik Pseudoflow algorithm, a gold price of US$1,950/oz and a recovery of 80% for Au were utilized |
| 2. | Mining costs for mineralized material and waste are US$2.75/ton. |
| 3. | Processing and general and administration are US$6.50/ton and US$1.50/ton per ton processed respectively. |
| 4. | Due to rounding, some columns or rows may not compute as shown. |
| 5. | Estimated Mineral Resources are stated as in situ dry short tons and are partially diluted. |
| 6. | The estimate of Mineral Resources may be materially affected by legal, title, taxation, socio-political, marketing, or other relevant issues. |
| 7. | The resources are inclusive of the reserves. |
| Kappes, Cassiday & Associates | 14.0 Mineral Resource Estimates |
| September 2024 | Page 14-38 |
![]() | Reward Feasibility Study Technical Report |
| 8. | The effective date of the Reward mineral resource estimate is September 3, 2024. |
Table 14-15 Sensitivity Table, Measured and Indicated Mineral Resources, Good Hope (base case is bolded).
|
Classification | Au Cutoff Grade (oz/t) | Tons (short tons) | Average Au Grade (oz/t) | Contained Au (troy ounces) |
| Measured | 0.003 | 7,405,000 | 0.024 | 174,200 |
| 0.006 | 6,882,000 | 0.025 | 171,700 | |
| 0.009 | 5,872,000 | 0.028 | 164,300 | |
| 0.012 | 4,963,000 | 0.031 | 155,100 | |
| 0.015 | 4,321,000 | 0.034 | 146,800 | |
| Indicated | 0.003 | 13,272,000 | 0.019 | 248,400 |
| 0.006 | 11,872,000 | 0.020 | 242,000 | |
| 0.009 | 9,767,000 | 0.023 | 226,600 | |
| 0.012 | 7,786,000 | 0.027 | 206,400 | |
| 0.015 | 6,374,000 | 0.029 | 188,000 | |
| Measure and Indicated | 0.003 | 20,667,000 | 0.020 | 422,600 |
| 0.006 | 18,754,000 | 0.022 | 413,700 | |
| 0.009 | 15,638,000 | 0.025 | 390,900 | |
| 0.012 | 12,749,000 | 0.028 | 361,600 | |
| 0.015 | 10,695,000 | 0.031 | 334,800 |
Notes:
| 1. | Estimated Mineral Resources are reported within a pit shell using the Deswik Pseudoflow algorithm, a gold price of US$1,950/oz and a recovery of 80% for Au were utilized. |
| 2. | Mining costs for mineralized material and waste are US$2.75/ton. |
| 3. | Processing and general and administration are US$6.50/ton and US$1.50/ton per ton processed respectively. |
| 4. | Due to rounding, some columns or rows may not compute as shown. |
| 5. | Estimated Mineral Resources are stated as in situ dry short tons and are partially diluted. |
| 6. | The estimate of Mineral Resources may be materially affected by legal, title, taxation, socio-political, marketing, or other relevant issues. |
| 7. | The resources are inclusive of the reserves. |
| 8. | The effective date of the Reward mineral resource estimate is September 3, 2024. |
Table 14-16 Sensitivity Table, Inferred Mineral Resources, Good Hope (base case is bolded).
|
Classification | Au Cutoff Grade (oz/t) | Tons (short tons) | Average Au Grade (oz/t) | Contained Au (troy ounces) |
| Inferred | 0.003 | 349,000 | 0.015 | 5,200 |
| 0.006 | 312,000 | 0.016 | 5,000 | |
| 0.009 | 270,000 | 0.017 | 4,700 | |
| 0.012 | 219,000 | 0.019 | 4,200 | |
| 0.015 | 151,000 | 0.022 | 3,300 |
Notes:
| 1. | Estimated Mineral Resources are reported within a pit shell using the Pseudoflow algorithm, a gold price of US$1,950/oz and a recovery of 80% for Au were utilized. |
| 2. | Mining costs for mineralized material and waste are US$2.75/ton. |
| Kappes, Cassiday & Associates | 14.0 Mineral Resource Estimates |
| September 2024 | Page 14-39 |
![]() | Reward Feasibility Study Technical Report |
| 3. | Processing and general and administration are US$6.50/ton and US$1.50/ton per ton processed respectively. |
| 4. | Due to rounding, some columns or rows may not compute as shown. |
| 5. | Estimated Mineral Resources are stated as in situ dry short tons and are partially diluted. |
| 6. | The estimate of Mineral Resources may be materially affected by legal, title, taxation, socio-political, marketing, or other relevant issues. |
| 7. | The resources are inclusive of the reserves. |
| 8. | The effective date of the Reward mineral resource estimate is September 3, 2024. |
Table 14-17 Sensitivity Table, Indicated Mineral Resources, Gold Ace (base case is bolded).
|
Classification | Au Cutoff Grade (oz/t) | Tons (short tons) | Average Au Grade (oz/t) | Contained Au (troy ounces) |
| Indicated | 0.003 | 992,000 | 0.017 | 17,200 |
| 0.006 | 914,000 | 0.018 | 16,900 | |
| 0.009 | 794,000 | 0.020 | 16,000 | |
| 0.012 | 647,000 | 0.022 | 14,500 | |
| 0.015 | 523,000 | 0.025 | 12,900 |
Notes:
| 1. | Oxide estimated Mineral Resources are reported within a pit shell using the Deswik Pseudoflow algorithm, a gold price of US$1,950/oz and a recovery of 80% for Au were utilized |
| 2. | Mining costs for mineralized material and waste are US$2.75/ton. |
| 3. | Processing and general and administration are US$6.50/ton and US$1.50/ton per ton processed respectively. |
| 4. | Due to rounding, some columns or rows may not compute as shown. |
| 5. | Estimated Mineral Resources are stated as in situ dry short tons and are partially diluted. |
| 6. | The estimate of Mineral Resources may be materially affected by legal, title, taxation, socio-political, marketing, or other relevant issues. |
| 7. | The resources are inclusive of the reserves. |
| 8. | The effective date of the Reward mineral resource estimate is September 3, 2024. |
Table 14-18 Sensitivity Table, Inferred Mineral Resources, Gold Ace (base case is bolded).
|
Classification | Au Cutoff Grade (oz/t) | Tons (short tons) | Average Au Grade (oz/t) | Contained Au (troy ounces) |
| Inferred | 0.003 | 1,266,000 | 0.020 | 23,000 |
| 0.006 | 1,047,000 | 0.022 | 22,500 | |
| 0.009 | 910,000 | 0.024 | 21,500 | |
| 0.012 | 765,000 | 0.026 | 20,100 | |
| 0.015 | 615,000 | 0.030 | 18,100 |
Notes:
| 1. | Estimated Mineral Resources are reported within a pit shell using the Deswik Pseudoflow algorithm, a gold price of US$1,950/oz and a recovery of 80% for Au were utilized. |
| 2. | Mining costs for mineralized material and waste are US$2.75/ton. |
| 3. | Processing and general and administration are US$6.50/ton and US$1.50/ton per ton processed respectively. |
| 4. | Due to rounding, some columns or rows may not compute as shown. |
| Kappes, Cassiday & Associates | 14.0 Mineral Resource Estimates |
| September 2024 | Page 14-40 |
![]() | Reward Feasibility Study Technical Report |
| 5. | Estimated Mineral Resources are stated as in situ dry short tons and are partially diluted. |
| 6. | The estimate of Mineral Resources may be materially affected by legal, title, taxation, socio-political, marketing, or other relevant issues. |
| 7. | The resources are inclusive of the reserves. |
| 8. | The effective date of the Reward mineral resource estimate is September 3, 2024. |
Table 14-19 Sensitivity Table, Measured and Indicated Mineral Resources, Good Hope and Gold Ace (base case is bolded).
| Classification | Au Cutoff Grade (oz/t) | Tons (short tons) | Average Au Grade (oz/t) | Contained Au (troy ounces) |
| Measured | 0.003 | 7,405,000 | 0.024 | 174,200 |
| 0.006 | 6,882,000 | 0.025 | 171,700 | |
| 0.009 | 5,872,000 | 0.028 | 164,300 | |
| 0.012 | 4,963,000 | 0.031 | 155,100 | |
| 0.015 | 4,321,000 | 0.034 | 146,800 | |
| Indicated | 0.003 | 14,264,000 | 0.019 | 265,600 |
| 0.006 | 12,786,000 | 0.020 | 258,900 | |
| 0.009 | 10,561,000 | 0.023 | 242,600 | |
| 0.012 | 8,432,000 | 0.026 | 220,900 | |
| 0.015 | 6,897,000 | 0.029 | 200,900 | |
| Measured and Indicated | 0.003 | 21,669,000 | 0.020 | 439,800 |
| 0.006 | 19,668,000 | 0.022 | 430,600 | |
| 0.009 | 16,433,000 | 0.025 | 406,900 | |
| 0.012 | 13,395,000 | 0.028 | 376,100 | |
| 0.015 | 11,218,000 | 0.031 | 347,600 |
Notes:
| 1. | Estimated Mineral Resources are reported within a pit shell using the Deswik Pseudoflow algorithm, a gold price of US$1,950/oz and a recovery of 80% for Au were utilized. |
| 2. | Mining costs for mineralized material and waste are US$2.75/ton. |
| 3. | Processing and general and administration are US$6.50/ton and US$1.50/ton per ton processed respectively. |
| 4. | Due to rounding, some columns or rows may not compute as shown. |
| 5. | Estimated Mineral Resources are stated as in situ dry short tons and are partially diluted. |
| 6. | The estimate of Mineral Resources may be materially affected by legal, title, taxation, socio-political, marketing, or other relevant issues. |
| 7. | The resources are inclusive of the reserves. |
| 8. | The effective date of the Reward mineral resource estimate is September 3, 2024. |
Table 14-20 Sensitivity Table, Inferred Mineral Resources, Good Hope and Gold Ace (base case is bolded).
|
Classification | Au Cutoff Grade (oz/t) | Tons (short tons) | Average Au Grade (oz/t) | Contained Au (troy ounces) |
| Inferred | 0.003 | 1,504,000 | 0.019 | 28,200 |
| 0.006 | 1,359,000 | 0.020 | 27,500 | |
| 0.009 | 1,180,000 | 0.022 | 26,200 | |
| 0.012 | 984,000 | 0.025 | 24,200 | |
| 0.015 | 766,000 | 0.028 | 21,400 |
Notes:
| 1. | Estimated Mineral Resources are reported within a pit shell using the Deswik Pseudoflow algorithm, a gold price of US$1,950/oz and a recovery of 80% for Au were utilized. |
| 2. | Mining costs for mineralized material and waste are US$2.75/ton. |
| 3. | Processing and general and administration are US$6.50/ton and US$1.50/ton per ton processed respectively. |
| Kappes, Cassiday & Associates | 14.0 Mineral Resource Estimates |
| September 2024 | Page 14-41 |
![]() | Reward Feasibility Study Technical Report |
| 4. | Due to rounding, some columns or rows may not compute as shown. |
| 5. | Estimated Mineral Resources are stated as in situ dry short tons and are partially diluted. |
| 6. | The estimate of Mineral Resources may be materially affected by legal, title, taxation, socio-political, marketing, or other relevant issues. |
| 7. | The resources are inclusive of the reserves. |
| 8. | The effective date of the Reward mineral resource estimate is September 3, 2024. |
14.14 Discussion of Mineral Resources Modelling, Risks and Uncertainties
The complete assay database comprises assays from 18 drilling programs from 1987 to 2018, utilizing six different analytical labs and two mine labs. The uniformity of analytical data across these numerous generations of data collection is complex and difficult to interpret in some instances because of the large number of drilling programs and laboratories used, which provides a source of risk. To date, data verification of historical data has been completed to industry standards as described in Section 12, including a number of twin drill holes. To help decrease this risk further, additional drilling in critical volumes of the deposit that contain large amounts of contained metal dominated by historical RC drilling would allow for additional data analysis to help establish the quality and uniformity of the various generations of analytical data. In addition, there is some uncertainty in places around continuity of mineralization along the eastern Good Fortune fault zone due to limited drilling. Additional drilling may assist in improving the confidence in the continuity of this mineralization.
At the Good Hope Deposit, gold mineralization is predominantly associated with logged oxide and, to a lesser extent, with transition material (sulphides comprise <1% of the rock mass). Gold solubility is consistently high (>70%) across the Good Hope Deposit, and total sulphur values are predominantly low, with an average of 0.1 wt%. Logged redox correlates well with total sulphur. However, recoveries from the Gold Ace Zone are lower than Good Hope. Gold solubility using Cyanide Ratio to Fire Assay ratios from lab assays does not appear to correlate with either logged REDOX or total sulphur. Section 13.6.1 describes that silica encapsulation may explain the observed lower gold recoveries; however, metallurgical testing has not determined this definitively. Silica encapsulation provides a source of uncertainty when defining reasonable prospects for eventual economic extraction. Metallurgical testing at Gold Ace is limited, and future work should aim to determine the expected heap leach recovery of material from the Gold Ace Zone.
The authors are not aware of any other significant material risks to the MRE other than the risks that are inherent to mineral exploration and development in general. The authors of this report are not aware of any specific environmental, permitting, legal, title, taxation, socio-economic, marketing, political or other relevant factors that might materially affect the results of this resource estimate and there appear to be no obvious impediments to developing the MRE at the Reward Gold Project.
| Kappes, Cassiday & Associates | 14.0 Mineral Resource Estimates |
| September 2024 | Page 14-42 |
![]() | Reward Feasibility Study Technical Report |
15.0 MINERAL RESERVE ESTIMATES
15.1 Introduction
Mr. Thomas L. Dyer, P.E. of RESPEC classifies reserves in order of increasing confidence into Proven and Probable categories to be in accordance with the “CIM Definition Standards – For Mineral Resources and Mineral Reserves” (2014), which are reasonable for US SEC reporting. Thus, the QP considers the reported mineral reserves to be both NI 43-101 and S-K 1300 compliant. Mineral Reserves for the Project were developed by applying relevant economic criteria to define the economically extractable portions of the resources classified as Measured and Indicated. CIM standards require that modifying factors be used to convert Mineral Resources to Reserves. Definitions for Proven and Probable Mineral Reserves along with Modifying Factors are in the CIM Definition Standards (2014).
Mr. Dyer used the block model of Measured and Indicated resources provided by APEX and referenced in the Technical Report in Section 14 as the basis to define reserves for the Project. Mineral Reserve definition was undertaken by identifying ultimate pit limits using economic parameters and pit optimization techniques. The resulting optimized pit shells were used for guidance in pit design to allow access for equipment and personnel. Mr. Dyer then considered mining, processing, metallurgical, infrastructure, economic, marketing, legal, environmental, social, and governmental factors for defining the estimated reserves.
The open pit design was completed using three pit phases. Waste Rock Storage Facility (“WRSF”) designs include north, south, and southwest waste dumps along with some backfill placed in Phase 1 and Phase 2 pits. The waste dumps and backfill areas were designed to contain all waste material associated with Proven and Probable reserves.
RESPEC used the pit and waste dump designs to develop a production schedule, which was then used in the financial model prepared by KCA. RESPEC reviewed the cash flow model and believes it demonstrates that the deposit generates a positive cash flow and are reasonable with respect to statement of reserves for the Project.
15.2 Economic Parameters and Cut-Off Grade
Table 15-1 shows the economic parameters used for pit optimizations that support the pit designs. The final economics vary somewhat from these initial parameters; however, the QP considers that the variance is not material with respect to the pit designs and resulting Mineral Reserves.
Internal and external cut-off grades were reviewed at various metal prices (Table 15-2). Internal cut-off grades assume that an economical pit design has been developed and that all the material inside of the pit will be mined, regardless of waste or ore classification (i.e. the internal cut-off grade does not include mining costs). In contrast, the external cut-off grade includes mining costs and is a break-even cut-off grade.
| Kappes, Cassiday & Associates | 15.0 Mineral Reserve Estimates |
| September 2024 | Page 15-1 |
![]() | Reward Feasibility Study Technical Report |
Table 15-1 Pit Optimization Parameters
| Item | RESPEC Base Case | Units |
| Base Mining Cost | 3.19 | $/ton Mined |
| Process Cost | 7.64 | $/ton Processed |
| Daily Throughput | 5,479 | ton/d |
| Annual Throughput (360 d/a) | 2,000 | k ton/year |
| G&A per Year | 6,489 | k USD / year |
| G&A | 3.25 | $/ton Processed |
| Royalty | 3 | % |
| Refining Cost | 5.00 | $/oz Au Sold |
| Au Recovery | 79 | % |
| Slopes - Rock | 58 | ° |
| Selling Price | 1,850 | $/oz Au |
Table 15-2 Cut-off Grades
| Gold Price | Cut-off Grade oz/ton Au | |
| Internal | External | |
| 1,500 | 0.010 | 0.012 |
| 1,550 | 0.009 | 0.012 |
| 1,600 | 0.009 | 0.012 |
| 1,650 | 0.009 | 0.011 |
| 1,700 | 0.008 | 0.011 |
| 1,750 | 0.008 | 0.011 |
| 1,800 | 0.008 | 0.010 |
| 1,850 | 0.008 | 0.010 |
| 1,900 | 0.007 | 0.010 |
| 1,950 | 0.007 | 0.009 |
| 2,000 | 0.007 | 0.009 |
15.3 Pit Optimization
Pit optimizations were completed on the resource block model provided by APEX using Whittle™ software (Version 2022). RESPEC added Whittle material types to the block model based on the 0.008 oz Au/ton cutoff grade, which consisted of waste and ox1, ox2, and ox3 for oxide Measured, Indicated, and Inferred Mineral Resources respectively. Inferred Mineral Resources were set to waste during optimization. No property or constraining boundaries were used in the pit optimizations.
The slope parameters used were based on recommendations from Knight Piésold, which specified a 58° overall slope angle assuming 60 ft bench heights between 27 ft wide catch benches. The base recommendations of 58° overall slopes were used for initial pit design work. In the areas of the first two phases of pit design, a single slot-cut ramp in the bottom of the pit was
| Kappes, Cassiday & Associates | 15.0 Mineral Reserve Estimates |
| September 2024 | Page 15-2 |
![]() | Reward Feasibility Study Technical Report |
used, resulting in minimal flattening of the slopes demonstrating that 58° slopes were reasonable to guide designs. For the final pit phase, the mineralized material deepens considerably, requiring a ramp within the resulting high wall. This ramp would be placed on the southwest side of the pit and would tend to flatten that area of the pit to about 40°. To accommodate this, additional pit optimizations were completed using a 40° slope in the southwest portion of the pit.
Pit optimizations were done as a two-step process. The first step was to create Lerchs Grossman (“LG”) pit shells. These were completed using variable gold prices from $300/oz to $2,650/oz in $25/oz increments along with the economic parameters in Table 15-3. LG pit results are shown in Table 15-3 in $100/oz Au increments.
Table 15-3 Whittle Pit Optimization Results
| Material Processed | Waste | Total | Strip | |||||
| Pit | Au Price | K Tons | Oz Au/t | K Ozs Au | K Tons | K Tons | Ratio | |
| 3 | $ | 350 | 56 | 0.071 | 4 | 32 | 88 | 0.56 |
| 7 | $ | 450 | 400 | 0.055 | 22 | 264 | 665 | 0.66 |
| 11 | $ | 550 | 956 | 0.048 | 46 | 603 | 1,558 | 0.63 |
| 15 | $ | 650 | 1,691 | 0.044 | 75 | 1,417 | 3,108 | 0.84 |
| 19 | $ | 750 | 2,479 | 0.040 | 100 | 2,232 | 4,711 | 0.90 |
| 23 | $ | 850 | 3,510 | 0.038 | 134 | 4,018 | 7,528 | 1.14 |
| 27 | $ | 950 | 4,450 | 0.035 | 158 | 5,069 | 9,519 | 1.14 |
| 31 | $ | 1,050 | 5,313 | 0.034 | 179 | 6,201 | 11,514 | 1.17 |
| 35 | $ | 1,150 | 5,874 | 0.032 | 190 | 6,692 | 12,566 | 1.14 |
| 39 | $ | 1,250 | 7,311 | 0.031 | 228 | 11,173 | 18,484 | 1.53 |
| 43 | $ | 1,350 | 9,619 | 0.029 | 283 | 17,856 | 27,474 | 1.86 |
| 47 | $ | 1,450 | 11,581 | 0.028 | 323 | 22,583 | 34,164 | 1.95 |
| 51 | $ | 1,550 | 12,629 | 0.027 | 341 | 24,369 | 36,999 | 1.93 |
| 55 | $ | 1,650 | 13,863 | 0.026 | 362 | 27,170 | 41,033 | 1.96 |
| 59 | $ | 1,750 | 14,602 | 0.025 | 372 | 27,855 | 42,457 | 1.91 |
| 63 | $ | 1,850 | 15,777 | 0.025 | 393 | 31,928 | 47,705 | 2.02 |
| 67 | $ | 1,950 | 16,259 | 0.025 | 401 | 33,540 | 49,800 | 2.06 |
| 71 | $ | 2,050 | 16,543 | 0.025 | 406 | 34,558 | 51,101 | 2.09 |
| 75 | $ | 2,150 | 16,751 | 0.024 | 409 | 35,151 | 51,902 | 2.10 |
| 79 | $ | 2,250 | 17,037 | 0.024 | 414 | 36,391 | 53,428 | 2.14 |
| 83 | $ | 2,350 | 17,257 | 0.024 | 418 | 37,516 | 54,773 | 2.17 |
| 87 | $ | 2,450 | 17,992 | 0.024 | 430 | 41,449 | 59,441 | 2.30 |
| 91 | $ | 2,550 | 18,189 | 0.024 | 433 | 42,427 | 60,617 | 2.33 |
| 95 | $ | 2,650 | 18,302 | 0.024 | 435 | 43,161 | 61,463 | 2.36 |
The second step of the process was to use the Pit-by-Pit (“PbP”) analysis tool in Whittle to generate a discounted operating cash flow (note that capital is not included). This uses a rough scheduling by pit phase for each pit shell to generate the discounted value for the pit. The program develops three different discounted values: best, worst, and specified. The best-case
| Kappes, Cassiday & Associates | 15.0 Mineral Reserve Estimates |
| September 2024 | Page 15-3 |
![]() | Reward Feasibility Study Technical Report |
value uses each of the pit shells as pit phases or pushbacks. For example, when evaluating pit 20, there would be 19 pushbacks mined prior to pit 20, and the resulting schedule takes advantage of mining more valuable material up front to improve the discounted value. Evaluating pit 21 would have 20 pushbacks; pit 22 would have 21 pushbacks and so on. Note that this is not a realistic case as the incremental pushbacks would not have enough mining width between them to be able to mine appropriately, but this does help to define the maximum potential discounted operating cash flow.
The worst case does not use any pushbacks in determining the discounted value for each of the pit shells. Thus, each pit shell is evaluated as if mining a single pit from top to bottom. This does not provide the advantage of mining more valuable material first, so it generally provides a lower discounted value than that of the best case.
The specified case allows the user to specify pit shells to be used as pushbacks and then schedules the pushbacks and calculates the discounted cash flow. This is more realistic than the base case as it allows for more mining width, though the final pit design will have to ensure that appropriate mining width is available. The specified case value has been used to determine the ultimate pit limits to design to, as well as to specify guidelines for designing pit phases.
PbP results are shown on the following page, as Table 15-4.
| Kappes, Cassiday & Associates | 15.0 Mineral Reserve Estimates |
| September 2024 | Page 15-4 |
![]() | Reward Feasibility Study Technical Report |
Table 15-4 PbP Results
| Material Processed | Waste K Tons | Total K Tons | Strip Ratio | Disc. Op Cash Flow (M USD) | LOM Years | ||||||||
| Pit | K Tons | Oz Au/t | K Ozs Au | Best | Specified | Worst | |||||||
| 1 | 45 | 0.060 | 3 | 1 | 46 | 0.03 | $ | 3.16 | $ | 3.16 | $ | 3.16 | 0.02 |
| 3 | 80 | 0.058 | 5 | 8 | 88 | 0.10 | $ | 5.38 | $ | 5.38 | $ | 5.38 | 0.04 |
| 5 | 261 | 0.048 | 13 | 19 | 280 | 0.07 | $ | 13.98 | $ | 13.98 | $ | 13.98 | 0.13 |
| 7 | 600 | 0.044 | 26 | 64 | 665 | 0.11 | $ | 27.99 | $ | 27.99 | $ | 27.99 | 0.30 |
| 9 | 972 | 0.042 | 41 | 209 | 1,182 | 0.22 | $ | 42.68 | $ | 42.68 | $ | 42.68 | 0.49 |
| 11 | 1,237 | 0.041 | 51 | 322 | 1,558 | 0.26 | $ | 51.56 | $ | 51.56 | $ | 51.56 | 0.62 |
| 13 | 1,906 | 0.038 | 73 | 738 | 2,644 | 0.39 | $ | 70.64 | $ | 70.64 | $ | 70.64 | 0.95 |
| 15 | 2,174 | 0.038 | 82 | 934 | 3,108 | 0.43 | $ | 77.89 | $ | 77.87 | $ | 77.87 | 1.09 |
| 17 | 2,542 | 0.036 | 92 | 1,157 | 3,700 | 0.46 | $ | 86.50 | $ | 86.41 | $ | 86.41 | 1.27 |
| 19 | 3,242 | 0.034 | 110 | 1,469 | 4,711 | 0.45 | $ | 99.60 | $ | 99.24 | $ | 99.21 | 1.62 |
| 21 | 4,280 | 0.033 | 139 | 2,672 | 6,952 | 0.62 | $ | 119.86 | $ | 119.25 | $ | 118.88 | 2.14 |
| 22 | 4,466 | 0.032 | 144 | 2,846 | 7,312 | 0.64 | $ | 123.11 | $ | 122.48 | $ | 122.01 | 2.23 |
| 23 | 4,569 | 0.032 | 147 | 2,959 | 7,528 | 0.65 | $ | 124.86 | $ | 124.22 | $ | 123.69 | 2.28 |
| 25 | 4,768 | 0.032 | 152 | 3,133 | 7,901 | 0.66 | $ | 127.73 | $ | 127.05 | $ | 126.44 | 2.38 |
| 27 | 5,620 | 0.030 | 171 | 3,899 | 9,519 | 0.69 | $ | 138.88 | $ | 138.07 | $ | 137.18 | 2.81 |
| 29 | 6,244 | 0.030 | 185 | 4,599 | 10,843 | 0.74 | $ | 146.37 | $ | 145.46 | $ | 144.36 | 3.12 |
| 31 | 6,520 | 0.029 | 192 | 4,993 | 11,514 | 0.77 | $ | 149.66 | $ | 148.68 | $ | 147.49 | 3.26 |
| 33 | 6,783 | 0.029 | 197 | 5,326 | 12,109 | 0.79 | $ | 152.25 | $ | 151.16 | $ | 149.89 | 3.39 |
| 35 | 6,974 | 0.029 | 201 | 5,592 | 12,566 | 0.80 | $ | 154.06 | $ | 152.88 | $ | 151.52 | 3.49 |
| 37 | 8,251 | 0.028 | 235 | 9,629 | 17,880 | 1.17 | $ | 167.45 | $ | 165.54 | $ | 163.96 | 4.13 |
| 39 | 8,404 | 0.028 | 239 | 10,080 | 18,484 | 1.20 | $ | 168.82 | $ | 166.92 | $ | 165.20 | 4.20 |
| 41 | 10,313 | 0.027 | 281 | 14,768 | 25,081 | 1.43 | $ | 182.20 | $ | 180.28 | $ | 177.29 | 5.16 |
| 43 | 10,954 | 0.027 | 295 | 16,520 | 27,474 | 1.51 | $ | 186.30 | $ | 184.21 | $ | 180.69 | 5.48 |
| 45 | 12,456 | 0.026 | 326 | 20,311 | 32,767 | 1.63 | $ | 193.86 | $ | 191.15 | $ | 186.35 | 6.23 |
| 47 | 12,810 | 0.026 | 334 | 21,353 | 34,164 | 1.67 | $ | 195.63 | $ | 192.92 | $ | 187.67 | 6.41 |
| 49 | 13,083 | 0.026 | 339 | 21,976 | 35,059 | 1.68 | $ | 196.64 | $ | 193.93 | $ | 188.35 | 6.54 |
| 51 | 13,513 | 0.026 | 348 | 23,486 | 36,999 | 1.74 | $ | 198.21 | $ | 195.50 | $ | 189.19 | 6.76 |
| 53 | 14,065 | 0.026 | 360 | 25,625 | 39,690 | 1.82 | $ | 199.82 | $ | 197.10 | $ | 189.76 | 7.03 |
| 55 | 14,414 | 0.025 | 367 | 26,619 | 41,033 | 1.85 | $ | 200.56 | $ | 197.80 | $ | 190.04 | 7.21 |
| 57 | 14,642 | 0.025 | 371 | 27,347 | 41,988 | 1.87 | $ | 200.95 | $ | 198.13 | $ | 190.04 | 7.32 |
| 59 | 14,783 | 0.025 | 373 | 27,674 | 42,457 | 1.87 | $ | 201.09 | $ | 198.22 | $ | 189.93 | 7.39 |
| 61 | 15,019 | 0.025 | 378 | 28,530 | 43,550 | 1.90 | $ | 201.25 | $ | 198.29 | $ | 189.60 | 7.51 |
| 63 | 15,777 | 0.025 | 393 | 31,928 | 47,705 | 2.02 | $ | 201.28 | $ | 197.84 | $ | 188.06 | 7.89 |
| 65 | 16,071 | 0.025 | 398 | 32,783 | 48,854 | 2.04 | $ | 201.20 | $ | 197.62 | $ | 187.47 | 8.04 |
| 67 | 16,259 | 0.025 | 401 | 33,540 | 49,800 | 2.06 | $ | 201.06 | $ | 197.42 | $ | 186.97 | 8.13 |
| 69 | 16,412 | 0.025 | 404 | 34,117 | 50,529 | 2.08 | $ | 200.90 | $ | 197.21 | $ | 186.41 | 8.21 |
| 71 | 16,543 | 0.025 | 406 | 34,558 | 51,101 | 2.09 | $ | 200.71 | $ | 196.97 | $ | 185.88 | 8.27 |
| 73 | 16,635 | 0.025 | 408 | 34,923 | 51,558 | 2.10 | $ | 200.53 | $ | 196.75 | $ | 185.43 | 8.32 |
| 75 | 16,751 | 0.024 | 409 | 35,151 | 51,902 | 2.10 | $ | 200.32 | $ | 196.51 | $ | 185.03 | 8.38 |
| 77 | 16,916 | 0.024 | 412 | 35,873 | 52,788 | 2.12 | $ | 199.87 | $ | 196.00 | $ | 184.06 | 8.46 |
| 79 | 17,037 | 0.024 | 414 | 36,391 | 53,428 | 2.14 | $ | 199.50 | $ | 195.57 | $ | 183.32 | 8.52 |
| 81 | 17,182 | 0.024 | 416 | 37,006 | 54,188 | 2.15 | $ | 199.02 | $ | 194.98 | $ | 182.46 | 8.59 |
| 83 | 17,257 | 0.024 | 418 | 37,516 | 54,773 | 2.17 | $ | 198.68 | $ | 194.55 | $ | 181.77 | 8.63 |
| 85 | 17,814 | 0.024 | 427 | 40,541 | 58,356 | 2.28 | $ | 196.25 | $ | 191.55 | $ | 178.11 | 8.91 |
| 87 | 17,992 | 0.024 | 430 | 41,449 | 59,441 | 2.30 | $ | 195.44 | $ | 190.54 | $ | 176.40 | 9.00 |
| 89 | 18,042 | 0.024 | 431 | 41,595 | 59,637 | 2.31 | $ | 195.25 | $ | 190.33 | $ | 176.05 | 9.02 |
| 91 | 18,189 | 0.024 | 433 | 42,427 | 60,617 | 2.33 | $ | 194.43 | $ | 189.43 | $ | 174.70 | 9.09 |
| 93 | 18,275 | 0.024 | 435 | 43,068 | 61,343 | 2.36 | $ | 193.84 | $ | 188.75 | $ | 173.82 | 9.14 |
| 95 | 18,302 | 0.024 | 435 | 43,161 | 61,463 | 2.36 | $ | 193.72 | $ | 188.61 | $ | 173.63 | 9.15 |
15.4 Road Design
Road design parameters were estimated for pit designs based on 100-ton capacity CAT 777 haul trucks. Road designs targeted a gradient of 10%, though some inside curves had gradients that exceeded 12% for short distances. The ramp widths were established to allow for two-way traffic in the upper benches. When the pits become substantially ore-dominant and the haulage requirements reduced, the ramps would be narrowed to one-way traffic.
| Kappes, Cassiday & Associates | 15.0 Mineral Reserve Estimates |
| September 2024 | Page 15-5 |
![]() | Reward Feasibility Study Technical Report |
Ramps inside the pit would require only a single safety berm. Roads outside the pit would require a berm on each side, making the exterior roads wider. The berms were assumed to be built to half of the haul truck tire height with an addition of a 10% contingency. Berms were assumed to have a slope of 1.5 horizontal to 1 vertical. Running width of 3.10 times the truck width was used for roads with two-way traffic and 1.75 times the width for roads with one-way traffic.
Final design widths used for pit, WRSF, and haul road designs were 85 ft, 105 ft and 60 ft for two-way in-pit, two-way ex-pit, and one-way in-pit traffic respectively. This provided over three times the operating width of the 100-ton haul trucks for two-way traffic and approximately two times the operating width for one-way traffic in the lower portions of the pits.
15.5 Pit Design
Pit designs used 20 ft benches, which are ideal for use with CAT 992-sized loading equipment. To achieve a 58° overall slope angle, RESPEC used a 60 ft height between catch benches, 27 ft catch benches, and an 80° bench-face angle. The design was completed with toe and crest lines to achieve the wall definition. Ramps were included where required.
The ultimate pit will be achieved using three separate mining phases. Phase 1 is located to take advantage of reduced stripping requirements early in the mine life and provide access from both the north and south via a single slot cut to the south. The upper portions of the pit will be accessed via roads that will be developed from both the north and the south. Waste material mined from the upper portions will be hauled to the north WRSD and ore will be hauled via the southern haul road to the stockpile or crusher. Once Phase 1 is mined down to the 4,040 ft elevation, then access to the north WRSD will be eliminated. Below this elevation, waste from Phase 1 will be hauled via the south haul road. The haul road for the bottom two benches will be narrowed to one-way traffic using a 60 ft wide ramp.
The Phase 2 pit will start with mining on the eastern high wall. Initial access will be from the north and will approach the upper portions of the pit. This northern road has been designed to be approximately 20 ft wide and is not intended for haul truck traffic. The initial mining is envisioned to be completed using an air-track drill and a dozer. This will be done for the top 10 benches from the 4,440 ft to the 4,260 ft bench. These benches contain minimal waste tonnages and no ore.
Material mined from the Phase 2 pit will be dozed to the south. Access will be maintained by developing offshoots of the northern road while needed. Once sufficient waste material is dozed to the south, access will be developed through the dumped material. Careful coordination with mining in Phase 1 will be required while developing the upper benches in Phase 2. It is anticipated that there may be times where one of the phases is mined only during the day shift and a night shift would be used for the other phase.
The Phase 2 high wall is designed to include a ramp within the high wall to allow access for Phase 3 mining. Initial Phase 2 material that is dozed down and not used for a dumped-in ramp will be hauled to the north WRSD through Phase 1 while available, then about half of the waste from
| Kappes, Cassiday & Associates | 15.0 Mineral Reserve Estimates |
| September 2024 | Page 15-6 |
![]() | Reward Feasibility Study Technical Report |
these benches will be used to backfill into Phase 1, which is planned to be completed at that point. Remaining Phase 2 waste will be placed in the South or Southwest WRSD’s.
The lower portion of Phase 2 will establish a slot-cut ramp in the bottom of the pit, which will exit to the south in the same manner as Phase 1. The bottom two benches of Phase 2 will be narrowed to one-way traffic with a 60 ft ramp.
The ultimate pit is achieved by mining Phase 3. The Phase 3 design will use the access from Phase 2 and will consume that access as the pit is mined downward. Initially both waste and ore will be hauled to the south along the Phase 2 ramp, and then along the Phase 3 ramp from the 3,720 ft elevation and below. Below the 3,720 bench, the ramp will continue with a total of three switchbacks. The bottom seven benches will be narrowed to one-way traffic. Figure 15-1, Figure 15-2 and Figure 15-3 show the planned pit Phase 1, Phase 2 and Phase 3 respectively.
15.6 Waste Rock Dump Design
Three WRSF designs were created to contain the waste material generated from the three pit phases (Table 15-5 and refer to locations in Figure 15-4). The mine plan assumes 2.2M tons of backfill will be placed into the lower portions of Phase 1 (from Phase 2) and Phase 2 (from Phase 3). Backfill will be minimal as there are only a few benches in the subsequent pit phases where there will be access to the backfill area. However, this will decrease the haulage time for that material and result in a reduction of costs.
The WRSFs were designed using 25 ft lifts alternating with 50 ft catch benches. The waste will be dumped to an angle of repose, which is assumed to be 34°. This provides an approximate 2.5H:1V overall slope to aid in the reclamation of the final WRSF configuration.
Table 15-5 WRD Capacities and Planned Pit Backfill
| Location | Capacity k yd 3 |
| North WRSF | 3,177 |
| South WRSF | 8,297 |
| Southwest WRSF | 8,686 |
| Backfill – Phase 1 | 730 |
| Backfill – Phase 2 | 706 |
| Kappes, Cassiday & Associates | 15.0 Mineral Reserve Estimates |
| September 2024 | Page 15-7 |
![]() | Reward Feasibility Study Technical Report |
Figure 15-1 Phase 1 Pit Design
| Kappes, Cassiday & Associates | 15.0 Mineral Reserve Estimates |
| September 2024 | Page 15-8 |
![]() | Reward Feasibility Study Technical Report |
Figure 15-2 Phase 2 Pit Design

| Kappes, Cassiday & Associates | 15.0 Mineral Reserve Estimates |
| September 2024 | Page 15-9 |
![]() | Reward Feasibility Study Technical Report |
Figure 15-3 Ultimate Pit Design
| Kappes, Cassiday & Associates | 15.0 Mineral Reserve Estimates |
| September 2024 | Page 15-10 |
![]() | Reward Feasibility Study Technical Report |
Figure 15-4 Pit and WRD Layout Plan
| Kappes, Cassiday & Associates | 15.0 Mineral Reserve Estimates |
| September 2024 | Page 15-11 |
![]() | Reward Feasibility Study Technical Report |
15.7 Dilution
The resource block model was created using 3D mineralized domains to confine the estimations by reporting grade and portion of each block within the various domains. RESPEC considers the block size used in the model to be appropriate as a selective mining unit. Dilution was accounted for within each block by aggregating the mineralized portion and non-mineralized portion of each block resulting in a proportional reduction of the block grade. The QP believes that this represents an appropriate amount of dilution.
15.8 Proven and Probable Mineral Reserves
Proven and Probable reserves have been defined for the Project based on a 0.008 oz Au/ton cut-off grade. Table 15-6 shows the Proven and Probable reserves with the associated waste tonnages and stripping ratio by pit phase. Within the pit designs, Measured Mineral Resources were converted to Proven Mineral Reserves and Indicated Mineral Resources were converted to Probable Mineral Reserves. All Inferred resources inside of the pit were assumed to be waste with respect to contained gold, recoverable gold and resulting economics.
The Proven and Probable Reserves are included entirely within the estimated total Mineral Resources presented in Section 14.0. The reference point for reporting the Proven and Probable Mineral Reserves is the crusher.
Mineral Reserves are summarized in Table 15-7, have an effective date of September 03, 2024, and are reported using the 2014 CIM Definition Standards. The Qualified Person for the estimate is Mr. Thomas L. Dyer, P.E., a RESPEC employee.
Table 15-6 Proven & Probable Reserves, Waste and Stripping Ratio by Pit Phase
| Proven | Probable | Proven and Probable | Waste | Total | Strip | |||||||
| Pit Phase | k Tons | oz Au/ton | k Oz Au | k Tons | oz Au/ton | k Oz Au | k Tons | oz Au/ton | k Oz Au | k tons | k tons | Ratio |
| Phase 1 | 1,982 | 0.029 | 57 | 732 | 0.022 | 16 | 2,714 | 0.027 | 74 | 5,601 | 8,315 | 2.06 |
| Phase 2 | 2,822 | 0.028 | 80 | 1,982 | 0.024 | 47 | 4,804 | 0.027 | 128 | 7,573 | 12,378 | 1.58 |
| Phase 3 | 1,248 | 0.021 | 27 | 6,286 | 0.023 | 142 | 7,534 | 0.022 | 168 | 22,469 | 30,002 | 2.98 |
| Total | 6,052 | 0.027 | 164 | 8,999 | 0.023 | 205 | 15,052 | 0.025 | 370 | 35,643 | 50,695 | 2.37 |
| Kappes, Cassiday & Associates | 15.0 Mineral Reserve Estimates |
| September 2024 | Page 15-12 |
![]() | Reward Feasibility Study Technical Report |
Table 15-7 Proven and Probable Mineral Reserves
| Reward Mineral Reserves | |||
| k tons | os Au/ton | k Ozs Au | |
Proven Probable | 6,052 8,999 | 0.027 0.023 | 164 205 |
| Proven and Probable | 15,052 | 0.025 | 370 |
Notes:
| 1) | All estimates of Mineral Reserves have been prepared in accordance with National Instrument 43 - 101 – Standards of Disclosure for Mineral Projects (“NI 43-101”). |
| 2) | Thomas L. Dyer, PE, RESPEC of Reno, Nevada, is a Qualified Person as defined in NI 43-101, is responsible for reporting Proven and Probable Mineral Reserves for the Reward Project. Mr. Dyer is independent of the Company. |
| 3) | Mineral Reserves are based on prices of $1,850 per ounce Au. The reserves were defined based on pit designs that were created to follow optimized pit shells created in Whittle. |
| 4) | Reserves are reported using a 0.008 oz Au per ton cut-off grade |
| 5) | The Mineral Reserves point of reference is the point where is material is fed into the crusher. |
| 6) | The effective date of the Mineral Reserves estimate is September 03, 2024. |
| 7) | Columns may not sum due to rounding. |
15.9 Risk Factors for Proven and Probable Mineral Reserves
Risk is inherent with respect to mining. In the QP’s opinion, the primary risk factor for the Mineral Reserves will be the ability to mine the steeper portions of the Phase 2 pit design. Should the establishment of the high wall crest be unsuccessful, then a portion of the deeper Mineral Reserves could be at risk. To mitigate this risk the mine operational team must be engaged with the contractor in sound planning and execution of the access to the upper portion of the Phase 2 high-wall.
No other major risk factors have been identified other than typical open pit mining risks of cost escalation and operational efficiencies. There are no other known environmental, legal, title, taxation, socioeconomic, marketing, political or other relevant factors known to the QP that would materially affect the estimation of Mineral Reserves that are not discussed in this Report.
| Kappes, Cassiday & Associates | 15.0 Mineral Reserve Estimates |
| September 2024 | Page 15-13 |
![]() | Reward Feasibility Study Technical Report |
16.0 MINING METHODS
16.1 Introduction
The proposed mine plan will use conventional open pit mining methods and equipment. Mining operations will be conducted by a contractor. Knight Piésold is responsible for the geotechnical evaluations and recommendations for slope design parameters used for pit and WRSF designs as summarized in Section 16.2. RESPEC is responsible for Sections 16.3 16.4 and 16.5.
16.2 Geotechnical Considerations
Pit slope analyses were based on information from seven geotechnical core-holes drilled in 2017–2018. Selected core samples were point load tested on-site during drilling operations at a frequency of approximately one test per 5 ft of core (one test per typical run length) as part of unconfined compressive strength (UCS) estimation. Geotechnical samples for laboratory testing were collected at a target frequency of one sample per three core runs (15 ft). Laboratory testing of core samples included UCS and small-scale direct shear (SSDS) testing. The Bonanza King Fm. was not able to be drilled during the 2017/2018 geotechnical drilling program due to lack of access to the cliff-forming unit. In July 2023, Knight Piésold traveled to site, collected samples of the Bonanza King Fm., conducted Schmidt hammer resistance tests, gathered samples for laboratory strength testing and made visual observations of the Bonanza King Fm. Point load tests were conducted on the hand samples. The UCS values for the Bonanza King Fm. were developed from the point load and Schmidt hammer data.
The geotechnical model consists of engineering lithologies, groundwater (pore pressure) conditions and design sectors. A lithology and stratigraphic block model was provided by CR Reward. Golder (2007) indicated that the groundwater table in the vicinity of the open pit is well below the bottom of the ultimate pit. Therefore, slope stability analyses assumed fully drained conditions.
Pseudostatic analysis, which simulates seismic forces in terms of horizontal acceleration expressed as a coefficient (or percent) of gravity (g) were conducted for each design sector. The design earthquake is based on a 10% probability of exceedance in 50 years and a return period of 475 years which gives a peak ground acceleration (PGA) of 0.15 g (USGS, 2018). For slopes that can tolerate up to 1 m of earthquake induced deformation, such as pit slopes, it is common practice to reduce the PGA by a factor of 0.33 to 0.50 (Hynes-Griffen and Franklin, 1984). Knight Piésold used a horizontal acceleration coefficient that is 50% less than the PGA for the area. Pseudostatic analyses for the planned pit incorporated a horizontal acceleration coefficient of 0.075 (horizontal acceleration of 0.075 g), which is considered by the QP to be reasonably conservative and technically appropriate.
Design sectors shown in Figure 16-1 were based on pit wall and discontinuity orientations, and rock strength data. Knight Piésold provided the pit slope recommendations in Table 16-1 based on a 10% probability of failure for the interramp angle (IRA) for each design sector shown in Figure
| Kappes, Cassiday & Associates | 16.0 Mining Methods |
| September 2024 | Page 16-1 |
![]() | Reward Feasibility Study Technical Report |
16-1. The design recommendation was for 58° interramp slope angles. However, since the southwestern portion of the pit design will require additional ramps to mine at depth, the slope in that area was flattened to 40°, which is consistent with the resulting pit design.
Figure 16-1 Design Sectors and Stability Cross Sections (Knight Piésold, 2023)

| Kappes, Cassiday & Associates | 16.0 Mining Methods |
| September 2024 | Page 16-2 |
![]() | Reward Feasibility Study Technical Report |
Table 16-1 Slope Stability Results
|
Sector | Bench Height (ft) | Recommended | ||
| Interramp Angle (deg) | Bench Face Angle (deg) | Bench Width (ft) | ||
| A | 40 | 53 | 80 | 22.6 |
| 60 | 58 | 80 | 26.9 | |
| B | 40 | 53 | 80 | 22.6 |
| 60 | 58 | 80 | 26.9 | |
| C | 40 | 53 | 80 | 22.6 |
| 60 | 58 | 80 | 26.9 | |
| D | 40 | 53 | 80 | 22.6 |
| 60 | 58 | 80 | 26.9 | |
| E | 40 | 53 | 80 | 22.6 |
| 60 | 58 | 80 | 26.9 | |
| F | 40 | 53 | 80 | 22.6 |
| 60 | 58 | 80 | 26.9 | |
16.3 Production Schedule
Production scheduling was completed using MineSched scheduling software (version 9.9). The proposed production schedule used inputs from the resource block model together with material types, mining locations, WRSF fill locations, stockpiles, crusher target rates, and mining rates.
The material types were created to differentiate ore and waste material for scheduled mining. Ore material would consist of Proven and Probable Mineral Reserves as discussed in Section 15.0. The ore was divided into grade bins for Low, Medium, and High-Grade material for the ease of scheduling and ensuring that higher-grade material would be sent to the process facility first and any stockpiling of material would be done with low-grade material where possible.
A volume adjustment factor and pit phase numbers were also added to the resource block model to define mining locations. The locations were further defined to be mined by 20 ft benches from top to bottom and a mining direction was applied in MineSched to provide a more realistic schedule.
WRSF fill locations were represented using WRSF block models constrained by topography and the WRSF design surface. Dump lifts of 25 ft were used from bottom to top. These models were used in MineSched as fill locations. The northern WRSF fill location was represented by a single WRSF model and the south and southwest WRSF locations were represented in a single WRSF model. Additional fill models were designed for the planned Phase 1 and Phase 2 pit backfill areas.
Stockpiles included low-, medium- and high-grade stockpiles. While it is not envisioned that these materials would be stockpiled individually, the use of these stockpiles allowed the application of
| Kappes, Cassiday & Associates | 16.0 Mining Methods |
| September 2024 | Page 16-3 |
![]() | Reward Feasibility Study Technical Report |
priorities in the scheduling software to ensure that higher-grade material would be fed to the crusher before lower-grade material. The ROM stockpile was developed to hold the maximum material to be stockpiled.
The primary definition used for the crusher was based on the throughput target of 2 M tons/a. Because MineSched works on daily throughputs for both processing and mining, a throughput of 5,479 tons/day was used. In the production schedule, there are an additional 5,479 tons of material processed in Year 4 due to leap year and an extra day of processing.
Total mine production rates, including waste and ore, were varied month by month with the goal of providing the full 2 M tons/a to the crusher, while minimizing the amount of material to be stockpiled. Mine production was scheduled monthly and then summarized yearly. The six-month preproduction period was assumed to start in month -6. This would be preceded by approximately two months of mobilization of contractor equipment and initial road construction. The primary constraints on production included a maximum 20 ft bench drop of one bench per month. This was done to maintain a reasonable schedule and allowed mining to take place in up to two benches per month. Figure 16-2 shows the mine production schedule by pit phase. Note that the period numbers 1 through 12 represent months -12 to month -1. Table 16-2 shows the mine production schedule totals by year. Table 16-3 shows the process production schedule.
Figure 16-2 Monthly Mine Production Schedule – Short Tons by Period (RESPEC, 2024)

The mining ramps up consistently during Phase 1 and then transitions into Phase 2. During the transition into Phase 3 mining, the mining rate increases as the stripping demands increase. The maximum mining rate used is up to 34,000 tons/day during period 61 (month 49). It is envisioned that the monthly tonnages will be smoothed out and reduced during operations. After period 63 (month 51) the mine can sustain the production directly from the pit without reliance on the stockpile. After this period, a parameter is set to cease mining once enough material is produced from the pit to feed the crusher. This naturally reduces the mine production to an as-needed state.
The stockpile balance initially grows to about 244,000 tons of material with an average grade of 0.029 oz/t Au. This is from preproduction mining in Phase 1. After preproduction, the stockpile is
| Kappes, Cassiday & Associates | 16.0 Mining Methods |
| September 2024 | Page 16-4 |
![]() | Reward Feasibility Study Technical Report |
drawn down through the start-up of production. The stockpile is allowed to grow again during the transition of mining from Phase 1 to Phase 2 and then again during the transition from Phase 2 to Phase 3 mining. The maximum stockpile size during the first transition period is 320,000 tons in period 37 (month 25) and during the second transition the stockpile reaches its largest size at 471,000 ton during period 56 (month 44 just before the end of year 4).
Table 16-2 Mine Production Schedule
| Units | Yr_-1 | Yr_1 | Yr_2 | Yr_3 | Yr_4 | Yr_5 | Yr_6 | Yr_7 | Yr_8 | Yr_9 | Total | |
| Pit to Stockpile | K Tons | 244 | 116 | 253 | 99 | 208 | 12 | 0 | 0 | 0 | - | 932 |
| oz Au/ton | 0.029 | 0.011 | 0.011 | 0.011 | 0.011 | 0.010 | 0.011 | 0.010 | 0.010 | - | 0.016 | |
| K Ozs Au | 7 | 1 | 3 | 1 | 2 | 0 | 0 | 0 | 0 | - | 15 | |
| Pit to Crusher | K Tons | - | 1,664 | 1,956 | 1,884 | 1,693 | 1,903 | 2,000 | 2,000 | 1,020 | - | 14,120 |
| oz Au/ton | - | 0.028 | 0.030 | 0.024 | 0.028 | 0.019 | 0.024 | 0.024 | 0.022 | - | 0.025 | |
| K Ozs Au | - | 47 | 59 | 45 | 47 | 37 | 49 | 48 | 23 | - | 355 | |
| Total Ore Mined | K Tons | 244 | 1,780 | 2,209 | 1,983 | 1,902 | 1,915 | 2,000 | 2,000 | 1,020 | - | 15,052 |
| oz Au/ton | 0.029 | 0.027 | 0.028 | 0.023 | 0.026 | 0.019 | 0.024 | 0.024 | 0.022 | - | 0.025 | |
| K Ozs Au | 7 | 48 | 62 | 46 | 49 | 37 | 49 | 48 | 23 | - | 370 | |
| N_Dmp | K Tons | 1,051 | 4,546 | - | - | - | - | - | - | - | - | 5,597 |
| S_Dmp | K Tons | - | - | 3,686 | 6,197 | 3,316 | - | - | - | - | - | 13,199 |
| SW_Dmp | K Tons | - | - | - | - | 4,589 | 5,220 | 3,023 | 1,457 | 219 | - | 14,507 |
| Backfill | K Tons | - | - | 808 | 397 | 0 | 1,061 | - | - | - | - | 2,267 |
| Waste Mined | K Tons | 1,051 | 4,546 | 4,494 | 6,594 | 7,905 | 6,281 | 3,023 | 1,457 | 219 | - | 35,571 |
| Total Mined | K Tons | 1,295 | 6,327 | 6,704 | 8,577 | 9,807 | 8,196 | 5,023 | 3,457 | 1,238 | - | 50,622 |
| Strip Ratio | W:O | 4.31 | 2.55 | 2.03 | 3.33 | 4.16 | 3.28 | 1.51 | 0.73 | 0.21 | - | 2.36 |
| Rehandle to Crus | K Tons | - | 1,943 | 2,000 | 2,000 | 2,005 | 2,000 | 2,000 | 2,000 | 1,103 | - | 15,052 |
RESPEC created a process production schedule based on the input parameters provided by metallurgical and process QPs. The yearly process schedule is shown in Table 16-3 and the recoverable ounces shown in Table 16-3 are based on recoveries provided to RESPEC. KCA is responsible for reporting of the gold production from these recoverable ounces.
Table 16-3 Process Production Schedule
| Units | Yr_-1 | Yr_1 | Yr_2 | Yr_3 | Yr_4 | Yr_5 | Yr_6 | Yr_7 | Yr_8 | Yr_9 | Total | |
| Low Grade | K Tons | - | 589 | 335 | 712 | 793 | 982 | 830 | 727 | 420 | - | 5,387 |
| oz Au/ton | - | 0.011 | 0.011 | 0.011 | 0.011 | 0.011 | 0.011 | 0.011 | 0.011 | - | 0.011 | |
| K Ozs Au | - | 6 | 4 | 8 | 9 | 11 | 9 | 8 | 5 | - | 60 | |
| Recoverable | - | 5 | 3 | 6 | 7 | 9 | 7 | 6 | 4 | - | 47 | |
| Medium Grade | K Tons | - | 610 | 808 | 781 | 685 | 702 | 571 | 660 | 441 | - | 5,259 |
| oz Au/ton | - | 0.023 | 0.022 | 0.021 | 0.022 | 0.022 | 0.022 | 0.022 | 0.022 | - | 0.022 | |
| K Ozs Au | - | 14 | 18 | 17 | 15 | 15 | 12 | 14 | 10 | - | 115 | |
| Recoverable | - | 11 | 14 | 13 | 12 | 12 | 10 | 11 | 8 | - | 91 | |
| High Grade | K Tons | - | 744 | 857 | 507 | 527 | 316 | 599 | 613 | 242 | - | 4,405 |
| oz Au/ton | - | 0.046 | 0.044 | 0.044 | 0.050 | 0.039 | 0.045 | 0.042 | 0.038 | - | 0.044 | |
| K Ozs Au | - | 34 | 38 | 22 | 27 | 12 | 27 | 26 | 9 | - | 195 | |
| Recoverable | - | 27 | 30 | 17 | 21 | 10 | 21 | 20 | 7 | - | 154 | |
| Total Ore | K Tons | - | 1,943 | 2,000 | 2,000 | 2,005 | 2,000 | 2,000 | 2,000 | 1,103 | - | 15,052 |
| oz Au/ton | - | 0.028 | 0.030 | 0.023 | 0.025 | 0.019 | 0.024 | 0.024 | 0.022 | - | 0.025 | |
| K Ozs Au | - | 54 | 60 | 47 | 50 | 38 | 49 | 48 | 24 | - | 370 | |
| Recoverable | - | 43 | 47 | 37 | 40 | 30 | 38 | 38 | 19 | - | 292 |
16.4 Equipment Requirements
Although equipment and personnel requirements will ultimately be left up to the contractor, RESPEC estimated the contractor requirements for the purposes of this Report. The estimate is
| Kappes, Cassiday & Associates | 16.0 Mining Methods |
| September 2024 | Page 16-5 |
![]() | Reward Feasibility Study Technical Report |
based on an assumed mine operating schedule of 12 hours per shift and two shifts per day. Standby time is represented using 6 days per year, which allows for a total of 8,616 scheduled hours per year. Delay time of one hour per shift accounts for operator breaks, shift start-up and shutdown delays, and safety discussions. After delay times, the available working hours are 7,539 per year for the combined shifts.
Haul trucks were estimated using MineSched’s haulage module, assuming efficiency and availability for 100-ton CAT 777 trucks. Four trucks would be required at peak. Operator hours were calculated based on operating efficiencies of 83%. Availabilities were started at 90% and then decremented 1% per year until 85%, and then held constant. The number of operators required to operate the haulage fleet assumed four crews each working four days on and four days off, with 2 shifts per day and 12 hr/shift. The available hours were estimated based on the mine operating schedule. The estimated operating hours were divided by the available hours resulting in 72% use of available hours.
Loading equipment requirements were estimated based on loading hourly rates to load CAT 777 haul trucks using a CAT 992-sized loader. A loading efficiency of 80% was assumed for ore, and 83% efficiency for rehandle and waste. While the equipment requirements were estimated separately for ore, waste and rehandle, it is anticipated that the operation will utilize loaders for both waste and ore material at the same time. The maximum number of loaders needed would be 1.97. However, the use of available hours was less than 50% except for years 4 and 5. The inference was that a single loader would be sufficient for most of the mine life. However, it is anticipated that the contractor would always have two loaders on site to ensure the availability to produce tonnage required to maintain the production schedule. During years 4 and 5 these may be operating together to meet the production requirements.
The contractor will provide support equipment required to support the mining operation and maintain haul roads. This will require a track or rubber-tire dozer at the main dumping locations, water trucks of sufficient capacity to reduce dust particulates and graders for road maintenance. In addition, a small crane, fuel trucks, fuel storage tanks, and service trucks will be the responsibility of the contractor to provide for the maintenance of their equipment.
16.5 Drill and Blast Requirements
Although it is assumed that the drill and blast requirements will be left up to the contractor, RESPEC estimated drilling and blasting requirements that are expected to be used. Drill and blast requirements were estimated for production, pioneering and pre-split drilling.
The production drilling is assumed to use a 45,000 lb pulldown type of blast hole drill with a down-the-hole hammer. Pattern size is assumed to be 15 ft x 15 ft drilling on 20 ft benches with 3.5 ft sub-drilling and 6.5-inch diameter blast holes. An example production blast design is included in Table 16-4. An efficiency of 83% is assumed. While a single production drill will be required for most of the mine life, it would be advisable to have an additional production drill on site as a back-
| Kappes, Cassiday & Associates | 16.0 Mining Methods |
| September 2024 | Page 16-6 |
![]() | Reward Feasibility Study Technical Report |
up unit, which would also cover the requirements during the increased mining rates during years 4 and 5.
Table 16-4 Production Blast Design Example
| Design Parameter | Value |
| Bench Height | 20.0 ft |
| Subdrill | 3.5 ft |
| Hole Depth | 23.5 ft |
| Hole Diameter | 6.5 inches |
| Burden | 15.0 ft |
| Spacing | 15.0 ft |
| Stemming Height | 11.0 ft |
| Explosive Column Height | 12.5 ft |
| Powder Factor | 0.49 lb/ton |
| Explosive Density | 1.15 sg |
| Explosives per Borehole | 206.8 lb |
ft = feet
g/cc -= grams per cubic centimeter
lb = pound.
Pioneer and pre-split drilling would both be done with a track type drill. The productivity uses 80% efficiency and assumes 10 ft by 10 ft patterns for pioneer drilling with a 3 ft sub-drill depth and 4.5-inch diameter blast holes on 20 ft benches. An example pioneering blast design is included in Table 16-5.
Controlled blasting will be required to maintain the high walls in a safe condition. Pre-splitting is a type of controlled blasting which was assumed to provide the ultimate high wall protection from production blasts, optimize the bench face angle, and promote the pit-wall stability. This method assumes use of a single row of holes spaced 5 ft apart and 10 ft away from production patterns drilled at the corresponding angle of the bench face angle. Presplitting typically uses a low powder factor with the explosives being de-coupled from the sides of the bore hole to provide a perforation from one hole to another. Presplit holes are fired together, before production holes in the adjacent area. This practice causes a split between holes to form a perforation next to the highwall before the production holes are fired. This will require specialized pre-splitting powder and accessories to be provided by the contractor.
| Kappes, Cassiday & Associates | 16.0 Mining Methods |
| September 2024 | Page 16-7 |
![]() | Reward Feasibility Study Technical Report |
Table 16-5 Pioneer Blast Design Example
| Design Parameter | Value |
| Bench Height | 20.0 ft |
| Subdrill | 3.0 ft |
| Hole Depth | 23.0 ft |
| Hole Diameter | 4.5 inches |
| Burden | 10.0 ft |
| Spacing | 10.0 ft |
| Stemming Height | 11.5 ft |
| Explosive Column Height | 11.5 ft |
| Powder Factor | 0.50 lb/ton |
| Explosive Density | 1.15 g/cc |
| Explosives per Borehole | 91.2 lb |
ft = feet
g/cc -= grams per cubic centimeter
lb = pound.
It is assumed that the contractor will use a sufficient powder factor to provide sufficient fragmentation. RESPEC expects the powder factor to be around 0.5 pounds of explosives per ton of material blasted for all production and pioneering blasts. A bulk explosive density of approximately 1.15 sg was assumed for the blast design examples. It is recommended that a single primed electronic detonating system is used to initiate blasts. It is assumed that drill hole cuttings will be used to stem blast holes.
The contractor will provide equipment required to support the drill and blast operations. This will require a water truck for supplying water to drills, a small loader or skid steer for pattern clean up and blast hole stemming, and bulk explosive trucks. It is the responsibility of the contractor to provide fuel and mechanical trucks along with fuel storage and maintenance for their equipment. The contractor will also be required to coordinate explosive products deliveries to site in addition to ensuring the safe and secure storage of explosive products on site.
16.6 Personnel Requirements
Contractor personnel requirements have been estimated based on the mine schedule and equipment discussed previously. Table 16-6 shows the estimated number of contract personnel required on an annual basis.
| Kappes, Cassiday & Associates | 16.0 Mining Methods |
| September 2024 | Page 16-8 |
![]() | Reward Feasibility Study Technical Report |
Table 16-6 Contractor Personnel Estimate
| Units | Yr_-1 | Yr_1 | Yr_2 | Yr_3 | Yr_4 | Yr_5 | Yr_6 | Yr_7 | Yr_8 | Yr_9 | |
| Supervision (General Foreman) | # | 1 | 1 | 1 | 1 | 1 | 1 | 1 | 1 | 1 | - |
| Supervision (Foreman) | # | 4 | 4 | 4 | 4 | 4 | 4 | 4 | 4 | 4 | - |
| Mechanics - Drilling | # | 6 | 8 | 8 | 11 | 12 | 10 | 8 | 8 | 8 | - |
| Mechanics - Loading | # | 7 | 8 | 8 | 8 | 8 | 8 | 8 | 8 | 7 | - |
| Mechanics - Haulage | # | 6 | 9 | 12 | 13 | 16 | 14 | 12 | 12 | 12 | - |
| Mechanics - Support | # | 12 | 16 | 16 | 16 | 16 | 16 | 16 | 16 | 14 | - |
| Service Personnel (fuel, lube & oil) | # | 4 | 4 | 4 | 4 | 4 | 4 | 4 | 4 | 4 | - |
| Total | # | 40 | 50 | 53 | 57 | 61 | 57 | 53 | 53 | 50 | - |
16.6.1 Reward Mining Personnel
Personnel will be needed to provide supervision and general services to support the mining operations. Necessary staff would include:
| ● | Chief Mine Engineer to provide overall supervision, planning, survey, and operations guidance. |
| ● | Mine Technician/Surveyor to support operations and flagging of ore and waste. |
| ● | Geologist to oversee ongoing modelling, ore control and any exploration requirements during operations. |
| ● | Samplers to pick up samples from blast hole drills and deliver them to the lab. The Samplers will assist the Chief Geologist and Mine Engineer with ore-control duties. |
Salaries assumed for cost analysis were supplied by CR Reward and found to be acceptable to RESPEC for use in this study. These are shown in Table 16-7.
Table 16-7 Mine General Salaries
| Net Salary | |||||
| Mining General Personnel | Salary/yr ($) | Burden % | Bonus % | $(‘000)/yr | $(‘000)/month |
| Chief Engineer | 145,000 | 35% | 20% | $ 225 | $ 19 |
| Mine Tech / Surveyor | 95,680 | 35% | 6% | $ 135 | $ 11 |
| Geologist | 105,000 | 35% | 20% | $ 163 | $ 14 |
| Samplers | 78,936 | 35% | 6% | $ 111 | $ 9 |
| Total Salaries | $ 634 | $ 53 | |||
| Kappes, Cassiday & Associates | 16.0 Mining Methods |
| September 2024 | Page 16-9 |
![]() | Reward Feasibility Study Technical Report |
17.0 RECOVERY METHODS
17.1 Process Design
Previous testwork has shown that the Reward Project mineral reserve is amenable to conventional heap leaching with carbon adsorption, desorption and recovery.
Ore will be crushed at an average rate of 5,479 tpd to 80% passing size of ¼ inch using a three-stage closed-circuit crushing plant. The crushed product will be conveyor stacked on the leach pad in 30-foot lifts. Cement or lime will be added to the material for pH control before being stacked and leached with a dilute cyanide solution. Pregnant solution will flow by gravity to a pregnant solution tank before being pumped to carbon adsorption columns for metal recovery. Gold will be recovered from loaded carbon at a toll processor in Year 1 and processed onsite in a modified Zadra desorption and recovery plant in Years 2 through 9. The precious metal sludge will be filtered, then dried in a retort to remove mercury, and finally smelted to produce the final doré product.
A summary of the processing design criteria is presented in Table 17-1. A detailed process design criteria document is referenced in Section 27 of this report.
Table 17-1 Processing Design Criteria Summary
|
Item | Design Criteria |
| Annual Tonnage Processed | 2,000,000 tons |
| Crushing Rate | 5,479 tons/day |
| Crusher Product Size | 80% -1/4 inch |
| Crusher Availability | 75% |
| Gold Recovery, % | 79% |
| Leach Arrangement | 2 Stage |
| Leach Cycle | 90 days primary 90 days secondary |
17.2 Process Summary
Run-of-mine ore (ROM) will be delivered to the crushing plant feed stockpile using 100-ton haul trucks. A front-end loader will reclaim the ROM ore and feed it to the dump hopper of the Primary Crusher. The ore will be crushed at an average rate of 5,479 tons per day to a final product size of 80% passing 1/4 inch (100% passing ⅜ inch) using a three-stage closed circuit crushing plant. The crushing plant will operate seven days/week, 24 hours/day with an overall estimated availability of 75%.
The crushed product will be stockpiled using a stacking conveyor and reclaimed by vibrating, electromechanical feeders. Cement or pebble lime will be added to the reclaim material for agglomeration and pH control. Testwork has shown that agglomeration with cement is not required, but as a precautionary measure, cement will be added during the first lift to ensure permeability is not compromised.
| Kappes, Cassiday & Associates | 17.0 Recovery Methods |
| September 2024 | Page 17-1 |
![]() | Reward Feasibility Study Technical Report |
Ore will be stacked on the leach pad by retreat stacking uphill from the toe of the heap. Stacked ore will be leached using a drip irrigation system for solution application. After percolating through the ore, the gold bearing pregnant leach solution drains by gravity to a pregnant solution tank where it will be collected and pumped to a set of carbon-in-columns (CICs) where gold will be removed by activated carbon.
Barren leach solution leaving the CICs will flow to a barren solution tank and then pumped to the heap leach pad for further leaching. Cyanide solution will be injected into the barren solution to maintain the desired cyanide concentration.
Two-stage leaching is assumed with 90-day primary and 90-day secondary leach cycles. CIC barren solution will be used for secondary leaching and intermediate solution will be used for primary leaching. Eventually the heap will be too high to effectively perform two stage leaching. and all pregnant solution will be treated through CICs. This assumed to occur after Year 3.
The loaded carbon will be shipped to a toll processor for gold recovery during year one. An onsite gold recovery plant will be constructed during year one and operated in years two through nine.
Figure 17-1 shows the overall process flowsheet and Figure 17-2 shows the general arrangement of the mine site.
| Kappes, Cassiday & Associates | 17.0 Recovery Methods |
| September 2024 | Page 17-2 |
![]() | Reward Feasibility Study Technical Report |
Figure 17-1 Simplified Process Flowsheet

| Kappes, Cassiday & Associates | 17.0 Recovery Methods |
| September 2024 | Page 17-3 |
![]() | Reward Feasibility Study Technical Report |
Figure 17-2 General Arrangement
| Kappes, Cassiday & Associates | 17.0 Recovery Methods |
| September 2024 | Page 17-4 |
![]() | Reward Feasibility Study Technical Report |
17.3 Crushing
The following major components are included in the crushing facility:
| ● | Primary Crusher complete with a stationary grizzly, vibrating grizzly feeder and a jaw crusher; |
| ● | Primary Crushed Ore Stockpile; |
| ● | Secondary Screen with three decks; |
| ● | Secondary Bin and Feeder; |
| ● | Secondary Crusher; |
| ● | Tertiary Screen with three decks; |
| ● | Tertiary Bin and Feeder; |
| ● | Tertiary Crusher. |
ROM ore will be transported from the mine to the ore pad in 100-ton surface haul trucks and will be dumped in a ROM stockpile. Stockpiled material will be reclaimed by a 980-type front-end loader and fed to the dump hopper as needed. Oversized rocks or large lumps will be broken using a track hoe fitted with a rock breaker attachment. The crushing plant will process an average of 5,479 tons of ore per day.
ROM ore will be fed from the dump hopper using a vibrating grizzly feeder. The vibrating grizzly feeder will have parallel bars spaced at approximately 4.25 inches apart with grizzly oversize being fed to the primary jaw crusher and the grizzly undersize being recombined with the jaw crusher product on a transfer belt. The primary jaw crusher will operate with a 5.5-inch closed side setting.
The Primary Crusher Discharge Belt transfers primary crushed ore to the Radial Stacker, which creates the Primary Crushed Product Stockpile. An electromagnet will be installed at the head pully of the Primary Crusher Discharge Belt to remove tramp metal protecting the secondary crusher.
The Primary Crushed Ore Stockpile will allow the Primary Crusher and the Secondary and Tertiary Crushers to operate independently. The Primary Crushed Ore Stockpile will contain approximately 9,900 tons, having a live capacity of approximately 2,500 tons.
Primary crushed material will be reclaimed using one of three electromechanical feeders located in a tunnel beneath the stockpile to the Reclaim Tunnel Conveyor and fed to the Secondary Screen Feed Conveyor. Secondary crusher product will be combined with the primary crushed ore on the Secondary Screen Feed Conveyor. The Secondary Screen Feed Conveyor includes a metal detector and a stationary magnet to detect and eliminate tramp steel prior to the Secondary Screen.
The Secondary Screen Feed Conveyor feeds the Secondary Screen. The Secondary Screen is triple deck screen fitted with 3-inch, 0.75-inch and 0.35-inch screen decks. The top deck oversize (+3-inch) is recycled to the Secondary Crusher Surge Bin. The second and third deck oversize
| Kappes, Cassiday & Associates | 17.0 Recovery Methods |
| September 2024 | Page 17-5 |
![]() | Reward Feasibility Study Technical Report |
(+ 0.35 inch) is advanced to the Tertiary Crusher Surge Bin. The third deck undersize (-0.35 inch) is crushing plant product.
The Secondary Crusher Surge Bin is fitted with a variable speed, electromechanical feeder. The feeder can be used to control level in the Secondary Crusher feed hopper. The Secondary Crusher is a CH840i cone crusher (or equivalent) with standard liners. The Secondary Crusher discharge will be recycled to the Secondary Screen Feed Conveyor.
The Secondary Screen’s second and third deck oversize is combined with the Tertiary Screen oversize and is conveyed to the Tertiary Crusher Surge Bin. The Tertiary Crusher Surge Bin is fitted with a variable speed, electromechanical feeder. The feeder can be used to control level in the Tertiary Crusher feed hopper. The Tertiary Crusher is a CH840i cone crusher (or equivalent) with shorthead liners. The Tertiary Crusher discharge will be fed to the Tertiary Screen.
The Tertiary Screen is a double deck vibrating screen. The top deck 0.75-inch and the bottom deck is 0.35-inch. Screen oversize is recycled to the Tertiary Crusher Surge Bin. Screen undersize is crushing plant product.
A modular motor control center will be located on the crushing platform. A PLC will control and monitor all crushing equipment. All the conveyors will be interlocked so that if one conveyor trips out, all upstream conveyors and the vibrating grizzly feeder will also trip out. This interlocking is designed to prevent large spills and equipment damage. Both of these features are considered necessary to meet the design utilization for the system.
Water sprays will be located at all material transfer points to reduce dust generation by the crushing circuit.
17.4 Reclamation and Conveyor Stacking
The following major components are included in the reclamation and conveyor stacking system:
| ● | Three electromechanical reclaim feeders; |
| ● | 2,800 ft3 cement/lime silo with associated dust control and feeding equipment; |
| ● | One 30-inch x 200 ft long overland conveyor; |
| ● | One 30-inch x 500 ft long overland conveyor; |
| ● | Five 30-inch x 120 ft long ramp conveyors; |
| ● | Fourteen 30-inch x 120 ft long grasshopper conveyors; |
| ● | One 30-inch x 65 ft long grasshopper conveyor; |
| ● | One 30-inch-wide x 158 ft long TeleStacker® Conveyor (or equivalent). |
The crushed product stockpile is sized to accommodate a total capacity of approximately 9,900 tons (live capacity of approximately 2,500 tons). Crushed ore will be reclaimed from the stockpile by three electromechanical feeders to a Reclaim Conveyor in a tunnel below the stockpile.
Cement (lift one) or pebble lime (CaO, for subsequent lifts) will be added for agglomeration and/or pH control to the Reclaim Tunnel Conveyor. Cement will be added at an average rate of 6.1
| Kappes, Cassiday & Associates | 17.0 Recovery Methods |
| September 2024 | Page 17-6 |
![]() | Reward Feasibility Study Technical Report |
pounds cement per ton of ore from a 123-ton silo equipped with a bin activator, screw feeder and dust collector. The reclaim conveyor discharges to two sequential overland conveyors which transfer ore to the heap stacking equipment.
The cement dose of 6.1 pounds per ton ore was estimated based on a cement to lime ratio of 3:1.
The heap stacking equipment includes ramp conveyors to transport crushed ore up ramps cut into the side of the heap, grasshopper conveyors that transport crushed ore across approximately horizontal areas to the specialized stacking equipment. The specialized stacking equipment includes a half-sized grasshopper (30-inch x 65 ft) and a radial stacker. The radial stacker can rotate to stack a kidney shaped pile of crushed ore. The stacker/horizontal index conveyor combination retreat away from the face of the crushed ore while continuing to stack.
The heap will be constructed in 30-foot-high lifts, in ore “prisms” approximately 280 feet wide. The first lift will be stacked so that the toe of the heap will be inside toe of the perimeter berm at closure. The effective overall slope of the heap will be approximately 3H:1V.
Once a lift of ore has finished leaching and is sufficiently drained, a new lift can be stacked over the top of the old lift. The old lift will be ripped prior to stacking new material on top of any old heap area or access road/ramp to break up any compacted or cemented sections.
Stacked lifts will progress in a stair-step manner. The maximum planned heap height is six lifts over the composite leach pad liner system.
17.5 Leach Pad Design
The location for the Phase 1 leach pad and ponds is currently permitted.
The average elevation in the area proposed for the heap leach pad (HLP) is 3,600 ft. The local topography has natural grades ranging from 8 percent to 16 percent in the area where the HLP will be located.
The HLP is designed to store 16 Mt of ore of which 7 Mt will be placed within the Phase 1 stacking area and an additional 9 Mt once the Phase 2 expansion is completed. The Phase 1 HLP was designed and permitted by Golder in 2007 and the design was updated by NewFields in 2019 to include the Phase 2 expansion. The proposed pad layout as designed by NewFields is shown in Figure 17-2.
The leach pad will be a single-use, multi-lift type leach pad and has been designed with a lining system approved by the state of Nevada.
The leach pad area will be constructed by clearing the pad area and stripping vegetation and growth medium. The area will need to be graded for drainage and heap stability.
The leach pad liner will be composed of the following components from top to bottom:
| ● | Overliner consisting of two feet of crushed and screened material over a network of solution collection piping; |
| ● | 60 mil double sided, textured Linear Low-Density Polyethylene (LLDPE) geomembrane; |
| Kappes, Cassiday & Associates | 17.0 Recovery Methods |
| September 2024 | Page 17-7 |
![]() | Reward Feasibility Study Technical Report |
| ● | 1-foot Low Hydraulic Conductivity Soil Layer consisting of screened, native soil blended with clay with a minimum permeability of 1x10-6 cm/sec; |
| ● | Leak detection system under the primary solution collection pipes which route solution to a monitoring sump tank; |
| ● | Prepared subgrade. |
A clay source, operated by Lhoist, has been identified approximately 40 miles from the project site.
The Phase 1 of the heap leach pad will be constructed in Year -1 and includes 2.275 million ft2 of lined area and will contain approximately three years’ worth of production. The pad will include six separate cells allowing segregation of solution by grade.
The Phase 2 of the leach pad includes four cells and will be constructed in Year 3 and includes 1.435 million ft2 of lined area and has been sized to contain the ultimate cumulative ore capacity.
Gravity solution collection pipes will be installed on top of the geomembrane liner and covered with overliner material. The pipes are sized to operate at 50% full to contain the design production flows from the upgradient tributary area, allowing additional capacity to accommodate excess solution from storm events and reduced flow capacity from pipe squeezing during loading.
The gravity solution collection pipes will consist of 4, 6, 8, 10 and 12-inch diameter perforated corrugated polyethylene (PCPE) pipes. The pipes are typically arranged in a branching network where smaller pipes feed larger pipes.
The flow from the individual cells drain to flumes for flow measurement of the solution and sampling to determine solution concentrations. Solid HDPE pipes will carry the solution from the flumes to the pregnant tank or process pond. Should solution flows exceed the capacity of the heap outlet pipes, solution will flow over the outlet pipe berms into the solution conveyance channel and to the Event Pond.
The overliner material will act as a protective layer that resides above the LLDPE geomembrane. The main purpose of this material is to protect the composite liner system and solution collection piping from damage during stacking.
| Kappes, Cassiday & Associates | 17.0 Recovery Methods |
| September 2024 | Page 17-8 |
![]() | Reward Feasibility Study Technical Report |
Table 17-2 Heap Design Criteria
| Total Targeted Capacity | 16 Mt |
| Number of Phases | 2 |
| Phase 1 Targeted Capacity | 7 Mt |
| Phase 2 Targeted Capacity | 9 Mt |
| Yearly Ore Production Rate | 2 Mt |
| Maximum Operating Slope, H:V | 3 |
| Closure Slope, H:V | 3 |
| Nominal Lift Height, ft | 30 |
| Solution Application Rate | 0.003 gpm/ft2 |
| Method of Application | Drip Emitters |
| Pad Lining (bottom to top) | Native subgrade, 12% clay amended LHCSL, 60-mil LLDPE double-sided textured geomembrane, Overliner |
| LHCSL Source | Minus 3/8” Native subgrade and imported clay |
| LHCSL Thickness | 12 inches |
| Overliner Source | 1” minus Crushed Ore or Native Soil, maximum 10% fines |
| Overliner Thickness | 24 inches |
17.5.1 Stacking Plan
To evaluate the potential for phasing the construction of the heap leach pad and whether the full heap could be loaded continuously, a stacking plan was developed. The results of the plan indicate the heap leach pad can be operated continuously with a leach solution flow rate about 2,000 gpm and an application rate of 0.003 gpm/ft2.
Phase 1 of the HLP construction can provide storage for about 7 Mt of ore with an operational life of about 3.5 years. The initial HLP area is approximately 2,275,000 ft2 or about two-thirds of the total planned HLP area of 3,710,000 ft2. Phase 2 HLP construction can provide storage for an additional 9 Mt with an extended operational life of about five years.
17.5.2 Stability Analyses
Slope stability analyses were completed for one cross-section within the HLP and one cross-section within the process and event pond embankment. The purpose of the analyses was to estimate critical (minimum) factors of safety (FOS) for the planned HLP and ponds for comparison with design criteria. Slope stability analyses included static and pseudostatic loading conditions for operational and closure conditions as well as simplified deformation analyses, when applicable.
NewFields used design inputs presented by Golder (2007) to conduct slope stability analyses for the heap leach pad and the pond embankment and considered both static and earthquake induced (pseudostatic) stress conditions. Design criteria for static and seismic loading conditions for the Project site were, in part, obtained from the Nevada Division of Environmental Protection
| Kappes, Cassiday & Associates | 17.0 Recovery Methods |
| September 2024 | Page 17-9 |
![]() | Reward Feasibility Study Technical Report |
– Bureau of Mining Regulation and Reclamation (NDEP-BMRR). According to the NDEP-BMRR, the recommended minimum FOS for the heap leach pad are 1.3 for static loading conditions and 1.05 for pseudostatic loading conditions. The NDEP-BMRR also requires that if the pseudostatic analysis FOS is less than 1.05, a deformation analysis shall be performed to determine the maximum potential displacement of heap material in a seismic event. Deaggregation of the seismic hazard indicates that the mean seismic event is an approximate 6.5 moment magnitude earthquake at a distance of 10 to 15 miles from the site.
NewFields has established a 1 ft maximum allowable deformation in the design criteria. This value was considered based on NewFields’s prior experience with similar conditions regarding limiting risk to liner integrity.
According to Nevada Administrative Code (NAC) 535.210, the minimum acceptable factors of safety for the pond embankment are 1.4 for static loading conditions and 1.1 for pseudostatic loading conditions. NewFields used site latitude and longitude values for the Project site as a reference location for input into the United States Geological Survey (USGS) Unified Hazard Tool. Using this tool, NewFields approximated a PGA value of 0.15 g for an annual probability of exceedance of 10 percent in 50 years or a return period of 475 years.
The minimum FOS for operating condition was 1.4 for the HLP. A minimum FOS for the pond embankment was 1.8. The results of the stability analyses for the analyzed sections yield FOS for static scenarios to be at or above the minimum recommended FOS according to the NDEP-BMRR and NAC 525.210 criterion.
The results from the pseudostatic conditions for the HLP was a FOS of 1.1 which exceeds the minimum requirement of 1.05. The pond embankment pseudostatic FOS was 1.5, which exceeds the minimum required FOS of 1.1.
17.5.3 Liner
An admixed soil liner of imported clay and on-site soils will be used for the soil liner system. Bentonite amended soil will be used under the leach pad to form a composite lining system. The prepared subbase will have a permeability less than 1 x 10-6 cm/sec as confirmed by field testing during construction. Interface shear and liner load testing will be required to verify material properties once the final soil liner materials are selected.
17.6 Solution Application & Storage
The Reward Project will use a Process Solution Pond, Pregnant Solution Tank, Barren Solution Tank and Event Pond for solution management.
The solution management philosophy for the Reward Project is based on the need to maintain a high pregnant solution grade.
| Kappes, Cassiday & Associates | 17.0 Recovery Methods |
| September 2024 | Page 17-10 |
![]() | Reward Feasibility Study Technical Report |
Ore will be leached using a two-stage process, whereby the lowest grade leach solution is used to leach the lowest grade material and the higher-grade leach solution is used to leach the higher-grade ore.
Cyanide solution will be added to the barren solution from the CICs and used for the secondary leach cycle (ore leached greater than 90 days). The resulting low grade pregnant solution (Intermediate Leach Solution or Lean) is directed to the Process Pond. Intermediate Leach Solution (Lean) from the Process Pond will be dosed with cyanide solution and pumped to the primary leach cycle (ore leached less than 90 days).
Barren solution will be pumped from the Barren Solution Tank to the leach pad using a dedicated set of horizontal, centrifugal pumps (one operating, one standby). The main barren solution header from the pumps to the base of the pad will be 10-inch carbon steel pipe, 10-inch steel pipe risers will be used carry barren solution to the top of the pad.
The 10-inch steel risers will feed 10-inch DR 17 HDPE sub headers that will distribute barren across the top of the pad. Tees from the 10-inch DR 17 HDPE sub header will be reduced to three inches and feed three-inch lay-flat sub, sub headers. The three-inch sub, sub headers feed the drip tube which applies Barren Solution to the crushed ore.
Drip emitters will be used because they have less evaporation losses than other forms of irrigation and will minimize make-up water requirements. Barren Solution will be applied to the heap at an average rate of 0.003 gal/min/ft2. Antiscalant will continuously be added to the Barren Solution at an approximate rate of 5 ppm to reduce the potential for scaling problems within the irrigation system.
Intermediate Solution will be pumped using a submersible pump feeding a bank mounted centrifugal pump (one operating, one standby). The rest of the piping is comparable to the barren solution piping.
Intermediate Solution (Lean) will be directed to the Process Pond. The Process Pond is a 5.2 Mgal pond that will be operated at a depth of 21 ft (3.0 Mgal).
The Process Pond is constructed with a two-liner system. The upper liner is an 80 mil, single sided textured HDPE liner, the lower liner is 60 mil, double sided textured HDPE liner. A 200-mil geonet layer is placed between the HDPE liners. The geonet layer drains to a leak detection sump that can be pumped empty, removing hydraulic head from the lower liner.
Storm water, that cannot drain to the Pregnant Tank or the Process Pond, will flow to the Event Pond. The Event Pond is constructed with a two-liner system. The upper liner is an 80 mil, single sided textured HDPE liner, the lower liner is 60 mil, double sided textured HDPE liner. A 200-mil geonet layer is placed between the HDPE liners. The geonet layer drains to a leak detection sump that can be pumped empty, removing hydraulic head from the lower liner.
| Kappes, Cassiday & Associates | 17.0 Recovery Methods |
| September 2024 | Page 17-11 |
![]() | Reward Feasibility Study Technical Report |
17.6.1 Solution Collection
A solution collection piping system will be installed within the HLP with piping placed directly on the geomembrane liner and within the overliner fill material. Primary solution collection will be from 4-inch diameter perforated corrugated polyethylene (CPE) pipes placed at a typical pipe-to-pipe horizontal spacing of 25 ft on center. The size and location of the collection pipes were developed to provide for a maximum hydraulic head of 2 ft during leaching. The pipes will collect and route solutions to 6-inch, 8-inch, 10-inch or 12-inch diameter secondary collection pipes.
Secondary collection pipes will be placed within channels located along the southeast and southwest edges of each cell. Solution will drain to the 14-inch diameter HDPE outlet pipe located in each cell which penetrates the perimeter berm. After the outlet pipe passes through the perimeter berm it is directed into a flume where the flow rate can be measured and solution concentration samples can be collected. From there, solution can be directed into either the 18-inch pregnant or lean conveyance pipes located in the solution conveyance channel. The pregnant and lean conveyance pipes gravity drain to their respective tanks at the process plant.
17.6.2 Storm Water Capacity
The Process and Event Ponds will be constructed during Phase 1 and are designed to handle the flow from the ultimate HLF (Phases 1 and 2). The storm water storage capacity, during Phase 1, was evaluated under the following conditions:
| ● | 100-year, 24-hour storm (2.7 inches) resulting in 1.9 Mgal accumulation; |
| ● | Average rainfall year (5.3 inches of rainfall per year); |
| ● | Wettest month (0.9 inches in February); |
| ● | 24 hours drain down from the heap resulting in 2.8 Mgal of accumulation; |
| ● | 24 hours of flow resulting in 2.8 Mgal of accumulation. |
The resulting accumulation is 7.5 Mgal which can be accommodated in the Event Pond (8.7 Mgal).
The storm water storage capacity, during Phase 2, was evaluated under the following conditions:
| ● | 100-year, 24-hour storm (2.7 inches) resulting in 4.2 Mgal accumulation; |
| ● | Average rainfall year (5.3 inches of rainfall per year); |
| ● | Wettest month (0.9 inches in February); |
| ● | 24 hours drain down from the heap resulting in 2.8 Mgal of accumulation; |
| ● | 24 hours of flow resulting in 2.8 Mgal of accumulation. |
The resulting accumulation is 9.7 Mgal which can be accommodated in the Event Pond (8.7 Mgal) and the available space of the Process Pond (1.3 Mgal).
| Kappes, Cassiday & Associates | 17.0 Recovery Methods |
| September 2024 | Page 17-12 |
![]() | Reward Feasibility Study Technical Report |
17.7 Process Water Balance
17.7.1 Precipitation Data
Environmental data from the Beatty Weather Station was used to estimate the site wide water balance. This is presented in Table 17-3 below.
Table 17-3 Average Monthly Precipitation –Beatty Weather Station
|
Month | Rainfall, in | Pan Evaporation, in |
| January | 0.7 | 2.4 |
| February | 0.9 | 3.1 |
| March | 0.7 | 5.2 |
| April | 0.4 | 7.4 |
| May | 0.3 | 9.8 |
| June | 0.2 | 10.3 |
| July | 0.3 | 10.8 |
| August | 0.3 | 10.4 |
| September | 0.3 | 8.5 |
| October | 0.3 | 5.7 |
| November | 0.4 | 3.2 |
| December | 0.5 | 2.2 |
| Total | 5.3 | 79.0 |
17.7.2 Water Balance
Based on the preceding rainfall and pan evaporation data, water balances were calculated based on the tonnage of 5,479 tpd. Water balance diagrams for an average year, wet year, and dry year and are presented in Figure 17-3, Figure 17-4 and Figure 17-5, respectively. For all scenarios, it was determined that the Reward Project will be in a water deficit and makeup water will be required. Makeup water requirements vary minimally between average, wet, and dry years due to the minimal overall precipitation at the Project site.
The average make-up water requirement:
| ● | Process: 105 gallons per minute; |
| ● | Mine: 115 gallons per minute; |
| ● | Potable Water Demand: 1,000 gallons per day. |
The total water demand is approximately 221 gallons per minute.
| Kappes, Cassiday & Associates | 17.0 Recovery Methods |
| September 2024 | Page 17-13 |
![]() | Reward Feasibility Study Technical Report |
Figure 17-3 Average Year, Phase 1 (KCA, 2022)

| Kappes, Cassiday & Associates | 17.0 Recovery Methods |
| September 2024 | Page 17-14 |
![]() | Reward Feasibility Study Technical Report |
Figure 17-4 Wet Year, Phase 1 (KCA, 2022)

| Kappes, Cassiday & Associates | 17.0 Recovery Methods |
| September 2024 | Page 17-15 |
![]() | Reward Feasibility Study Technical Report |
Figure 17-5 Dry Year, Phase 1 (KCA, 2022)

17.7.3 Carbon Adsorption Circuit
The adsorption circuit will consist of a single train of five open, up flow carbon columns, each with three tons of carbon operating as expanded bed contactors. A second set of carbon columns will be constructed in Year 3 for use in Years 4 through 9.
Pregnant solution containing soluble gold will be pumped from the pregnant solution tank to the columns to remove gold via carbon adsorption. The adsorption circuit will be operated manually on a daily basis to allow counter-current contact with the carbon to achieve a carbon loading of approximately 100 oz/t (Years 1 through 3) and 50 oz/t (Years 4 through 9).
Note that two stage leaching is not effective during upper lift leaching and will not be done while operating two sets of carbon columns (Years 4 through 9).
Solution will enter into the bottom of each column and exit from the top. Dart valves will be used to control flow to the column and to bypass the feed to the column if required. The first column will contain solution with the highest gold concentration and carbon with the highest gold loading. As the solution passes through the next four columns, the gold concentration will decrease, leaving the lowest gold-concentrated solution to be in contact with the freshest carbon (or most recently stripped carbon) in the last column. Solution exiting the last column will pass over the carbon safety screen to provide a visual check on whether any carbon is escaping from the
| Kappes, Cassiday & Associates | 17.0 Recovery Methods |
| September 2024 | Page 17-16 |
![]() | Reward Feasibility Study Technical Report |
columns. The screen underflow will flow to the barren solution tank, dosed with cyanide and used as barren leach solution on the heap leach.
Carbon will be advanced manually between the columns by the operator. Loaded carbon will be transferred from the Column One to the loaded carbon transport tank or the acid wash column in the elution circuit. Carbon in Column Two will be advanced to Column One. This sequence will continue until Column Five is advanced to Column Four. Barren or virgin carbon will be added to Column Five.
The loaded carbon will be shipped to a toll processor in Year One of operation. Loaded carbon will be processed in an onsite recovery plant Years Two through Nine.
17.7.4 Acid Wash and Elution
A 3-ton lot of loaded carbon will be transferred from Column One approximately every three days. In Years Two through Nine, the loaded carbon will be transferred to the acid wash vessel. The carbon will be treated by circulating dilute hydrochloric acid at pH 2 through the vessel for several hours to dissolve carbonate scale.
At the end of the acid wash cycle, residual acid will be neutralized with caustic, then the carbon will be transferred to the elution vessel. Once the vessel is filled, the carbon will be rinsed to remove fines and stripped.
The elution cycle is assumed to be approximately 18.5 hours including:
| ● | Two hours to transfer carbon; |
| ● | Two hours heat time; |
| ● | 12 hours strip time; |
| ● | Thirty-minute drain time; |
| ● | Two hours to transfer carbon. |
Gold on the carbon will be stripped with 3 bed volumes per hour of strip solution. The strip solution will contain approximately 5 lb NaCN/t and 10 g NaOH/L. The strip process will be performed between 280 and 300° F.
The strip cycle is controlled using a pressure control valve to maintain a constant vessel pressure. The boiler, that heats the barren strip solution, will be controlled to maintain constant hot water temperature.
During heat up, strip solution from the elution column will be recycled to the Eluent Solution Tank to build up the system’s heat. When the Elution Vessel is at temperature, strip solution will be treated in electrowinning cells to recover eluted gold.
| Kappes, Cassiday & Associates | 17.0 Recovery Methods |
| September 2024 | Page 17-17 |
![]() | Reward Feasibility Study Technical Report |
17.7.5 Gold Room
The strip solution from the Elution Vessel is treated in the Electrowinning Cells. The Electrowinning Cells contain stainless steel cathodes and anodes. A DC voltage between 3 and 4 V will be applied across the cathodes and anodes.
Gold will be recovered from the strip solution on the cathodes in the Electrowinning Cells as a sludge. The sludge will be removed using a high-pressure washer and dewatered using a small, recessed plate filter press.
The solids from the filter press will be treated in a retort furnace to remove contained mercury. The dried, mercury free sludge will be melted with fluxes in a furnace to produce gold doré bars.
Ventilation equipment will be provided to remove and treat mercury containing vapors.
17.7.6 Carbon Regeneration
Stripped carbon will be transferred from the elution column to the Kiln Feed Dewatering Screen. Dewatered carbon will fall into the Kiln Feed Bin and fed to the Carbon Regeneration Kiln. The carbon will be heated to about 1,300°F and held at this temperature for about 10 minutes to allow regeneration to occur. Regenerated carbon from the kiln will be quenched and pumped to the carbon sizing screen where the oversize will return to the adsorption circuit and the undersize will be collected in the carbon fines tank and periodically pumped to the carbon fines filter and collected in a bag.
17.7.7 Reagents
The heap leach process requires sodium cyanide, cement, activated carbon and antiscalant in year one.
In years two through nine, the process will require sodium cyanide, pebble lime (replaces cement), activated carbon, antiscalant, hydrochloric acid, caustic and flux components (borax, soda ash, silica sand and niter).
Cement
Cement will be added during the first lift of the heap leach to add strength and protect permeability to the stacked ore and to control pH.
Cement will be delivered in truckload quantities and will be stored in a 2,800 ft3 silo; the volume is equivalent to 123 tons. The silo inventory is equivalent to approximately 7.5 days of cement.
The silo will be filled with cement pneumatically from a tanker truck. The cement from the silo will be fed to the Reclaim Tunnel Conveyor using a variable speed screw conveyor.
Lime
Pebble lime will be added after the first lift of the heap leach to control pH.
| Kappes, Cassiday & Associates | 17.0 Recovery Methods |
| September 2024 | Page 17-18 |
![]() | Reward Feasibility Study Technical Report |
Pebble lime will be delivered in truckload quantities and will be stored in a 2,800 ft3 silo; the volume is equivalent to 105 tons. The silo inventory is equivalent to approximately 22.5 days of pebble lime.
The silo will be filled with pebble lime pneumatically from a tanker truck. The lime from the silo will be fed to the Reclaim Tunnel Conveyor using a variable speed screw conveyor.
Caustic Soda
Caustic soda will be used to control conductivity in electrowinning and neutralize excess acid from the acid wash.
Caustic will be purchased and delivered to site as a 40% (w/w) solution. The delivered caustic solution will be diluted onsite to approximately 20% (w/w) prior to storage.
The caustic is diluted to lower its freezing point to approximately -25 °F. This will eliminate the need for freeze protection on the caustic tank or piping.
Cyanide
Cyanide is used to dissolve gold during the leaching process.
Cyanide solution will be provided to site by a tanker truck. Each truck will deliver approximately 6,600 gallons of 30% solution. The solution will be transferred to a 20,000-gallon storage tank. The tank will store approximately 14.5 days of cyanide inventory for the plant.
Activated Carbon
Activated carbon will be purchased by the truckload in 1,100 lb super sacks.
Approximately 30 tons of carbon will be required at start up to fill the carbon adsorption columns and provide inventory for shipped carbon in transit.
Hydrochloric Acid
Hydrochloric acid is used to dissolve carbonate scale from loaded carbon prior to stripping.
Hydrochloric acid solution is assumed to be purchased as a 36% w/w solution be delivered to site in a tanker truck. The hydrochloric acid will be stored in a 6,090-gallon tank.
The tank size was chosen to be approximately 1.5 truck loads.
Antiscalant
Antiscalant will be added to the Barren, Intermediate Leach and Strip Solution to avoid problems due to carbonate scale formation.
Antiscalant will be purchased and delivered to site in 240-gallon totes. Small diaphragm pumps (or similar) will be used to add antiscalant into the Barren, Intermediate Leach and Strip Solution.
| Kappes, Cassiday & Associates | 17.0 Recovery Methods |
| September 2024 | Page 17-19 |
![]() | Reward Feasibility Study Technical Report |
17.7.8 Plant Services
Air
Plant and instrument air will be supplied by air compressors, with one at the crusher and one in the ADR. A drier will be installed at the ADR to provide instrument air.
Water
Water will be supplied from well WSW-1 located at the elevation of 2,950 ft asl near US Route 95. The water will be pumped uphill to a 217,100-gal Raw Water tank located on a platform at an elevation of 3,765 ft asl.
The raw water from the Raw Water tank will be used for dust control; process make up and potable water.
Potable Water
The raw water from well WSW-1 contains fluoride (5 ppm) above the drinking water limit (4 ppm) and arsenic (0.01 ppm) at the drinking water limit (0.01 ppm).
A reverse osmosis filter will be located near the Raw Water tank which will remove most dissolved substances. The potable water will be stored in a HDLPE tank located near the Raw Water tank. Brine from the reverse osmosis filter will be used as process water.
Sodium hypochlorite solution will be used to disinfect and provide a residual chlorine concentration for the Potable Water.
Piping will supply Potable Water by gravity to the Mine Offices, Mine Shop, Crusher facilities and the ADR area. The Potable Water Tank is located at an elevation to provide reasonable pressure to the Mine and Crusher Areas.
Fire Water
No fire water system will be provided for the Reward Project.
Raw Water
Raw Water, for dust control and water make-up, will be fed from an elevated drain on the Raw Water Tank.
Piping will supply raw water by gravity to the Mine Offices, Mine Shop, Crusher facilities and the ADR area.
| Kappes, Cassiday & Associates | 17.0 Recovery Methods |
| September 2024 | Page 17-20 |
![]() | Reward Feasibility Study Technical Report |
18.0 PROJECT INFRASTRUCTURE
18.1 Introduction
The Overall Site Plan (Figure 17-2), includes an Open Pit Mine, Waste Rock Dumps (WRDs), Mine Shop, Magazine, Crushing Plant, Heap Leach Pad and Ponds, Process Plant and the Main Access Road. The Crushing Plant, Leach Pad, Process Ponds and Process Plant are generally located on a downhill trend in a northeast to southwest direction.
18.2 Roads
The Project is located approximately seven miles south of Beatty, Nevada in Nye County. The site is accessed via US Route 95 which is a paved, two-lane highway that provides access to Las Vegas to the south and Reno to the north. US Route 95 is a major corridor for truck traffic between southern and northern Nevada. Turn lanes to facilitate traffic at the turnoff to the mine are not expected to be required.
Internal roads will provide access between the process plant, heap leach, crusher and mine facilities. In general, the site roads will be constructed on fill and can be maintained with a motor grader.
A network of mine haul roads will be constructed and maintained by the mining contractor and used to access the pit, WRDs and to transport ore to ROM pad.
18.3 Project Buildings
Site buildings for the Reward Project will generally be modular buildings. Site buildings include:
| ● | Administration Building; |
| ● | Security Building (Gatehouse); |
| ● | Process Office; |
| ● | Crusher Office; |
| ● | Mine Office; |
| ● | Laboratory; |
| ● | Process Maintenance Shop; |
| ● | Mine Maintenance Shop; |
| ● | Portable Restrooms. |
18.3.1 Administration Building
The Administration Building is a 64 ft x 36 ft modular building located on a platform (elevation approximately 3,470 ft asl) adjacent to the main access road and to the northwest of the Process Plant platform.
The platform includes parking for the office.
| Kappes, Cassiday & Associates | 18.0 Project Infrastructure |
| September 2024 | Page 18-1 |
![]() | Reward Feasibility Study Technical Report |
18.3.2 Process and Crusher Offices
The Process and Crusher Offices are two, 40 ft x 8 ft modular buildings located on the Process (elevation approximately 3,470 ft asl) and Crusher platforms (elevation approximately 3,690 ft asl).
18.3.3 Mine Office
The Mine Office Building is a 24 ft x 64 ft modular building located on a platform (elevation approximately 3,755 ft asl) adjacent and to the northeast of the ROM stockpile.
18.3.4 Laboratory
The Laboratory is constructed from two sets of paired sea containers placed on either side of an open courtyard. The sea containers and courtyard are covered by a steel roof. The Laboratory is located on the same platform as the Process Plant at an elevation of approximately 3,470 ft asl.
The paired sea containers have their adjoining walls removed forming two, 16 ft x 40 ft indoor work areas. The courtyard area is a 28 ft x 40 ft work area that can be used for sample receipt and to locate compressors and drying ovens.
18.3.5 Process Maintenance Shop
The Process Maintenance Shop is constructed from two sea containers placed on either side of an open courtyard. The sea containers and courtyard are covered by a steel roof. The Process Maintenance Shop is located on the same platform as the Crusher at an elevation of approximately 3,690 ft asl.
The sea containers provide space for parts storage. The center courtyard will provide a work area that is protected from the rain or sun.
18.3.6 Mine Maintenance Shop
The Mine Maintenance Shop is to be located on the same platform as the Mine Office (elevation approximately 3,755 ft asl). The shop will be supplied by the mining contractor.
18.3.7 Restrooms
Modular restrooms are located on the Process Plant platform (elevation of approximately 3,470 ft asl), the Crusher platform (elevation approximately 3,690 ft asl) and adjacent to the Mine Office Building (elevation approximately 3,755 ft asl).
| Kappes, Cassiday & Associates | 18.0 Project Infrastructure |
| September 2024 | Page 18-2 |
![]() | Reward Feasibility Study Technical Report |
18.3.8 Security Building
The current plan has a 40 ft x 8 ft modular building located along the access road near Well WSW-1 to serve as the Security Building. However, this may be changed to a smaller building depending on actual project needs.
18.3.8.1 Fenced Area
Accessible property boundaries will be protected by a three strand, barbed wire fence. The Process Ponds will be protected by an eight-foot, chain link fence. The site is surrounded by a desert tortoise fence where required, some of which must be re-located due to site activities.
18.3.8.2 Hazardous Waste Storage
The hazardous waste storage area is a 12 ft x 12 ft concrete slab with bunded walls and a small sump. The concrete will be covered with a roof and three walled sides to protect the contents from the weather. The storage area is surrounded by a fence.
The concrete containment will need to be pumped manually.
18.3.8.3 Reagent Storage
Cyanide will be stored in dedicated areas of the process facilities. There is no specific area for storing virgin carbon or antiscalant. It is assumed these items can be stored on the ground.
18.3.8.4 Cactus Garden
A 2.5-acre area of land is reserved for planting of cacti that must be moved prior to project construction and operations. This area is located adjacent to the main access road and east of the recovery plant.
18.3.8.5 Growth Media Storage
There are three growth media stockpiles located on the property for storage of growth media which will be used for reclamation and vegetation efforts at the end of the mine life.
18.4 Power
The Project is serviced by an existing 14.4/24.9 kV power line that is owned and operated by Valley Electric Authority. The existing line is terminated at a pole transformer approximately 1,000 ft from the US Route 95 turn-off. A 24.9 kV spur power line will be constructed on site parallel to the main access road to distribute power to the Process, Crushing and Mine facilities.
Electrical enclosures and modular buildings will house the 480 V motor control centers (MCCs), variable frequency drives (VFDs), process plant control system cabinets, plant lighting transformers and other electrical gear.
| Kappes, Cassiday & Associates | 18.0 Project Infrastructure |
| September 2024 | Page 18-3 |
![]() | Reward Feasibility Study Technical Report |
For the process plant and crushing plant areas, the 24.9 kV supply will be stepped down from 24.9 kV to 480 V at each electrical room using separate 24.9 kV/480 V distribution transformers.
There will be one 1,500 KVA transformer and one MCC for the crushing plant area. The Process Area will be powered from two separate transformers, one 500 and one 1,000 KVA. After construction of the Recovery Plant, two MCCs will be at the Process Plant.
Remote loads such as process area buildings, mine facilities and explosives compound will be fed by extension from the existing overhead line via pole-mounted transformers and related distribution gear.
The attached and average power demand is summarized in Table 18-1.
Table 18-1 Power Summary
|
| Attached Power by Year, kW | Demand Power by Year, kW | ||||
| Area | 1 | 2 to 5 | 6 to 8 | 1 | 2 to 5 | 6 to 8 |
| Area 113 - Crushing | 1,398 | 1,398 | 1,398 | 863 | 863 | 863 |
| Area 114 - Crushed Ore Stockpile… | 731 | 731 | 731 | 300 | 300 | 300 |
| Area 122 - Heap Leach Pad & Ponds | 736 | 736 | 885 | 268 | 268 | 348 |
| Area 128 - Carbon Adsorption & Handling | 103 | 103 | 103 | 65 | 65 | 65 |
| Area 128 - Carbon Desorption & Reactivation | 97 | 97 | 66 | 66 | ||
| Area 131 - Refinery | 181 | 181 | 115 | 115 | ||
| Area 134 - Reagents | 34 | 34 | 34 | 24 | 24 | 24 |
| Area 38 - Laboratory | 95 | 95 | 95 | 67 | 67 | 67 |
| Area 60 - Process Emergency Power | - | - | - | - | - | - |
| Area 362 - Water Supply, Storage & Distribution | 609 | 609 | 609 | 262 | 262 | 262 |
| Area 368 - Compressed Air & Fuel | 56 | 56 | 56 | 11 | 11 | 0 |
| Area 66 - Facilities | 40 | 40 | 40 | 15 | 15 | 15 |
| Total | 3,802 | 4,079 | 4,229 | 1,875 | 2,057 | 2,127 |
The power demand is estimated at 1,875 kW in year one and 2,057 kW in Years 2 through 5 and 2,127 in Years 6 through 8. The total attached load is approximately 3,802 kW in Year 1 and 4,079 kW in Years 2 through 5 and 4,229 kW in Years 6 through 8.
Unit power costs are $0.117 per kWh based on pricing information from Valley Electric Association, Inc.
18.4.1 Emergency Power
In the event of a power failure, a 1,000-kW diesel-fired backup generator will be used to supply emergency power to the Barren, Intermediate (Lean) and Pregnant Pumps. The generator is large enough to supply emergency lighting in the Process Area.
| Kappes, Cassiday & Associates | 18.0 Project Infrastructure |
| September 2024 | Page 18-4 |
![]() | Reward Feasibility Study Technical Report |
18.5 Communications
A local utility will provide high speed internet access onsite. The internet connection will be used to provide Voice over Internet Protocol (VoIP) phone service.
A handheld radio system will also be supplied for process and mining personnel.
18.6 Fuel Supply
An on-site bulk diesel fuel storage tank will be supplied by the mining contractor to fuel the on-site mobile equipment. Diesel fuel will be sourced locally. A propane tank will be located on the Process Plant platform to provide gas for heating. No gasoline storage or dispensing facilities will be on-site.
18.7 Water
The water supply and distribution system is described above Section 17.7.8 above.
18.8 Sewage and Solid Waste Management
18.8.1 Sewage
Waste from the onsite restrooms is assumed to be collected and disposed of by a service.
18.8.2 Solid Wastes
Hazardous Wastes will be collected and stored in the hazardous waste storage facility near the Mine Shop. Non hazardous solid waste will be buried in an onsite Class III landfill facility.
18.9 Bullion Transport and Refining
During the first year of operation, loaded carbon will be shipped to an offsite location for gold recovery. The stripped carbon will be returned to site for storage or reuse.
An on-site recovery plant will be constructed in year one and operated in years two through nine. Doré produced onsite will be shipped to an off-site refinery to produce fine gold for sale.
| Kappes, Cassiday & Associates | 18.0 Project Infrastructure |
| September 2024 | Page 18-5 |
![]() | Reward Feasibility Study Technical Report |
19.0 MARKET STUDIES AND CONTRACTS
No market studies were completed and no contracts are in place in support of this Technical Report. Gold production can be sold to a number of financial institutions or refining houses and therefore no market studies are required. It is assumed that the doré produced will be of a specification comparable with other gold producers, and as such, acceptable to all refiners. It was assumed that the doré will be processed at the Asahi Refinery in Salt Lake City, UT and sold in London at spot market prices.
A gold price of $1,975/oz Au has been used for the economic analysis. This gold price is slightly higher than the three-year trailing gold price1 and below the spot market price for gold as of 3 September 2024.
The treatment of loaded carbon in Year 1 is quoted but currently there is no contract.
The Report assumes that mining operations will be conducted by a contractor working under the supervision of the Chief Mining Engineer. There will be a contract required for the mining contractor. Quotations for these services have been received and were used to estimate costs for the Report, but no contracts are currently in place.
| 1. | World Cold Council Spot Gold Price Data, 06 September 2021 through 03 September 2024 |
| Kappes, Cassiday & Associates | 19.0 Market Studies and Contracts |
| September 2024 | Page 19-1 |
![]() | Reward Feasibility Study Technical Report |
20.0 ENVIRONMENTAL STUDIES, PERMITTING AND SOCIAL OR COMMUNITY IMPACT
A number of the permits required to support operations were obtained in 2007 and updated in 2020. However, while the Project remains within the permitted disturbance footprint, the configuration has been slightly modified from that envisaged in 2007 and 2020, and these proposed changes to the operation may require minor modifications to the existing permits and authorizations. At a minimum, engineering design changes (EDCs) are likely to be required for the maintenance area, crushing plant, and process plant area proposed changes. Additional stockpiles have been added, and a number of grasshoppers have now been included in the heap leach pad stacking circuit which will necessitate modification of the current air quality permit. Future expansion of the operations to include the addition of an ADR Plant for onsite processing, is likely constitute major modifications to the existing permits.
20.1 Environmental Studies
Environmental, social, and cultural studies were conducted by CR Reward as part of the 2007 and 2020 permitting efforts.
Much of this information was provided to the U.S. Department of the Interior – Bureau of Land Management (BLM) as part of the Reward Project Updated Plan of Operations and Reclamation Plan (BLM Case File Serial Number N-82840) and the accompanying Environmental Assessment (EA; DOI-BLM-NV-S030-2007-0295-EA) in 2009 and the Reward Project Plan of Operations N-82840/ Reclamation Permit #300 Modification and accompanying EA (DOI-BLM-NV-S030-2020-0006-EA) in 2020.
Additional information, especially with respect to hydrogeology and geochemistry, was developed and submitted to the Nevada Division of Environmental Protection – Bureau of Mining Regulation and Reclamation (BMRR) as part of the Nevada Water Pollution Control Permit (WPCP) application in 2009 and the minor modification to the permit in 2019. Both the EA and WPCP application include discussion of the potential impacts associated with project development, none of which were found to be significant.
Field studies and desktop reviews completed as part of the regulatory review process and impact analyses included:
| ● | Land status determinations and claim boundary mapping. |
| ● | Soil surveys. Soils consist of coarse-grained colluvium and talus and exhibit weak horizon development (BLM, 2020). For reclamation purposes, the soils are considered to be of poor quality because they are coarse-grained, shallow and have low water storage capacity (BLM 2020). These soils could still be used for reclamation but would be a major limiting factor in producing a vegetative cover. It is estimated that, if used, these soils would provide a depth of growth media between 6 and 9 inches on the reclaimed facilities (CR Reward, 2020). |
| Kappes, Cassiday & Associates | 20.0 Environmental Studies… |
| September 2024 | Page 20-1 |
![]() | Reward Feasibility Study Technical Report |
| ● | Air quality. The Project is located within the Amargosa Desert Air Basin, as designated by the Nevada Bureau of Air Pollution Control (BAPC). This basin is listed as “unclassified,” meaning there are not enough ambient air quality data available to determine if the ambient conditions meet the National Ambient Air Quality Standards (NAAQS; BLM, 2020). Basins listed as “unclassified” must be managed as if they have met NAAQS. |
| ● | Cultural resources. The entire 716 acres of the proposed Project area has been archaeologically inventoried and assessed in five separate cultural resource investigation reports completed between 1995 and 2020. There are no known habitable buildings within a one-mile radius of the proposed mine facilities. |
| ● | Native American religious concerns. The Timbisha Shoshone Tribe conducted a visit on September 26, 2007, and expressed concerns regarding whether an ethnographic study would be prepared for the area, the impact of the mine on the ecosystem, the potential for ground and surface water contamination, the potential to affect the amount of water available and the need for a tribal monitor to be on site during construction (BLM, 2009). These issues were raised during the preparation of the Project EA, which was approved by the BLM through a Finding of No Significant Impact (FONSI) decision. |
| ● | Water resources. The Bare Mountains are on the northeast perimeter of the Amargosa Desert Hydrographic Basin, which is part of the Death Valley Basin regional flow system (BLM, 2020). Most of the available water quality data for the Project area are for groundwater as the surface drainages are usually dry and ephemeral in response to precipitation events only. There are no perennial streams or springs located in the Project area. The water quality data that were available for evaluation in the BLM’s 2009 EA were from groundwater samples from the alluvial aquifer around Bare Mountain which show that the groundwater is essentially potable and has total dissolved solids (TDS) concentrations between 222 mg/L and 1,080 mg/L (BLM, 2009). Similarly, water quality data from the carbonate aquifer revealed that TDS ranged from 319 to 508 mg/L and groundwater samples taken from the Tertiary volcanic units in Crater Flat and near Yucca Mountain indicated TDS concentration ranges from 220 to 347 mg/L (BLM, 2009). Later analyses of groundwater from the Bullfrog mine site indicate that arsenic, iron, manganese, sulphate, and TDS have consistently exceeded primary drinking water standards since 2001 (CR Reward, 2018). The groundwater is also slightly alkaline, possibly due to groundwater leaching from the Bullfrog Mine or the carbonate content of the regional aquifers but is within the primary drinking water standard’s acceptable pH range (CR Reward, 2018). In 2018, CR Reward commissioned aquifer and well production testing of WSW-1 located near U.S. Highway 95, just west of the Project site. Results of the testing suggest that WSW-1 is capable of supplying 350 to 500 gpm, well in excess of the average project requirement of 220 gpm, and that rates could possibly peak at 1,400 gpm. The quality of the groundwater was generally consistent with previous monitoring results with water meeting all BMRR Profile I reference values with the exception of arsenic and fluoride (BLM, 2020). |
| Kappes, Cassiday & Associates | 20.0 Environmental Studies… |
| September 2024 | Page 20-2 |
![]() | Reward Feasibility Study Technical Report |
| ● | Vegetation. The Project is located within the northeast portion of the Mojavian floristic region, which is generally characterized by low, widely spaced shrubs which develop in response to limited rainfall (BLM, 2020). State-protected cacti are common across all elevations within the Project area (BLM, 2009, 2020). No noxious weeds were observed in the Project area during the field surveys conducted in 1999, 2007, and 2019 (Converse, 2007; BLM, 2009; BLM, 2020). No sensitive plant species were observed (BLM, 2009, 2020). |
| ● | Wildlife. Wildlife surveys were conducted in 1998, 2006, and 2019. Desert bighorn sheep were observed in the Project area (Converse, 2007; BLM, 2009; BLM, 2020). Sensitive status bird species determined to have potential habitat in the Project area and were directly observed in the vicinity of the Project include: the prairie falcon, Red-tailed hawk, American kestrel, hermit warbler, sage sparrow, and Western yellow-billed cuckoo (BLM, 2020). The raptor survey was updated in 2022 by WRC. |
| ● | Special-status species. The Project area is located within Mojave Desert tortoise habitat and site development will eventually result in removal of approximately 100–150 acres of possible tortoise habitat (Converse, 2007). Project site construction and operations may, therefore, adversely affect the desert tortoise, but due to the low-density of specimens sighted on the property, will not jeopardize their continued existence as a species (Converse, 2007; BLM, 2009). The pre-construction clearance surveys, relocation of any tortoises and installation of a 37,000 ft exclusionary tortoise fence was completed in 2011. This fence is inspected on a quarterly basis and has reduced or eliminated the potential for tortoises to be impacted within the fenced area. Additional tortoise fence will be required for operations. A variety of cactus species were identified within the Project boundaries (barrel, beavertail, cottontop, hedgehog, gold cholla, teddy bear and buckhorn cholla cactus; BLM, 2009; BLM 2020). All members of the Cactaceae family are protected by the Nevada Revised Statutes (NRS) 527.060-527.120. Several species of bat were present on the site, including the Western pipistrelle, California myotis, Yuma myotis, Pallid bat, Western red bat, and Brazilian free-tailed bat (BLM 2009). However, none of these populations appeared to be roosting, only foraging individuals (Converse 2007; BLM 2009). The Project could provide ideal hunting and nesting habitats for golden eagles and prairie falcons (Converse, 2007; BLM, 2009). However, this type of habitat is common regionally and, although nests were identified within 10 miles of the Project, none of them occur within the Project area. Thus, Project operations are unlikely to adversely affect either species (Converse, 2007; BLM, 2009; BLM 2020). Chuckwallas and desert bighorn sheep are both present within the Project area (BLM, 2009; BLM 2020). Chuckwallas were seen during the 1999 field survey, but not during the 2007 or 2019 field surveys. The Nevada Department of Wildlife (NDOW) reported that occupied year-round bighorn sheep (Ovis canadensis) habitat exists throughout the majority of the Project area (BLM, 2020). An existing bighorn sheep guzzler (Bare #02 Buzzworm) is located approximately ¾ mile north of the Project area boundary. |
| Kappes, Cassiday & Associates | 20.0 Environmental Studies… |
| September 2024 | Page 20-3 |
![]() | Reward Feasibility Study Technical Report |
| ● | Wild horses and burros. The Project area is outside the Bullfrog Herd Management Area (HMA), but occasionally, burros and wild horses have been sighted on or near the Project area (BLM, 2009). The desert tortoise exclusionary fence will also serve to limit burro and wild horse access to the planned active mining area. |
| ● | Geochemistry (see Section 20.2). |
20.2 Geochemistry
Waste rock characterization studies were conducted in 1998 and 2006. Acid-base accounting (ABA) analyses indicate that the waste rock on site is acid neutralizing with acid neutralization potential/acid generation potential (ANP/AGP) ratios ranging from 5:1 to 2,387:1, and acid-base potential ranging from 11.0 tons/1,000 tons (t/kt) calcium carbonate (CaCO3) to 316 t/kt CaCO3 (CRC, 2007; CRRC, 2009). Meteoric water mobility procedure (MWMP) tests completed in 1998 on leachate from the site found that the leachate pH ranged from 8.86 to 9.05 standard units (s.u.), which exceeds the NDEP Profile I reference value criterion of 6.5–8.5 for 43 of the 50 samples (CRC, 2007; CRRC ,2009; BLM 2009). These results were confirmed by the 2006 testwork (CRC, 2007; CRRC, 2009).
Despite the elevated pH of the leachate, there is no known groundwater contact with the site and regional evaporation rates are high relative to precipitation; therefore, drainage of meteoric water through the WRDs is not projected to occur (CRC, 2007; CRRC, 2009; CRRC, 2018).
20.3 Environmental Management Planning
Requisite state permitting environmental management plans include (Nevada Administrative Code [NAC] Chapter 445A.398):
| ● | Process Fluid Management Plan |
| ● | Monitoring Plan |
| ● | Emergency Response Plan |
| ● | Temporary and Seasonal Closure plans |
| ● | Tentative Plan for Permanent Closure |
| ● | Reclamation Plan |
Federal permitting environmental management plans incorporate many of the same plans as are required by the state, and are specified in Title 43 of the Code of Federal Regulations Part 3809.401(b) (43 CFR § 3809.401(b)):
| ● | Water Management Plan |
| ● | Rock Characterization and Handling Plan |
| ● | Quality Assurance Plan |
| ● | Spill Contingency Plan |
| ● | Reclamation Plan |
| ● | Monitoring Plan |
| Kappes, Cassiday & Associates | 20.0 Environmental Studies… |
| September 2024 | Page 20-4 |
![]() | Reward Feasibility Study Technical Report |
| ● | Interim Management Plan |
| ● | Pursuant to analysis by the BLM, additional site-specific management plans were requested, including: |
| ● | Avian Monitoring Plan |
| ● | Cactus Salvage Plan |
The state environmental management plans were submitted to the BMRR as part of the 2007 WPCP application and included as part of renewal applications in 2013 and 2018, and the 2019 application for minor modification. The federal management plans were submitted as part of the Reward Project Updated Plan of Operations and Reclamation Plan (CR Reward, 2009) and the Reward Project Plan of Operations N-82840/Reclamation Permit #300 Modification (CR Reward, 2020). These plans were included as environmental protections measures in the plan document and EA.
20.4 Permitting
The current Project area includes approximately 716 acres of public and private lands within Nye County, Nevada. The Project, therefore, falls under the jurisdiction and permitting requirements of Nye County, the State of Nevada (primarily the BMRR) and the BLM. The list of applicable permits and authorizations for Project construction and operation are presented in Table 20-1.
Several of the granted permits and authorizations may need to be modified/amended to account for the updated and optimized mine plan proposed in this Report, though most are likely to be minor modifications or engineering design changes. Future expansion plans, including the addition of an ADR Plant, will likely constitute major modifications, but can occur during operations.
20.4.1 Federal Permitting
Mining operations on federally administered public lands require several authorizations from the lead federal agency, in this case, the BLM.
20.4.1.1 Mine Plan of Operations
A mine plan of operations (MPO) was prepared in 2007 and modified in 2010, 2012, and 2020. The MPO describes the construction, operation, reclamation and closure of each Project facility. It included a bond cost estimate that presents the reclamation and closure costs if the BLM assumed responsibility to reclaim the site.
A “complete” MPO provides sufficient detail to identify and disclose potential environmental impacts during the mandatory National Environmental Policy Act (NEPA) review process, under which potential Project impacts are analyzed through the preparation of either an EA and/or an Environmental Impact Statement (EIS). EAs and EISs are public disclosure documents - not
| Kappes, Cassiday & Associates | 20.0 Environmental Studies… |
| September 2024 | Page 20-5 |
![]() | Reward Feasibility Study Technical Report |
permit or approval documents - intended to disclose the environmental impacts that may occur and guide the decisions of the public land managers.
Table 20-1 Project Permits
| Permit/Approval | Issuing Authority | Permit Purpose | Status |
| Federal Permits Approvals and Registrations | |||
| Plan of Operations / National Environmental Policy Act (NEPA) Analysis, FONSI, and Record of Decision (ROD) | BLM | Prevent unnecessary or undue degradation of public lands. Initiate NEPA analysis to disclose and evaluate environmental impacts and project alternatives. | Authorized under N-82840. Authorization is active and in good standing. May require amendment and new NEPA analysis based on FS design. |
| Explosives Permit | U.S. Bureau of Alcohol, Tobacco, Firearms, and Explosives (BATFE) / U.S. Department of Homeland Security (DHS) | Storage and use of explosives | Will be required prior to commencement of mining operations |
| U.S. Environmental Protection Agency (EPA) Hazardous Waste ID No. | EPA | Registration as a small-quantity generator (SQG) of wastes regulated as hazardous | Will be required prior to commencement of mining operations. |
| Notification of Commencement of Operations | Mine Safety and Health Administration (MSHA) | Mine safety issues, training plan, mine registration | Will be required prior to commencement of mining operations. |
| Waters of the U.S. (WOUS) Jurisdictional Determination | U.S. Army Corps of Engineers (USACE) | Implementation of Section 404 of the Clean Water Act (CWA) and Sections 9 and 10 of the Rivers and Harbors Act of 1899 | Approved Jurisdictional Determination (AJD) completed by USACE that WOUS are not present within the Project area. |
| Federal Communications Commission Permit | Federal Communications Commission (FCC) | Frequency registrations for radio/microwave communication facilities | Required for use of radios on site for communications. |
| State Permits, Authorizations and Registrations | |||
| Nevada Mine Registry | Nevada Division of Minerals (NDM) | Required operations registration | Presently not registered. Agency will notify when application is required. |
| Surface Area Disturbance Permit | NDEP-BAPC | Regulates airborne emissions from surface disturbance activities | Covered under the BAPC Class II Air Quality permit AP1041-2492. Currently active in good standing. Will require modification based on FS design. |
| Air Quality Operating Permit | NDEP-BAPC | Regulates project air emissions from stationary sources | Permitted by BAPC under Class II permit AP1041-2492. Currently active in good standing. Will require modification based on FS design |
| Kappes, Cassiday & Associates | 20.0 Environmental Studies… |
| September 2024 | Page 20-6 |
![]() | Reward Feasibility Study Technical Report |
| Permit/Approval | Issuing Authority | Permit Purpose | Status |
| Mercury Operating Permit to Construct | NDEP-Bureau of Air Quality Planning (BAQP) | Requires use of Nevada Maximum Achievable Control Technology (MACT) for all thermal units that have the potential to emit mercury | Will be required for inclusion of an ADR Plant. Handled concurrently with modification of Air Quality Operating Permit, if necessary. |
| Mining Reclamation Permit | NDEP-BMRR | Reclamation of surface disturbance due to mining and mineral processing; includes financial assurance requirements | Permitted by the BMRR under mine site permit #0300. Currently active in good standing. May require minor modification based on FS changes. |
| Mineral Exploration Hole Plugging Permit or Waiver | Nevada Division of Water Resources (NDWR) | Temporary use of water for exploration and groundwater characterization. | Not required since water obtained from permitted sources. |
| Groundwater Permit | NDEP-Bureau of Water Pollution Control (BWPC) | Prevents degradation of waters of the state from discharges wastewater, dewatering water or water from industrial processes. | Not required since no direct discharges are proposed. |
| Water Pollution Control Permit (WPCP) | NDEP-BMRR | Prevent degradation of waters of the state from mining, establishes minimum facility design and containment requirements | Permitted under WPCP NEV2007101.The permit is in good standing. Will require minor modification based on FS design changes.
May require major modification for inclusion of future ADR Plant. |
| Approval to operate a Solid Waste System | NDEP-Bureau of Sustainable Materials Management (BSMM) | Authorization to operate an on-site landfill | Approval of Class III Waiver will be required for the disposal of solid waste on site. |
| Hazardous Waste Management Permit | NDEP-BSMM | Management of non-Bevill Exclusion mining/hazardous wastes | Will not be required since long-term, on-site storage of non-Bevill hazardous waste is not proposed. |
| General Industrial Stormwater Discharge Permits | NDEP-BWPC | Management of site stormwater discharges in compliance with federal CWA | General construction permit NVR100000 CSW-17415 (issued in 2014) specific to Reward was not renewed. The General Permit NVR 300000 for Stormwater Discharges Associated with Industrial Activity from Metals Mining Activities will be required prior to initiating mining activities. |
| Permit to Appropriate Water/Change Point of Diversion | NDWR | Water rights appropriation | Water rights permitted by NDWR under Mining, Milling, & Domestic permit 76390 and 89658. Point of diversion for additional controlled |
| Kappes, Cassiday & Associates | 20.0 Environmental Studies… |
| September 2024 | Page 20-7 |
![]() | Reward Feasibility Study Technical Report |
| Permit/Approval | Issuing Authority | Permit Purpose | Status |
| rights may be moved to site prior to commencement of operations. | |||
| Permit to Construct a Dam | NDWR-Dam Safety | Regulate any impoundment higher than 20 feet or impounding more than 20-acre feet (AF) | The HLF Process and Event Pond permit (J-755) was submitted on May 24, 2021 and received approval for a five-year extension on June 1, 2021. The approval letter states that the ponds must be completed by July 6, 2026. |
| Potable Water System Permit | Nevada Bureau of Safe Drinking Water | Water system for drinking water and other domestic uses (e.g., lavatories) | A potable water system will be required for the site. |
| Sewage Disposal System Permit | NDEP-BWPC | Construction and operation of Onsite Sewage Disposal System (OSDS). | May not be needed, as current plan calls for collection and pumping for offsite disposal. If needed, General Permit GNEVOSDS09 will be required for subsurface domestic sewage system handling <15,000 gallons per day (gpd); Individual permit would be required for systems >15,000 gpd. |
| Industrial Artificial Pond Permit | Nevada Department of Wildlife (NDOW) | Regulate artificial bodies of water containing chemicals that threaten wildlife | Will be required for any open ponds that are designed to collect cyanide process water. |
| Wildlife Protection Permit | NDOW | Stream and watershed wildlife habitat protection | Not required. |
| Hazardous Materials Permit | Nevada Fire Marshal | Store a hazardous material in excess of the amount set forth in the International Fire Code, 2006 | Will be required for storage of cyanide, fuels, propane, explosives, etc. |
| Building Inspection | Nevada Fire Marshal | Fire prevention inspection of new, non-modular, buildings in accordance with NAC 477.300 et seq. | Will be required for new buildings. |
| License for Radioactive Material | Nevada State Health Division, Radiological Health Section | Radioactive material licensing | May be required if, for example, nuclear gauges are used during construction and stored on site. |
| Encroachment Permit | Nevada Department of Transportation (NDOT) | Permits for permanent installations within State ROWs and in areas maintained by the State | Will be required for encroachments on Highway 95 (e.g., on/off ramps, turnouts, etc.). |
| Fire and Life Safety Permit | Nevada Fire Marshal | Review of non-structural features of fire and life safety and flammable reagent storage | Will be required. |
| Kappes, Cassiday & Associates | 20.0 Environmental Studies… |
| September 2024 | Page 20-8 |
![]() | Reward Feasibility Study Technical Report |
| Permit/Approval | Issuing Authority | Permit Purpose | Status |
| Liquefied Petroleum Gas License | Nevada Board of the Regulation of Liquefied Petroleum Gas (LPG) | Tank specification and installation, handling, and safety requirements | May be required if LPG is transported to and stored on site. |
| State Business License | Nevada Secretary of State | License to operate in the state of Nevada | CR Reward LLC is listed under Nevada Business ID NV20071743268; Entity No. E0382352007-3. |
| Local Permits for Nye County | |||
| Special Use Permit | Nye County | Provided as necessary under applicable zoning ordinances | Not applicable. |
| County Road Use and Maintenance Permit/Agreement | Nye County Road Department | Use and maintenance of county roads | Primary access road is a designated county road; permit/agreement will be required. |
| Business License | Nye County Sheriff | License for the engagement of business activities | All new businesses are required to obtain a business license within the city and/or county in which they operate. |
20.4.1.2 Exploration Notices
During early phases of exploration, when surface disturbance is generally limited, authorization from the BLM is conditionally granted under a notice (40 CFR § 3890.21). Notice-level exploration drilling was authorized by the BLM in 2006 under Serial Number N-81369. CR Reward conducted an exploration drilling program through May 2007. There are currently no exploration notices associated with the Project and none are likely to be granted given the Project has an approved MPO.
20.4.2 State Permitting
The State of Nevada requires a number of operational mining permits regardless of Project land status. The following are the principal state authorizations for mining:
20.4.2.1 Water Pollution Control Permit – NDEP-BMRR
A WPCP is issued by the BMRR Regulation Branch to an operator prior to the construction of any mining, milling, or other beneficiation process activity. Facilities using chemicals for mineral processing are generally required to meet zero discharge performance standards. The timing to obtain a new permit is generally nine to 12 months after the application is submitted. Major modifications typically require six to nine months, while minor modifications and engineering design changes usually require a minimum of three to six months.
| Kappes, Cassiday & Associates | 20.0 Environmental Studies… |
| September 2024 | Page 20-9 |
![]() | Reward Feasibility Study Technical Report |
20.4.2.2 Reclamation Permit – NDEP-BMRR
The Reclamation Branch of the BMRR issues a Reclamation Permit to an operator prior to construction of any exploration, mining, milling or other beneficiation process activity that proposes to create disturbance over five acres or remove in excess of 36,500 st of material from the earth. The Reclamation Permit, which is typically issued in conjunction with the BLM 43 CFR § 3809 MPO when mixed land status is involved, is intended to ensure that the lands disturbed by mining operations are reclaimed to safe and stable conditions to ensure a productive post-mining land use. Both the federal MPO and state Reclamation Permit must include a financial surety. Major modifications typically require six to 12 months and include public comment, while minor modifications usually require a minimum of six months.
20.4.2.3 Air Quality Operating Permit – NDEP-BAPC
A Class II Air Quality Operating Permit is required for the mineral processing components of a mining operation in Nevada. A new permit generally requires a minimum of 12 months to obtain following submittal of a ‘complete’ application and covers facilities that emit less than 100 st/a for any one regulated pollutant and emit less than 25 st/a total Hazardous Air Pollutants (HAPs) and emit less than 10 st/a of any one HAP.
Larger mines, or expansions of smaller mines, can require the issuance of a Class I Permit if the facilities emit more than 100 st/a for any one regulated pollutant, emit more than 25 st/a total HAP, emit more than 10 st/a of any one HAP or is a prevention of significant deterioration (PSD) source or major maximum achievable control technology (MACT) source.
If refining is proposed, special consideration will have to be given to potential mercury emissions. The Nevada Mercury Control Program (NMCP) is a state regulatory program that requires mercury emissions controls on thermal units located at precious metal mines. Owners or operators that operate, construct, or modify a thermal unit that emits mercury must apply for, and obtain, a Mercury Operating Permit to Construct (Mercury OPTC) prior to commissioning of said unit(s).
The Project is currently permitted under Class II air Quality Operating Permit AP1041-2492, which will require minor modification based on the design changes proposed herein. Minor modifications to an existing Class II permit are likely to require 6–9 months. A Class I Permit would be required in the future in order to construct and operate an ADR plant. A Mercury OPTC would also be required in order to construct and operate an ADR plant. These would both constitute major modifications and require at least 12 months, on average, to acquire.
20.4.2.4 Water and Stormwater – NDEP-BWPC
A Construction Stormwater Permit (NVR100000) is required by the BWPC if the operations will discharge to Waters of the United States (WOUS) and when the Project meets the following conditions:
| Kappes, Cassiday & Associates | 20.0 Environmental Studies… |
| September 2024 | Page 20-10 |
![]() | Reward Feasibility Study Technical Report |
| ● | Project will disturb one or more acres. |
| ● | Project will disturb less than one acre, but is part of a larger common plan for development or sale that will ultimately disturb one acre or more. |
The Project was granted Construction Stormwater Permit NVR100000 CSW-17415 in 2014, which is currently expired.
In addition, the BWPC also issues General Permit (NVR300000) for Stormwater Discharges Associated with Industrial Activity from Metals Mining Activities. A stormwater pollution prevention plan is required under this permit, and needs to be secured for the Project.
20.4.2.5 Water Appropriations – NDWR
Water appropriations are handled through the NDWR and the State Engineer’s Office.
The hydrographic groundwater basin in which the Project is located (Hydrographic Area No. 230 – Amargosa Desert) has been “designated” (NDWR Order No. O-724 issued in 1979) but has no preferred uses. By designating a basin, the State Engineer is granted additional authority in the administration of the groundwater resources within the designated basin. However, designation of a water basin by the State Engineer does not necessarily mean that the groundwater resources are being depleted, only that the appropriated water rights exceed the estimated perennial yield. Actual groundwater use may be considerably less than perennial yield.
On January 9, 2009, the NDWR granted CR Reward (under agreement with Barrick, now Bullfrog Mines LLC) water appropriation permit 76390. In March 2021, NDWR granted a change in the point of diversion for additional waters granted to CR Reward under agreement with Bullfrog Mines LLC under permit number 89658. The permits authorize groundwater withdrawal at a rate of 0.80 cfs and a total combined volume of 317.384 acre-feet annually (AFA) to support mining, milling (heap leach processing) and domestic beneficial uses associated with the proposed Project. The water withdrawal is authorized from a point of diversion (POD)/well located in the southwest ¼ southeast ¼ Section 9, Township 13S, Range 47E Mount Diablo Baseline and Meridian (MDB&M). A proposed pipeline would convey water to Project facilities from the POD through a corridor in Sections 9 and 10.
The NDWR ordered that the proof of completion (POC) and proof of application of water for beneficial use (PBU) be demonstrated by January 9, 2019, for right 76390 and by March 19, 2026, for right 89658, with the provision that no further extensions would be granted except for good cause shown as provided under NRS 533.380, 533.390 and 533.410. The NDWR has granted extensions to prove up POC and PBU on right 76390 until January 9, 2025. Extensions of POC and PBU are generally granted by the State Engineer if the owner of the right can show that there has been progress made on the project for which the water right will be used (i.e., good cause). These extensions are very common for mining projects, even in appropriated basins.
| Kappes, Cassiday & Associates | 20.0 Environmental Studies… |
| September 2024 | Page 20-11 |
![]() | Reward Feasibility Study Technical Report |
20.4.3 Local Permitting
Local permitting requirements are included in Table 20-1.
20.4.4 Permitting Modifications and Timelines
The Project as envisaged in this Report may necessitate minor modifications to some of the existing permits and authorizations in order to address the proposed changes. A summary of the key permitting modification requirements and likely timeframes is provided in Table 20-2. Permit timeframes provided are based on regulatory review times allotted to the agencies, agency guidance, and experience. Nothing precludes these permits being issued in shorter timeframes than stated in Table 20-2.
The initial Amended Mine Plan of Operations (MPO), excluding a new ADR Plant, would drive the permitting timeline for the minor modifications. Future inclusion of an ADR would necessitate reopening the MPO and a new Class I air quality permit and create an additional timeline of approximately 12 months. However, given that the Project has many of the permits in hand, strategic ground clearing and construction could begin under the existing authorizations that should reduce the lag time to acquire the updated permits. The remaining permits required for operations are relatively minor and should be easily modified/amended concurrently with the initial project timeline for the major permit modifications.
| Kappes, Cassiday & Associates | 20.0 Environmental Studies… |
| September 2024 | Page 20-12 |
![]() | Reward Feasibility Study Technical Report |
Table 20-2 Key Permit Modifications
Permit | Comment | Timeframe |
| Federal Mine Plan of Operations (N-82840) | The proposed modifications will require amendment to the MPO which may require additional NEPA analysis of the plan changes. Given that most of the proposed changes involve facilities and activities previously analyzed in the 2009 and 2020 EAs, it is likely that the BLM will utilize an EA as the disclosure document. It is possible that the analysis could be performed under a Determination of NEPA Adequacy (DNA) as well. | An EA, and accompanying FONSI and ROD, would take at least 3–6 months following submittal of a ‘complete’ plan amendment, assuming: ● Executive Order 13807, ● Interior Secretarial Order 3355, ● No additional baseline data collection or modeling, ● EA completed and submitted with plan, ● No ADR plant |
| Reclamation Permit (0300) | The BMRR Reclamation Branch is likely to see the proposed changes as minor modifications to the existing permit pursuant to NAC 519A.043, as the new disturbance will be less than 25% of the acreage in the approved reclamation plan. | The reclamation permit modification should take 6–9 months to complete based on agency guidance, but could take up to 12 months if the agency requires more time for review. The BMRR will likely wait to process the application to coincide with the completion of the federal NEPA review (EA or DNA). |
| Water Pollution Control Permit (NEV2007101) | The BMRR Regulation Branch will likely see the expansion of the approved beneficiation process as a minor modification pursuant to NAC 445A.416. | The time frame for a minor modification is 3–6 months.
|
| Air Quality Operating Permit (AP1041-2492 | Modification of the air quality permit by the BAPC will focus on impacts associated with the changes to crushing and stacking, and are likely to be viewed as minor modifications.
In the future, the thermal unit(s) from an ADR Plant will likely necessitate the issuance of a new Class I Permit, in addition to modification of the existing Class II Permit. The ADR Plant will also require the issuance of a Mercury OPTC permit by the State. | Minor modifications to the existing Class II permit are likely to require 6–9 months.
Future inclusion of an ADR Plant will require at least 12 months following application submittal, as well as a new MPO/EA.. |
20.5 Social and Community Requirements
Employees for the operating work force would likely be recruited from the local areas including the communities of Beatty, Amargosa, and Pahrump, located within Nye County, and the regional urban centres such as Las Vegas, located within Clark County. CR Reward plans to coordinate closely with local and state governments and local businesses to ensure that the needs of both
| Kappes, Cassiday & Associates | 20.0 Environmental Studies… |
| September 2024 | Page 20-13 |
![]() | Reward Feasibility Study Technical Report |
the community and the workforce are being met since some of the workers could originate from outside of Nye County.
An important part of the income of predominantly rural counties in Nevada, like Nye, is produced by sales tax and the net proceeds tax on mining activity within the county. Sales tax revenues are collected by the county in which delivery of the goods are taken.
Other current projects in central Nevada have clearly demonstrated the need for open and transparent communications and negotiations with local governments (including affected tribal governments), businesses, and residences, as part of their social engagement programs. No community agreements are currently in place. However, CR Reward has actively engaged with the Town of Beatty (Pre-Meeting and Town Advisory Board meetings conducted on July 11, 2022), the County of Nye (Development Agreement Meeting conducted on July 12, 2022), and the Beatty Water & Sanitation District (BWSD).
20.6 Mine Closure Requirements
Tentative Plans for Permanent Closure and Final Plans for Permanent Closure of the facilities are regulated through the WPCP under NAC 445A.396 and 445A.446/.447, respectively. Closure and stabilization requirements under the WPCP pertain to process and non-process components (sources), such as mill components, heap leach pads, tailings impoundments, pits, pit lakes, waste rock dumps, ore stockpiles, fuelling facilities, and any other associated mine components that, if not properly managed during operation and closure, could potentially lead to the degradation of waters of the State.
A mining facility operator/permittee must submit a Tentative Plan for Permanent Closure as part of any application for a new WPCP or modification of an existing permit.
A Final Plan for Permanent Closure must be submitted to the agency at least two years prior to the anticipated closure of the mine site, or any component (source) thereof. This plan must provide closure goals and a detailed methodology of activities necessary to achieve chemical stabilization of all known and potential contaminants at the site or component, as applicable. The Final Plan for Permanent Closure must include a detailed description of the monitoring that will be conducted to demonstrate how the closure goals will be met.
Under the state-issued Reclamation Permit #0300, total surface disturbance at the Project site is limited to 339.7 acres, of which, nearly 95% is on public lands administered by the BLM.
Both the BLM’s 43 CFR § 3809 and State of Nevada’s mine reclamation regulations (NAC 519A) require closure and reclamation for mineral projects. After extraction and beneficiation operations cease, all buildings, infrastructure, and facilities from the Project site, not identified for a specific post-mining use, will be removed from the site during the salvage and site demolition phase. This would include, but not be limited to the following:
| ● | Proper abandonment of all groundwater wells pursuant to Nevada regulations (NAC 534 et seq.). |
| Kappes, Cassiday & Associates | 20.0 Environmental Studies… |
| September 2024 | Page 20-14 |
![]() | Reward Feasibility Study Technical Report |
| ● | Reclamation of WRDs by regrading to achieve an approximate 2.5H:1V maximum overall slope, where practicable, re-contouring and crowning to prevent water ponding, followed by growth media application and revegetation. Recent changes to NAC 519A require that WRDs be regarded to a final slope with a minimum horizontal-to-vertical ratio of 3H:1V. If a horizontal-to-vertical ratio of 3H:1Vis not achievable due to a site-specific limitation, the BMRR may require, based on site characterization and best engineering judgment, regrading to a minimum achievable slope based on the site conditions in order to round off sharp edges, enhance stability, reduce susceptibility to erosion and facilitate efforts for revegetation. These changes were promulgated after the approval and issuance of the Reward Mine Reclamation Permit #0300 and are not currently applicable but may be reconsidered if any major modifications to this permit are requested. |
| ● | Closure of the heap leach pad through process solution recirculation for inventory reduction and stabilization, cover/growth media placement and revegetation, and construction of an evapotranspiration (ET) cell to collect and management long-term drain down. The regulatory changes to final slope deign could also apply to the heap leach pad should any major modifications or expansion to the currently permitted facility be requested. For purposes of this report, they are not considered currently applicable. |
| ● | Removal or abandonment of pipelines. |
| ● | Surface reclamation of roads and other surface disturbances. |
| ● | Demolition of process facilities and salvage/removal of equipment and residual reagents for proper disposal. |
Establishment of appropriate post-closure stormwater management and control. Here too, post-authorization changes to state reclamation requirements include constructing one or more stormwater diversions that are sufficient to withstand the runoff from a 24-hour storm event with a 500-year recurrence interval, unless more or less protection is approved by the BMRR based on site characterization and best engineering judgment. This will need to be addressed during final permanent closure plan development.
To the extent practicable, reclamation and closure activities will be conducted concurrently to reduce the overall reclamation and closure costs, minimize environmental liabilities and limit bond exposure. The revegetation release criteria for reclaimed areas are presented in the “Guidelines for Successful Revegetation for the Nevada Division of Environmental Protection, the Bureau of Land Management and the U.S. Department of Agriculture, Forest Service.” The revegetation goal is to achieve the permitted plant cover as soon as possible.
Pursuant to state and federal regulation, any operator who conducts mining operations under an approved MPO or reclamation permit must furnish a bond in an amount sufficient for stabilizing and reclaiming all areas disturbed by the operations. Conceptual reclamation and closure methods were used to evaluate the various components of the Project to estimate reclamation costs.
| Kappes, Cassiday & Associates | 20.0 Environmental Studies… |
| September 2024 | Page 20-15 |
![]() | Reward Feasibility Study Technical Report |
Version 1.4.1 Build 017b (Revised 16 May 2019) of the Nevada Standardized Reclamation Cost Estimator (SRCE) was used to prepare the bond cost estimate as part of the Reclamation Permit application. The SRCE uses first-principles methods to estimate quantities, productivities, and work hours required for various closure tasks based on inputs from the user. The physical layout, geometry, and dimensions of the proposed Project components were based on the current understanding of the site plan and facilities layout. These included current designs for the main Project components including the wellfield infrastructure and process plant components. Equipment and labor costs were conservatively estimated using state and BLM-approved costs for the 2021 year. These costs are updated by the NDEP and BLM in August of every year. The reclamation bond cost estimate for the Project (as currently permitted) is $10.9 M. This amount does not include any of the proposed modifications presented in this Report.
A closure cost estimate has been included in the financial model of this Report. Since some of the closure activities are based on preliminary designs and conceptual approaches, the current closure cost estimate accuracy is +35% to -10% based on the limitations of the design information available, the accuracy of available site plans, and the uncertainty regarding a number of the proposed siting approaches. The closure cost associated with the Project as envisaged in this Report is estimated at $9.4 M. It is expected that the estimate will be refined during the Project detailed engineering phase.
20.7 Adequacy of Plans
It is the opinion of the QP for this section of the technical report that the current plans are sufficiently adequate to address any issues related to environmental compliance, local, state and federal permitting, and agreements with local individuals and/or groups.
20.8 Commitments to Local Procurement and Hiring
No formal commitments or legal agreements to local procurement and local hiring are currently in place. However, given the rural location of the Project, procurement and hiring will most likely originate from the nearest communities, including Beatty, Pahrump, and Las Vegas.
| Kappes, Cassiday & Associates | 20.0 Environmental Studies… |
| September 2024 | Page 20-16 |
![]() | Reward Feasibility Study Technical Report |
21.0 CAPITAL AND OPERATING COSTS
Capital and operating costs for the process and general and administration components of the Reward Project were estimated by NewFields and KCA. Costs for the mining components were provided by RESPEC. The estimated costs are considered to have an accuracy of +/-15% and are discussed in greater detail in this Section.
The total Life of Mine (LOM) capital cost for the Project is US$129.2 million and is summarized Table 21-1 below.
Table 21-1 Capital Cost Summary
| Description | Cost ($ M) |
| Pre-Production Process Capital | $78.9 |
| Mining Pre-production Capital | $10.8 |
| Subtotal Capital | $89.7 |
| Working Capital & Initial Fills1 | $7.4 |
| Sustaining Capital – Mine & Process | $32.1 |
| 1. | Working capital credited in Years 7 and 8 |
| 2. | Numbers are rounded and may not sum perfectly |
| 3. | Costs reflect standalone costs of the Reward project with 100% of capital expensed to Reward, and does not include any potential benefit from development of the Bullfrog project. |
The average LOM operating cost for the Project is US$21.88 per ton of ore processed. Table 21-2 below presents the LOM operating cost requirements for the Reward Project.
Table 21-2 LOM Operating Cost Summary
| Description | LOM Cost ($/ton ore) |
| Mining (from RESPEC) | $10.92 |
| Processing | $8.09 |
| G&A | $2.88 |
| Total Operating Cost1 | $21.88 |
| 1. | Numbers are rounded and may not sum perfectly |
21.1 Capital Expenditures
The required capital cost estimates have been based on the design outlined in this report. The scope of these costs includes all expenditures for process facilities, infrastructure, construction indirect costs, mine contactor mobilization and owner mining capital costs for the Project.
The costs presented have primarily been estimated by KCA, NewFields and RESPEC with input from Augusta. Material take-offs for earthworks, concrete and major piping have been estimated by KCA and NewFields. All equipment and material requirements are based on design information described in previous sections of this Report. Capital costs estimates have been made primarily using budgetary supplier quotes for all major and most minor equipment.
| Kappes, Cassiday & Associates | 21.0 Capital and Operating Costs |
| September 2024 | Page 21-1 |
![]() | Reward Feasibility Study Technical Report |
Contractor quotes for earthworks were estimated by NewFields and verified by comparing to construction contractor quotes.
All capital cost estimates are based on the purchase of equipment quoted new from the manufacturer or estimated to be fabricated new.
The total pre-production capital cost estimate for the Reward Project is estimated at US$89.7 million, including all mining, process equipment and infrastructure, construction indirect costs, mine contractor costs before $7.4 million working capital and initial fills. All costs are presented in second quarter 2024 US dollars.
Pre-production capital costs for mining, processing and infrastructure required for the Reward Project by area are presented in Table 21-3.
| Kappes, Cassiday & Associates | 21.0 Capital and Operating Costs |
| September 2024 | Page 21-2 |
![]() | Reward Feasibility Study Technical Report |
Table 21-3 Summary of Mining, Process and Infrastructure Pre-Production Capital Costs by Area ($ M)
| Process & Infrastructure Direct Costs | Total Supply Cost | Freight & Sales Tax | Install | Grand Total |
| US$ | US$ | US$ | US$ | |
| Area 113 - Crushing | $11.91 | $1.49 | $3.87 | $17.27 |
| Area 114 - Crushed Ore Stockpile, Reclaim & Stacking | $4.54 | $0.57 | $0.54 | $5.66 |
| Area 122 - Heap Leach Pad & Ponds | $1.89 | $0.11 | $8.47 | $10.46 |
| Area 128 - Carbon Adsorption & Handling | $4.55 | $0.32 | $2.99 | $7.85 |
| Area 128 - Carbon Desorption & Reactivation (Phase 2 - Future) | $0.00 | $0.00 | $0.0 | $0.0 |
| Area 131 - Refinery (Phase 2 - Future) | $0.00 | $0.00 | $0.00 | $0.00 |
| Area 134 - Reagents | $0.26 | $0.02 | $0.43 | $0.71 |
| Area 38 - Laboratory | $2.25 | $0.00 | $0.37 | $2.62 |
| Area 60 - Process Emergency Power | $0.39 | $0.05 | $0.24 | $0.68 |
| Area 362 - Water Supply, Storage & Distribution | $1.49 | $0.16 | $1.01 | $2.65 |
| Area 368 - Compressed Air & Fuel | $0.29 | $0.04 | $0.19 | $0.52 |
| Area 66 - Facilities | $1.78 | $0.01 | $0.69 | $2.49 |
| Area 08 - Plant Mobile Equipment | $2.43 | $0.31 | $0.00 | $2.74 |
| Process & Infrastructure Total Direct Costs | $31.78 | $3.07 | $18.80 | $53.66 |
| Spare Parts | $0.94 | $0.94 | ||
| Sub Total with Spare Parts | $54.60 | |||
| Contingency | $6.87 | $6.87 | ||
| Process & Infrastructure Total Direct Costs with Contingency | $61.46 | |||
| Indirect Costs | Grand Total | |||
| Indirect Field Costs Indirect Field Costs Contingency | $2.30 incl | |||
| Total Indirect Costs | $2.30 | |||
| Other Owner’s Costs | Grand Total | |||
| Other Owner’s Costs Other Owner’s Costs Contingency | $8.59 $0.43 | |||
| Total Other Owner’s Costs | $9.02 | |||
| Initial Fills | $0.22 | |||
| Sub Total Cost Before EPCM | $73.01 | |||
| EPCM | $6.15 | |||
| Process, Mining & Infrastructure Working Capital (60 days) | $7.19 | |||
| Mining Capital Costs | $10.76 | |||
| Sub Total Mining, Process & Infrastructure Pre-Production Capital Cost | $97.10 | |||
Note that the $97.1M above is the value $89.7M (Table 21-1 above) plus $7.4M of Working Capital & Initial Fills.
21.2 Mining Capital Costs
Mine capital costs have been estimated by RESPEC based on an assumption that contract mining will be used. The mine capital costs have been prepared for both contractor and owner capital and are used in the economic analysis in Section 22.0. The mine capital cost estimate is shown in Table 21-4.
| Kappes, Cassiday & Associates | 21.0 Capital and Operating Costs |
| September 2024 | Page 21-3 |
![]() | Reward Feasibility Study Technical Report |
Table 21-4 LOM Mining Capital Cost Estimate
| Contractor Capital | Units | Yr_1 | Yr_1 | Yr_2 | Yr_3 | Yr_8 | Yr_9 | Total |
| Mobilization | K USD | $ 450 | $ - | $ - | $ - | $ 200 | $ - | $ 650 |
| Demobilization | K USD | $ - | $ - | $ - | $ - | $ 650 | $ - | $ 650 |
| Total Mob & DeMob | K USD | $ 450 | $ - | $ - | $ - | $ 850 | $ - | $ 1,300 |
| Pioneering - Phase 1 | K USD | $ 2,488 | $ - | $ - | $ - | $ - | $ - | $ 2,488 |
| Pioneering - Phase 2 | K USD | $ - | $ - | $ 166 | $ 663 | $ - | $ - | $ 829 |
| Total Pioneering | K USD | $ 2,488 | $ - | $ 166 | $ 663 | $ - | $ - | $ 3,317 |
| Facilities | K USD | $ 25 | $ - | $ - | $ - | $ - | $ - | $ 25 |
| Total Contractor Capital | K USD | $ 2,963 | $ - | $ 166 | $ 663 | $ 850 | $ - | $ 4,642 |
| Owner Capital | ||||||||
| Mining Software | K USD | $ 175 | $ - | $ - | $ - | $ - | $ - | $ 175 |
| Survey Equipment | K USD | $ 150 | $ - | $ - | $ - | $ - | $ - | $ 150 |
| Light Pickups - 4 | K USD | $ 240 | $ - | $ - | $ - | $ - | $ - | $ 240 |
| Offices - 4 | K USD | $ - | $ - | $ - | $ - | $ - | $ - | $ - |
| Computers, Printers, Plotters | K USD | $ 27 | $ - | $ - | $ - | $ - | $ - | $ 27 |
| Communications | K USD | $ - | $ - | $ - | $ - | $ - | $ - | $ - |
| Total Owner's Capital | K USD | $ 592 | $ - | $ - | $ - | $ - | $ - | $ 592 |
| Subtotal Mining Capital | K USD | $ 3,555 | $ - | $ 166 | $ 663 | $ 850 | $ - | $ 5,234 |
| Prestripping - Contractor | K USD | $ 6,811 | $ - | $ - | $ - | $ - | $ - | $ 6,811 |
| Mining General Services | K USD | $ 391 | $ - | $ - | $ - | $ - | $ - | $ 391 |
| Total Mining Capital | K USD | $ 10,756 | $ - | $ 166 | $ 663 | $ 850 | $ - | $ 12,436 |
21.2.1 Contractor Capital Cost Estimate
RESPEC requested contract mining budgetary quotes from multiple contractors. The contract mining quotations were provided in confidence and are not disclosed herein although the bid documents are on file with Augusta.
Contractor capital is estimated to be a total of $2.6.M (Table 21-4) based on contractor quotation and is described as follows:
| ● | Mobilization – $450,000 for mobilization costs during Year -1 and additional equipment mobilization in year 8 costing $200,000. |
| ● | Demobilization - $650,000 is applied for demobilization at the end of the mine life, in Year 8. |
| ● | Pioneering – Pioneering refers to the establishment of access and levelling of initial mining benches and will utilize air-track drills, dozers and explosives. The amount included in the mine capital cost is $3.3 M. RESPEC applied 75% and 25% of this amount to Phase 1 and Phase 2 pioneering, respectively. |
| o | Phase 1 – 75% of the total Pioneering cost or $2.5 M is allocated to Phase 1 mining. Most of the effort will be to provide access to the north and south of the designed Phase 1 pit for ore and waste haulage. This is spread out over a 3-month period. |
| Kappes, Cassiday & Associates | 21.0 Capital and Operating Costs |
| September 2024 | Page 21-4 |
![]() | Reward Feasibility Study Technical Report |
| o | Phase 2 – 25% of the total Pioneering cost or $0.8 M is allocated to Phase 2 mining. Pioneer mining in phase 2 is estimated to take up to 3 months with the costs split out from month 24 to month 26. |
| ● | Facilities – The contractor will provide their own facilities for maintenance and offices. $25,000 has been allowed for power to their facilities and the construction of a concrete pad the contractor will use for a wash bay. |
21.2.2 Owner Mining Capital Estimate
Because the operation will utilize contract mining, the owner’s mining capital does not include the purchase of mining equipment. However, there are items that CR Reward will provide to staff and operate the Mine General Services.
Mine General Services includes staff for supervision, mine engineering, geology and surveying. Owner’s costs for offices, light vehicles and site communication systems have been estimated by
| ● | Mining Software includes: |
| o | $150,000 costs have been quoted for 3 Surpac licenses which include the first year of maintenance and support. |
| o | $25,000 has been included for a database management system for storing and reporting of exploration and blast-hole data. This system will be used with Surpac and other office software for reporting of results and reconciliation. |
| ● | Light Pickup Trucks |
| o | $240,000 has been budgeted for the purchase of 4 pickup trucks to be used by mine management, engineering, and geology staff. |
| ● | Surveying Equipment |
| o | $150,000 is budgeted for GPS rover and base station surveying equipment. This will include the software to interface with mine planning and database storage software. |
| ● | Computers, Printers, and Plotters |
| o | $27,000 has been budgeted for computers, printers, and plotters required to run specialized mine planning software and print/plot results. |
21.2.3 Pre-stripping and Mine General Services Capital Cost Estimate
Mine operating costs during year -1 are capitalized. The pre-stripping period runs from month -7 through to month -1. $6.8M has been estimated for pre-stripping mining costs and is based on the mining contractor’s quotation.
Mine General Services costs of $0.4M have been estimated during the 6-month ramp up period.
| Kappes, Cassiday & Associates | 21.0 Capital and Operating Costs |
| September 2024 | Page 21-5 |
![]() | Reward Feasibility Study Technical Report |
21.3 Process and Site Infrastructure Capital Costs
21.3.1 Process and Infrastructure Capital Cost Basis
Process and infrastructure costs have been estimated by NewFields and KCA. All equipment and material requirements are based on the design information described in previous sections of this Report. Budgetary capital costs are based on budgetary quotes for all major and most minor equipment. Where Project specific quotes were not available a reasonable estimate or allowance was made based on recent quotes in KCA’s files. All capital cost estimates are based on the purchase of equipment quoted new from the manufacturer or to be fabricated new.
Each area in the process cost build-up has been separated into the following disciplines, as applicable:
| ● | Major earthworks & liner; |
| ● | Civil (concrete); |
| ● | Structural steel; |
| ● | Platework; |
| ● | Mechanical equipment; |
| ● | Piping; |
| ● | Electrical; |
| ● | Instrumentation; |
| ● | Infrastructure & Buildings; |
| ● | Supplier Engineering; and |
| ● | Commissioning & Supervision. |
Pre-production process and infrastructure costs by discipline are presented in Table 21-5.
Table 21-5 Summary of Process & Infrastructure Pre-Production Capital Costs by Discipline ($M)
| Discipline | Cost @ Source | Freight | Sales Tax | Total Supply Cost | Install | Grand Total |
| US$ | US$ | US$ | US$ | US$ | US$ | |
| Major Earthworks & Liner | $0.32 | $0.02 | $0.34 | $8.90 | $9.24 | |
| Civils (Supply & Install) | $0.81 | $0.81 | $0.81 | |||
| Structural Steelwork (Supply & Install) | $0.00 | $0.00 | $0.00 | |||
| Platework (Supply & Install) | $0.00 | $0.00 | $0.00 | $0.00 | ||
| Mechanical Equipment | $21.94 | $1.05 | $1.55 | $24.54 | $7.80 | $32.34 |
| Piping | $2.04 | $0.07 | $0.11 | $2.22 | $1.00 | $3.22 |
| Electrical | $5.59 | $0.00 | $0.23 | $5.82 | $0.76 | $6.58 |
| Instrumentation | $0.26 | $0.01 | $0.02 | $0.29 | $0.24 | $0.53 |
| Infrastructure | $0.81 | $0.00 | $0.01 | $0.83 | $0.11 | $0.94 |
| Spare Parts | $0.94 | $0.94 | $0.94 | |||
| Contingency | $6.86 | $6.86 | $6.86 | |||
| Plant Total Direct Costs | $39.59 | $1.13 | $1.94 | $42.66 | $18.80 | $61.46 |
| Kappes, Cassiday & Associates | 21.0 Capital and Operating Costs |
| September 2024 | Page 21-6 |
![]() | Reward Feasibility Study Technical Report |
Freight, sales taxes, and installation costs are considered for each discipline. Freight costs, when quoted, were used in the study. When freight was not quoted, freight cost was based on loads as bulk freight and have been estimated at 5% of the equipment cost.
Installation costs, when quoted, were used in the study. Where not directly quoted, installation costs are estimated from the equipment cost and an hourly installation rate of US$100.
21.3.2 Major Earthworks and Liner
Earthworks and liner quantities for the Project have been estimated by NewFields and KCA for all Project areas. Earthworks and liner supply and installation will be performed by contractors with imported fill being supplied by the mining contractor.
Unit rates for site earthworks and liner supply and installation are based on NewFields and verified by comparing to quotes by four earthworks contractors.
Earthworks also includes cost for the crushing retaining wall and the earthworks associated with the reclaim tunnels.
Total preproduction earthworks costs are estimated at US$9.2 million.
21.3.3 Civils
Civils is the cost of concrete. Concrete quantities have been estimated by KCA, NewFields and Sandvik. Where available, quoted prices were used. When necessary, a concrete unit cost of $1,251 per cubic yard was used.
The total costs for concrete are estimated at US$0.8 million.
21.3.4 Structural Steel
Costs for structural steel, including steel grating, structural steel, and handrails. The structural steel costs were included, but not itemized, in the crushing plant quote used for this study.
21.3.5 Platework
The platework discipline includes costs for the supply and installation of steel tanks, bins, and chutes. Platework costs have been were included, but not itemized, in the quotes used for this study.
21.3.6 Mechanical Equipment
The majority of mechanical equipment costs are from vendor packages.
Mechanical equipment costs, not included in vendor packages, are based on the mechanical equipment list and vendor quotes. Where quotes were not available, reasonable allowances were
| Kappes, Cassiday & Associates | 21.0 Capital and Operating Costs |
| September 2024 | Page 21-7 |
![]() | Reward Feasibility Study Technical Report |
made based on KCA’s data base. All costs assume equipment purchased new from the manufacturer or to be fabricated new.
The total installed mechanical equipment cost is estimated at US$32.3 million.
21.3.7 Piping
Heap leach solution collection piping quantities and unit rates were estimated by NewFields.
Other piping quantities, greater than three inches in diameter, was estimate by KCA. Pipe pricing was quoted by two local suppliers. Installation hours were estimated by supply price with a unit rate of $100 per hour.
Drip irrigation quantities were estimated by KCA. Pricing was quoted by a local supplier. No installation cost was included, it is assumed this will be installed by operators.
The total installed piping cost is estimated at US$3.2 million.
21.3.8 Electrical
Electrical equipment for the crusher was quoted at $3.2 million as a separate item by the crusher supplier. Electrical equipment, within other equipment packages, was part of the quoted price but not itemized.
The cost of onsite power distribution was estimated by High Energy Engineering at $3.4 million.
The total installed electrical cost is estimated at US$6.6 million.
21.3.9 Instrumentation
Instrumentation costs are primarily included as part of turn-key or complete vendor supply packages and are not itemized.
Minor miscellaneous instrumentation costs have been estimated as percentages of the mechanical equipment supply cost for each process area.
The total installed instrumentation cost is estimated at US$0.5 million.
21.3.10 Infrastructure
The infrastructure costs are miscellaneous costs including fencing, flumes for the heap leach, laboratory and process maintenance facilities and the installation costs for modular buildings.
The total infrastructure costs are estimated at US$0.9 million.
21.3.11 Process Mobile Equipment
Mobile equipment included in the capital cost estimate are detailed in Table 21-6 Process Mobile Equipment.
| Kappes, Cassiday & Associates | 21.0 Capital and Operating Costs |
| September 2024 | Page 21-8 |
![]() | Reward Feasibility Study Technical Report |
Table 21-6 Process Mobile Equipment
| Description | Quantity |
| Track Hoe W/Rock Hammer | 1 |
| Front Loader | 1 |
| Telehandler | 1 |
| Dozer (heap) | 1 |
| Mechanic Service Truck | 1 |
| Flatbed Truck | 1 |
| Skid Steer Loader | 1 |
| Pickup Truck | 4 |
| Pickup Truck (transport carbon) | 1 |
| Flat Bed (transport carbon) | 1 |
| Light Plant | 2 |
Costs for process mobile equipment are based on both quotes and on costs from a 2023 cost guide adjusted for inflation. Mobile equipment costs are located in the mechanical equipment cost estimate.
21.3.12 Spare Parts
Spare parts costs are estimated at 4% of the mechanical equipment supply costs. Total spare parts costs are estimated at US$0.9 million.
21.3.13 Contingency
Contingency for the process and infrastructure has been applied to the total direct costs by discipline. Contingency has been applied ranging from 10% to 30% as detailed in Table 21-7. The overall contingency for process and infrastructure is estimated at 12.8% of the direct costs.
Table 21-7 Process & Infrastructure Contingency
| Direct Costs Contingency | % | Total (US$) |
| Major Earthworks | 15% | $1.39 M |
| Civils (Supply & Install) | 20% | $0.16 M |
| Mechanical Equipment | 7.5% | $2.43 M |
| Piping | 20% | $0.64 M |
| Electrical | 25% | $1.64 M |
| Instrumentation | 25% | $0.13 M |
| Infrastructure | 25% | $0.23 M |
| Spare Parts | 25% | $0.24 M |
| Total Direct Costs Contingency | 12.8% | $6.86 M |
| Kappes, Cassiday & Associates | 21.0 Capital and Operating Costs |
| September 2024 | Page 21-9 |
![]() | Reward Feasibility Study Technical Report |
21.3.14 Sustaining Capital
Sustaining capital for process and infrastructure includes the costs for additional liner cover, constructing a gold recovery plant at site, purchasing additional piping and expanding the heap leach pad in year 1 of operations, the purchase of additional ramp conveyors in year 2 of operation, the expansion of the heap leach and construction of an additional set of carbon columns in year 3, the purchase of booster pumps in year 5 and mercury storage fees and return of modular buildings in year 9. Total sustaining capital is estimated at US$30.4 million.
Table 21-8 Process and Infrastructure Sustaining Capital
| Description | Year | Total (US$ million) |
| Phase 1B Leach Pad | 1 | $4.71 |
| Geochemical Testing | 1 | $0.20 |
| Recovery Plant | 1 | $11.58 |
| Ramp Conveyors | 2 | $0.47 |
| Leach Pad Expansion | 3 | $9.16 |
| Second Set of CICs | 3 | $3.64 |
| Booster Pumps | 5 | $0.50 |
| Return Buildings | 8 & 9 | $0.06 |
| Mercury Storage | 9 | $0.08 |
| Total | $30.39 |
21.3.15 Construction Indirect Costs
Indirect field costs include temporary construction facilities, construction services, quality control, survey support, warehouse and fenced yards, support equipment, etc. Construction indirect costs are summarized in Table 21-9.
| Kappes, Cassiday & Associates | 21.0 Capital and Operating Costs |
| September 2024 | Page 21-10 |
![]() | Reward Feasibility Study Technical Report |
Table 21-9 Construction Indirect Costs
| Description | Cost, $US, 1,000s |
| Misc. Hotels, etc. | 193 |
| QA/QC Earthworks, Liner, and Concrete | 502 |
| Surveying | 201 |
| Construction Equipment Rentals & Operating Costs | 210 |
| Office Equipment (Copiers, Printers, Computers, Plotter) | 42 |
| Clinic | 26 |
| Construction Vehicle O&M (2 Pickups + Flatbed) | 185 |
| Construction Tools | 26 |
| Construction Phone / Internet | 48 |
| Construction Power Opex and Rental | 205 |
| Portable Toilet Service | 67 |
| Outside Consultants / Vendor Reps | 79 |
| Construction Warehouse (Core Shed) | 53 |
| Construction Office Trailers / Containers (Purchase & set-up) | 79 |
| Indirect Contingency1 | 383 |
| Total | 2,300 |
| 1. | A 20% contingency has been applied to the estimated construction indirect costs. |
21.3.16 Other Owners Costs
Other Owner’s construction costs are intended to cover the following items:
| ● | Owner’s costs for labor, offices, home office support, vehicles, travel and consultants during construction; |
| ● | Subscriptions, licence fees, etc.; |
| ● | Taxes and Permits; |
| ● | Work place health and safety costs during construction. |
Other Owner’s construction costs are estimated based on 16 months of site construction and are summarized in Table 21-10.
| Kappes, Cassiday & Associates | 21.0 Capital and Operating Costs |
| September 2024 | Page 21-11 |
![]() | Reward Feasibility Study Technical Report |
Table 21-10 Other Owner’s Costs
| Description | Cost, $US, 1,000s |
| Operator Training | $10 |
| MSHA Training and fit testing | $33 |
| Emplyeesd relocation and expenses | $321 |
| Access Roads and Maintenance | $15 |
| Traffic Study | $50 |
| Surveying | $10 |
| First Aid and Medical during Construction | $10 |
| Construction Water | $30 |
| Traffic controls during construction | $95 |
| Employee Housing Assistance | $500 |
| Owner’s Insurance | $347 |
| Support and Consultants | $492 |
| Communications and Computer Equipment | $150 |
| Early Staffing | $4,193 |
| Metallurgical Testing | $25 |
| Outside Lab Services | $135 |
| Furniture | $50 |
| Land Lease | $21 |
| BLM Fees | $150 |
| State and County Fees/Taxes | $90 |
| Royalties | $35 |
| ERP and Work Order System | $100 |
| Community Relations / Charity | $20 |
| Utility Rights-of-Way | $45 |
| Personnel Safety Equipment | $13 |
| Office Supplies | $45 |
| Builder’s All Risk Insurance | $255 |
| Baseline Environmental Studies | $100 |
| Tortoise Fence | $25 |
| Cactus Garden and Harvesting | $100 |
| Environmental Testing | $175 |
| Development Impact Fees | $100 |
| Permits and Fees | $150 |
| Shop Tools and Furnishings | $150 |
| General Supplies, Operations and Maintenance | $125 |
| Light Vehicle Operating Costs | $206 |
| Local Office Rental | $218 |
| Sub-Total Other Owner’s Costs | $8,589 |
| Owner’s Costs Contingency | $429 |
| Total Owner’s Costs | $9,018 |
| 1. | A 5% contingency has been applied to the estimated Other Owner’s construction costs. |
| Kappes, Cassiday & Associates | 21.0 Capital and Operating Costs |
| September 2024 | Page 21-12 |
![]() | Reward Feasibility Study Technical Report |
21.3.17 Initial Fills
The initial fills consist of consumable items stored on site at the outset of operations, which includes sodium cyanide (NaCN), cement, antiscalant, and activated carbon. Initial fills are summarized below in Table 21-11 below.
Table 21-11 Estimate of Initial Fills
| Item | Basis | Needed | Order Quantity | Unit Price | Total Cost |
| lb or gal | lb or gal | US$ | US$ | ||
| NaCN | Full Tank | 19,800 | 59,400 | $1.85 | $109,768 |
| Cement | Full Silo | 210,000 | 210,000 | $0.11 | $24,045 |
| Carbon | Inventory | 20,000 | 60,000 | $1.11 | $66,600 |
| Antiscalant | 1 month | 420 | 480 | $1.31 | $6,375 |
| Lab | Included with Lab Costs | ||||
| Carbon Dewatering Bag | 3 months | 100 | 100 | $102.03 | $10,203 |
| Over Bag | 3 months | 100 | 100 | $10.08 | $1,008 |
| Pallets | 3 months | 100 | 100 | $29.00 | $2,900 |
| Caustic | Full Tote | 480 | 480 | $0.62 | $3,533 |
| Total | $224,431 | ||||
21.3.18 Engineering, Procurement & Construction Management
The estimated costs for engineering, procurement and construction management (EPCM) for the development, construction, and commissioning are based on a percentage of the direct capital cost. The total EPCM cost is estimated at US$6.1 million, or 10% of the process and infrastructure direct costs.
The EPCM costs cover services and expenses for the following areas:
| ● | Project Management. |
| ● | Detailed Engineering. |
| ● | Engineering Support. |
| ● | Procurement. |
| ● | Construction Management. |
| ● | Commissioning. |
| ● | Vendors Reps. |
For some major equipment packages, costs associated with detailed engineering, commissioning, and installation supervision have been included in the vendor’s quotes; these costs are reflected in the supplier engineering estimate of the capital costs and have been considered when estimating the EPCM costs and are not included in this estimate.
| Kappes, Cassiday & Associates | 21.0 Capital and Operating Costs |
| September 2024 | Page 21-13 |
![]() | Reward Feasibility Study Technical Report |
21.3.19 Working Capital
Working capital is money that is used to cover operating costs from start-up until a positive cash flow is achieved. Once a positive cash flow is attained, Project expenses will be paid from earnings. Working capital for the Project is estimated to be US$7.2 million based on 60 days of operation and includes all mine, process and G&A operating costs, process pre-production costs and the initial fill of reagents.
21.4 Operating Cost Summary
Process operating costs for the Reward Project have been estimated based on information presented in earlier sections of this Report. LOM Mining costs were provided by RESPEC at US$10.92 per ton of ore and are based on quotes for contract mining with estimated owner’s mining costs.
Process operating costs have been estimated by KCA from first principles. Labor costs and staffing were provided by Augusta. Unit consumptions of materials, supplies, power, water and delivered supply costs were estimated. LOM average processing costs are estimated at US$8.09 per ton ore.
General administrative costs (G&A) have been estimated by Augusta. G&A costs include project specific labor and salary requirements and operating expenses. G&A costs are estimated at US$2.88 per ton ore.
Operating costs were estimated based on 2nd quarter 2024 US dollars and are presented with no added contingency based upon the design and operating criteria present in this report. Nevada sales taxes have not been added to the process operating costs.
The operating costs presented are based upon the ownership of all process production equipment and leasing most office buildings. The owner will employ and direct all operating maintenance and support personnel for all site activities.
Operating costs estimates have been based upon information obtained from the following sources:
Contractor mining quotes and owner mining costs from RESPEC;
| ● | G&A costs estimated by Augusta; |
| ● | Project metallurgical testwork and process engineering; |
| ● | Supplier quotes for reagents and fuel; |
| ● | Recent KCA project file data; and |
| ● | Experience of KCA staff with other similar operations. |
Where specific data do not exist, cost allowances have been based upon consumption and operating requirements from other similar properties for which reliable data exist. Freight costs have been estimated where delivered prices were not available.
| Kappes, Cassiday & Associates | 21.0 Capital and Operating Costs |
| September 2024 | Page 21-14 |
![]() | Reward Feasibility Study Technical Report |
21.4.1 Mining Operating Costs
RESPEC received budgetary quotations for contract mining services for the Project. These services include ore mining, waste mining, drilling and blasting, and road development including pioneer mining to access the upper portions of the mine. The contractor quotations were based on a production schedule provided by RESPEC.
RESPEC used unit rates from one of the contractor’s quotations and applied them to the tonnage mined to estimate the net costs for the updated schedule. The fuel cost has been applied based on the calculated short tons per gallon of fuel and a price of $3.25/gal.
The quotations used for the mine operating cost estimate are broken down into labor, equipment, consumables, and fuel. The LOM estimated contractor costs are shown in Table 21-12. The total contract mining operating cost, including Year -1 pre-stripping, is $161.3 M or $3.19/t.
Table 21-12 Contract Mining Operating Cost Summary
| Units | Total | |
| Blast and Haul Before Fuel | kUSD | 142,138 |
| Fuel | k gal | 5,900 |
| ton/gal | 8.6 | |
| kUSD | 19,175 | |
| Total Opex w/Fuel | kUSD | 161,313 |
| Net Before Fuel | $/ton | 2.81 |
| Fuel | $/ton | 0.38 |
| Total w/Fuel | $/ton | 3.19 |
Mine General Service’s costs include labor, supplies, and other operating costs in support of contract mining. Labor includes supervision, mine engineering and surveying, geology and sample management for ore control. Mine General Services costs are shown in Table 21-13.
Table 21-13 Mine General Services
| Personnel Costs | Units | Yr_-1 | Yr_1 | Yr_2 | Yr_3 | Yr_4 | Yr_5 | Yr_6 | Yr_7 | Yr_8 | Yr_9 | Total |
| Mine Superintendent | K USD | $ - | $ - | $ - | $ - | $ - | $ - | $ - | $ - | $ - | $ - | $ - |
| Mine Engineer | K USD | $ 112 | $ 225 | $ 225 | $ 225 | $ 225 | $ 225 | $ 225 | $ 225 | $ 169 | $ - | $ 1,854 |
| Mine Tech / Surveyor | K USD | $ 45 | $ 214 | $ 270 | $ 270 | $ 270 | $ 270 | $ 270 | $ 270 | $ 90 | $ - | $ 1,967 |
| Geologist (Chief) | K USD | $ 81 | $ 163 | $ 163 | $ 163 | $ 163 | $ 163 | $ 163 | $ 163 | $ 122 | $ - | $ 1,343 |
| Samplers | K USD | $ 37 | $ 390 | $ 445 | $ 445 | $ 445 | $ 445 | $ 445 | $ 445 | $ 56 | $ - | $ 3,153 |
| Total | K USD | $ 276 | $ 991 | $ 1,103 | $ 1,103 | $ 1,103 | $ 1,103 | $ 1,103 | $ 1,103 | $ 436 | $ - | $ 8,318 |
Supplies & Other
| Mine General Services Supplies | K USD | $ 12 | $ 24 | $ 24 | $ 24 | $ 24 | $ 24 | $ 24 | $ 24 | $ 18 | $ - | $ 198 |
| Site Maintenance | K USD | $ 45 | $ 90 | $ 90 | $ 90 | $ 90 | $ 90 | $ 90 | $ 90 | $ 68 | $ - | $ 743 |
| Engineering Supplies | K USD | $ 9 | $ 18 | $ 18 | $ 18 | $ 18 | $ 18 | $ 18 | $ 18 | $ 14 | $ - | $ 149 |
| Geology Supplies | K USD | $ 9 | $ 18 | $ 18 | $ 18 | $ 18 | $ 18 | $ 18 | $ 18 | $ 14 | $ - | $ 149 |
| Software Maintanance & Support | K USD | $ 13 | $ 26 | $ 26 | $ 26 | $ 26 | $ 26 | $ 26 | $ 26 | $ 20 | $ - | $ 217 |
| Light Vehicles | K USD | $ 27 | $ 54 | $ 54 | $ 54 | $ 54 | $ 54 | $ 54 | $ 54 | $ 41 | $ - | $ 446 |
| Total | K USD | $ 115 | $ 230 | $ 230 | $ 230 | $ 230 | $ 230 | $ 230 | $ 230 | $ 173 | $ - | $ 1,900 |
| Total Mine General Services | K USD $/st Mined | $ 391 $ 0.30 | $ 1,221 $ 0.19 | $ 1,333 $ 0.20 | $ 1,333 $ 0.16 | $ 1,333 $ 0.14 | $ 1,333 $ 0.16 | $ 1,333 $ 0.27 | $ 1,333 $ 0.39 | $ 609 $ 0.49 | $ - $ - | $ 10,217 $ 0.20 |
Supplies and other costs are estimated as follows:
| Kappes, Cassiday & Associates | 21.0 Capital and Operating Costs |
| September 2024 | Page 21-15 |
![]() | Reward Feasibility Study Technical Report |
| ● | Mine General Services Supplies - $2,000/month based on previous studies. |
| ● | Site Maintenance outside of the mining responsibilities of the contractor – $7,500/month for road work and other equipment needs around the site. |
| ● | Engineering Supplies – $1,500/month mostly for surveying and safety supplies. |
Geology Supplies – $1,500/month for sampling and safety supplies.
| ● | Light Vehicle – $4,500/month for light vehicle operating and maintenance costs. |
Mine operating costs for the pre-production period are capitalized. The LOM operating costs, not including the pre-production costs, are estimated to be $164.3M or $3.33/ton mined. The mining cost equates to $10.92/ton of ore or $563/oz of gold produced. Yearly mine operating costs are shown below, in Table 21-14.
Table 21-14 Total Mine Operating Costs
| Mining Cost Summary | Units | Yr_-1 | Yr_1 | Yr_2 | Yr_3 | Yr_4 | Yr_5 | Yr_6 | Yr_7 | Yr_8 | Yr_9 | Total |
| Mine General Services | K USD | $ 391 | $ 1,221 | $ 1,333 | $ 1,333 | $ 1,333 | $ 1,333 | $ 1,333 | $ 1,333 | $ 609 | $ - | $ 10,217 |
| Mine Contracting Cost | K USD | $ 6,811 | $ 19,473 | $ 21,032 | $ 25,612 | $ 29,581 | $ 25,133 | $ 16,619 | $ 12,236 | $ 4,816 | $ - | $ 161,313 |
| Total Mining Cost | K USD | $ 7,202 | $ 20,694 | $ 22,365 | $ 26,945 | $ 30,914 | $ 26,465 | $ 17,952 | $ 13,569 | $ 5,425 | $ - | $ 171,530 |
| Total After Capitalization of Yr-1 | K USD | $ - | $ 20,694 | $ 22,365 | $ 26,945 | $ 30,914 | $ 26,465 | $ 17,952 | $ 13,569 | $ 5,425 | $ - | $ 164,329 |
| Total Mining Cost | $/st Mined $/oz Au Prod $/st Processed | $ - $ - $ - | $ 3.27 $ 540.1 $ 10.65 | $ 3.34 $ 483.5 $ 11.18 | $ 3.14 $ 701.2 $ 13.47 | $ 3.15 $ 756.6 $ 15.41 | $ 3.23 $ 904.5 $ 13.23 | $ 3.57 $ 469.6 $ 8.98 | $ 3.93 $ 355.1 $ 6.78 | $ 4.38 $ 241.1 $ 4.92 | $ - $ - $ - | $ 3.33 $ 562.7 $ 10.92 |
21.4.2 Process Operating Costs
Average annual process and G&A operating costs are presented in Table 21-15 below.
| Kappes, Cassiday & Associates | 21.0 Capital and Operating Costs |
| September 2024 | Page 21-16 |
![]() | Reward Feasibility Study Technical Report |
Table 21-15 Process and G&A Costs
Cost | Cost Type | Cost per Ton | ||
| Labor - All Process Areas | Year 1 | Years 2 to 9 | Average | |
| Process | Fixed | $2.880 | $2.996 | $2.981 |
| Laboratory | Fixed | $0.293 | $0.305 | $0.303 |
| SUBTOTAL | $3.173 | $3.301 | $3.284 | |
| G&A | ||||
| G&A Labor | Fixed | $1.345 | $1.323 | $1.326 |
| Fixed Costs | Fixed | $1.590 | $1.544 | $1.550 |
| SUBTOTAL | $2.935 | $2.867 | $2.876 | |
| Area 0113 - Crushing | ||||
| Power (All Crushing) | Variable | $0.441 | $0.441 | $0.441 |
| 980 Loader - Operating Cost | Variable | $0.294 | $0.286 | $0.287 |
| Wear & Maintenance (Primary) | Variable | $0.030 | $0.030 | $0.030 |
| Wear & Maintenance (Secondary & Tertiary) | Variable | $0.218 | $0.218 | $0.218 |
| Overhaul / Maintenance (Screen/Misc.) | Variable | $0.474 | $0.474 | $0.474 |
| SUBTOTAL | $1.457 | $1.449 | $1.450 | |
| Area 0114 - Stacking | ||||
| Power | Variable | $0.125 | $0.139 | $0.137 |
| Cat D6T Dozer at heap - Operating Cost | Variable | $0.025 | $0.023 | $0.023 |
| Maintenance Supplies | Variable | $0.137 | $0.137 | $0.137 |
| SUBTOTAL | $0.287 | $0.299 | $0.298 | |
| Area 0122 - Heap Leach & Solution Handling | ||||
| Power | Fixed | $0.137 | $0.153 | $0.151 |
| Piping/Drip tubing | Fixed | $0.055 | $0.054 | $0.054 |
| Maintenance Supplies | Fixed | $0.026 | $0.025 | $0.025 |
| SUBTOTAL | $0.218 | $0.232 | $0.230 | |
| Area 0128 - ADR Recovery Plant | ||||
| Power | Variable | $0.014 | $0.035 | $0.032 |
| Building Heating | Fixed | $0.000 | $0.006 | $0.005 |
| Propane (boiler) | Variable | $0.000 | $0.051 | $0.044 |
| Propane (kiln) | Fixed | $0.000 | $0.038 | $0.033 |
| Carbon | Variable | $0.214 | $0.016 | $0.041 |
| Misc. Operating Supplies | Variable | $0.007 | $0.028 | $0.025 |
| Maintenance Supplies | Variable | $0.020 | $0.056 | $0.051 |
| Carbon Bags | Variable | $0.069 | $0.000 | $0.009 |
| Carbon Treatment (Strip) | Variable | $0.284 | $0.000 | $0.037 |
| Carbon Treatment (burn fee, wet tons) | Variable | $0.141 | $0.000 | $0.018 |
| Carbon Treatment (oz fee) | Variable | $0.057 | $0.000 | $0.007 |
| SUBTOTAL | $0.806 | $0.229 | $0.303 | |
| Kappes, Cassiday & Associates | 21.0 Capital and Operating Costs |
| September 2024 | Page 21-17 |
![]() | Reward Feasibility Study Technical Report |
| Cost | Cost Type | Cost per Ton | ||
| Area 0131 - Refinery (included in ADR) | ||||
| Power | Variable | $0.000 | $0.047 | $0.041 |
| Propane (furnace) | Fixed | $0.000 | $0.007 | $0.006 |
| Misc. Operating Supplies | Fixed | $0.000 | $0.029 | $0.025 |
| Maintenance Supplies | Fixed | $0.000 | $0.020 | $0.017 |
| SUBTOTAL | $0.000 | $0.103 | $0.090 | |
| Area 0134 - Reagents (Included in ADR) | ||||
| Power | Variable | $0.007 | $0.007 | $0.007 |
| Cement | Variable | $0.698 | $0.078 | $0.158 |
| Lime | Variable | $0.000 | $0.208 | $0.181 |
| Cyanide (Ore) | Variable | $1.349 | $1.349 | $1.349 |
| Cyanide (Elution) | Variable | $0.000 | $0.026 | $0.023 |
| Caustic | Variable | $0.000 | $0.007 | $0.006 |
| Hydrochloric Acid | Variable | $0.000 | $0.127 | $0.111 |
| Antiscalant | Variable | $0.034 | $0.034 | $0.034 |
| Fluxes | Variable | $0.000 | $0.003 | $0.003 |
| Maintenance Supplies | Fixed | $0.007 | $0.007 | $0.007 |
| SUBTOTAL | $2.096 | $1.846 | $1.878 | |
| Area 0362 - Water Supply & Distribution | ||||
| Power | Variable | $0.055 | $0.056 | $0.056 |
| Pump Maintenance / Overhaul | Variable | $0.007 | $0.007 | $0.007 |
| Hypochlorite | Fixed | $0.002 | $0.002 | $0.002 |
| SUBTOTAL | $0.063 | $0.064 | $0.064 | |
| Area 0152 - Laboratory | ||||
| Power | Fixed | $0.020 | $0.020 | $0.020 |
| Building Heating | Fixed | $0.000 | $0.000 | $0.000 |
| Assays, Solids | Variable | $0.109 | $0.109 | $0.109 |
| Assays, Solutions | Variable | $0.053 | $0.051 | $0.051 |
| Miscellaneous Supplies | Fixed | $0.028 | $0.028 | $0.028 |
| SUBTOTAL | $0.209 | $0.208 | $0.208 | |
| Kappes, Cassiday & Associates | 21.0 Capital and Operating Costs |
| September 2024 | Page 21-18 |
![]() | Reward Feasibility Study Technical Report |
| Cost | Cost Type | Cost per Ton | ||
| Facilities & Support Services | ||||
| Power - Buildings/Misc. | Fixed | $0.008 | $0.008 | $0.008 |
| Building Heating | Fixed | $0.003 | $0.003 | $0.003 |
| Plant Administration Building | Fixed | $0.029 | $0.030 | $0.030 |
| Process Office/ADR | Fixed | $0.007 | $0.008 | $0.008 |
| Process Office/Crusher | Fixed | $0.007 | $0.007 | $0.007 |
| Mining Administration Building | Fixed | $0.020 | $0.020 | $0.020 |
| Lunch Area | Fixed | $0.020 | $0.020 | $0.020 |
| Guard Office Gate | Fixed | $0.007 | $0.007 | $0.007 |
| Restrooms | Fixed | $0.034 | $0.034 | $0.034 |
| Restroom Pumping | Fixed | $0.008 | $0.008 | $0.008 |
| Light Vehicles | Fixed | $0.034 | $0.035 | $0.035 |
| Carbon Transport | Fixed | $0.008 | $0.000 | $0.001 |
| Skid Steer Loader | Fixed | $0.009 | $0.009 | $0.009 |
| Light Plant | Fixed | $0.007 | $0.006 | $0.006 |
| Mechanics Service Truck | Fixed | $0.016 | $0.016 | $0.016 |
| Telehandler (CAT TL943C) | Fixed | $0.010 | $0.010 | $0.010 |
| Flatbed Truck | Fixed | $0.015 | $0.015 | $0.015 |
| Crane (65-ton) | Fixed | $0.051 | $0.050 | $0.050 |
| SUBTOTAL | $0.292 | $0.285 | $0.286 | |
| Total G&A Costs | $2.935 | $2.867 | $2.876 | |
| Total Processing Costs | $8.602 | $8.014 | $8.090 | |
| Fixed Costs | $6.675 | $6.840 | $6.818 | |
| Variable Costs | $4.862 | $4.042 | $4.148 | |
| TOTAL OPERATING COST | $11.537 | $10.881 | $10.966 | |
21.4.2.1 Personnel and Staffing
Staffing requirements for process and administration personnel have been estimated by Augusta based on their experience and their planned wages and salary scale. Total process personnel are estimated at 50 persons in Year 1 and 54 people in Years 2 through 8 including seven laboratory workers. G&A labor is estimated at 16 people.
Personnel requirements and costs are summarized in Table 21-16 below.
| Kappes, Cassiday & Associates | 21.0 Capital and Operating Costs |
| September 2024 | Page 21-19 |
![]() | Reward Feasibility Study Technical Report |
Table 21-16 Personnel and Staffing Summary
| Year 1 | Years 2 through 9 | |||
| Description | People | Cost US$/yr | People | Cost US$/yr |
| Process Supervision | 3 | $730,100 | 3 | $607,000 |
| Crushing and Reclaim | 12 | $1,341,167 | 12 | $1,384,006 |
| Leach | 9 | $997,637 | 9 | $1,024,823 |
| Recovery | 5 | $646,693 | 9 | $1,156,633 |
| Maintenance | 12 | $1,603,902 | 12 | $1,495,808 |
| Other | 2 | $277,187 | 2 | $261,417 |
| Laboratory | 7 | $568,431 | 7 | $790,149 |
| Total | 50 | $6,165,117 | 54 | $6,719,835 |
21.4.2.2 Power
Power usage for the process and process-related infrastructure was derived from estimated connected loads assigned to powered equipment from the mechanical equipment list. Equipment power demands under normal operation were assigned operating times to determine the average energy usage and cost. Power requirements for the Project are presented in Table 18-1 in Section 18.0 of this report.
The total attached power for the process and infrastructure is estimated at 3.8 MW in Year 1, 4.1 MW in Years 2 through 5 and 4.2 MW in Years 6 through 8. The average power draw is 1.9 MW at start up increasing to 2.1 MW in Years 2 through 5 and 2.1 MW in Years 6 through 8.
The total consumed power for these areas is approximately 6.9 kWh/t ore processed in Year 1 increasing to 7.5 kWh/t ore processed in Years 2 through 5 and 7.8 kWh/t in Years 6 through 8. Power will be supplied by Valley Electric Association. The power cost is estimated at US$0.117/kWh.
21.4.2.3 Consumable Items
Operating supplies have been estimated based upon unit costs and consumption rates predicted by metallurgical tests and have been broken down by area. Freight costs are included in all operating supply and reagent estimates. Reagent consumptions have been derived from testwork and from design criteria considerations. Other consumable items have been estimated by KCA based on KCA’s experience with other similar operations.
Operating costs for consumable items have been distributed based on tonnage and gold production or smelting batches, as appropriate.
21.4.2.4 Heap Leach Consumables
Pipes, Fittings and Emitters –The heap pipe costs are estimated to be US$0.054/ton ore and are based on a complete change of drip tubing and an allowance for valves fitting and pipes.
| Kappes, Cassiday & Associates | 21.0 Capital and Operating Costs |
| September 2024 | Page 21-20 |
![]() | Reward Feasibility Study Technical Report |
Sodium Cyanide (NaCN) – Delivered sodium cyanide is estimated at US$1.85/lb, this is the average of quoted cyanide prices. Cyanide is consumed in the heap leach at 0.73 lb/ton ore.
Cement – Cement is consumed at an average rate pf 6.1 lb/ton ore for stability, percolation and pH control of the heap. A delivered price of US$0.115/lb was estimated. The cement unit cost was quoted; the delivery cost was estimated based on the quoted delivery price in 2023 escalated for inflation.
Pebble Lime (CaO) – Pebble lime is consumed at an average rate pf 1.7 lb/ton ore for pH control of the heap. A delivered price of US$0.138/lb was estimated. The pebble lime was quoted, the delivery cost was estimated based on the quoted price in 2023 escalated for inflation.
Antiscalent (Scale Inhibitor) – Antiscalant consumption is based on a dosage 5 ppm to the suctions of the barren and ILS pumps. A delivered price of US$1.31/lb based on a quote from a local supplier.
21.4.2.5 Recovery Plant Consumables
Antiscalent (Scale Inhibitor) – Antiscalant (discussed above) will be dosed to strip at a dosage of 5 ppm to limit scale formation in the strip circuit.
Sodium Cyanide (NaCN) –Sodium cyanide (discussed above) will be added to the strip at a dose of 5 lb/ton solution.
Liquid Sodium Hydroxide – Liquid sodium hydroxide will be used to maintain conductivity in the electrowinning cells. Liquid sodium hydroxide will be delivered to site as 40% w/w and diluted to 20% w/w for storage. Liquid sodium hydroxide at a concentration of 20% w/w is near its minimum freezing point and will be easier to store and use. Liquid sodium hydroxide (40% w/w) was quoted at $0.62/lb.
Hydrochloric Acid – Hydrochloric acid will be used to treat activated carbon to remove carbonate scale. The hydrochloric acid consumed is estimated at 45 gallons per ton of carbon acid washed or 135 gallons per 3-ton strip. Hydrochloric acid (36% w/w) was quoted at $0.90/lb.
Smelting Fluxes - It has been assumed that 1 lb of mixed fluxes will be consumed per pound of precious metals sludge. The estimated delivered cost of this flux, which includes borax, silica, niter, and soda ash, is US$1.04/lb, which is based on quoted costs and assumed flux composition.
21.4.2.6 Laboratory
Fire assaying and solution assaying of samples will be conducted in the on-site laboratory. The fire assays are based on:
| ● | One blasthole assay per 360 ton mined |
| ● | 20% excess assays |
| ● | 9 process fire assays per day |
| Kappes, Cassiday & Associates | 21.0 Capital and Operating Costs |
| September 2024 | Page 21-21 |
![]() | Reward Feasibility Study Technical Report |
The laboratory will assay approximately 56 solutions per day.
21.4.2.7 Propane
Propane will be stored on site and used as a heating fuel for the boiler, kiln and smelting furnace. Propane was quoted at $1.76 per gallon of propane.
21.4.2.8 Wear, Miscellaneous Operating & Maintenance Supplies
Wear, overhaul and maintenance of equipment along with miscellaneous operating supplies for each area have been estimated as allowances based on the tons of ore processed. The allowances for each area were developed based on published data as well as KCA’s experience with similar operations.
Wear steel is estimated at $0.25 per ton. Maintenance and operating supplies costs (excluding G&A) are estimated at US$0.75 and $0.11 per ton ore processed.
21.4.2.9 Mobile / Support Equipment
Mobile and support equipment are required for the process and include one telehandler, one skid steer loader, two portable light plants, one service truck, one flat bed truck and five pickup trucks.
An allowance of $100,000 per year was added for crane rental.
Support equipment annual operating costs are estimated at US$291,000 or US$0.15 per ton of ore. Support equipment operating costs are presented in Table 21-17.
Table 21-17 Support Equipment Operating Costs
| Description | Unit | Qty. | Unit Cost | Annual Cost, US$ |
| Light Vehicles | h/mo | 2,288 | $28.55 | $65,311 |
| Carbon Transport | h/mo | 520 | $28.68 | $14,914 |
| Skid Steer Loader | h/mo | 1,095 | $16.54 | $18,106 |
| Light Plant | h/mo | 5,840 | $2.17 | $12,689 |
| Mechanics Service Truck | h/mo | 1,100 | $28.38 | $31,221 |
| Telehandler (CAT TL943C) | h/mo | 1,095 | $17.00 | $18,617 |
| Flatbed Truck | h/mo | 1,100 | $27.35 | $30,081 |
| Crane (65-ton) | $/yr | 1 | $100,000 | $100,000 |
| Total | $290,940 |
21.4.2.10 General and Administrative Costs
General and administrative expenses are expected to average US$3.1 million per year and include costs for offsite offices, insurance, office supplies, communications, environmental management, health and safety supplies, security, and travel. For the cost estimate G&A expenses are represented as fixed costs.
G&A labor expenses are presented in Table 21-18, G&A expenses are presented in Table 21-19.
| Kappes, Cassiday & Associates | 21.0 Capital and Operating Costs |
| September 2024 | Page 21-22 |
![]() | Reward Feasibility Study Technical Report |
Table 21-18 G & A Labor
| Base Pay | |||||||
| Job Title | Total Qty. | Salary | Hourly | Overtime | Bonus | Burdens | Total Ea. | Total |
| Mine Manager | 1 | $236,500 | $118,250 | $82,775 | $437,525 | $437,525 | ||
| Admin Manager | 1 | $181,500 | $63,525 | $63,525 | $308,550 | $308,550 | ||
| Purchasing Agent | 1 | $99,000 | $19,800 | $34,650 | $153,450 | $153,450 | ||
| HSE Manager | 1 | $170,500 | $59,675 | $59,675 | $289,850 | $289,850 | ||
| HSE Coordinator | 1 | $99,000 | $14,850 | $34,650 | $148,500 | $148,500 | ||
| Admin Assistant | 1 | $70,928 | $4,256 | $24,825 | $100,008 | $100,008 | ||
| Warehouse Tech | 2 | $79,217 | $7,922 | $4,753 | $27,726 | $119,618 | $239,235 | |
| AP Clerk | 1 | $70,928 | $4,256 | $24,825 | $100,008 | $100,008 | ||
| IT Tech | 1 | $84,656 | $5,079 | $29,630 | $119,365 | $119,365 | ||
| HSE Tech | 1 | $84,656 | $5,079 | $29,630 | $119,365 | $119,365 | ||
| Security Tech | 4 | $79,217 | $7,922 | $4,753 | $27,726 | $119,618 | $478,471 | |
| Site Maintenance Tech | 1 | $79,217 | $7,922 | $4,753 | $27,726 | $119,618 | $119,618 | |
| TOTAL | 16 | $2,613,945 | ||||||
| Kappes, Cassiday & Associates | 21.0 Capital and Operating Costs |
| September 2024 | Page 21-23 |
![]() | Reward Feasibility Study Technical Report |
Table 21-19 G & A Expenses
| Description | Note | Annual Cost US$ |
| General Maintenance Supplies | Allowance | $50,000 |
| Office Furniture and Supplies | Estimate | $60,000 |
| Phone/Internet/Data | Allowance | $20,000 |
| Courier/Postage | Allowance | $25,000 |
| Light Vehicle Operating Costs | Estimate | $75,000 |
| Recruiting and On-Boarding | Allowance | $200,000 |
| Employee Housing Assistance | $500/employee/mo | $480,000 |
| Local Office Rental | $14.5K/mo x 12 mo | $175,000 |
| Communications & Public Relations | Allowance | $75,000 |
| Insurance (Auto, Liability, W/Comp) | Estimate | $352,000 |
| BLM Fees | 2023 Cost | $150,000 |
| Land Lease | 2023 Cost | $21,000 |
| State and County Fees/Taxes | 2023 Cost | $90,000 |
| Safety Supplies | Allowance | $50,000 |
| Environmental (Compliance Testing, Etc.) | Allowance | $175,000 |
| Training and Training Supplies | Allowance | $50,000 |
| Professional Services (HR, IT, Payroll) | Estimate/Allowance | $250,000 |
| Consultants | Allowance | $175,000 |
| Business Meetings and Travel | Allowance | $125,000 |
| Legal and Accounting Fees | Allowance | $100,000 |
| Dues/Memberships/Subscriptions | Allowance | $15,000 |
| Access Road Maintenance | From Ledcor Quote | $75,000 |
| Janitorial Services | Allowance | $20,000 |
| Other | 10% | $281,000 |
| TOTAL | $3,089,000 |
21.4.2.11 Reclamation and Closure Costs
A cost estimate for reclamation and closure was made by SRK, and KCA these costs were spread over a 4-year closure period (plus on-going monitoring). This is summarized in Table 21-20 and includes work to be conducted from the closure of the mine, end of operation activities and concurrent rehabilitation work. These costs exclude G&A costs during closure.
| Kappes, Cassiday & Associates | 21.0 Capital and Operating Costs |
| September 2024 | Page 21-24 |
![]() | Reward Feasibility Study Technical Report |
Table 21-20 Reclamation and Closure
| Year | Annual Cost US$ (1,000) |
| Year 8 | $912 |
| Year 9 | $2,190 |
| Year 10 | $3,295 |
| Year 11 | $3,028 |
| Total1 | $9,425 |
| 1. | This total does not include the US$75,000 fee for mercury disposal |
The main objectives of the reclamation and closure plan include:
| ● | Proper abandonment of all groundwater wells; |
| ● | Closure of the heap leach pad through process solution recirculation for inventory reduction and stabilization, cover/growth media placement and revegetation, and construction of an evapotranspiration (ET) cell to collect and management long-term drain down; |
| ● | Removal or abandonment of pipelines; |
| ● | Surface reclamation of roads and other surface disturbances; |
| ● | Demolition of process facilities and salvage/removal of equipment and residual reagents for proper disposal; |
| ● | Establishment of appropriate post-closure stormwater management and control. |
Activities included as part of reclamation and closure are described in Section 20 of this Report.
| Kappes, Cassiday & Associates | 21.0 Capital and Operating Costs |
| September 2024 | Page 21-25 |
![]() | Reward Feasibility Study Technical Report |
22.0 ECONOMIC ANALYSIS
22.1 Summary
Based on the estimated production schedule, capital costs and operating costs, a cash flow model was prepared by KCA for the economic analysis of the Project. All of the information used in this economic evaluation has been taken from work completed by KCA and other consultants working on this Project as described in previous sections of this Report.
The Project economics were evaluated using a discounted cash flow (DCF) method, which measures the Net Present Value (NPV) of future cash flow streams. The results of the economic analyses represent forward-looking information as defined under applicable securities law. The results depend on inputs that are subject to a number of known and unknown risks, uncertainties and other factors that may cause actual results to differ materially from those presented here.
The final economic model was developed by KCA based on the following assumptions:
| ● | The cash flow model is based on the mine production schedule from RESPEC; |
| ● | The period of analysis is twelve years including one year of investment and pre-production, eight years of production and three years for reclamation and closure; |
| ● | Gold price of US$1,975/oz; |
| ● | Processing rate of 5,479 tpd; |
| ● | Overall recoveries of 79% for gold; |
| ● | Capital and operating costs as developed in Section 21.0 of this Report. |
The key economic parameters are presented in Table 22-1 and the economic summary is presented in Table 22-2.
| Kappes, Cassiday & Associates | 22.0 Economic Analysis |
| September 2024 | Page 22-1 |
![]() | Reward Feasibility Study Technical Report |
Table 22-1 Key Economic Parameters
| Item | Value | Unit |
| Gold Price | 1,975 | US$/oz |
| Gold Recovery | 79 | % |
| Treatment Rate | 5,479 | tons per day |
| Payable Factor, Au | 99.9 | % |
Table 22-2 Economic Analysis Summary
| Economic Analysis | ||
| Internal Rate of Return (IRR), Pre-Tax | 19.5% | |
| Internal Rate of Return (IRR), After-Tax | 16.6% | |
| Average Annual Cashflow (Pre-Tax) | $18.6 | M |
| NPV @ 5% (Pre-Tax) | $63.4 | M |
| Average Annual Cashflow (After-Tax) | $17.1 | M |
| NPV @ 5% (After-Tax) | $50.6 | M |
| Pay-Back Period (Years based on After-Tax) | 5.1 | Years |
| Capital Costs | ||
| Initial Capital | $89.7 | M |
| Working Capital & Initial Fills | $7.4 | M |
| LOM Sustaining Capital | $32.1 | M |
| Reclamation & Closure Costs | $9.5 | M |
| Operating Costs (Average LOM) | ||
| Mining | $10.92 | per ton |
| Processing & Support | $8.09 | per ton |
| G&A | $2.88 | per ton |
| Total Operating Cost | $21.88 | per ton |
| All-in Sustaining Cost | $1,328 | per oz |
| Production Data | ||
| Life of Mine | 7.6 | Years |
| Total Tons to Crusher | 15.05 | K Tons |
| Grade Au (Avg.) | 0.025 | oz/t |
| Contained Au oz | 369,692 | Ounces |
| Average Annual Gold Production | 38,675 | Ounces |
| Total Gold Ounces Produced | 292,057 | Ounces |
22.2 Methodology
The Reward Project economics are evaluated using a discounted cash flow method. The DCF method requires that annual cash inflows and outflows are projected, from which the resulting net annual cash flows are discounted back to the Project evaluation date. Considerations for this analysis include the following:
| Kappes, Cassiday & Associates | 22.0 Economic Analysis |
| September 2024 | Page 22-2 |
![]() | Reward Feasibility Study Technical Report |
| ● | The cash flow model has been developed by KCA with input from Augusta. |
| ● | The cash flow model is based on the mine production schedule from RESPEC. |
| ● | Nevada Excise Tax of 0.75% on Net Revenue (including Refining and Transportation costs, excluding Payable Royalties). |
| ● | Tax calculations including depreciation (Modified Accelerated Cost Recovery System, MACRS), depletion, income tax (21%) and net proceeds of mineral tax (5%) were prepared by a tax consultant hired by Augusta. |
| ● | Gold production and revenue in the model are delayed from the time ore is stacked based on the mine production schedule and leach curves to account for time required for metal values to be recovered from the heap. |
| ● | The period of analysis is twelve years including one year of investment and pre-production, eight years of production and three years for reclamation and closure. |
| ● | All cash flow amounts are in US dollars (US$). All costs are considered to be 2nd quarter 2024 costs. Inflation is not considered in this model. |
| ● | The Internal Rate of Return (IRR) is calculated as the discount rate that yields a zero Net Present Value (NPV). |
| ● | The NPV is calculated by discounting the annual cash back to Year -1 at different discount rates. All annual cash flows are assumed to occur at the end of each respective year. |
| ● | The payback period is the amount of time, in years, required to recover the initial construction capital cost. |
| ● | Working capital and initial fills are considered in this model and includes mining, processing and general administrative operating costs. The model assumes working capital and initial fills are recovered during the final two years of operation. |
| ● | Royalties and government taxes are included in the model. |
| ● | The model is built on an unleveraged basis. |
| ● | Salvage value for process equipment is considered and is applied at the end of the Project. |
| ● | Reclamation and closure costs are included. |
The economic analysis is performed on a before and after-tax basis in constant dollar terms, with the cash flows estimated on a project basis.
22.2.1 General Assumptions
General assumptions for the model, including cost inputs, parameters, royalties and taxes are as follows:
| ● | All preproduction spending and construction complete in Year -1; |
| ● | Gold Price $1,975/oz; |
| ● | Gold production and revenue in the model is delayed as mentioned above; |
| ● | Annual mining costs estimated by RESPEC based on contractor quotations and mine services personnel and supplies; |
| Kappes, Cassiday & Associates | 22.0 Economic Analysis |
| September 2024 | Page 22-3 |
![]() | Reward Feasibility Study Technical Report |
| ● | Working capital equal to 60 days of operating costs during the pre-production and ramp up period is included for mining, process and G&A costs as well as initial fills for process reagents and consumables. The assumption is made that all working capital and initial fills can be recovered in the final years of operation and the effective sum of working capital and initial fills over the life of mine is zero; |
| ● | Royalties of 2.6%; |
| ● | Depreciation, taxes by Augusta’s consultant Mining Tax Plan LLC. |
22.3 Capital Expenditures
Capital expenditures include initial capital (pre-production or construction costs), sustaining capital and working capital. The capital expenditures are presented in detail in Section 21 of this Report.
The pre-production capital expenditures for the Project are summarized in Table 21-3 above.
The economic model assumes working capital and initial fills will be recovered at the end of the operation and are applied as credits against the capital cost. Working capital and initial fills are assumed to be recovered during years 7 and 8. Salvage value for equipment is considered as taxable income and is applied during Year 9. Costs presented in Table 21-3 above do not include the salvage income.
22.4 Metal Production
Total metal produced for the Reward deposit is estimated at 291,210 ounces of payable ounces gold. Annual production profiles for gold are presented in Figure 22-1 with 38,563 payable ounces of gold recovered annually on average.
| Kappes, Cassiday & Associates | 22.0 Economic Analysis |
| September 2024 | Page 22-4 |
![]() | Reward Feasibility Study Technical Report |
Figure 22-1 Annual Gold Production (KCA, 2024)

22.5 Royalties
Royalties payable for Reward include a 2.6% royalty of total gold produced.
22.6 Operating Costs
Operating costs were estimated by KCA for all process and support services. G&A operating costs were estimated by KCA with input from Augusta. Mining costs were estimated by RESPEC. LOM operating costs for the Reward Project are summarized in Table 22-3. A detailed description of the operating cost build-up is included in Section 21.0 of this report.
Table 22-3 LOM Operating Costs
| Operating Costs | $/ton ore |
| Mining (from RESPEC) | $10.92 |
| Processing | $8.09 |
| G&A | $2.88 |
| TOTAL OPERATING COSTS1 | $21.88 |
| 1. | Numbers are rounded and may not sum perfectly. |
22.7 Closure Costs
Reclamation and closure include costs for works to be conducted for the closure of the mine at the end of operations and have been estimated by SRK and distributed over 4 years at the end
| Kappes, Cassiday & Associates | 22.0 Economic Analysis |
| September 2024 | Page 22-5 |
![]() | Reward Feasibility Study Technical Report |
of mine life. The estimated LOM reclamation and closure costs are US$9.5 million or US$0.63 per ton.
Reclamation and closure activities are summarized in Section 20.0 of this report and costs are summarized in Section 21.0.
22.8 Taxes
The following taxes are included in the Cash Flow:
| ● | Nevada Excise Tax |
| ● | Income Tax |
| ● | Nevada Net Proceeds Tax |
The Nevada Excise Tax is 0.75% of the Net Revenue (including Refining & Transportation Charge, excluding Payable Royalty).
22.9 Economic Model & Cash Flow
The discounted cash flow model for the Reward Project is presented in Table 22-4 and is based on the inputs and assumptions detailed in this Section.
| Kappes, Cassiday & Associates | 22.0 Economic Analysis |
| September 2024 | Page 22-6 |
![]() | Reward Feasibility Study Technical Report |
Table 22-4 Cash Flow
| Kappes, Cassiday & Associates | 22.0 Economic Analysis |
| September 2024 | Page 22-7 |
![]() | Reward Feasibility Study Technical Report |
| Kappes, Cassiday & Associates | 22.0 Economic Analysis |
| September 2024 | Page 22-8 |
![]() | Reward Feasibility Study Technical Report |
The Reward Project yields an after-tax internal rate of return of 16.6%.
Table 22-5 Economic Results
Description | Units | Pre Tax | After Tax |
| NPV at 5% discount rate | $63.39 M | $50.63 M | |
| IRR | 19.5% | 16.6% | |
| Payback | Years | 5.1 | |
| All-in sustaining cost (with closure) | $/oz Au | $1,328 | |
| LOM payable gold production | oz Au | 291,210 | |
| Average annual payable gold production | oz Au | 38,563 | |
Sensitivities of the NPV and IRR to changing the Gold Price, Capital Cost and Operating Costs are presented in Table 22-6, Table 22-7, Table 22-8, Table 22-9 and Table 22-10 below.
Table 22-6 Post-Tax Economic Results
| NPV at Specified Discount Rate | ||||
| Variation | IRR | 0% | 5% | 10% | |
Gold Price, $/oz
| $1,7251 | 5.0% | $26.1M | $0.0M | -$17.0M |
| $1,800 | 8.6% | $45.6M | $15.2M | -$4.9M | |
| $1,975 | 16.6% | $90.9M | $50.6M | $23.5M | |
| $2,200 | 25.7% | $142.1M | $91.0M | $56.0M | |
| $2,400 | 33.4% | $187.9M | $126.9M | $84.7M | |
| $2,600 | 41.1% | $234.8M | $163.5M | $114.0M | |
| Capital Costs | $92.2M | 27.9% | $121.3M | $78.9M | $49.8M |
| $110.5M | 20.5% | $103.1M | $61.9M | $34.0M | |
| $122.7M | 16.6% | $90.9M | $50.6M | $23.5M | |
| $134.8M | 13.4% | $78.7M | $39.3M | $12.9M | |
| $153.1M | 9.3% | $60.5M | $22.4M | -$2.9M | |
| Operating Costs | $247.0M | 30.4% | $173.3M | $115.1M | $75.0M |
| $296.4M | 22.3% | $123.8M | $76.4M | $44.1M | |
| $329.4M | 16.6% | $90.9M | $50.6M | $23.5M | |
| $362.3M | 10.8% | $58.0M | $24.8M | $2.8M | |
| $411.7M | 1.7% | $8.6M | -$13.8M | -$28.1M | |
| 1. | This value is actually $1,725.423, this was presented to define the estimated “break even” gold value |
| Kappes, Cassiday & Associates | 22.0 Economic Analysis |
| September 2024 | Page 22-9 |
![]() | Reward Feasibility Study Technical Report |
Table 22-7 Gold Price Comparison
Au Price ($/oz) USD | After-Tax NPV 5% ($M)1 | After-Tax IRR | Payback (years) |
| $2,600 | $163.5 | 41.1% | 1.9 |
| $2,400 | $126.9 | 33.4% | 2.4 |
| $2,200 | $91.0 | 25.7% | 3.3 |
| $1,9752 | $50.6 | 16.6% | 5.1 |
| $1,800 | $15.2 | 8.6% | 6.3 |
| $1,725 | $0.0 | 5.0% | 6.9 |
| 1. | Costs reflect standalone costs of the Reward project with 100% of capital expensed to Reward, excluding any potential benefits from the Bullfrog project. |
| 2. | Feasibility study basis |
Table 22-8 Cost Metrics (1)
Payable Gold | koz | 291.21 |
| Total Operating Costs | US$ millions | $329.39 |
| Refining & Transportation Charge | US$ millions | $0.62 |
| Total Operating Costs & Refining & Transportation Charge | US$ millions | $330.01 |
| Royalty Payable | US$ millions | $15.21 |
| Total Operating Costs, Refining & Royalties | US$ millions | $345.22 |
| Cash Cost per ounce2 | US$/oz | $1,185 |
| Sustaining Capital and Reclamation & Closure | US$ millions | $41.57 |
| All-In-Sustaining Costs | US$ millions | $386.79 |
| AISC per ounce | US$/oz | $1,328 |
Table 22-9 Cost Metrics (2)
| Payable Gold | koz | 291.21 |
| Mining Costs | US$ millions | $164.33 |
| Processing Costs | US$ millions | $121.77 |
| Site General and Administrative Costs | US$ millions | $43.29 |
| Total Operating Costs | US$ millions | $329.39 |
| Refining & Transportation Charge | US$ millions | $0.62 |
| Total Operating Costs, Refining & Royalties | US$ millions | $330.01 |
| Royalty Payable | US$ millions | $15.21 |
| Total Operating Costs, Refining & Royalties | US$ millions | $345.22 |
| Kappes, Cassiday & Associates | 22.0 Economic Analysis |
| September 2024 | Page 22-10 |
![]() | Reward Feasibility Study Technical Report |
Table 22-10 Cost Metrics (3)
| Contained Au, oz | 369,692 |
| Annual Au oz (avg payable oz) | 38,563 |
| Max Annual Au oz | 46,595 |
| Total Au Recovered (oz) | 292,057 |
| Payable Ounces | 291,210 |
| LOM ore grade (oz/t Au) | 0.025 |
| LOM Tons | 15,051,695 |
| Mine Life (years) | 7.6 |
| All-in Sustaining Cost per ounce | $1,328 |
| Pre-Production Capital Cost | $89,700,000 |
| Kappes, Cassiday & Associates | 22.0 Economic Analysis |
| September 2024 | Page 22-11 |
![]() | Reward Feasibility Study Technical Report |
23.0 ADJACENT PROPERTIES
23.1 Bullfrog
The Bullfrog property, owned by Augusta, is located in the Walker Lane district, a prolific gold-producing region. The property is 11.27 km (7 miles) northwest of the Project, and the two properties are connected via paved highway (Figure 23.1). The Bullfrog property consists of approximately 3,157 ha (7,800 acres) of mineral rights (Augusta Gold, 2021). Bullfrog contains three historical operating pits: Montgomery-Shoshone, Bullfrog, and Bonanza Mountain (Augusta Gold, 2021).
The Bullfrog property is located in brittle middle Miocene volcanic rocks, ranging from latite lavas to rhyolitic Ammonia Tanks Tuff (Downer and House, 2022). These rocks were severely deformed from detachment faulting and associated dip-slip and strike-slip displacements (Downer and House, 2022). Epithermal solutions permeated the broken host rocks, precipitating micron-sized, relatively high-grade gold within major quartz-calcite veins and disseminated gold in associated stock-works (Downer and House, 2022).
Effective December 31, 2021, the measured resource estimate for the Bullfrog property is 16,381,580 g (526,680 oz) gold grading 0.544 g/tonne (0.016 oz/t) gold, an indicated mineral resource of 21,231,540 g (682,610 oz) gold grading 0.519 g/tonne (0.015 oz/t) and an inferred mineral resource of 8,021,590 g (257,900 oz) gold grading 0.481 g/tonne (0.014 oz/t) (Augusta Gold, 2022).
The Bullfrog property occurs outside of the Reward Project. The QPs have not visited this property and are unable to verify the information pertaining to the mineralization at Bullfrog. The information presented in this section is not necessarily indicative of the mineralization on the Property that is the subject of this Technical Report. The information provided in this section is simply intended to describe examples of the type and tenor of mineralization that exists in the region and is being explored for at Reward.
| Kappes, Cassiday & Associates | 23.0 Adjacent Properties |
| September 2024 | Page 23-1 |
![]() | Reward Feasibility Study Technical Report |
Figure 23-1 Adjacent Properties.

Note: Source is Augusta Gold, 2022.
23.2 Sterling and Crown
The Sterling and Crown properties have been purchased by Anglo Gold Ashanti and are adjacent to the Property on its northern, eastern, and southern edges (Figure 23.1). The Sterling and Crown properties consist of 5,710 hectares (14,109 acres) of mineral claims, including the Sterling, Daisy, Secret Pass, and SNA gold deposits. The Sterling and Crown properties also include the Sterling open pit and underground heap leach gold mine, which ceased gold production in 2000 (Ennis et al., 2017).
The Sterling deposit occurred at and below the Sterling Thrust contact between the Wood Canyon and Bonanza King formations (Ennis et al., 2017). Gold is hosted by argillaceous arkosic
| Kappes, Cassiday & Associates | 23.0 Adjacent Properties |
| September 2024 | Page 23-2 |
![]() | Reward Feasibility Study Technical Report |
siltstones, arkosic sandstones, quartzites, dolomites, limestones, and breccias, occurring as submicron to micron size particles (Ennis et al., 2017).
The Daisy, Secret Pass, and SNA deposits are hosted by Tertiary volcanics and Paleozoic-aged rocks and are found in the Nopah Formation, Crater Flat Tuff deposit, and Antelope Valley Formation, respectively (Ennis et al., 2017). North-striking normal faulting is the principal control for mineralization, regardless of the deposit, and the highest gold grades are commonly associated with fault intersections (Ennis et al., 2017).
Effective December 31, 2021, the properties have an inferred mineral resource of 28,428,580 g (914,000 oz) gold grading 0.86 g/tonne (0.025 oz/t) (Coeur Mining, 2022).
The Sterling and Crown properties occur outside of the Reward Project. The QPs have not visited this property and are unable to verify the information pertaining to the mineralization at Sterling and Crown. The information presented in this section is not necessarily indicative of the mineralization on the Property that is the subject of this Technical Report. The information provided in this section is simply intended to describe examples of the type and tenor of mineralization that exists in the region and is being explored for at Reward.
| Kappes, Cassiday & Associates | 23.0 Adjacent Properties |
| September 2024 | Page 23-3 |
![]() | Reward Feasibility Study Technical Report |
24.0 OTHER RELEVANT DATA AND INFORMATION
24.1 Project Implementation
24.1.1 Project Development
The development philosophy for the Project assumes that Augusta will hire an EPCM contractor or Project Management Company (PMC) to act on behalf of and in collaboration with the owner to complete the detailed engineering and project implementation. The PMC will manage and supervise engineering consultants.
The PMC will also execute the following responsibilities:
| ● | Procurement tasks for all equipment and supplies; |
| ● | Logistics tasks; |
| ● | Project controls; |
| ● | Process all accounts payable documentation; |
| ● | Scheduling; |
| ● | Contracts management; |
| ● | Project safety; |
| ● | Client reporting. |
24.1.2 Project Controls
Standard project controls will be used during the implementation of the Reward Project, typically software packages are used to control the following aspects:
| ● | Document control; |
| ● | Organize and archive technical specifications and manuals; |
| ● | Maintain project budget; |
| ● | Contracts; |
| ● | Purchasing; |
| ● | Expediting and logistics; |
| ● | Bidding process and tracking; |
| ● | Change orders; |
| ● | Receiving / warehousing and materials management; |
| Kappes, Cassiday & Associates | 24.0 Other Relevant Data and Information |
| September 2024 | Page 24-1 |
![]() | Reward Feasibility Study Technical Report |
| ● | Construction job cost system and the interface with Augusta’s accounting system; |
| ● | Tracking and forecasting cost estimates to completion; |
| ● | Scheduling; |
| ● | Safety statistics. |
A project server will be dedicated to storage and there will be controlled access to all project relevant documents.
Weekly progress reports and monthly cost reports of project status will be prepared and distributed.
24.1.3 Procurement and Logistics
The PMC will purchase all material for the Project on behalf of the Owner. This enables direct control over the procurement budget and schedule. The PMC team performs equipment technical reviews and negotiations, analyses the total delivery cost and issues recommendations and produces the purchase orders or contractual documents upon owner’s approval.
The PMC team coordinates logistics and assists suppliers in equipment delivery. Freight forwarding is managed dynamically to minimize the freight transit times and avoid transportation issues. A weekly expediting report is also generated showing the status of purchase orders and latest estimate of delivery dates for each purchase with latest status of customs clearances, etc.
24.1.4 Construction
The PMC will provide the site construction management team and supplement the site staff with resources as required.
Personnel that are planned to be kept after the preproduction period and become operations key personnel will be directly hired by the owner.
Lump sum contracts will be considered when practical and cost reimbursable contracts will be awarded when preferable. Early in the Project, mobile equipment will be purchased by the owner for use during the construction phase that will be turned over to the operations group shortly after commissioning.
The Owner will contract one concrete batch plant for the site. All concrete requirements for the Project will be supplied at the Owner’s cost and delivered to the various contractors.
The Owner will provide sanitary services, domestic water and general services supply throughout the Project site at no cost to the contractors.
| Kappes, Cassiday & Associates | 24.0 Other Relevant Data and Information |
| September 2024 | Page 24-2 |
![]() | Reward Feasibility Study Technical Report |
24.1.5 Construction Schedule
Since permits are in place and assuming financing can be obtained, it is envisioned for the Project basic and detailed engineering to begin in the first quarter of 2025, long lead time items ordered in the first quarter of 2025, construction beginning in the first quarter of 2025 and commissioning and initial production to start during the first quarter of 2026 with first gold pour prior in the first quarter of 2026.
It is expected to take approximately 12 months from the beginning of basic/detailed engineering on to the pouring of the first doré bar. The first six of these months will include:
| ● | Basic and detailed engineering; |
| ● | Detailed execution plan implementation; |
| ● | Water well pump install and testing; |
| ● | Orders for long lead-time equipment items; |
| ● | Earthworks contractor mobilization; |
| ● | Roads, fences and building pads. |
| ● | A draft schedule is presented in Table 24-1 below. |
Table 24-1 Project Schedule
Week | ||
| From | To | Milestone |
| 0 | 2 | Desert Tortoise Activities |
| 2 | 6 | Public Cactus Period |
| 6 | 7 | Cactus Salvage Period |
| 0 | 12 | Detailed Engineering |
| 0 | 8 | Procurement |
| 0 | 6 | Mining Contract Negotiation |
| 7 | 34 | Stripping |
| 35 | continues | Mining |
| 0 | 6 | Earthworks Contract Negotiation |
| 25 | 50 | Earthworks / Pad and Pod Construction |
| 30 | 46 | Crusher Erection |
| 45 | 48 | Stacking Conveyor Erection |
| 50 | 54 | Leak Test Ponds |
| 49 | continues | Stack Ore |
| 52 | continues | Leach |
| 52 | 56 | Loaded Carbon Shipped |
| Kappes, Cassiday & Associates | 24.0 Other Relevant Data and Information |
| September 2024 | Page 24-3 |
![]() | Reward Feasibility Study Technical Report |
24.2 Risks
Risks associated with the project include:
| ● | Risk is inherent with respect to mining. In the QP’s opinion, the primary risk factor for the Mineral Reserves will be the ability to mine the steeper portions of the Phase 2 pit design. Should the establishment of the high wall crest be unsuccessful, then a portion of the deeper Mineral Reserves could be at risk. To mitigate this risk the mine operational team must be engaged with the contractor in sound planning and execution of the access to the upper portion of the Phase 2 high-wall. |
| ● | No other major risk factors have been identified other than typical open pit mining risks of cost escalation and operational efficiencies. There are no other known environmental, legal, title, taxation, socioeconomic, marketing, political or other relevant factors known to the QP that would materially affect the estimation of Mineral Reserves that are not discussed in this Report. |
| ● | The project has water rights for Reward. Based on estimated water requirements for the mine, process, and infrastructure, there may be a short fall of water for the project. Augusta has water rights in the same water basin that are transferrable to Reward. The use of chemicals such as Mag Chloride or similar dust suppressant chemicals may be required to minimize water requirements for road dust control. |
| ● | Experienced labor may be difficult to hire for the project and there could be high turnover or inexperienced labor being hired for some critical positions. There may be higher maintenance and operating costs than anticipated to compensate for the inexperienced personnel. |
| ● | If engineering for the permits is delayed or approval times for the permits are longer than anticipated, the stripping and recovery plant construction planned in Year 1 could be delayed. |
The price of gold used in the Cash Flow is $1,975 per oz, approximately $500 per oz lower than the spot gold price on 3 September 2024. It is possible that the market gold price during operation will be lower than $1975 per oz, resulting in lower economic performance.
24.3 Opportunities
Key opportunities associated with the Reward project include:
| ● | Changes to the Project could result in capital cost savings. These potential changes include leasing support mobile equipment instead of purchasing, and modifying the design of the crushing circuit to produce heap leach pad overliner from low grade ore instead of mobilizing and using a contractor. |
| ● | Costs for equipment and consumables were obtained from vendors in an unusually high inflationary period which may have led to some vendors inflating their costs. If a decision to construct the project is made, then firm quotes will be requested which may be lower than provided for this Report. |
| Kappes, Cassiday & Associates | 24.0 Other Relevant Data and Information |
| September 2024 | Page 24-4 |
![]() | Reward Feasibility Study Technical Report |
| ● | The study includes 30-inch stacking conveyors, it is possible to replace these with 24-inch stacking conveyors. |
| ● | The price of gold used in the Cash Flow is $1,975 per oz. This gold price is approximately $500 per ounce lower than the spot price on 3 September 2024. Higher priced gold will improve project economics |
| ● | Based on column tests, it is possible additional ounces may be realized during secondary leaching of ore from leaching upper lifts and during heap rinsing as it appears most columns were still slowly leaching at the termination of the columns . |
| Kappes, Cassiday & Associates | 24.0 Other Relevant Data and Information |
| September 2024 | Page 24-5 |
![]() | Reward Feasibility Study Technical Report |
25.0 INTERPRETATION AND CONCLUSIONS
25.1 Introduction
The work that has been completed to date demonstrates that the Reward project is a potentially technically and economically viable project and justifies moving to detailed engineering, procurement and construction. More specific and detailed conclusions are presented in the sections below.
25.2 Mineral Tenure, Surface Rights, Water Rights, Royalties/Agreements
Information obtained from CR Reward supports that the mineral tenure held is valid, and the granted exploitation licence is sufficient to support a declaration of Mineral Resources and Mineral Reserves.
CR Reward, a wholly owned subsidiary of Augusta, holds a 100% interest in the mineral claims and mineral leases that form the Project.
A 3% NSR royalty is payable on any minerals mined from the Connolly Claims, but is reduced to 2% as the lessee only owns a two-third interest in the Connolly Claims.
A 3% NSR royalty is payable on any minerals mined from the Webster Claims, but is (i) reduced to 1% on the Sunshine and Reward claims as the lessee only owns a one-third interest, and (ii) reduced to 1.5% on the Good Hope claim as the lessee only owns a half interest in this claim.
A 3% NSR royalty is payable on minerals mined from the Orser–McFall Claims, but is reduced to 1.5% on the Good Hope claim as the lessee only owns a half interest in that claim.
A 3% NSR royalty is payable on minerals mined from the Van Meeteren Claims.
The Project area mainly consists of Federal public domain lands administered by the BLM. There are no State or private tracts within the Project area, except the six patented claims owned by CR Reward, all of which carry surface and mineral rights ownership.
The Project is not subject to any other back-in rights payments, agreements or encumbrances.
To the extent known to the QPs, there are no other significant factors and risks that may affect access, title, or the right or ability to perform work on the Project that have not been discussed in this Report.
25.2.1 Water Rights
The project has water rights for Reward. Based on estimated water requirements for the mine, process, and infrastructure, there may be a short fall of water for the project. Augusta has water rights in the same water basin that are transferrable to Reward, this is mentioned in Section 4.8 above. The existing rights and the additional water will be adequate for Reward.
| Kappes, Cassiday & Associates | 25.0 Interpretation and Conclusions |
| September 2024 | Page 25-1 |
![]() | Reward Feasibility Study Technical Report |
The use of chemicals such as Mag Chloride or similar dust suppressant chemicals may be required to minimize water requirements for road dust control.
25.3 Geology
Mineralization the Good Hope Deposit and Golden Ace Zone can be classified as examples of a structurally-controlled, locally-disseminated, sediment-hosted, mesothermal quartz vein gold deposit.
The geological understanding of the settings, lithologies, and structural and alteration controls on mineralization in the different zones is sufficient to support estimation of Mineral Resources and Mineral Reserves. The geological knowledge of the area is also considered sufficiently acceptable and reliable for mine planning.
The mineralization style and setting are well understood and can support declaration of Mineral Resources and Mineral Reserves.
At the Good Hope Deposit, gold mineralization remains open to the east towards the Good Fortune fault and south of 3000 N. The eastern area of the deposit, most notably along the Good Fortune fault, has had limited drilling. Wide-spaced drilling along the southern extension of the fault zone has intersected anomalous gold mineralization. The projected intersection of the Good Hope fault zone and the Gold Ace trend also remains under drilled.
25.4 Exploration, Drilling, and Analytical Data Collection in Support of Mineral Resource Estimation
The exploration programs completed to date are appropriate for the style of the deposits on the Project.
Sampling methods are acceptable for Mineral Resource and Mineral Reserve estimation.
Sample preparation, analysis and security are generally performed in accordance with exploration best practices and industry standards.
The quantity and quality of the lithological, geotechnical, collar and down-hole survey data collected during the exploration and delineation drilling programs are sufficient to support Mineral Resource and Mineral Reserve estimation. The collected sample data adequately reflect deposit dimensions, true widths of mineralization, and the style of the deposits. Sampling is representative of the gold grades in the deposits, reflecting areas of higher and lower grades.
The QA/QC programs adequately address issues of precision, accuracy and contamination. Drilling programs typically included blanks, duplicates and standard samples. QA/QC submission rates meet industry-accepted standards.
The data verification programs concluded that the data collected from the Project adequately support the geological interpretations and constitute a database of sufficient quality to support the use of the data in Mineral Resource and Mineral Reserve estimation.
| Kappes, Cassiday & Associates | 25.0 Interpretation and Conclusions |
| September 2024 | Page 25-2 |
![]() | Reward Feasibility Study Technical Report |
25.5 Metallurgical Testwork
Metallurgical testwork and associated analytical procedures were appropriate to the mineralization type, appropriate to establish the optimal processing routes, and were performed using samples that are typical of the mineralization styles found within the Good Hope Deposit area. Recovery factors estimated are based on appropriate metallurgical testwork.
Results from the metallurgical testwork show that Good Hope ore is amenable to cyanide leaching with an expected field recovery of 79% at the nominated P80 minus ¼ inch crush size (100% passing ⅜ inch). Reagent consumption is low to moderate with expected cyanide consumption of 0.73 lb/ton and a lime consumption of 1.53 lb/ton. Cement agglomeration is not required for heap heights under 262 ft. However, due to the fine crush size, belt agglomeration with cement at 6.1 lb/st is included for the first lift.
The Gold Ace deposit is less amenable to cyanide leaching with an estimated field recovery of 58.5% and reagent consumptions of 0.72 lb/st and 2.46 lb/st for cyanide and lime, respectively. At present, the Gold Ace deposit is not included in the Mineral Reserve estimate.
There are no deleterious elements known that would affect process activities or metallurgical recoveries.
25.6 Mineral Resource Estimate
Mineral Resources are reported using the 2019 CIM Definition Standards and the standards of S-K 1300 and assume open pit mining methods.
Factors that may affect the Mineral Resource estimates include: metal price assumptions; changes to the assumptions used to generate the gold cut-off grade; changes in local interpretations of mineralization geometry and continuity of mineralized zones; changes to geological and mineralization shape and geological and grade continuity assumptions; density and domain assignments; changes to geotechnical, mining and metallurgical recovery assumptions; change to the input and design parameter assumptions that pertain to the conceptual pit constraining the estimates; and assumptions as to the continued ability to access the site, retain mineral and surface rights titles, maintain environment and other regulatory permits, and maintain the social license to operate.
There is upside potential for the estimates if mineralization that is currently classified as Inferred or exploration target can be upgraded to higher-confidence Mineral Resource categories.
25.7 Mineral Reserve Estimate
RESPEC classified reserves in order of increasing confidence into Proven and Probable categories to be in accordance with the “CIM Definition Standards – For Mineral Resources and Mineral Reserves” (2014), which are reasonable for US SEC reporting. Thus, the QP considers the reported mineral reserves to be both), NI 43-101 and S-K 1300 compliant. Mineral Reserves for the Project were developed by applying relevant economic criteria to define the economically extractable portions of the resources classified as Measured and Indicated. CIM standards require
| Kappes, Cassiday & Associates | 25.0 Interpretation and Conclusions |
| September 2024 | Page 25-3 |
![]() | Reward Feasibility Study Technical Report |
that modifying factors be used to convert Mineral Resources to Reserves. Definitions for Proven and Probable Mineral Reserves along with Modifying Factors are in the CIM Definition Standards (2014).
RESPEC used the pit and waste dump designs to develop a production schedule, which was then used in the financial model prepared by KCA. RESPEC reviewed the cash flow model and believes it demonstrates that the deposits generate a positive cash flow and are reasonable with respect to statement of reserves for the Project.
25.8 Mine Planning
Mine planning for this Feasibility Study included pit optimizations to determine the ultimate pit limits, pit and road designs to allow for access to mine the deposit and estimation of production rates using industry norms. The mine plan has been used in the cash-flow evaluation which has been reviewed for reasonableness. Reserves have been estimated by Thomas L. Dyer of Mine Development Associates and have been stated based on CIM reporting standards.
In Mr. Dyer’s opinion, the primary risk factor for the Reward Mineral Reserves will be the ability to mine the steeper portions of the Phase 2 pit design. In order to mine the reserves in Phase 2 at depth, access to the steeper portion of Phase 2 will be required in order to set the crest of the pit. Should the establishment of the high–wall crest be unsuccessful, then a portion of the deeper reserves could be at risk. To mitigate this risk the mine operational team must be engaged with the contractor in sound planning and execution of the access to the upper portion of the Phase 2 high-wall.
No other major risk factors have been identified other than typical open pit mining risks of cost escalation and operational efficiencies.
25.9 Recovery Plant
Processing at Reward is based on industry standard heap leaching methods. The crushing circuit is conservatively designed and meeting production goals should be achievable as long as qualified personnel are available for operations and maintenance.
Treatment of loaded carbon off-site is also an industry standard. Stringent metallurgical account measures should be implemented to allow for an accurate metallurgical balance.
25.9.1 Risk
Relying on toll processing of carbon in year one makes the plant dependent on contractors for producing revenue from gold. Possibly the risk could be mitigated if loans can be arranged based on loaded carbon on hand.
If engineering for the permits is delayed or approval times for the permits are longer than anticipated, the stripping and recovery plant construction planned in Year 1 could be delayed.
| Kappes, Cassiday & Associates | 25.0 Interpretation and Conclusions |
| September 2024 | Page 25-4 |
![]() | Reward Feasibility Study Technical Report |
25.10 Services and Site Infrastructure
The cost estimate for the HLP is based on detailed design quantities for the Phase 1 HLP and preliminary design quantities for the Phase 2 HLP. The quantity and costs for the clay amendment was based on native material processed through the ⅜-inch screen and amended with 12 percent imported clay by dry weight. The clay amendment material used for the testing is “Special Thickening Product” and is a fat clay located in the upper layer in the borrow pit at the IMV plant in Amargosa Valley, Nevada.
The Reward project is easily accessible and there will be year-round access to the site. Off-site services are available in Beatty, Pahrump and Las Vegas, Nevada.
An existing water well will provide water for the project. Road dust control measures will be required to minimize water consumption due to watering of roads. An existing power line is located close to the site. Upgrades to this line will be required.
The Project has sufficient land area to allow mine development, including space for the mining and processing operations and heap leach pads and ponds as presented in this Report.
25.11 Environmental and Social Impact
The following is a summary of the relevant results and interpretations of the information presented in Section 20 of this report. Given the current status of environmental studies and permit acquisition, there do not appear to be any significant risks and uncertainties that could reasonably be expected to affect the reliability or confidence in the projected permit amendment timelines and economic outcomes. Reasonably foreseeable impacts on the project’s potential economic viability or continued viability with respect to environmental, permitting, and social considerations are focused primarily on permitting timelines for proposed modifications and successful engagement with local communities.
| ● | Environmental, social, and cultural studies were conducted by CR Reward as part of the original permitting efforts for the Project in 2007 and as part of modifications made in 2020. Appropriate public engagement was conducted at the local, state, and federal levels during permitting. |
| ● | Environmental management plans for the Project were prepared as part of the 2020 state and federal permitting efforts, but will need to be updated to support the modifications proposed in this Report. |
| ● | Project waste rock is acid neutralizing, and no known groundwater contact with the site, coupled with the regionally high evaporation rates and low precipitation rates, should minimize the risk of degradation of waters of the State. |
| ● | The acquired permits can reasonably be expected to allow CR Reward to initiate construction of the Project during the period of initial permit minor modifications. Amendments to the Mine Plan of Operations and air quality permit(s) will constitute the critical path for Project permitting, as these generally take the longest to acquire and/or |
| Kappes, Cassiday & Associates | 25.0 Interpretation and Conclusions |
| September 2024 | Page 25-5 |
![]() | Reward Feasibility Study Technical Report |
modify. The remaining permits required for operations are minor in comparison and can be modified/amended during the timeline for the principal permit modifications.
| ● | Inclusion of an ADR Plant will be considered a major modification to the existing permits. As such, this action has been strategically scheduled to occur following the minor permit modifications and initiation of construction/operation. |
| ● | The currently approved reclamation bond for the Project, as currently permitted and based on regulatory requirements, is $10.9 M. The closure cost estimate associated with the Project, as envisaged in this Report and carried in the financial model, is estimated at $9.4 M. This estimate (as well as the regulatory bond estimate for permitting) will require updating during final mine design and detailed engineering. |
25.12 Markets and Contracts
The gold price used in this study is presented in Section 19. No market studies were completed and no contracts are in place in support of this Technical Report as gold production can be sold to a number of financial institutions or refining houses.
25.12.1 Gold Price
The price of gold used in the Cash Flow is $1,975 per oz, significantly lower than the spot gold price as of 3 September 2024. It is possible that the market gold price will be lower and the economics will not be as good. It is also possible that gold price may be higher, which would benefit project economics.
25.13 Capital Costs
The pre-production and sustaining capital costs are presented in Section 21. These costs were generated during a period of unusually high inflation and cost reductions may be possible in future work.
Quotes were received for all major equipment items and disciplines. Over 90% of the costs were based on new budget quotes.
Changes to the project could result in capital cost savings. These potential changes include leasing support mobile equipment instead of purchasing, reducing the size of the stacking conveyors, and modifying the design of the crushing circuit to produce heap leach pad overliner from low grade ore instead of mobilizing and using a contractor.
25.14 Operating Costs
The operating cost are presented in Section 21. New budget quotes were received for all major reagents. As in the estimation of capital costs, these quotes were received in a period of unusually high inflation and cost reductions may be possible in future studies or construction.
| Kappes, Cassiday & Associates | 25.0 Interpretation and Conclusions |
| September 2024 | Page 25-6 |
![]() | Reward Feasibility Study Technical Report |
25.14.1 Operating Cost Risk
It is possible that the skilled operators needed to operate the Reward process will be difficult to attract to Beatty at the wages anticipate in this study. Attracting the right personnel may cost more money, increasing operating costs.
25.15 Economic Analysis
The pre and post-tax flow analyses are presented in Section 22. These analyses show that Reward project is economic and consideration to progressing to basic and detailed engineering is warranted.
| Kappes, Cassiday & Associates | 25.0 Interpretation and Conclusions |
| September 2024 | Page 25-7 |
![]() | Reward Feasibility Study Technical Report |
26.0 RECOMMENDATIONS
26.1 Geotechnical
The recommendations presented in this Report are based upon Knight Piésold’s current understanding of the conditions that will influence pit slope performance at the proposed open pit. These conditions should be assessed during pit development. Any significant deviations from the geotechnical model used to develop the recommendations used in this Report should prompt re-evaluation of these recommendations.
A program of geotechnical data collection should be undertaken during pit development to verify consistency with the geotechnical model. At a minimum, this program should include the following:
| 1. | Drilling and sampling of the Bonanza King Fm. at the northeast side of the pit to directly estimate its strength and rock mass properties. |
| 2. | Geotechnical mapping to document geologic structure and rock mass strength conditions. |
| 3. | Survey monitoring and inspection of the slopes for indications of displacement. |
| 4. | Documentation of any slope failures. |
| 5. | Documentation of groundwater inflows. |
| 6. | Periodic inspection of the pit slopes during development by a geotechnical engineer experienced in pit slope design. |
| 7. | Implement and maintain a slope stability monitoring program. |
With the exception of items No. 1, 6 and 7 these activities can be largely undertaken by mine staff as part of the ongoing mine engineering program once the Project is in production.
The recommended IRA calculated from these analyses for a target probability of failure equal to 10% are highly dependent upon the location and shape of the geologic formations present within the slopes. The uncertainty associated with the location of the Bonanza King Formation introduces a degree of uncertainty in the assignment of engineering lithologies in the limit equilibrium stability analyses. During pit development, Knight Piésold recommends that the extents of the geologic formations present on site be mapped and confirmed to where predicted by the block model.
These pit slope recommendations are also made with the assumption that controlled blasting techniques will be practiced. Controlled blasting techniques should be designed with pit slope damage as an important factor, along with fragmentation and casting.
26.2 APEX
| ● | There are some drillholes that could be drilled a) as confirmation of resources along the east contact and Good Fortune fault zone to confirm that deeper mineralization is present and continuous, and b) some holes in the center of the deposit to test the potential to expand the in pit resources at depth and near the eastern Good Fortune fault zone and contact. |
| Kappes, Cassiday & Associates | 26.0 Recommendations |
| September 2024 | Page 26-1 |
![]() | Reward Feasibility Study Technical Report |
| ● | This drilling can easily be done once cash flow from the early stage mining is in hand. |
26.3 RESPEC
Based on positive Feasibility study, results RESPEC believes that this is a project of merit and that the project should be advanced to basic and detailed engineering, procurement and construction.
26.4 KCA
KCA recommends the following:
| ● | Re-design the crusher and estimate costs to produce overliner for the heap leach pad. The estimated cost for this recommendation is $20,000; |
| ● | Consider reducing the size of the stacking conveyors; |
| ● | Consider leasing support mobile equipment instead of purchasing. |
26.5 NewFields
The LHCSL and overliner material for the HLP requires screening prior to placement. There may be an opportunity to reduce costs by setting up the mine crushing/screening plant early in the project to process the needed materials for construction rather than using a contractor.
26.6 SRK
SRK recommends the following:
| ● | Prepare a detailed compilation and graphical presentation of the proposed initial minor modifications and engage state and federal regulatory agencies early and often; |
| ● | Engage appropriate contractors to prepare permit application modifications. |
| Kappes, Cassiday & Associates | 26.0 Recommendations |
| September 2024 | Page 26-2 |
![]() | Reward Feasibility Study Technical Report |
27.0 REFERENCES
Albert, Terry: Report of Metallurgical Testwork (Kappes, Cassiday and Associates Project 9147C, Report KCA 0180001_REW01_05, 2018).
ALS, 2017. Geochemistry schedule of services and fees 2017 USD, ALS Global, p42.
Armbrust, George A., et al., Reward Project Pre-feasibility Study (CAM Report No. 057111, 2006), Section 7.0,p78-86.
ASTM D4543 - 08 Standard Practices for Preparing Rock Core as Cylindrical Test Specimens and Verifying
Conformance to Dimensional and Shape Tolerances.
ASTM D5607 - 08 Standard Test Method for Performing Laboratory Direct Shear Strength Tests of Rock Specimens Under Constant Normal Force.
ASTM D5731 - 08 Standard Test Method for Determination of the Point Load Strength Index of Rock and Application to Rock Strength Classifications.
ASTM D7012 - 14 Standard Test Methods for Compressive Strength and Elastic Moduli of Intact Rock Core Specimens under Varying States of Stress and Temperatures.
Barcia, M., 2017. Reward – Structural & Formation Modeling; Elko Mining Group, unpublished internal memorandum dated May 9, 2017, p16
Bernard, F., Chlumsky, G., Read, M.J., Reilly, M.P., and Sandefur, R.L., 2012. NI 43-101 Technical Report on the Reward Gold Project, Nye County, Nevada USA. Unpublished Technical Report (NI 43-101 compliant) prepared for Atna Resources Ltd. dated June 29, 2012, p146.
Bernard, Fred et al., Reward Project Feasibility Study (CAM Report No. 077111, 2008), Section 6.0, p.95-117.
BLM, 2009. Environmental Assessment DOI-BLM-NV-S030-2007-0295-EA: CR Reward Corporation Reward Project. Report prepared by U.S. Department of the Interior, Bureau of Land Management (BLM) for the CR Reward Corporation. June 26, 2009.
Brown, C., 2018. Reward Oriented Core Analysis; Unpublished consulting report prepared by Oriented Targeting Solutions on behalf of CR Reward, dates June 2018, p44.
Bryan, R., 2017. NI 43-101 Technical Report Mineral Estimate Bullfrog Gold Project, Nye County, Nevada. Unpublished Technical Report (NI 43-101 compliant) prepared for Bullfrog Gold Corp., dated August 9, 2017, p93
Bryan, R., 2017. NI 43-101 Technical Report Mineral Resource Estimate Bullfrog Gold Project Nye County, Nevada, Document: 910557-REP-R0001-01.
Call, R.D. and Savely, J.P., 1990. Open Pit Rock Mechanics. Surface Mining, ed. B.A. Kennedy, 2nd ed., Chapter 6.8. Littleton, Colorado: SME.
| Kappes, Cassiday & Associates | 27.0 References |
| September 2024 | Page 27-1 |
![]() | Reward Feasibility Study Technical Report |
CAM, 2006. Pre-Feasibility Study - Reward Project: consulting report dated 26 January 2006, prepared for Canyon Resources Corporation by Chlumsky, Armbrust & Meyer, LLC (George A. Armbrust Ph.D., C.P.G; Gregory F. Chlumsky; Kenneth L. Meyer; Michael J. Read; Robert L. Sandefur P.E.).
CAM, 2008b. Technical Report, Reward Project, Nye County, Nevada: consulting report dated December 15, 2008, prepared for Atna Resources Ltd. by Chlumsky, Armbrust & Meyer, LLC (Fred Barnard, Ph.D., Gregory F. Chlumsky; Kenneth L. Meyer; Michael J. Read; Robert L. Sandefur P.E.). In pdf format.
CAM, 2012. NI 43-101 Technical Report, Reward Project, Nye County, Nevada prepared for Atna Resources Ltd. by Barnard, F., Ph, D., Cpg-, A.C.M., Chlumsky, G., Read, M.J., Member, S.M.E.R., Sandefur, R.L., and Colorado, P.E. 140 pages in pdf format.
Canadian Institute of Mining, Metallurgy and Petroleum (CIM), 2003: Estimation of Mineral Resources and Mineral Reserves – Best Practice Guidelines, May 30, 2003: adopted by CIM Council on November 23, 2003.
Canadian Institute of Mining, Metallurgy and Petroleum (CIM), 2014: CIM Definition Standards – for Mineral Resources and Mineral Reserves, prepared by the CIM Standing Committee on Reserve Definitions: adopted by the CIM Council, May 2014.
Canadian Securities Administrators (CSA), 2011: National Instrument 43-101, Standards of Disclosure for Mineral Projects, Canadian Securities Administrators.
Carisey, 1989 Continuum Analytics, 2017. Anaconda Software Distribution. Retrieved from https://continuum.io
Converse, 2007. Canyon Resources Reward Mine Biological Assessment, Nye County, Nevada: Desert Tortoise, Sensitive Species, Bats, Migratory Birds, Noxious Weeds. Report prepared by Converse Consultants (Converse) for CR Briggs Corporation. September 27, 2007.
Cornwall, H.R. and Kleinhampl, F.J., 1961, Preliminary Geologic Map and Sections of the Bullfrog Quadrangle, Nevada-California: U.S. Geological Survey, Miscellaneous Field Studies Map MF-177.
Cornwall, H.R. and Kleinhampl, F.J, 1964, Geology of Bullfrog Quadrangle and Ore Deposits related to Bullfrog Hills Caldera, Nye County, Nevada and Inyo County, California,1964: U.S. Geological Survey Professional Paper 454-J
CR., 2018. Application for Renewal Water Pollution Control Permit NEV2007101. Report prepared by CR Reward Corporation (CR) and submitted to Nevada Division of Environmental Protection (NDEP). March 2018.
CRC., 2007. Reward Project: Water Pollution Control Permit Application. Prepared by Canyon Resources Corporation (CRC) for a Water Pollution Control Permit. March 2007.
| Kappes, Cassiday & Associates | 27.0 References |
| September 2024 | Page 27-2 |
![]() | Reward Feasibility Study Technical Report |
CRRC., 2009. Reward Project: Updated Plan of Operations and Reclamation Plan. BLM Case File Serial Number N-82840. Prepared by CR Reward Corporation (CRRC) for the Bureau of Land Management (BLM) and the Bureau of Mining Regulation and Reclamation (BMRR). July 2009.
CRRC., 2018. Application for Renewal Water Pollution Control Permit NEV2007101: CR Reward Corporation Reward Project. Volume 3: Meteorological Report. Submitted by CR Reward Corporation (CRRC) to Nevada Division of Environmental Protection (NDEP). March 2018.
Eliopulos, G.J., 1996. Report on Exploration and Drilling during 1995 at the Reward Property, Nye
County, Nevada: internal memo prepared for Barrick Bullfrog, Inc, dated February 9, 1996, p15Fowlow, Keith, 2017. Reward Database Verification; Elko Mining Group, unpublished internal memorandum dated May 9, 2017, p6
Fowlow, Keith, 2018a. Reward 2018 DataShed database and exports; CR Reward Corp., unpublished internal report dated March 28, 2018, p12.
Fowlow, Keith, 2018b. February 2017 Reward database verification with 2018 addendum; Elko Mining Group, unpublished internal memorandum p7.
Geological Survey (US), & Monsen, S. A., 1992. Geologic map of Bare Mountain, Nye County, Nevada. The Survey.
Gillstrom, G., 2006. Technical Report on the Sterling Property 144 Zone: Resource Summary and Exploration Proposal, Nevada, U.S.A., p89.
Golder, 2007. Golder Associates Inc., Draft Report on Slope Design Recommendations - Reward Project, Nye County, Nevada.
Golder Associates Inc., Design Report for Reward Mine Heap Leach Facility. March 2007.
Golder Associates Inc., Reward Leach Event Pond, J-629. January 2013.
Goldfarb, R.J., Baker, T., Dube, B., Groves, D.I., Hart, C.J R. and Gosselin, P., 2005: Distribution, Characters and Genesis of Gold Deposits in Metamorphic Terranes: Economic Geology 100th Anniversary Volume, Society of Economic Geologists, Littleton, Colorado, USA, pp. 407–450.
Groves, D.I., Goldfarb, R.J., Gebre-Mariam, M., Hagemann, S.G., and Robert, F. 1998: Orogenic Gold Deposits: A Proposed Classification in the Context of their Crustal Distribution and Relationship to Other Gold Deposit Types: Ore Geology Review, Special Issue, Vol. 13, pp. 7–27.
Groves, D.I., Goldfarb, R.J., Robert, F., and Hart, C.J.R., 2003: Gold Deposits in Metamorphic Belts: Overview of Current Understanding, Outstanding Problems, Future Research, and Exploration Significance: Economic Geology, Vol. 98, pp. 1–29.
Greybeck, J.D., and Wallace, A.B., 1991. Gold Mineralization at Fluorspar Canyon Near Beatty, Nye Country, Nevada. Geology of Ore Deposits of the Great Basin. Symposium Proceedings. Geological Society of Nevada, Reno, Nevada. pp935-946.
| Kappes, Cassiday & Associates | 27.0 References |
| September 2024 | Page 27-3 |
![]() | Reward Feasibility Study Technical Report |
Hoisch, T.D., Heizler, M.T., and Zartman, R.E., 1997. Timing of detachment faulting in the Bullfrog Hills and Bare Mountain area, southwest Nevada—Inferences from 40Ar/39Ar, K-Ar, U-Pb, and fission track thermochronology: Journal of Geophysical Research, v. 102, p. 2815–2833.HydroCAD, 2015
Hynes-Griffin, M.E. and Franklin, A.G., 1984. Rationalizing the Seismic Coefficient Method; United States Army Corp of Engineers, Waterways Experiment Station, CWIS Work Unit 31145.
Kautz, 2007. Reward Mining Project Historic Context, Nye County, Nevada: 2.0 Prehistoric, Ethnohistoric, and Historic Contexts and Research Themes. Report prepared by Kautz Environmental Consultants, Inc. (Kautz) for the CR Briggs Corporation.
Laney, Debbie Column Leach Tests on Barrick Core Samples from Reward Property (Rayrock Mines, Inc. Memorandum, 1998).
Laney, Debbie Column Leach Tests on Rayrock Trench Samples from Reward Property (Rayrock Mines, Inc. Memorandum, 1998).
Marinos, P. and Hoek, E., 2002. GSI: A Geologically Friendly Tool for Rock Mass Strength Estimation.
Marr, J., 2006. Geological Report and Proposal for Exploration Fluorspar Canyon. Sterling Gold Mining Corporation. Beatty, Nevada. Internal Report. p23.
McPartland, Jack S., Report on Bottle Roll Cyanidation Tests – Reward Cuttings Composites (McClelland Laboratories, Inc. Job No. 3175, 2007).
McPartland, Jack S., Report on Metallurgical Testing – Reward Drill Core Composites (McClelland Laboratories, Inc. Job No. 3206, 2008).
Monsen, S.A., Carr, M.D., Reheis, M.C. and Orkild, P.P., 1992. Geologic Map of Bare Mountain, Nye County, Nevada (1:24,000); U.S. Geological Survey, Miscellaneous Investigations Series Map 1-2201.
Moritz, R., 2000: What Have We Learnt About Orogenic Lode Gold Deposits Over the Past 20 Years?: article posted to University of Geneva, Switzerland, website, 7 p. accessed 8 February 2010, http://www.unige.ch/sciences/terre/mineral/publications/onlinepub/moritz_gold_brgm_2000.doc.
Natural Resources Conservation Service (NRCS), 2004. Soil Survey of Nye County, Nevada, Southwest Part: Part 1. United States Department of Agriculture. In cooperation with United States Department of Interior, Bureau of Land Management; and University of Nevada Agricultural Experiment Station.
Nevada Bureau of Mines and Geology, 1997. The Nevada Mineral Industry – 1997. Special Publication MI-1997.
Nevada Bureau of Mines and Geology, 1999. The Nevada Mineral Industry – 1999. Special Publication MI-1999.
| Kappes, Cassiday & Associates | 27.0 References |
| September 2024 | Page 27-4 |
![]() | Reward Feasibility Study Technical Report |
Nevada Bureau of Mines and Geology, 2001. The Nevada Mineral Industry – 2001. Special Publication MI-2001.
NewFields, 2019a, Updates to the Engineering Design Report Phase 1 Heap Leach Facility, Reward Mine, Nye County, Nevada. June 6, 2019.
NewFields 2019b, Reward Mine Phase 1 Heap Leach Facility Process and Event Pond Dam Design Report. August 14, 2019.
NewFields, 2020, Responses to the NDWR review of the Application for a Dam Safety Permit J-755 (NV10945 and NV10949) Phase 1 HLP – Process and Event Ponds, Reward Mine. May 8, 2020
Noble, D.C., Weiss, S.I., and McKee, E.H., 1991, Magmatic and hydro- thermal activity, caldera geology, and regional extension in the western part of the southwestern Nevada volcanic field, in Raines, G.L., Lisle, R.E., Schaefer, R.W., and Wilkinson, W.H., eds., Geology and ore deposits of the Great Basin: Geological Society of Nevada, symposium proceedings, Reno, p. 913-934.
Papke K.G., and Davis, D.A., 2019: Mining Claim Procedures for Nevada Prospectors and Miners: Nevada Bureau of Mines and Geology, Sixth Edition, accessed via the internet, https://pubs.nbmg.unr.edu/Miningclaim- procedures-for-NV-p/sp006.htm
Rasmussen, J.C. and Keith, S.B., 2015. Magma-Metal Series Classification of Mineralization in the Vicinity of
Yucca Mountain, Nevada; n book: In New concepts and discoveries, volume II; Geological Society of Nevada, Editors: W.M. Pennell, L.J. Garside, P. 1131-1152.
Sawyer, D.A., Fleck,R.J., Lanphere, M.A., Warren, R.G., Broxton, D.E. and Hudson, M.R., 1994. Episodic caldera volcanism in the Miocene southwestern Nevada volcanic field: revised stratigraphic framework, 4OAd39Ar geochronology, and implications for magmatism and extension. Geological Society of America Bulletin 106, 304-1318.
Sloan, Robert, Mineralogical Assessment of Good Hope and Gold Ace Samples (ALS Metallurgy Report KM5696 2018).
Teal, L. and Jackson, M., 1997. Geological overview of the Carlin trend gold deposits and descriptions of recent discoveries; Society of Economic Geologists Newsletter, Number 31, October 1997, pp13-25.
Weiss, S.I., 1996. Hydrothermal Activity, Epithermal Mineralization and Regional Extension in the Southwestern Nevada Volcanic Field, University of Nevada, Reno, Nevada, unpublished Ph.D. dissertation, p212.
| Kappes, Cassiday & Associates | 27.0 References |
| September 2024 | Page 27-5 |
![]() | Reward Feasibility Study Technical Report |
28.0 DATE AND SIGNATURES
This report, entitled “Feasibility Technical Report on the Reward Project, Nye County, NV, USA” has the following report dates:
| Report Effective Date is: | September 03, 2024 | |
| Mineral Resource Effective Date is: | September 03, 2024 | |
| Mineral Reserve Effective Date is: | September 03, 2024 |
| Kappes, Cassiday & Associates | 28.0 Date and Signatures |
| September 2024 | Page 28-1 |
![]() | Reward Feasibility Study Technical Report |
The report was prepared and signed by the authors as shown in the following QP certificate
In relation to Sections: 1.1, 1.2, 1.3, 1.4, 1.6, 1.13, 1.14, 1.14.1, 1.16, 1.17, 1.18, 1.19, 1.20, 1.20.3, 1.20.4, 1.20.6, 1.21.3, 2, 3, 4 (except 4.2.3 & 4.10), 5, 6, 12.5, 13.6.2, 17 (except 17.5 & 17.6), 18, 19, 21 (except 21.2, 21.4.1), 22, 24.1, 24.2, 24.3, 25.1, 25.2, 25.5, 25.9, 25.10, 25.12, 25.13, 25.14, 25.15, 26.4, 27, 28
| “Signed & Sealed” | Date: September 30, 2024 | |
| Mark Gorman, P.E., | ||
| Senior Project Manager, | ||
| Kappes, Cassiday & Associates |
In relation to Sections: 1.11, 1.12, 1.20.2, 1.20.6, 1.21.2, 15, 16 (except 16.2), 21.2, 21.4.1, 24.2, 24.3, 25.7, 25.8, 26.3, 27, 28
| “Signed & Sealed” | Date: September 30, 2024 | |
| Thomas Dyer, P.E., | ||
| Principal Engineer at | ||
| RESPEC LLC |
In relation to Sections: 1.5, 1.7, 1.8, 1.10, 1.20.1, 1.21.1, 7, 8, 9, 10, 11, 12 (except 12.5), 14, 23, 25.3, 25.4, 25.6, 26.2, 27, 28
| “Signed & Sealed” | Date: September 30, 2024 | |
| Michael B. Dufresne, M.Sc., P. Geol., P. Geo | ||
| President | ||
| APEX Geoscience Ltd. |
In relation to Sections: 1.9, 13 (except 13.6.2), 25.5, 27, 28
| “Signed & Sealed” | Date: September 30, 2024 | |
| Timothy D. Scott, BA.Sc., RM SME | ||
| Sr. Engineer and Project Manager | ||
| Kappes, Cassiday & Associates |
In relation to Sections: 1.14.2, 1.21.4, 17.5, 17.6, 26.5, 27, 28
| “Signed & Sealed” | Date: September 30, 2024 | |
| Matthew Haley, PE, | ||
| NewFields |
| Kappes, Cassiday & Associates | 28.0 Date and Signatures |
| September 2024 | Page 28-2 |
![]() | Reward Feasibility Study Technical Report |
In relation to Sections: 1.21.5, 16.2, 26.1, 27, 28
| “Signed & Sealed” | Date: September 30, 2024 | |
| James Cremeens, PE, PG | ||
| Knight Piésold and Co. |
In relation to Sections: 1.15, 1.20.5, 1.21.6, 4.2.3, 4.10, 20, 25.11, 26.6, 27, 28
| “Signed & Sealed” | Date: September 30, 2024 | |
| Mark Allan Willow, M.Sc., NV-CEM, SME-RM | ||
| Principal Environmental Consultant | ||
| SRK Consulting (U.S.) |
| Kappes, Cassiday & Associates | 28.0 Date and Signatures |
| September 2024 | Page 28-3 |
![]() | Reward Feasibility Study Technical Report |
CERTIFICATE OF QUALIFIED PERSON
I, Thomas Dyer, P.E., of Reno, Nevada, USA, Principal Engineer at RESPEC LLC, as an author of this report entitled “Project Feasibility Technical Report on the Reward Project Nye County, NV, US” prepared for Augusta Gold Corp. (the “Issuer”) dated September 03, 2024 do hereby certify that:
| 1. | I am employed as a Principal Engineer at RESPEC LLC, an independent consulting firm, whose address is 210 Rock Blvd, Reno, Nevada 89502. |
| 2. | This certificate applies to the technical report “Project Feasibility Technical Report on the Reward Project Nye County, NV, US”, effective date September 03, 2024 (the “Technical Report”). |
| 3. | I graduated from South Dakota School of Mines and Technology in 1996 with a degree as a Mining Engineer. |
| 4. | I am a Professional Engineer in the state of Nevada (No. 15729) and a Registered Member (#4029995RM) of the Society of Mining, Metallurgy and Exploration. |
| 5. | I have worked as a mining engineer with increasing responsibilities for more than 28 years since my graduation. Relevant experience includes providing mine designs, reserve estimates and economic analyses, of precious-metals and industrial minerals deposits in the United States and various countries of the world. |
| 6. | I have read the definition of “qualified person” set out in National Instrument 43-101 (“NI 43-101”) and certify that by reason of my education, affiliation with a professional association (as defined in NI 43-101) and past relevant work experience, I fulfill the requirements to be a “qualified person” for the purposes of NI 43-101. |
| 7. | I visited the Reward property on 10 October 2022 and later on 23 May 2024. While there I examined proposed mining and infrastructure sites. |
| 8. | I take responsibility sections: 1.11, 1.12, 1.20.2, 1.20.6, 1.21.2, 15, 16 (except 16.2), 21.2, 21.4.1, 24.2, 24.3, 25.7, 25.8, 26.3, 27 and 28. |
| 9. | I am independent of the Issuer as described in section 1.5 of NI 43-101. |
| 10. | I provided engineering services to Augusta Gold Corporation, related to Reward, in 2023. |
| 11. | I have read NI 43-101 and the Technical Report has been prepared in compliance with NI 43-101. |
| 12. | As of the effective date of the Technical Report, to the best of my knowledge, information and belief, the Technical Report contains all scientific and technical information that is required to be disclosed to make the Technical Report not misleading. |
Dated September 30, 2024
| (Signed and Sealed) Thomas L. Dyer | |
Thomas L. Dyer, P.E. Principal Engineer RESPEC LLC |
| Kappes, Cassiday & Associates | 28.0 Date and Signatures |
| September 2024 | Page 28-4 |
![]() | Reward Feasibility Study Technical Report |
CERTIFICATE OF QUALIFIED PERSON
I, Mark Allan Willow, M.Sc., NV-CEM, SME-RM, do hereby certify that:
| 13. | I am a Principal Environmental Consultant of SRK Consulting (U.S.), Inc., 5250 Neil Road, Ste. 300, Reno, Nevada 89502, USA. |
| 14. | I graduated with a Bachelor’s degree in Fisheries and Wildlife Management from the University of Missouri in 1987 and a Master’s degree in Environmental Science and Engineering from the Colorado School of Mines in 1995. |
| 15. | I am a Registered Member (#04104492) of the Society for Mining, Metallurgy & Exploration. I am also a Certified Environmental Manager (CEM) in the State of Nevada to officially handle matters concerning: the management of hazardous waste; the investigation of a release or potential release of a hazardous substance; the sampling of any media to determine the release of a hazardous substance; the response to a release or cleanup of a hazardous substance; or the of remediation soil or water contaminated with a hazardous substance. |
| 16. | I have worked as a biologist/environmental scientist for over 30 years since my graduation from university. My relevant experience includes environmental due diligence/competent persons evaluations of developmental and operational phase mines through the world. My project manager experience includes numerous site characterization and mine closure projects. |
| 17. | I visited the Reward property on September 19, 2018. |
| 18. | I have read the definition of “Qualified Person” set out in National Instrument 43-101 (“NI 43-101”) and certify that by reason of my education, affiliation with a professional association (as defined in NI 43-101) and past relevant work experience, I fulfill the requirements to be a “Qualified Person” for the purposes of NI 43-101. |
| 19. | I am responsible for sections 1.15, 1.20.5, 1.21.6, 4.2.3, 4.10, 20, 25.11, 26.6 and co-responsible for 27 and 28 of the technical report titled “Project Feasibility Technical Report on the Reward Project Nye County, NV, USA”, with an effective date of September 03, 2024 (the “Technical Report”). I visited the Reward Project on September 19, 2018. |
| 20. | To the best of my knowledge, information and belief, the Technical Report contains all relevant scientific and technical information that is required to be disclosed, to make the Technical Report not misleading. |
| 21. | I have read National Instrument 43-101 and Form 43-101F1, and the Technical Report has been prepared in compliance with that instrument and form. |
| 22. | I am independent of the issuer and the Property applying all of the tests in section 1.5 of both NI 43-101 and 43-101CP. |
| 23. | I have had prior involvement with the Property as a QP and co-author of a Feasibility Study and Technical Report on behalf of CR Reward in September 2019. |
| 24. | I consent to the filing of the Technical Report with any stock exchange and other regulatory authority and any publication by them for regulatory purposes, including electronic publication in the public company files or their websites. |
Signing date: September 30, 2024
Reno, Nevada, USA
“Signed & Sealed”
___________________
Mark A. Willow, M.Sc., NV-CEM, SME-RM
| Kappes, Cassiday & Associates | 28.0 Date and Signatures |
| September 2024 | Page 28-5 |
![]() | Reward Feasibility Study Technical Report |
CERTIFICATE OF QUALIFIED PERSON
I, Mark Gorman, P.E., of Reno, Nevada, USA, Senior Project Manager at Kappes, Cassiday & Associates, as an author of this report entitled “Project Feasibility Technical Report on the Reward Project Nye County, NV, US” prepared for Augusta Gold Corp. (the “Issuer”) dated 03 September 2024 do hereby certify that:
| 1. | I am employed as a as Senior Project Manager at Kappes, Cassiday & Associates, an independent metallurgical and engineering consulting firm, whose address is 7950 Security Circle, Reno, Nevada 89506. |
| 2. | This certificate applies to the technical report “Project Feasibility Technical Report on the Reward Project Nye County, NV, US”, effective date 03 September 2024 (the “Technical Report”). |
| 3. | I am a Professional Engineer in the state of Nevada (No. 018284) and my qualifications include experience applicable to the subject matter of the Technical Report. In particular, I am a graduate of the University of Nevada with a M.S. in Metallurgical Engineering (1988) and have practiced my profession for approximately 35 years since graduating. Most of my professional practice has focused on the operation of mineral processing plant. |
| 4. | I am familiar with National Instrument 43-101 – Standards of Disclosure for Mineral Projects (“NI 43-101”) and by reason of education, experience and professional registration I fulfill the requirements of a “qualified person” as defined in NI 43-101. |
| 5. | I visited the Reward property on 10 October 2022. |
| 6. | I am responsible for the following sub-sections of this report: 1.1, 1.2, 1.3, 1.4, 1.6, 1.13, 1.14, 1.14.1, 1.16, 1.17, 1.18, 1.19, 1.20, 1.20.3, 1.20.4, 1.20.6, 1.21.3, 2, 3, 4 (except 4.2.3 & 4.10), 5, 6, 12.5, 13.6.2, 17 (except 17.5 & 17.6), 18, 19, 21 (except 21.2, 21.4.1), 22, 24.1, 24.2, 24.3, , 25.1, 25.2, 25.5, 25.9, 25.10, 25.12, 25.13, 25.14, 25.15, 26.4, 27, 28. |
| 7. | I am independent of the Issuer as described in section 1.5 of NI 43-101. |
| 8. | I provided engineering services to Augusta Gold Corp., related to Reward, in 2023. |
| 9. | I have read NI 43-101 and the Technical Report has been prepared in compliance with NI 43-101. |
| 10. | As of the effective date of the Technical Report, to the best of my knowledge, information and belief, the Technical Report contains all scientific and technical information that is required to be disclosed to make the Technical Report not misleading. |
Dated September 30, 2024
| (Signed and Sealed) Mark Gorman | |
Mark Gorman, P.E. Senior Project Manager at Kappes, Cassiday & Associates |
| Kappes, Cassiday & Associates | 28.0 Date and Signatures |
| September 2024 | Page 28-6 |
![]() | Reward Feasibility Study Technical Report |
CERTIFICATE OF QUALIFIED PERSON
I, Timothy D. Scott, of Las Vegas Nevada, USA, Senior Project Manager at Kappes, Cassiday & Associates, as an author of this report entitled “Project Feasibility Technical Report on the Reward Project Nye County, NV, US” prepared for Augusta Gold Corp. (the “Issuer”) dated 03 September 2024 do hereby certify that:
| 1. | I am an independent consultant affiliated as an Associate with the firm of Kappes, Cassiday and Associates, 7950 Security Circle, Reno, Nevada, USA 89506 since 2006 and my personal address is 140 S. Buteo Woods Ln., Las Vegas, Nevada USA 89144. |
| 2. | I graduated from Montana College of Mineral Science and Technology in 1987 with a Bachelor of Science degree in Geological Engineering degree. |
| 3. | This certificate applies to the technical report “Project Feasibility Technical Report on the Reward Project Nye County, NV, US”, effective date 03 September 2024 (the “Technical Report”). |
| 4. | I am a Registered Member in good standing of the Society of Mining, Metallurgy and Exploration (4153680RM). I have practiced my profession continuously since 1987 in all aspects of mineral processing, metallurgy, and gold extraction; heap leaching; and design and construction of mineral processing and metals extraction facilities. I am a “Qualified Person” for the purposes of NI 43-101 by reason of my education, affiliation with a professional association as defined by NI-43-101 and past relevant work experience. |
| 5. | I have practiced my profession continuously for 37 years. |
| 6. | I have read the definition of “Qualified Person” set out in National Instrument 43-101 (NI 43-101) and certify that, by reason of my education, affiliation with a professional association (as defined in NI 43-101) and past relevant work experience, I am a “qualified person” for the purpose of NI 43-101. |
| 7. | I visited the site on 22 September 2018 and inspected the proposed location of the open pit, heap leach pad, process plant and associated infrastructure. |
| 8. | I am responsible for sections 1.9, 13 (except 13.6.2), 25.5, 27 and 28 of the Technical Report. |
| 9. | I am independent of the Issuer as described in section 1.5 of NI 43-101. |
| 10. | I have had prior involvement with the Property for the purposes of ongoing and updated studies since 2018, although all original work remains intact with no modifications. |
| 11. | I have read NI 43-101 and the Technical Report has been prepared in compliance with NI 43-101. |
| 12. | As of the effective date of the Technical Report, to the best of my knowledge, information and belief, the Technical Report contains all scientific and technical information that is required to be disclosed to make the Technical Report not misleading. |
Dated September 30, 2024
| (Signed and Sealed) Timothy D. Scott | |
Timothy D. Scott, SME (4153680RM) |
| Kappes, Cassiday & Associates | 28.0 Date and Signatures |
| September 2024 | Page 28-7 |
![]() | Reward Feasibility Study Technical Report |
CERTIFICATE OF QUALIFIED PERSON
I, Michael Dufresne, M.Sc., P. Geol., P.Geo., do hereby certify that:
| 1. | I am President and a Principal of APEX Geoscience Ltd., Suite 100, 11450 – 160th Street NW, Edmonton, AB, Canada, T5M 3Y7. |
| 2. | I graduated with a B.Sc. in Geology from the University of North Carolina at Wilmington in 1983 and with a M.Sc. in Economic Geology from the University of Alberta in 1987. |
| 3. | I am and have been registered as a Professional Geologist with the Association of Professional Engineers and Geoscientists of Alberta (“APEGA”) since 1989 and a Professional Geoscientist with the Association of Professional Engineers and Geoscientists of British Columbia (“EGBC”) since 2012, NWT and Nunavut (NAPEG) since 2017, New Brunswick. (APEGNB) since 2022 and Ontario (PGO) since 2023. |
| 4. | I have worked as a geologist for more than 40 years since my graduation from University and have extensive experience with exploration for, and the evaluation of, gold deposits of various types, including structurally-controlled, orogenic, locally-disseminated, sediment-hosted, quartz vein mineralization including numerous mineral resource estimates. |
| 5. | I have read the definition of “Qualified Person” set out in National Instrument 43-101 (“NI 43-101”) and certify that by reason of my education, affiliation with a professional association (as defined in NI 43-101) and past relevant work experience, I fulfill the requirements to be a “Qualified Person” for the purposes of NI 43-101. |
| 6. | I am responsible for sections 1.5, 1.7, 1.8, 1.10, 1.20.1, 1.21.1, 7, 8, 9, 10, 11, 12 (except for 12.5), 14, 23, 25.3, 25.4, 25.6, 26.2, 27 and 28 of the technical report herein. I visited the Reward Project on August 2nd, 2017 and August 12th and 15th, 2019. |
| 7. | To the best of my knowledge, information and belief, the Technical Report contains all relevant scientific and technical information that is required to be disclosed, to make the Technical Report not misleading. |
| 8. | I have read National Instrument 43-101 and Form 43-101F1, and the Technical Report has been prepared in compliance with that instrument and form. |
| 9. | I am independent of the issuer, the vendor and the Property applying all of the tests in section 1.5 of both NI 43-101 and 43-101CP. |
| 10. | I have had prior involvement with the Property as a QP and co-author of a Feasibility Study and Technical Report on behalf of CR Reward in September 2019, and as a co-author of a Mineral Resource Estimate and technical report on behalf of CR Reward and Augusta Gold Corp. in June of 2022. |
| 11. | I consent to the filing of the Technical Report with any stock exchange and other regulatory authority and any publication by them for regulatory purposes, including electronic publication in the public company files or their websites. |
Signing date: September 30, 2024
Edmonton, Alberta, Canada
“Signed & Sealed”
___________________
Michael Dufresne, M.Sc., P. Geol., P.Geo.
| Kappes, Cassiday & Associates | 28.0 Date and Signatures |
| September 2024 | Page 28-8 |
![]() | Reward Feasibility Study Technical Report |
CERTIFICATE OF QUALIFIED PERSON
Matthew Haley, P.E
| 1. | I, Matthew Haley, P.E., do hereby certify that I am currently employed as Senior Project Manager at NewFields’s Colorado office, whose address is 9400 Station St. Suite 300, Lone Tree, CO 80124. |
| 2. | b) I am an author of this technical report, titled “Project Feasibility Technical Report on the Reward Project Nye County, NV, USA” prepared for CR Reward LLC & Augusta Gold Corp. with an effective date of 03 September 2024. |
| 3. | c) I graduated with a Bachelor of Science degree in Civil Engineering from University of Colorado at Boulder in 2000. I am a Registered Professional Engineer in the state of Nevada (#21993). |
| 4. | I have worked as a civil engineer with increasing responsibilities for more than 22 years since my graduation. Relevant design experience includes providing civil designs for mine sites for heap leach pads, waste rock dumps, tailings storage facilities, containment ponds, stormwater channels, etc. Activities include engineering calculations, CAD civil 3D design, reporting and cost estimation for construction, operations and closure. Field experience includes construction management, earthworks superintendent, QA/QC testing, geotechnical evaluations, inspections and project oversight. |
| 5. | I have read the definition of “qualified person” set out in National Instrument 43-101 (“NI 43-101”) and certify that by reason of my education, affiliation with a professional association (as defined in NI 43-101) and past relevant work experience, I fulfill the requirements to be a “qualified person” for the purposes of NI 43-101 |
| 6. | d) I visited the Reward Mine property most recently on August 22, 2022. While there I examined proposed mining and infrastructure sites. |
| 7. | I take responsibility for sections 1.14.2, 1.21.4, 17.5, 17.6, 26.5, 27 and 28 of this report, subject to those issues discussed in Section 3. |
| 8. | I am independent of CR Reward LLC and Augusta Gold Corp. and all their subsidiaries as defined in Section 1.5 of NI 43-101. |
| 9. | I provided engineering services to Augusta Gold Corp., related to Reward, in 2023. I was author for the Reward Feasibility study for Elko Mining Group in 2019. |
| 10. | I have read National Instrument 43-101 and those portions of this report for which I am responsible has been prepared in compliance with that Instrument. |
| 11. | As of the effective date of the technical report, to the best my knowledge, information, and belief, the technical report, or part that I am responsible for, contains all the scientific and technical information that is required to be disclosed to make the technical report not misleading. |
Dated September 30, 2024
| (Signed and Sealed) Matthew Haley | |
| Matthew Haley, P.E. |
| Kappes, Cassiday & Associates | 28.0 Date and Signatures |
| September 2024 | Page 28-9 |
![]() | Reward Feasibility Study Technical Report |
Certificate of Qualified Person
I, James Cremeens, of Fort Collins, Colorado, USA, do hereby certify that as an author of “Feasibility Technical Report on the Reward Project Nye County, NV, US” prepared for Augusta Gold Corp. (the “Issuer”) that:
| 1. | I am a Geotechnical Engineer and Senior Executive Manager of Knight Piésold and Co., 1999 Broadway, Suite 900, Denver, Colorado, USA and engaged under contract by Augusta Gold Corp., 1 Boiling Pot Road, Beatty NV, for the Reward Project. |
| 2. | I graduated from the University of Illinois Urbana-Champaign in 1988 with a Bachelor of Science degree in Geology and in 1990 with a Master of Science in Geology with Rock Mechanics Engineering emphasis. |
| 3. | I am a professional engineer in good standing in the states of Colorado (#40683) and Nevada (#22225), and I am a professional geologist in the state of Wyoming (#PG-2957). |
| 4. | I have practiced my profession continuously as a geotechnical engineer for approximately 34 years. |
| 5. | I am responsible for sections 1.21.5, 16.2, 26.1, 27 and 28. |
| 6. | I have read the definition of “qualified person” set out in National Instrument 43-101 (NI 43-101) and certify that, by reason of my education, affiliation with a professional association (as defined in NI 43-101) and past relevant work experience, I am a “qualified person for the purpose of NI 43-101”. |
| 7. | I visited the site on 2 August 2017 and October 10, 2022 to get familiar with the site and inspect the proposed location of the open pit, heap leach pad, process plant and associated infrastructure. I visited the site on May 16, 2023 to increase characterization of the rock mass that will comprise the open pit slopes. |
| 8. | I am independent of the issuer in accordance with the application of Section 1.5 of National Instrument 43-101. |
| 9. | I provided engineering services to Augusta Gold Corp., related to Reward, in 2023. |
| 10. | I have read National Instrument 43-101 and Form 43-101F1 and the Technical Report has been prepared in compliance with same. |
| 11. | At the effective date of the Technical Report, to the best of my knowledge, information and belief, the Technical Report contains all scientific and technical information that is required to be disclosed to make the Technical Report not misleading. |
Dated at Fort Collins, Colorado, USA, September 30, 2024.
| (Signed and Sealed) James Cremeens | |
| James Cremeens, P.E. |
| Kappes, Cassiday & Associates | 28.0 Date and Signatures |
| September 2024 | Page 28-10 |